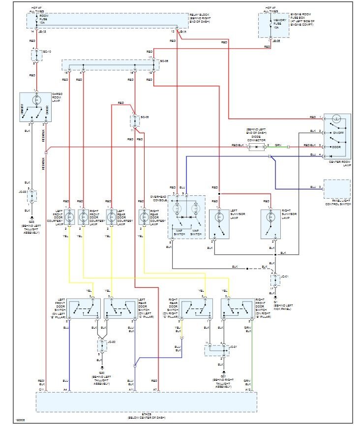
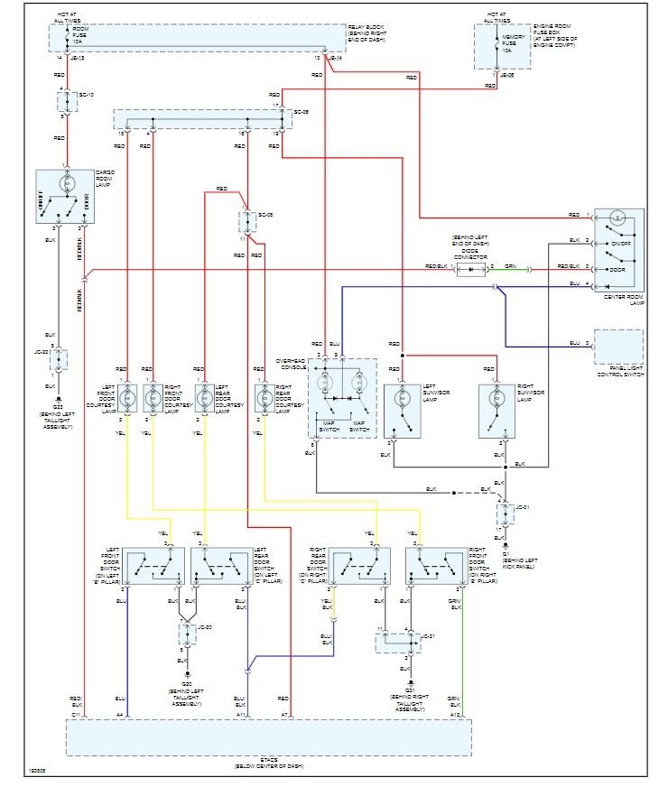
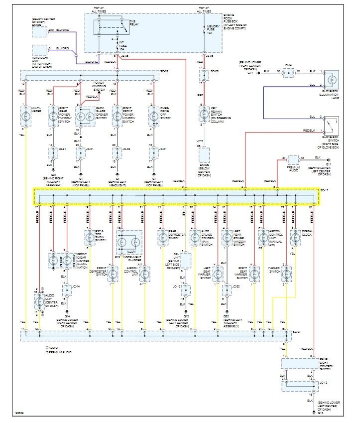
Saturday, February 2nd, 2013 AT 2:13 AM
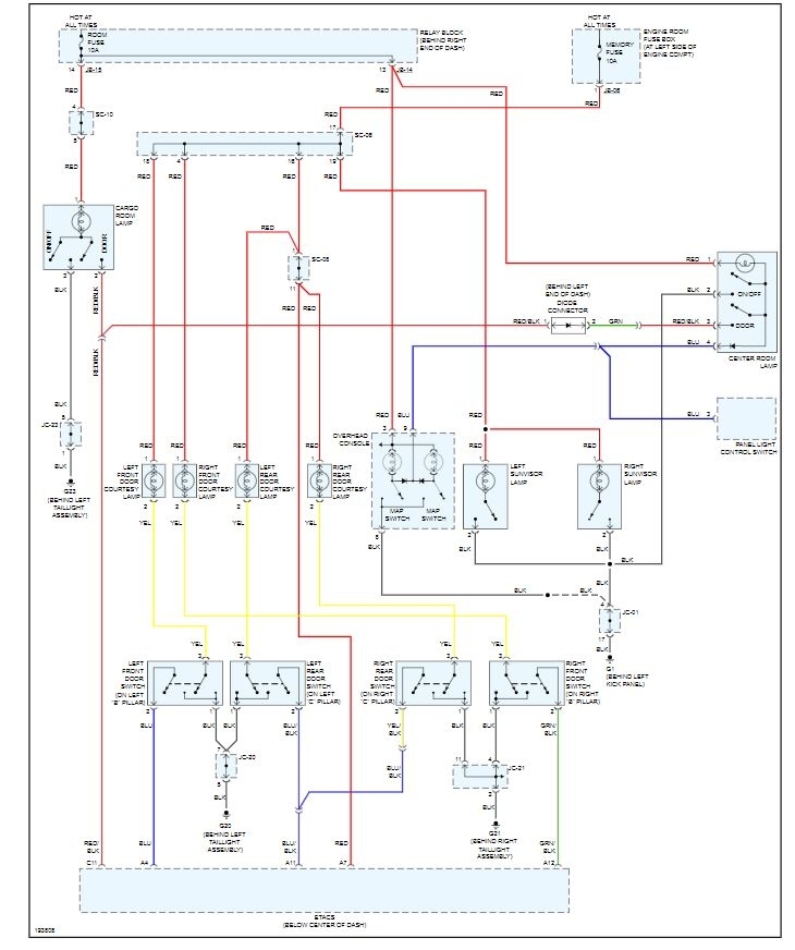
My interior lights randomly come on and the dash lights will go out while I am driving sometimes it happens at the same time other times it is one or the other. Do you know what the problem is and is it costly to repair.


