Has no spark

Tiny
HMAC300
  • MECHANIC
  • 48,601 POSTS
Here is a link to security system reset.
https://www.2carpros.com/articles/how-to-reset-a-security-system
Was this
answer
helpful?
Yes
No
+1
Tuesday, May 2nd, 2017 AT 10:01 AM (Merged)
Tiny
FILLERS
  • MEMBER
  • 6 POSTS
  • 2005 HYUNDAI SONATA
  • 105,000 MILES
No spark to plugs from coil pack and no fule
Was this
answer
helpful?
Yes
No
Tuesday, May 2nd, 2017 AT 10:01 AM (Merged)
Tiny
RASMATAZ
  • MECHANIC
  • 75,992 POSTS
For what engine?
Was this
answer
helpful?
Yes
No
Tuesday, May 2nd, 2017 AT 10:01 AM (Merged)
Tiny
ROB YBARRA
  • MEMBER
  • 1 POST
  • 2001 HYUNDAI SONATA
  • 2.5L
  • 6 CYL
  • FWD
  • AUTOMATIC
  • 95,000 MILES
When replacing the crank sensor it broke off in the block drill out as much as I could eventually some pushed through the block. Installed new sensor hooked everything back up will crank but not turn on. I diagnosed it there was no spark but prior to changing old sensor the coil pack had spark. Could a new crank sensor short the coil pack?. All fuses are good I even manually unplugged all connections to ecu to reset it and still no spark. Im also wondering if I did some damage to the inside of the crank sensor housing when I drilled it out since its molded from the block would it matter?
Was this
answer
helpful?
Yes
No
Tuesday, May 2nd, 2017 AT 10:02 AM (Merged)
Tiny
KEN L
  • MASTER CERTIFIED MECHANIC
  • 55,428 POSTS
Hey ROB,

The new sensor cannot short out the coil pack, test the sensor pulse by probing the wires while having the voltmeter on ac voltage and crank the engine over, you should see some kind of activity on the meter. Let me know so we can continue.
Was this
answer
helpful?
Yes
No
Tuesday, May 2nd, 2017 AT 10:02 AM (Merged)
Tiny
KEN L
  • MASTER CERTIFIED MECHANIC
  • 55,428 POSTS
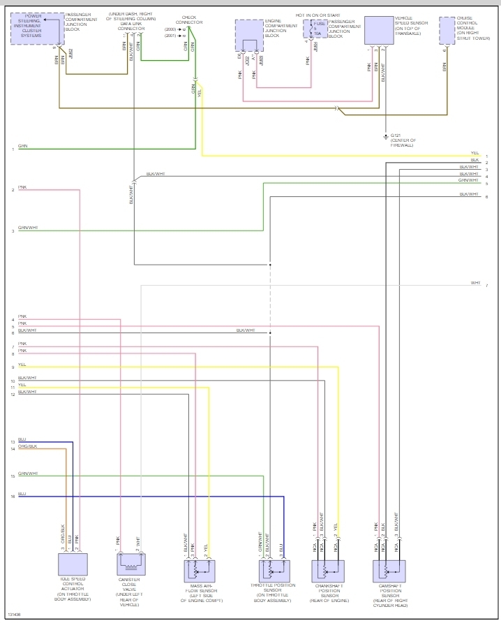
Here is a diagram to help, use both sets of wires to test.
Was this
answer
helpful?
Yes
No
Tuesday, May 2nd, 2017 AT 10:02 AM (Merged)
Tiny
DOLLARKORY
  • MEMBER
  • 3 POSTS
  • 2002 HYUNDAI SONATA
  • 4 CYL
  • 2WD
  • AUTOMATIC
  • 97,000 MILES
Engine Mechanical problem
2002 Hyundai Sonata 4 cyl Two Wheel Drive Automatic 97000 miles

I was driving and just stopped? We just bought the car last night.
The timing belt is tight and New. My husband took the cover off. He tested for spark no spark. Any Ideas? He also tested the fuses and good.
Was this
answer
helpful?
Yes
No
Tuesday, May 2nd, 2017 AT 10:02 AM (Merged)
Tiny
BMRFIXIT
  • MECHANIC
  • 19,053 POSTS
Check if you have an alarm system that you dont know about yet !
Common with no spark
check /replace crank sensor
Was this
answer
helpful?
Yes
No
Tuesday, May 2nd, 2017 AT 10:02 AM (Merged)
Tiny
TAPAN GURUMAYUM
  • MEMBER
  • 1 POST
  • 2002 HYUNDAI SONATA
2002 Hyundai Sonata

Hyundai Sonata 2002, out of four plugs, two gave no spark. Replaced plug coils and plug wire but no spark tested in the two plugs. And, new coils get heated up on ignition. Mechanics fail to diagnose by using scanner. What may be the problem?
Was this
answer
helpful?
Yes
No
Tuesday, May 2nd, 2017 AT 10:02 AM (Merged)
Tiny
RASMATAZ
  • MECHANIC
  • 75,992 POSTS
Inspect and test the crankshaft position sensor-it tells the computer what coil to fire
Was this
answer
helpful?
Yes
No
Tuesday, May 2nd, 2017 AT 10:02 AM (Merged)
Tiny
DOGILBERT
  • MEMBER
  • 1 POST
  • 2002 HYUNDAI SONATA
Electrical problem
2002 Hyundai Sonata 4 cyl Front Wheel Drive Automatic

We were driving down the road when the car just quit. I check for spark and am not getting any. Any ideas?
Was this
answer
helpful?
Yes
No
Tuesday, May 2nd, 2017 AT 10:02 AM (Merged)
Tiny
RASMATAZ
  • MECHANIC
  • 75,992 POSTS
No snapping blue spark continue to troubleshoot the ignition system-power input to the coil/coil packs, distributor pick-up coil, ignition control module, cam and crank sensors- Note: If it doesn't apply disregard it
Was this
answer
helpful?
Yes
No
Tuesday, May 2nd, 2017 AT 10:02 AM (Merged)
Tiny
KRAZYKOLORS
  • MEMBER
  • 1 POST
  • 2002 HYUNDAI SONATA
  • 100,000 MILES
Replaced ckp and cmp sensors
Was this
answer
helpful?
Yes
No
Tuesday, May 2nd, 2017 AT 10:02 AM (Merged)
Tiny
MHPAUTOS
  • MECHANIC
  • 31,937 POSTS
I would replace the coil pack.
Was this
answer
helpful?
Yes
No
Tuesday, May 2nd, 2017 AT 10:02 AM (Merged)
Tiny
KATEDID242
  • MEMBER
  • 1 POST
  • 2002 HYUNDAI SONATA
  • 4 CYL
  • FWD
  • 100 MILES
2002 Hyundai Sonata, there is no spark to the coils, replaced the crank sensor and timing belt, cranks freely, still no fire. Code 335
Was this
answer
helpful?
Yes
No
Tuesday, May 2nd, 2017 AT 10:02 AM (Merged)
Tiny
MHPAUTOS
  • MECHANIC
  • 31,937 POSTS
This is a crank angle code, so do a code clear and a test start and re check to see if it has re set, also these have a problem with cracking coils, check this out as well.

Mark (mhpautos)
Was this
answer
helpful?
Yes
No
-1
Tuesday, May 2nd, 2017 AT 10:02 AM (Merged)

Please login or register to post a reply.