Crank no start

Tiny
HSAAGER1
  • MEMBER
  • 2004 HYUNDAI SONATA
  • 2.6L
  • V6
  • 2WD
  • AUTOMATIC
  • 115,000 MILES
This happens not all the time and nobody seems to have a clear answer to this.
Every couple of weeks, when I have been driving long enough for the engine to warm up and everything works fine. The car cranks but won't start for a few minutes then it starts and acts normal again for a few weeks ( one time only one day).
No engine light on battery is fine, purge valve was changed ( Hyundai dealers prognosis of the problem )
When it happens, it is always after I stopped for about 1-1 1/2 hours. Does this ring a bell?
Saturday, December 12th, 2015 AT 3:01 AM

1 Reply

Tiny
KASEKENNY
  • MECHANIC
  • 18,907 POSTS
The first thing that comes to mind is a crank sensor. Basically, when they get hot at times, they can cause the engine to stall or not restart.

So, if it were me, I would replace the CKP sensor and then retest the operation. Clearly if it never happens again then that was the issue.

However, if it does then we are going to have to diagnose this when the issue is happening.

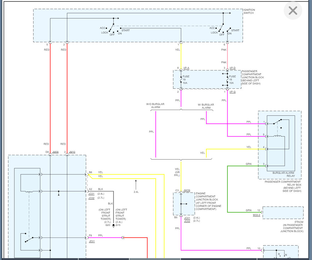
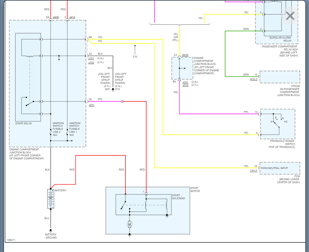
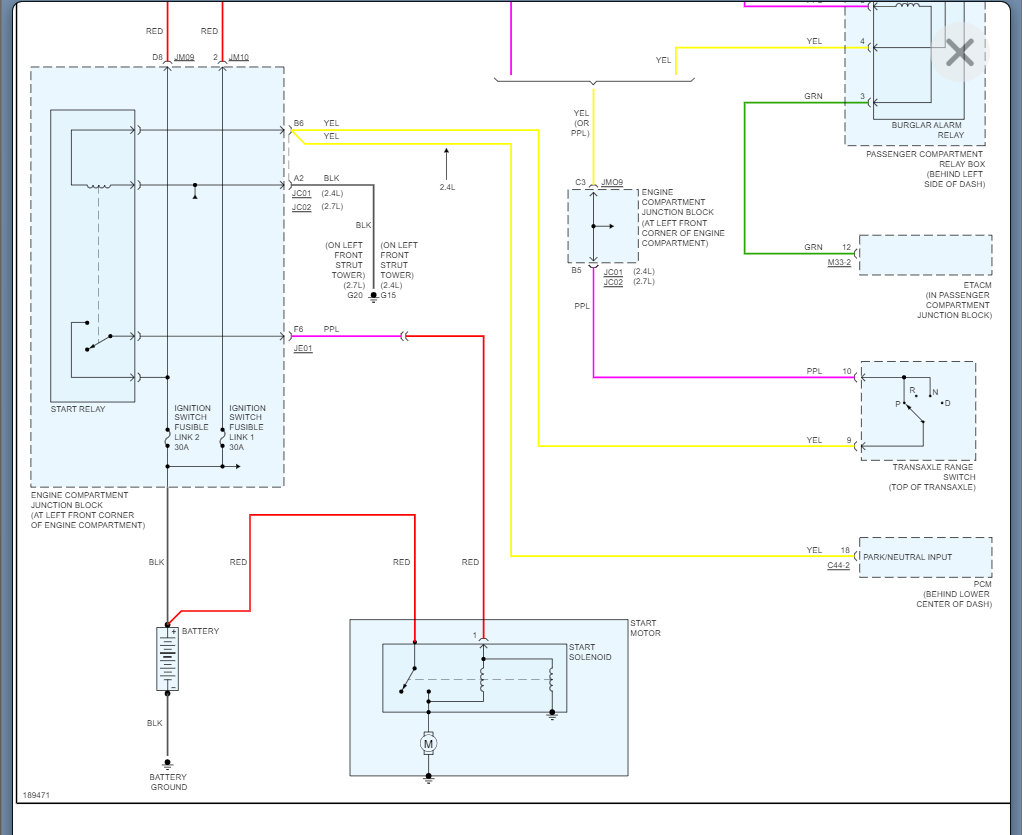
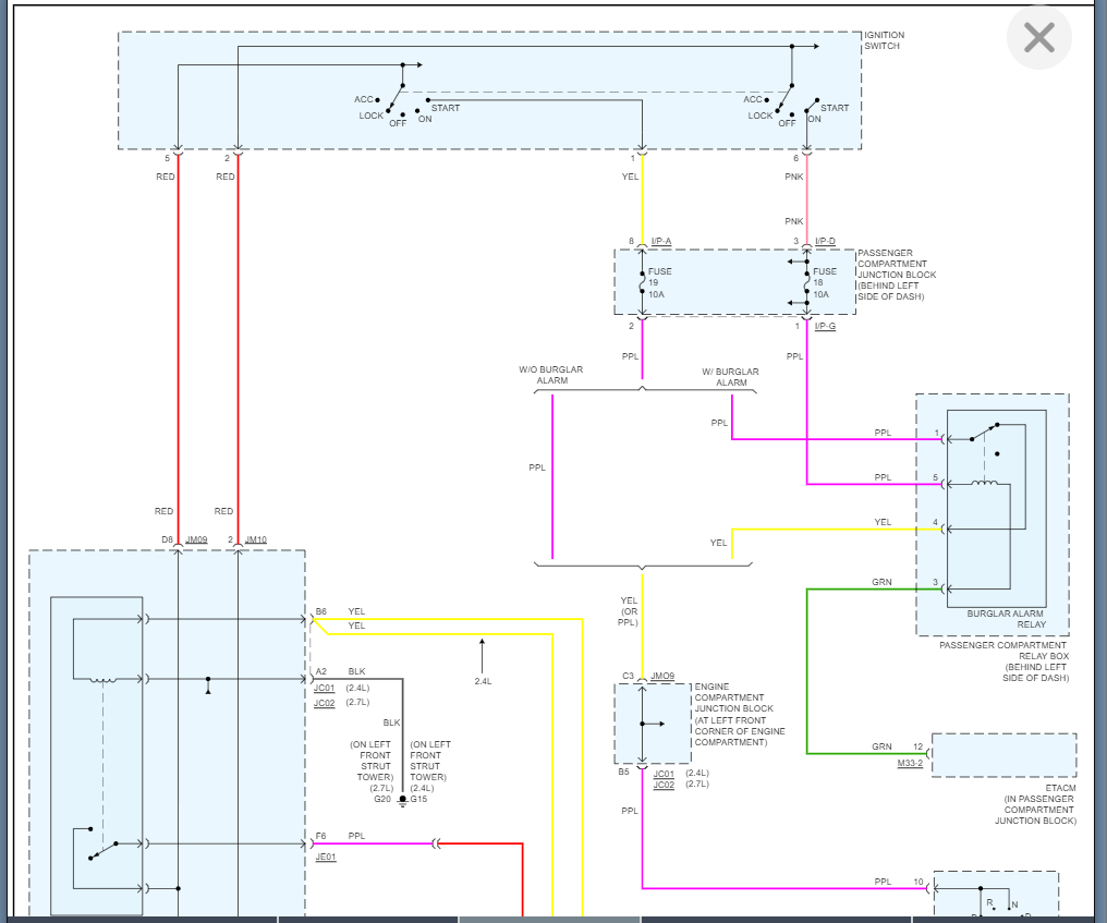
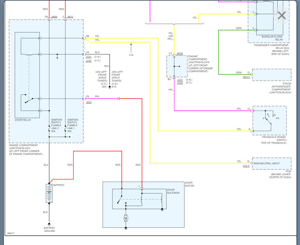
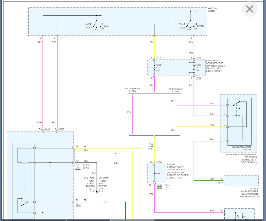
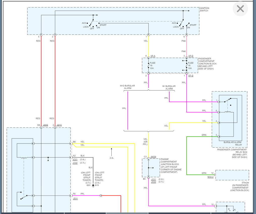
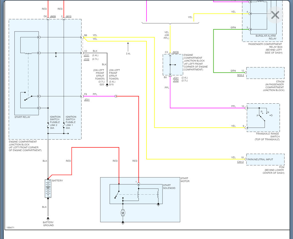
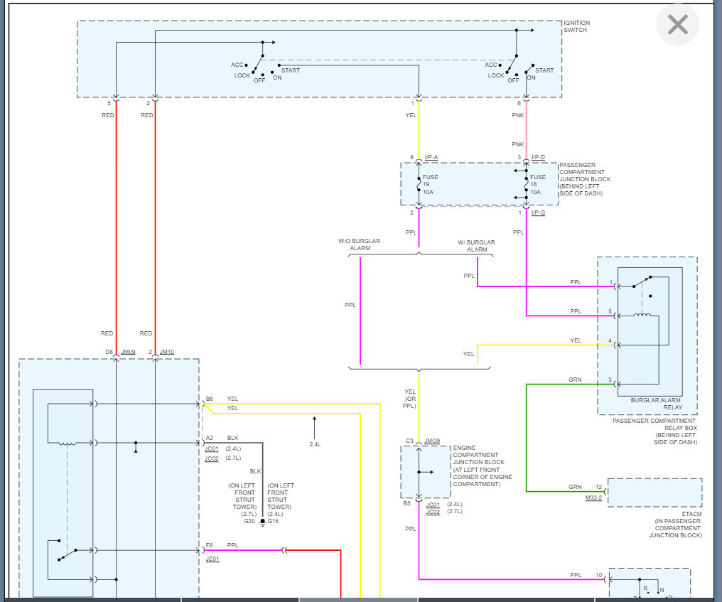
When this happens, we need to start with checking voltage at the starter. If you have no voltage on the trigger wire, then we need to suspect there is a possible relay issue. So, while the engine is still not restarting, we need to jump the relay and see if it starts.

I am attaching the wiring diagram below for more detail but here are a couple guides that will help with this as well:

https://www.2carpros.com/articles/how-to-check-wiring

https://www.2carpros.com/articles/how-to-check-an-electrical-relay-and-wiring-control-circuit

https://www.2carpros.com/articles/car-cranks-but-wont-start

Please run through this info and let us know what you find with this, and we can go from there.

Thanks
Was this
answer
helpful?
Yes
No
Saturday, February 19th, 2022 AT 5:38 PM

Please login or register to post a reply.