Service 4WD light on?

Tiny
CLOCKMASTER
  • MEMBER
  • 2004 GMC ENVOY
  • 82,000 MILES
4 wheel drive service light came on when I was checking all of the fuses to find out which one was for the running lights to pull a trailer. I did not know that there was a fuse box under the back seat. Found the bad fuse to the running lghts but the 4 wheel drive service came on and will not go out. I try to resaet the computar but that did not seem to help.

Is it possiblie that I put the relay in wrong.
Thursday, June 6th, 2013 AT 6:15 PM

1 Reply

Tiny
ASEMASTER6371
  • MECHANIC
  • 52,796 POSTS
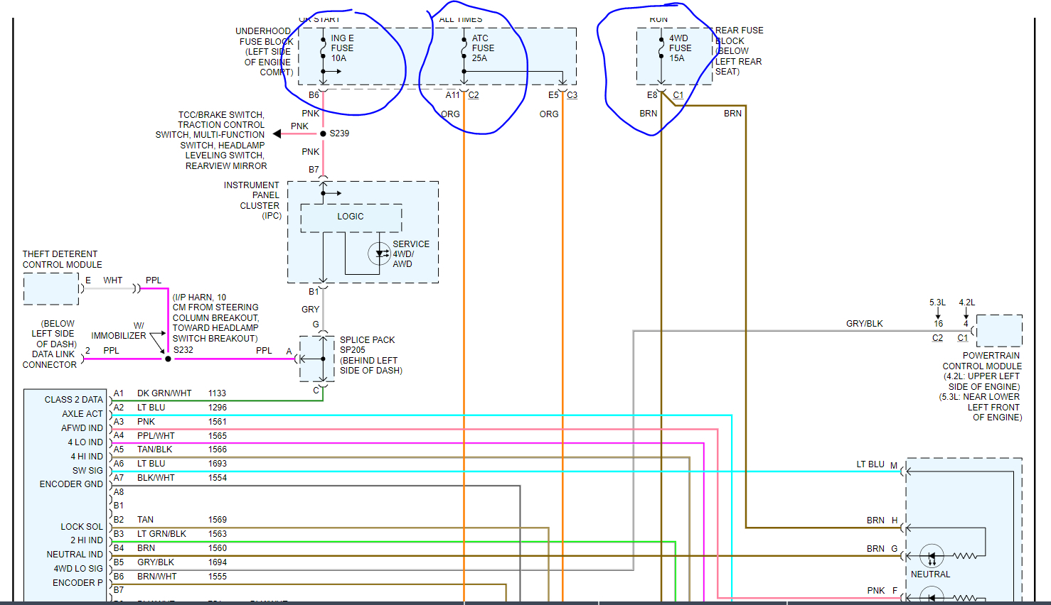
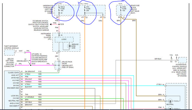
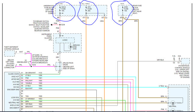
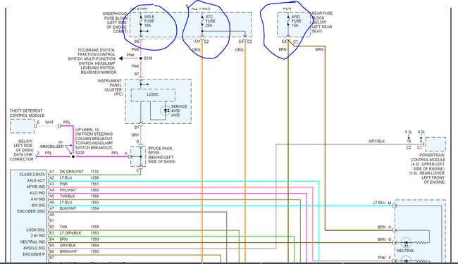
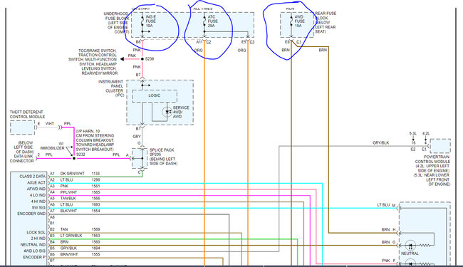
Okay, I attached a wiring diagram for you of the system. There are 2 fuses under the hood and one under the rear seat.

https://www.2carpros.com/articles/how-to-check-a-car-fuse

https://www.2carpros.com/articles/how-to-check-wiring

There is no relay in this system for controlling.

Let me know when you are ready to do some testing.

You will need a scan tool that can read the system to determine the code to find the root cause of failure.

Roy

Diagnostic Starting Point - Transfer Case
Begin the system diagnosis with the Diagnostic System Check - Transfer Case.
The Diagnostic System Check will provide the following information:
The identification of the control modules which command the system
The ability of the control modules to communicate through the serial data circuit
The identification of any stored diagnostic trouble codes (DTCs) and their status
The use of the Diagnostic System Check will identify the correct procedure for diagnosing the system and where the procedure is located.

Roy
Was this
answer
helpful?
Yes
No
Saturday, October 31st, 2020 AT 3:31 PM

Please login or register to post a reply.