Door ajar light stays on?

Tiny
TARRBABY
  • MEMBER
  • 2004 FORD EXPLORER
  • 6 CYL
  • 4WD
  • AUTOMATIC
  • 120,000 MILES
Door ajar light stays on after doors are closed.
Saturday, December 18th, 2010 AT 9:30 PM

24 Replies

Tiny
ACKNATIVE
  • MEMBER
  • 2 POSTS
It sounds like the micro switch inside the latch on the drivers door is out try spraying the door latch with CRC, worked for me. FYI
Was this
answer
helpful?
Yes
No
+1
Wednesday, May 4th, 2011 AT 1:15 PM
Tiny
RIGGS88
  • MEMBER
  • 1 POST
  • 2004 FORD EXPLORER
  • 6 CYL
  • 2WD
  • AUTOMATIC
  • 107,000 MILES
As I turned off my vehicle and got out, I closed the driver side door and then opened the driver side backseat door. I closed the door and pushed the lock key on my remote twice. The horn usually honks once. This time the horn honked quickly twice. I thought this was strange and then noticed that the dome light did not go off. I unlocked the door, opened it, and then shut it again and pushed the lock key twice on my remote and the result was the same. I got into the vehicle and started the engine. The door ajar light remained on after the other lights went off. I got out and opened all doors, including the back window and tailgate door, and shut them all. The light still remained on. I put the vehicle in drive and moved forward a little and noticed that the doors did not automatically lock and they would not manually lock by pushing the buttons. I turned off the vehicle and waited a while to see what would happen. Over an hour later, the dome light was still on and the door ajar light is on when the vehicle is running.
Was this
answer
helpful?
Yes
No
-1
Saturday, March 13th, 2021 AT 6:07 PM (Merged)
Tiny
ACKNATIVE
  • MEMBER
  • 2 POSTS
I had a problem with 2002 Ford Explorer and was told to spray the door latch with CRC, and it worked for me.
Was this
answer
helpful?
Yes
No
+3
Saturday, March 13th, 2021 AT 6:07 PM (Merged)
Tiny
AFTADARKPROMO
  • MEMBER
  • 1 POST
  • 2003 FORD EXPLORER
  • 6 CYL
  • 4WD
  • AUTOMATIC
  • 139,500 MILES
My door ajar light is on as well as the interior lights, but there are no open doors. The interior lights stay on while I'm driving. Occasionally the interior lights turn off, but the door ajar warning light remains on. What does this mean and how do I fix it?
Was this
answer
helpful?
Yes
No
Saturday, March 13th, 2021 AT 6:08 PM (Merged)
Tiny
JACOBANDNICKOLAS
  • MECHANIC
  • 110,192 POSTS
One of the switches on the doors (most likely the driver's door) is bad. The interior lights will only stay on for a set amount of time. The door ajar light will stay on the entire time you have the vehicle running.
Was this
answer
helpful?
Yes
No
+2
Saturday, March 13th, 2021 AT 6:08 PM (Merged)
Tiny
THERRENDUNHAM
  • MEMBER
  • 1 POST
  • 2003 FORD EXPLORER
  • 6 CYL
  • 2WD
  • AUTOMATIC
  • 85,000 MILES
Door light stays on when vehicle is running and all doors (including tailgate) are shut. Passenger-side window and lock controls won't operate, either. Was told it may be a bad door sensor, but my guess is that it could be bad wires. What do you think?
Was this
answer
helpful?
Yes
No
Saturday, March 13th, 2021 AT 6:08 PM (Merged)
Tiny
MASTERTECHTIM
  • MECHANIC
  • 4,750 POSTS
Bad door sensor. Spray wd40 onto all lock latches and open and shut them quickly to free up the stuck switch. This should take care of it
Was this
answer
helpful?
Yes
No
+2
Saturday, March 13th, 2021 AT 6:08 PM (Merged)
Tiny
MIROMAN311
  • MEMBER
  • 1 POST
  • 2003 FORD EXPLORER
  • 6 CYL
  • 4WD
  • AUTOMATIC
  • 144,000 MILES
My light is staying on for a very long time it will stay on for 1 hour dont know where to stat looking
think you jamie
Was this
answer
helpful?
Yes
No
Saturday, March 13th, 2021 AT 6:09 PM (Merged)
Tiny
BLUELIGHTNIN6
  • MECHANIC
  • 16,542 POSTS
Door ajar switch is faulty in one or more door jambs. Try lubricate each door latch (including the rear hatch) with WD40 and work it in good. If this seems to help then you know it's definitely a switch. Will then have to test each one and see which needs replaced. Common issue with these late model fords.
Was this
answer
helpful?
Yes
No
Saturday, March 13th, 2021 AT 6:09 PM (Merged)
Tiny
RICKATER
  • MEMBER
  • 1 POST
  • 2002 FORD EXPLORER
  • V6
  • 4WD
  • AUTOMATIC
  • 200,000 MILES
Door switches seem to be working.
I believe it is causing alarm to randomly go off.
Is there anyway to bypass the door ajar switches or can you just unplug them from the wire harness?
I did find a light blue and black wire in the driver side boot and I can't figure out where it goes to under the dash?
Was this
answer
helpful?
Yes
No
Saturday, March 13th, 2021 AT 6:09 PM (Merged)
Tiny
KASEKENNY
  • MECHANIC
  • 18,907 POSTS
Hi,

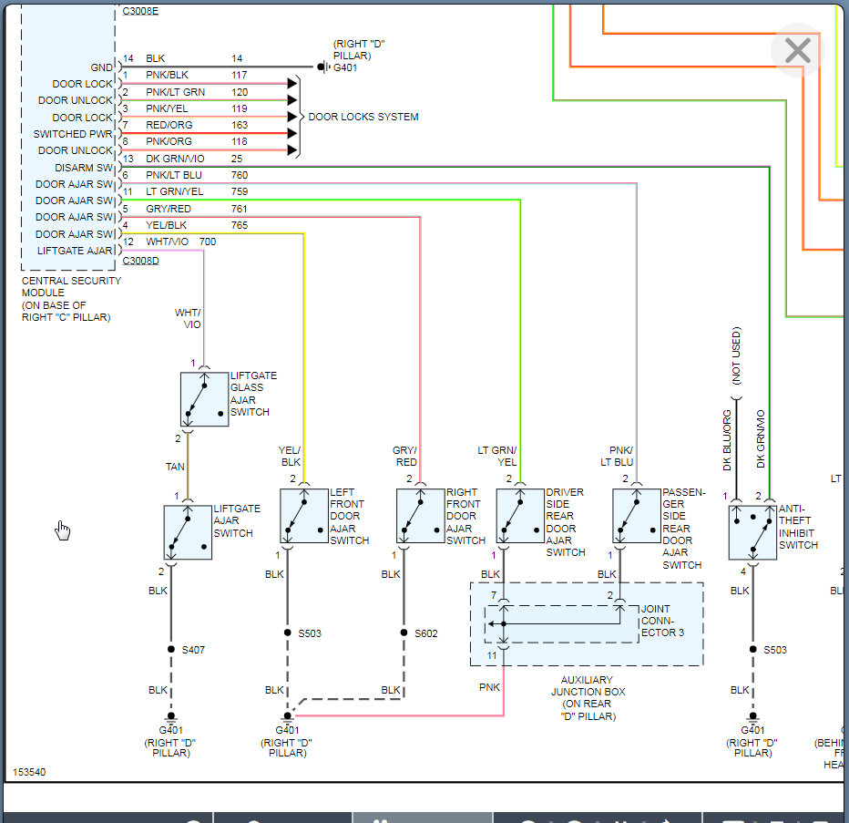
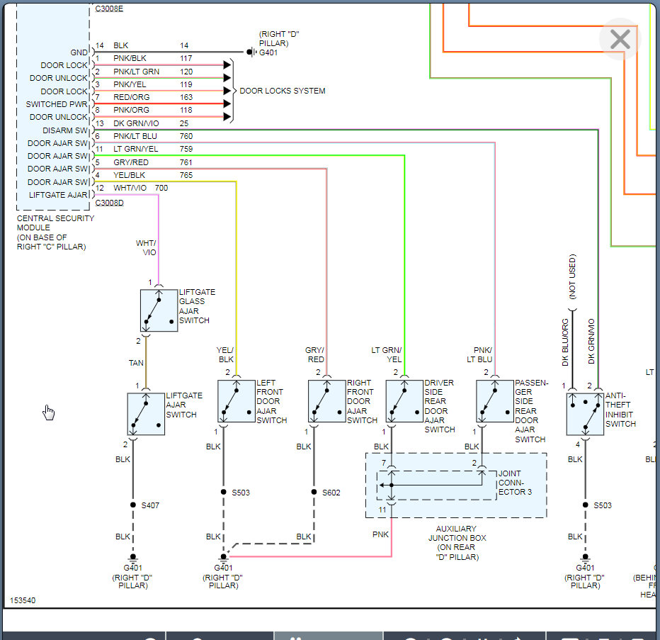
I am not sure what the blue and black wire go to but it does not appear to be the door ajar switch. I attached the wiring diagram and that wire is not part of the system.

If you door ajar light stays on then it is either the switch or the wiring. This is a simple circuit so when the Security Module sees the circuit closed, it turns the light off. When one of them is open, the light is on.

Have you checked for an open circuit on that door?

This could explain why your alarm goes off at times because if the system is on and it sees a door open then it could turn the alarm on.

Let me know about the open circuit and we can go from there. Thanks
Was this
answer
helpful?
Yes
No
Saturday, March 13th, 2021 AT 6:09 PM (Merged)
Tiny
LEFTCOAST
  • MEMBER
  • 1 POST
  • 2002 FORD EXPLORER
  • 6 CYL
  • 4WD
  • AUTOMATIC
  • 98,000 MILES
Door ajar light always lit when no door is ajar constant clicking when driving from drivir side real and intermittantly the door ajar warning sounds from dash come on
Was this
answer
helpful?
Yes
No
Saturday, March 13th, 2021 AT 6:10 PM (Merged)
Tiny
WRENCHTECH
  • MECHANIC
  • 20,761 POSTS
The switches that control the lights for open doors are made right into the door latches and they have a history of sticking and causing problems like that.

Here is a technique that often works well and eliminates the problem at no cost.

Get a can of spray lube like WD40 or something like it and has a straw on the nozzel. Spray it generously up into the latch mechanism. Now open and close the door numerous times to work it in. Repeat this process several times. Since you don't really know which door is causing the problem, you should do all of them. It's usually caused by the most frequently used door but it's not gauranteed to be that one.
Was this
answer
helpful?
Yes
No
+2
Saturday, March 13th, 2021 AT 6:10 PM (Merged)
Tiny
TABITHA726
  • MEMBER
  • 1 POST
  • 1999 FORD EXPLORER
  • 6 CYL
  • 4WD
  • AUTOMATIC
  • 136,000 MILES
The door ajar light is on and won't go off. The interior lamps go off shortly after puting it into drive or will go off after 40 min when sitting with the vehical off to protect the battery. On most cars there is a little button you can just push in and it'll go off, but there is nothing. I looked in the repair manual and it doesn't say anything about it.
What do you think this could be?
Where are the door sensors?
Was this
answer
helpful?
Yes
No
Saturday, March 13th, 2021 AT 6:11 PM (Merged)
Tiny
MASTERTECHTIM
  • MECHANIC
  • 4,750 POSTS
Very common. Your problem is door ajar switch located on one of the door latches inside the door. What usually works is spraying wd40 liberally into door latch and opening and closing the door several times. ***The stuck switch is usually on the door that is least used like the passengers. Let us know how you make out.
Was this
answer
helpful?
Yes
No
Saturday, March 13th, 2021 AT 6:11 PM (Merged)
Tiny
IMNFG
  • MEMBER
  • 1 POST
I have a 1999 Ford Expedition Eddie Bauer Edition.
I've been dealing this problem for months.
If I hadn't seen it myself, I wouldn't have believe it.
The door ajar light went out & so did the intierior lights. Thanks tim your awsome !
Was this
answer
helpful?
Yes
No
+1
Saturday, March 13th, 2021 AT 6:11 PM (Merged)
Tiny
MASTERTECHTIM
  • MECHANIC
  • 4,750 POSTS
Good to hear, thanks
Was this
answer
helpful?
Yes
No
-1
Saturday, March 13th, 2021 AT 6:11 PM (Merged)
Tiny
ZOELLNER
  • MEMBER
  • 2 POSTS
I googled this problem and this forum came up. Like magic it worked for me too. Thanks for saving me a trip to the mechanic.
Was this
answer
helpful?
Yes
No
Saturday, March 13th, 2021 AT 6:11 PM (Merged)
Tiny
MASTERTECHTIM
  • MECHANIC
  • 4,750 POSTS
Your welcome
Was this
answer
helpful?
Yes
No
Saturday, March 13th, 2021 AT 6:11 PM (Merged)
Tiny
SCONNERY
  • MEMBER
  • 2 POSTS
  • 1996 FORD EXPLORER
My door ajar light is staying on and the interior light won't go off. Where is the sensor for door closed on this model?
Was this
answer
helpful?
Yes
No
Saturday, March 13th, 2021 AT 6:12 PM (Merged)

Please login or register to post a reply.