Instrument cluster not lighting up

Tiny
NEMEYERS
  • MEMBER
  • 2004 DODGE STRATUS
  • 2WD
  • AUTOMATIC
  • 213,000 MILES
SXT model. The tachometer, speedometer, fuel and temperature gauges are not lighting up on the instrument cluster, but all warning lights, odometer, etc. Light up. The odometer area will dim and get brighter, but the gauges won't illuminate. I checked the fuses and they seem okay. Any suggestions on what could be the problem?
Friday, April 26th, 2019 AT 7:14 PM

1 Reply

Tiny
KASEKENNY
  • MECHANIC
  • 18,907 POSTS
Hi Nemeyers,

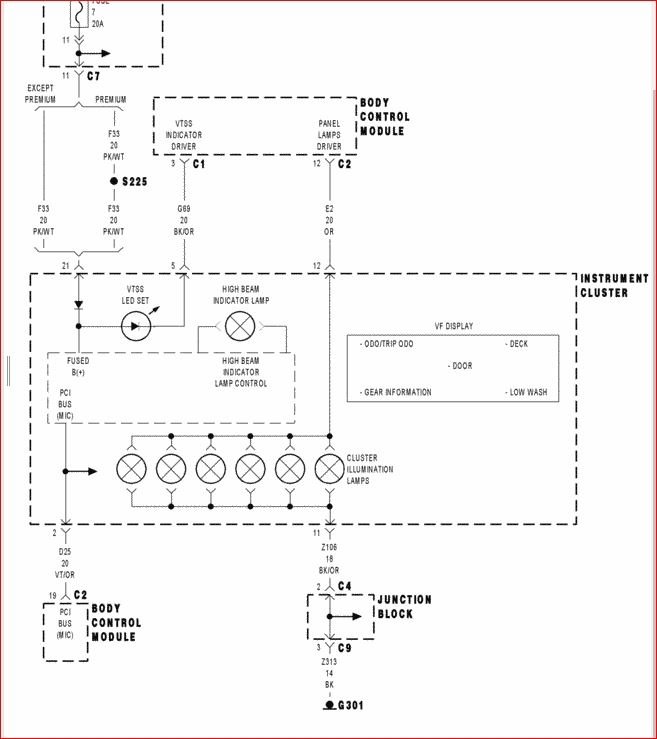
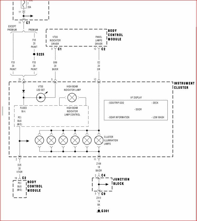
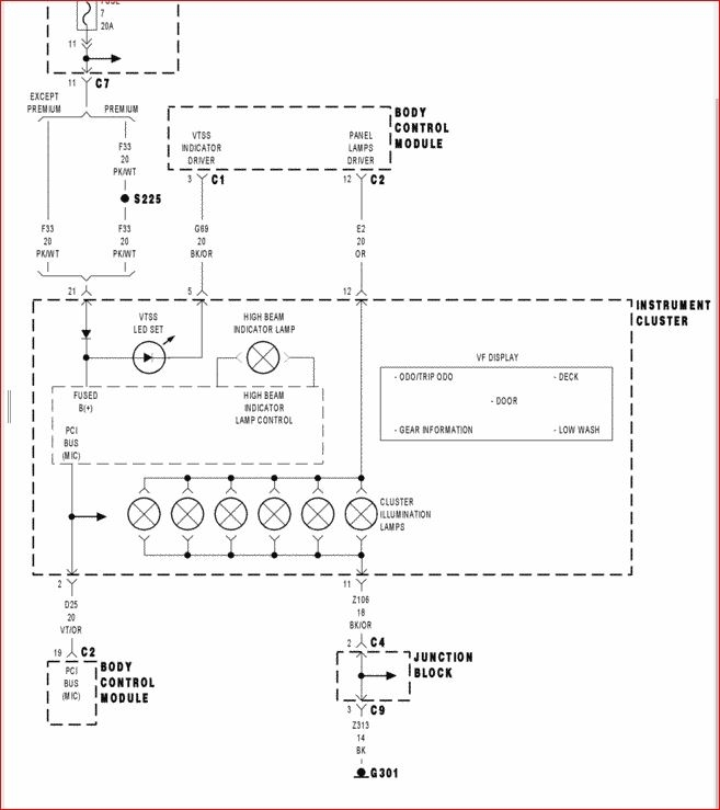
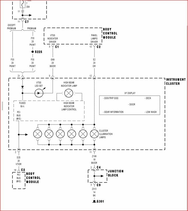
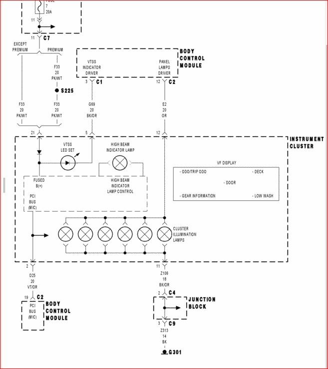
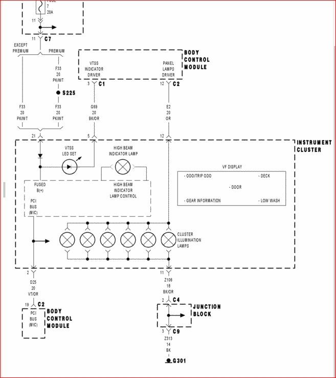
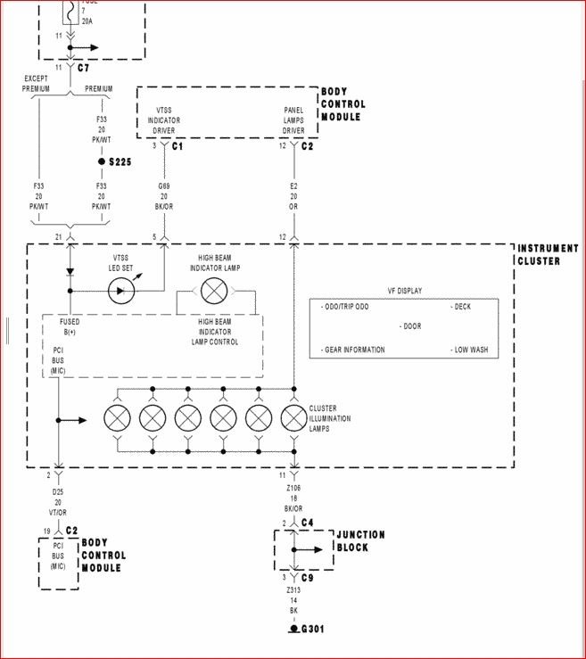
These lamps are controlled by the BCM. The BCM gets the command to turn them on from the input switch but then the BCM is what sends voltage to the cluster to turn the lights on.

You want to go to the back of the cluster and turn the lamps on and measure voltage on pin 12 (solid orange wire) and see if you have voltage there. If not, then you have a wiring or BCM issue. To confirm this, go to the BCM C2 connector and measure for the same voltage on PIN 12 (solid orange wire). If you have voltage coming out of the BCM then you have a wiring issue. If you do not, the BCM is not sending the voltage.

If you have voltage coming to the cluster, then it is possible that the bulbs burned out which appear to be serviceable. However, it is unlikely that they would all go out at the same time so my bet is on this power/ground circuit from the BCM to the cluster, and grounds at G301.

Here are some guides that will help with this. Let me know if you have questions or what you find and we can go from there. Thanks

https://www.2carpros.com/articles/how-to-check-wiring

https://www.2carpros.com/articles/how-to-use-a-voltmeter
Was this
answer
helpful?
Yes
No
+1
Sunday, April 28th, 2019 AT 12:38 PM

Please login or register to post a reply.