Tuesday, August 13th, 2013 AT 9:48 AM
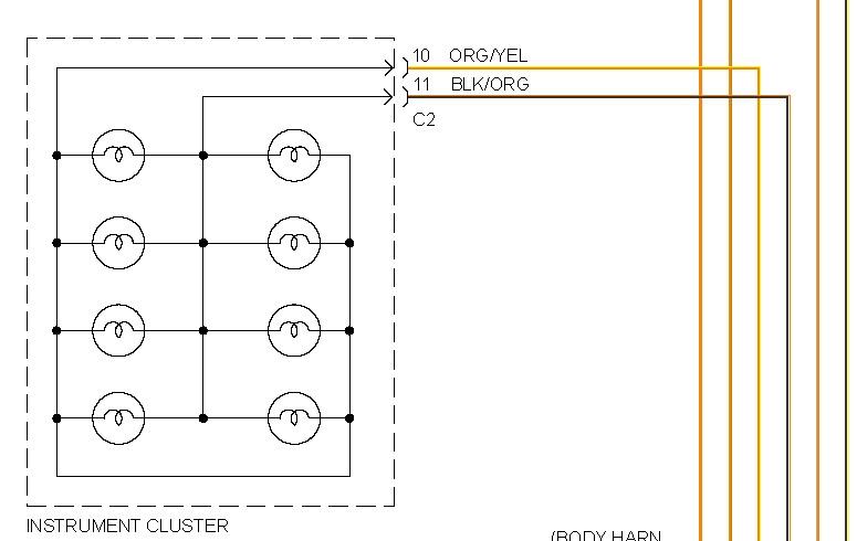
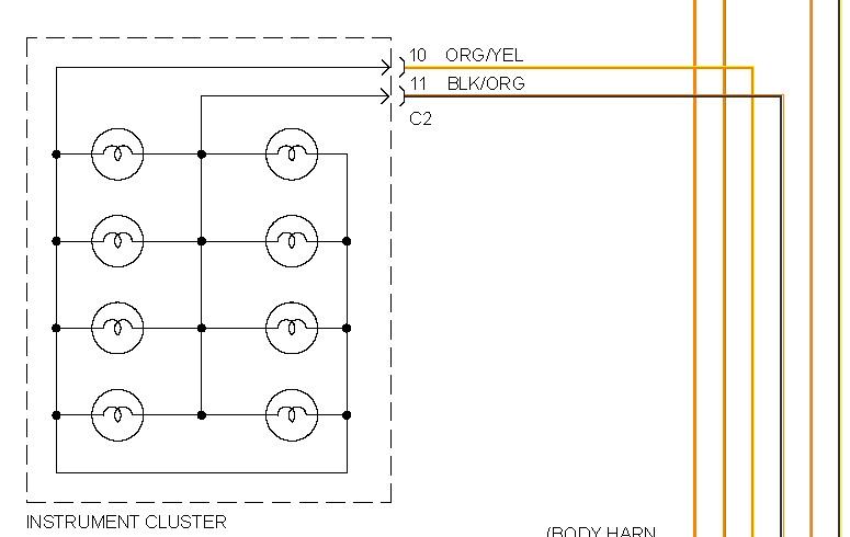
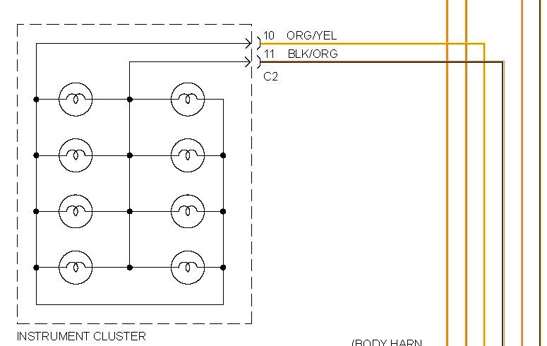
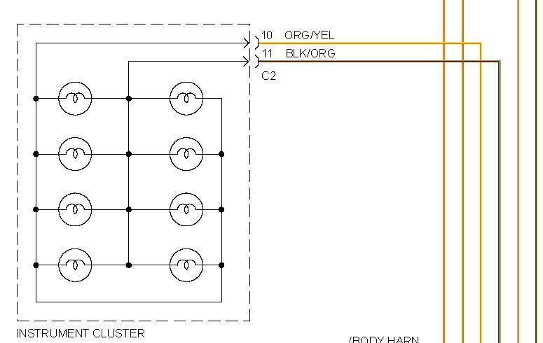
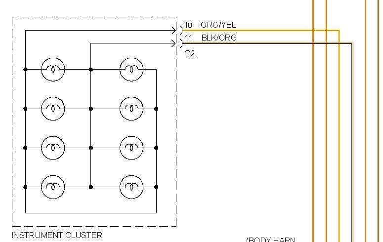
When I use my headlights, the backlighting that illuminates the gauges doesn't come on. I have changed both fuses. The dimmer appears to be working fine as it dims the odometer properly. All the appropriate lights come on at start and go out as they should within a few seconds. Is there a bulb(s) for this?


