Only AC or heat works on the drivers or passenger side why?

Tiny
KEN L
  • MASTER CERTIFIED MECHANIC
  • 55,292 POSTS
Hard to say on that one. I would recheck your work to make sure everything is plugged in and if so replace the actuator. Here is a guide and video that will show you what you are in for when doing the job:

https://www.2carpros.com/articles/replace-blend-door-motor

Please let us know what happens so it will help others.

Cheers, Ken
Was this
answer
helpful?
Yes
No
Friday, April 30th, 2021 AT 12:27 PM (Merged)
Tiny
MIKEGJAX
  • MEMBER
  • 1 POST
  • 2003 CHEVROLET SILVERADO
  • 129,000 MILES
Hot air continually out of passenger side vents. If AC on drivers side cool, but hot on passenger side.
Was this
answer
helpful?
Yes
No
Friday, April 30th, 2021 AT 12:27 PM (Merged)
Tiny
SCGRANTURISMO
  • MECHANIC
  • 4,897 POSTS
Hello,

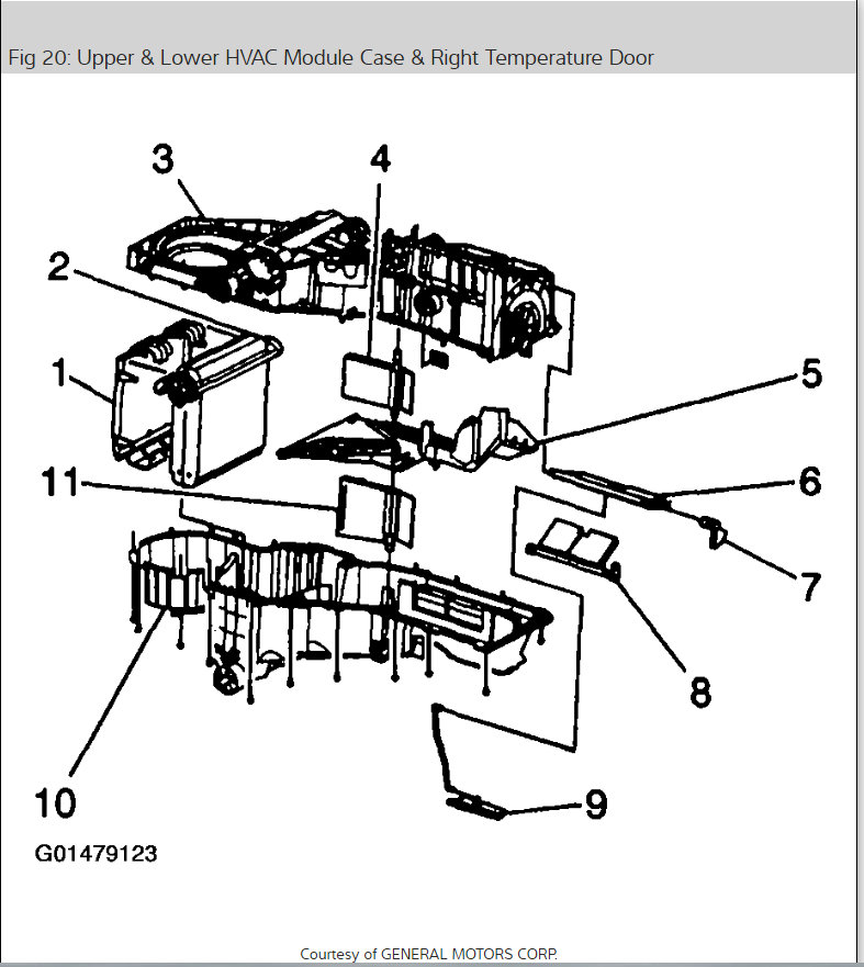
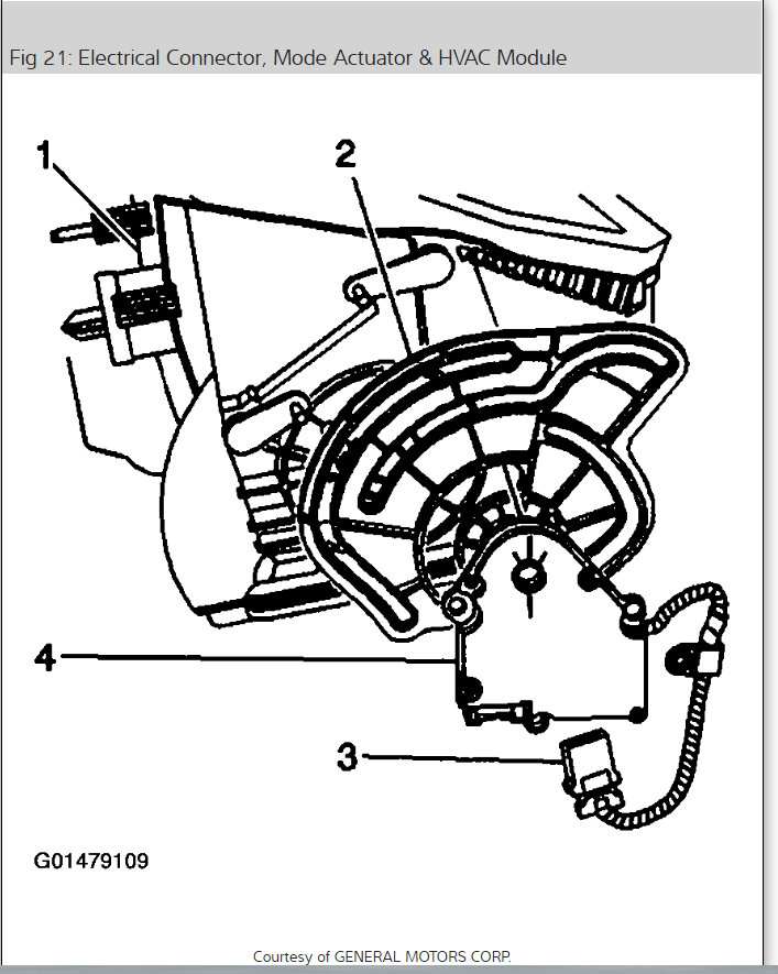
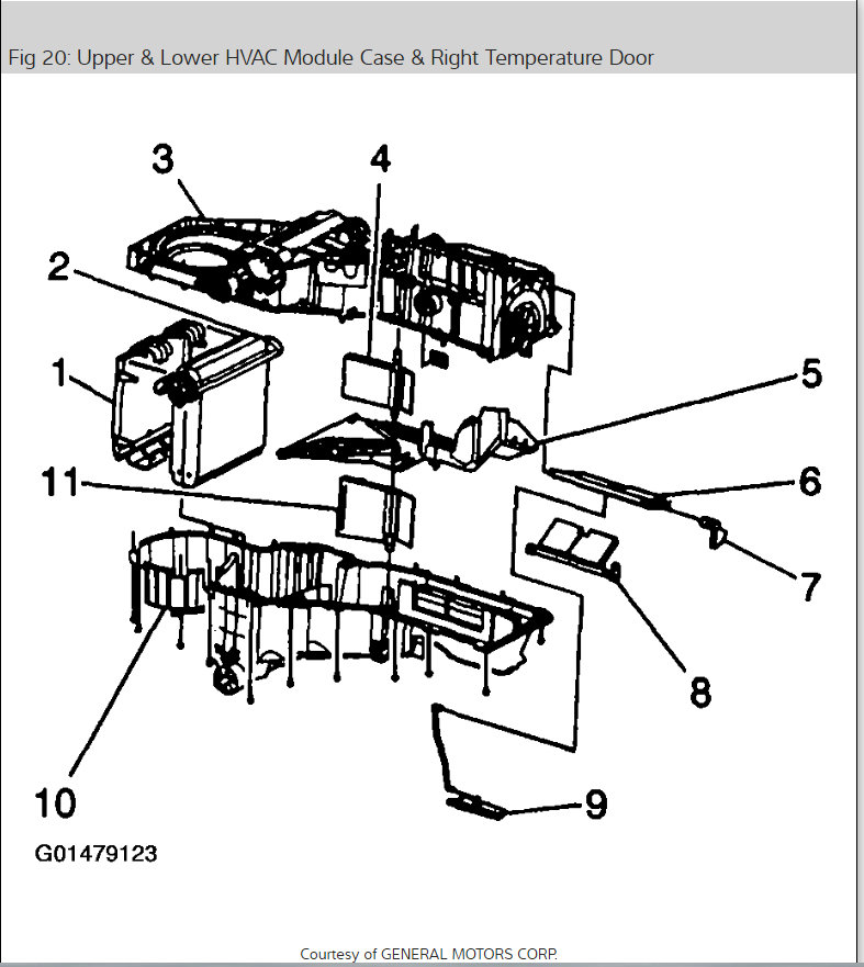
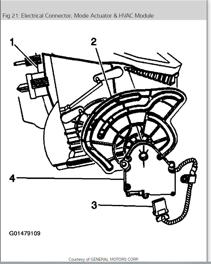
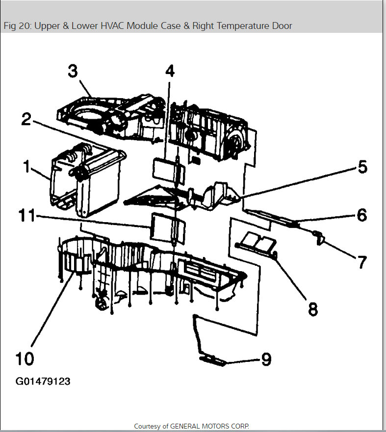
This could be a problem with the right temperature door. In the diagrams down below I have included troubleshooting and repair guides for your vehicle.

https://www.2carpros.com/articles/replace-blend-door-motor

Please go through them and get back to us with you find out. There are two different styles of air doors that came on your vehicle. I have included instructions for both of them.

Thanks,
Alex
2CarPros
Was this
answer
helpful?
Yes
No
Friday, April 30th, 2021 AT 12:27 PM (Merged)
Tiny
JESUSALBERTO
  • MEMBER
  • 1 POST
  • 2003 CHEVROLET SILVERADO
  • 4.5L
  • V8
  • 2WD
  • AUTOMATIC
  • 270,000 MILES
I recently bought this used truck A/C ran good but I notice that now A/C runs hot on driver side. When I turn A/C on passenger side just fine. I added water to the radiator in the morning. That's all I did differently.
Was this
answer
helpful?
Yes
No
Friday, April 30th, 2021 AT 12:27 PM (Merged)
Tiny
KASEKENNY
  • MECHANIC
  • 18,907 POSTS
Hi,

So when you say the A/C runs hot on the driver's side, you are talking about the air coming out of the vents? Adding water to the radiator is what is throwing me off because these are different systems so I just want to make sure I am understanding the issue.

Then I also understand that you have dual temperature zone? Meaning you can adjust the driver side and passenger side temperatures independently?

If this is the case then I suspect the air temperature actuator on that side as failed.
Was this
answer
helpful?
Yes
No
Friday, April 30th, 2021 AT 12:27 PM (Merged)
Tiny
GEORGE VILLALOBOS
  • MEMBER
  • 1 POST
  • 2003 CHEVROLET SILVERADO
  • 5.3L
  • V8
  • 2WD
  • AUTOMATIC
  • 170,000 MILES
My air conditioner seems to work on the driver side and the rear seats, but the passenger blows hot. Would this be a fuse problem or something in the main components? Thanks in advance.
Was this
answer
helpful?
Yes
No
Friday, April 30th, 2021 AT 3:15 PM (Merged)
Tiny
HMAC300
  • MECHANIC
  • 48,601 POSTS
More than likely the actuator for that side. Try pulling hvac fuse inside truck for 60 seconds then reinstall with key on it may reset it. If not you will probably need an actuator if power goes to it.
Was this
answer
helpful?
Yes
No
+2
Friday, April 30th, 2021 AT 3:15 PM (Merged)

Please login or register to post a reply.