How to replace horn and gasgauge relay?

Tiny
ANONYMOUS
  • MEMBER
  • 2004 CHEVROLET MALIBU
  • 155,780 MILES
How to replace horn and gasgauge relay?
Sunday, November 4th, 2012 AT 5:27 PM

3 Replies

Tiny
JDL
  • MECHANIC
  • 16,098 POSTS
Have you done any testing to see if horn will work? If you can get at horn wiring connector, take it loose, use jumper wires from battery for voltage and ground to horn connector. If it will honk, the horn itself is not the problem. Then there would be a problem with wiring circuit, somewhere, usually in the steering column. What about fuses?
Was this
answer
helpful?
Yes
No
-1
Sunday, November 4th, 2012 AT 5:39 PM
Tiny
JDL
  • MECHANIC
  • 16,098 POSTS
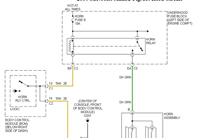
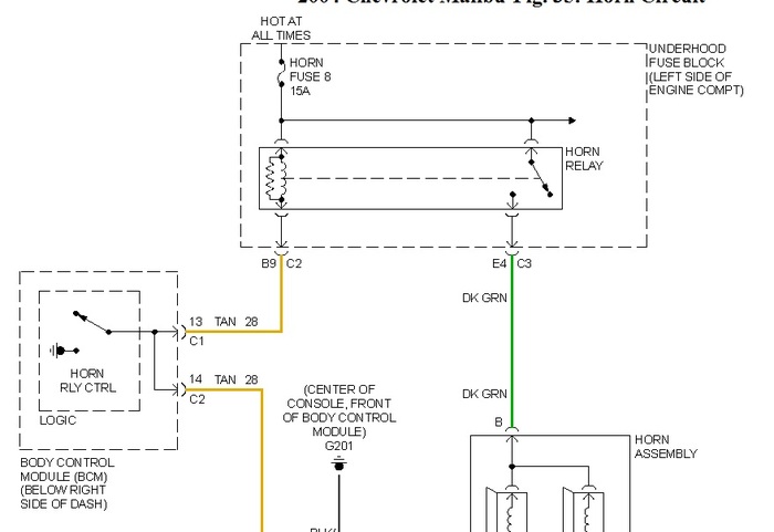
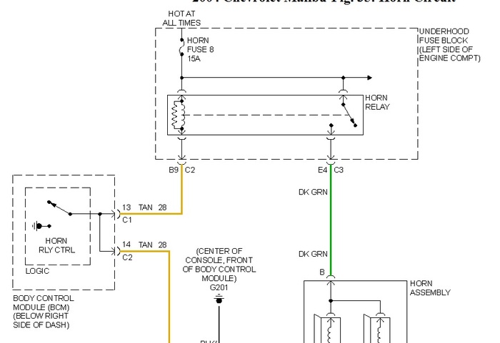
Just to add, horn diagram. In diagram is horn fuse and horn relay. Green wire to horn is voltage. Black wire is ground. You need both.
Was this
answer
helpful?
Yes
No
+1
Sunday, November 4th, 2012 AT 5:46 PM
Tiny
JDL
  • MECHANIC
  • 16,098 POSTS
Sorry, hit the wrong button. Here's diagram.
Was this
answer
helpful?
Yes
No
-1
Sunday, November 4th, 2012 AT 5:47 PM

Please login or register to post a reply.