Tuesday, June 20th, 2017 AT 12:26 PM
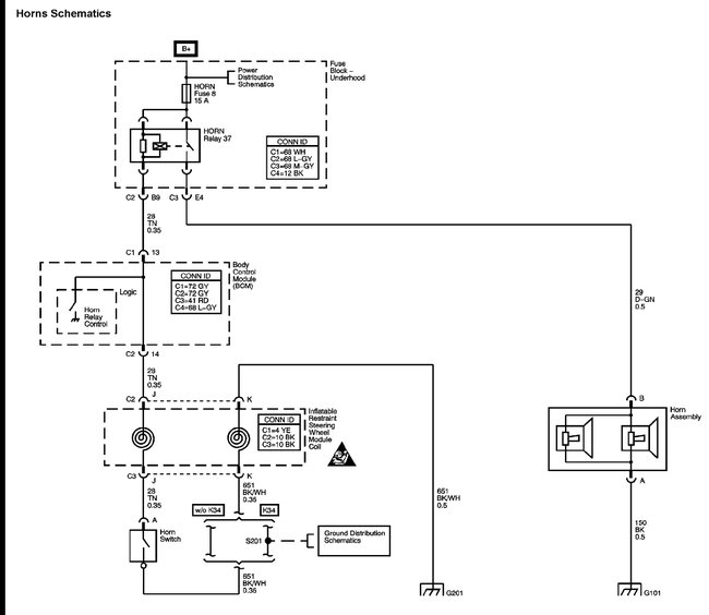
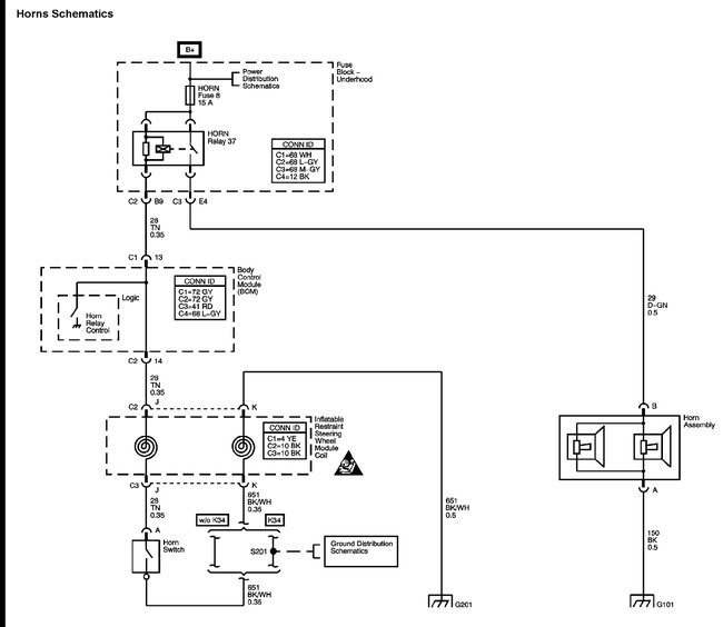
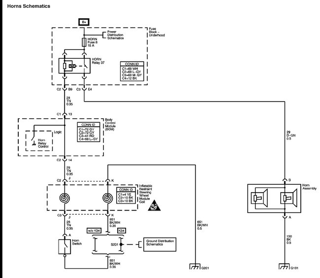
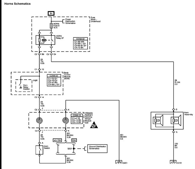
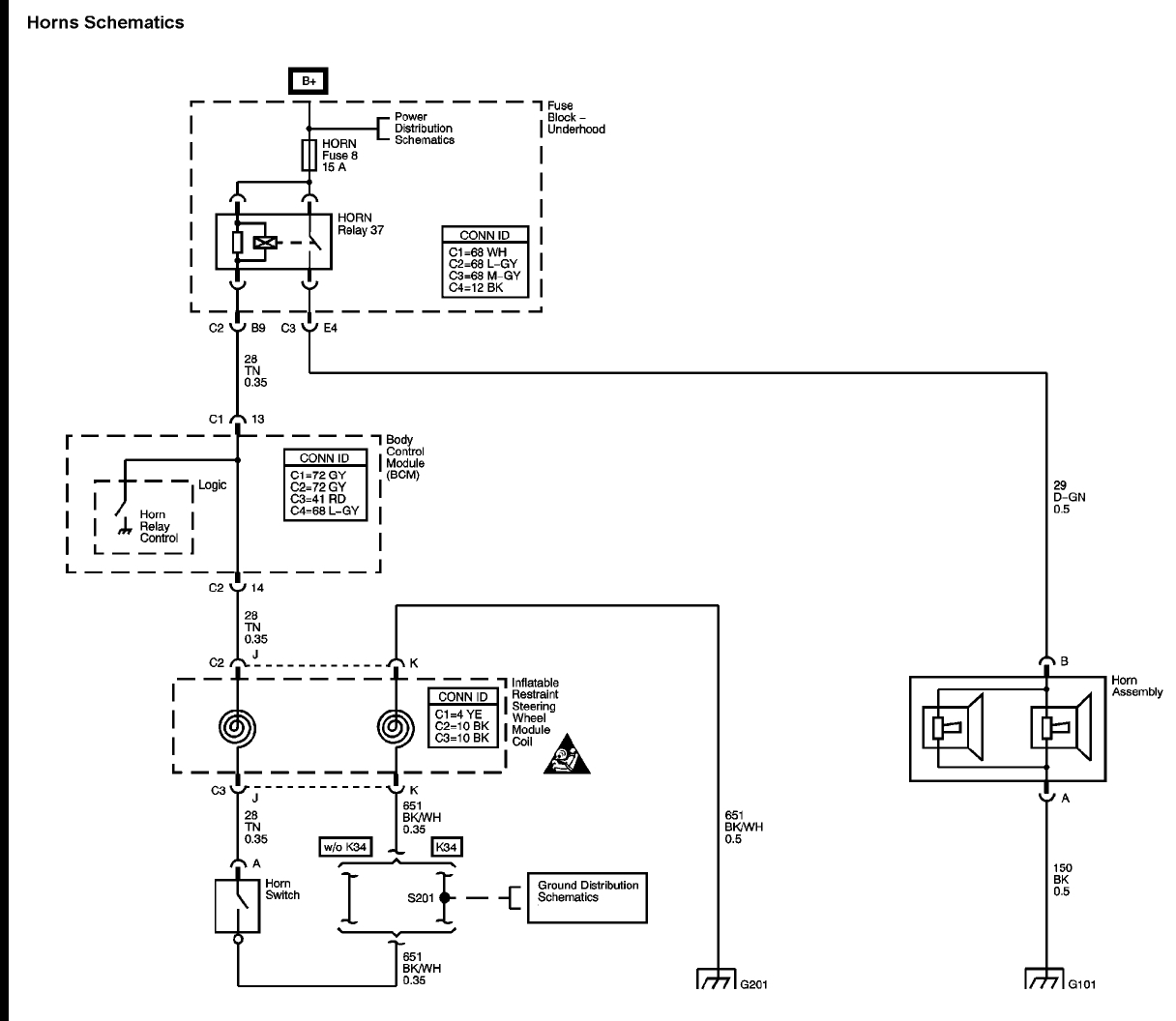
Horn does not work. Blows fuse in under hood fuse block. How do I check the steering wheel horn switch? I know how to remove the air bag, safely.

