Tuesday, September 23rd, 2014 AT 6:56 PM
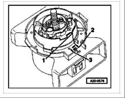
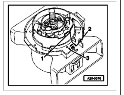
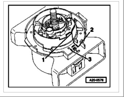
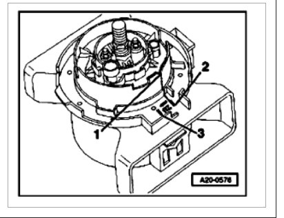
Hi, I am having a misfire on all four cylinders after the car idols for thirty seconds and rpm's drop down. I have changed the coil packs, spark plugs, camshaft position sensor, crankshaft position sensor, new turbo, fuel injection rail, the injectors, mass air flow sensor, EGR valve, air pump, air temperature sensor, clean throttle body, checked for a head gasket leak and it passed. Can anyone help me please? I have invested a lot of money in this vehicle and I cannot seem to find the problem.






