Light on but compressor is not engaging

Tiny
REDWOODRAV
  • MEMBER
  • 2003 TOYOTA RAV4
  • 4 CYL
  • 90,000 MILES
Light on but compressor is not engaging. What could be wrong? When I press the A/C button, the light comes on steady. However, the compressor clutch does not engage, and obviously no cooling takes place. I have checked the fuse in the fuse box under the hood, and no problem there. I am not getting any trouble codes from the OBD II diagnostics. Some of my research indicates a possible problem with the magnetic clutch relay, however I have not been able to find that relay's location in the car. It does not appear to be one of the ones in the fuse box under the hood.

Any help on the following would be appreciated.

1. Thoughts on why the compressor clutch is not engaging?
2. Location of the magnetic clutch relay?
3. Any other troubleshooting or investigation tips?

The A/C was working fine recently, so I do not believe it is a Freon problem. In addition, when I turn on the A/C, the compressor clutch does not engage and the compressor does not turn. I do not see how low Freon would keep the compressor from turning.
Monday, April 4th, 2011 AT 6:03 AM

16 Replies

Tiny
KEN L
  • MASTER CERTIFIED MECHANIC
  • 55,322 POSTS
Hello,

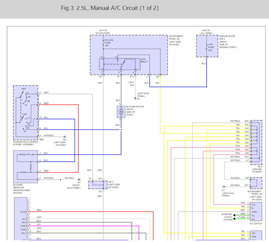
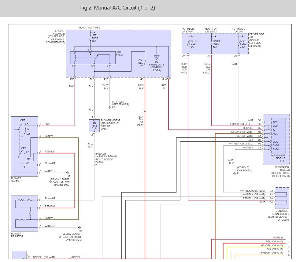
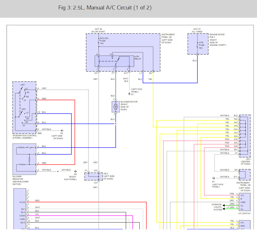
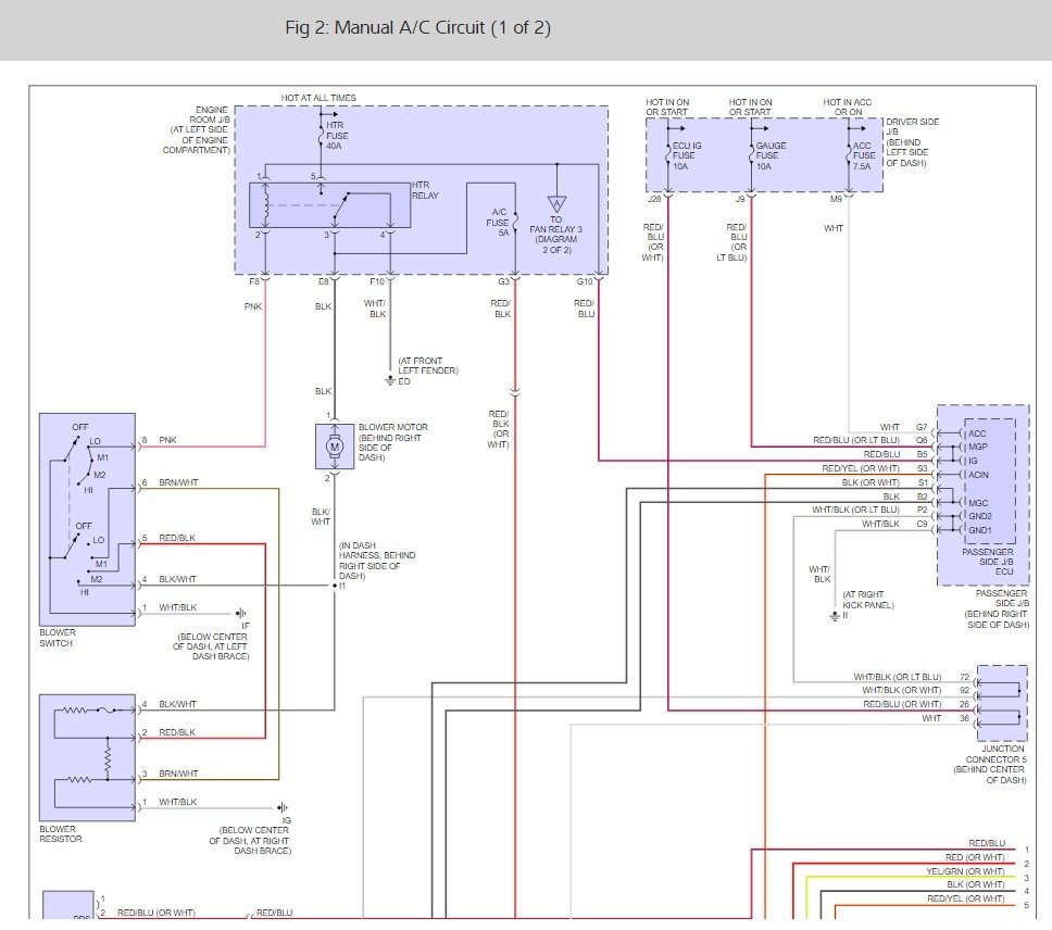
First check to see if the compressor is getting power. Here is some guides and some air conditioner wiring diagrams (below) to help you do some testing. If you do have power at the compressor then the unit is bad and needs to be replaced.

https://www.2carpros.com/articles/how-to-use-a-test-light-circuit-tester

and

https://www.2carpros.com/articles/replace-air-conditioner-compressor

the compressor for $150.00 from Amazon

https://www.2carpros.com/articles/car-air-conditioner-not-working-or-is-weak

Check out the diagrams (Below). Please let us know what happens.
Was this
answer
helpful?
Yes
No
Tuesday, April 13th, 2021 AT 10:23 AM
Tiny
REX W. SANDIFER
  • MEMBER
  • 9 POSTS
I am having the same problem. I checked the voltage to the compressor and it is low, around 2 volts. Wonder if anything was solved on this?
Was this
answer
helpful?
Yes
No
Tuesday, April 13th, 2021 AT 10:23 AM
Tiny
DANNY L
  • MECHANIC
  • 5,648 POSTS
Hello Danny here.
Just to add my two cents. A/C systems have a cut-out switch that disables the system when low refrigerant level is detected. It does this to stop A/C compressor from cycling to prevent damage. Has your system been checked/serviced recently? Even though systems are sealed. They will always leak down. Hope this helps.
Danny-
Was this
answer
helpful?
Yes
No
Tuesday, April 13th, 2021 AT 10:23 AM
Tiny
REX W. SANDIFER
  • MEMBER
  • 9 POSTS
Mechanic did a leak down to reset valve and added half pint of Freon, still no luck.
Was this
answer
helpful?
Yes
No
+1
Tuesday, April 13th, 2021 AT 10:23 AM
Tiny
KEN L
  • MASTER CERTIFIED MECHANIC
  • 55,322 POSTS
If you remove the power wire to the compressor does the voltage go to 12 volts? It sounds like you have a shorts clutch coil or the A/C amplifier is bad. Here is a guide to help you test the relay and the relay location as well:

https://www.2carpros.com/articles/how-to-check-an-electrical-relay-and-wiring-control-circuit

Check out the diagrams (below). Please run this test and get back to us.

Cheers, Ken
Was this
answer
helpful?
Yes
No
Tuesday, April 13th, 2021 AT 10:23 AM
Tiny
REX W. SANDIFER
  • MEMBER
  • 9 POSTS
Thank you! Will do and will respond back. Thanks, Rex
Was this
answer
helpful?
Yes
No
Tuesday, April 13th, 2021 AT 10:23 AM
Tiny
REX W. SANDIFER
  • MEMBER
  • 9 POSTS
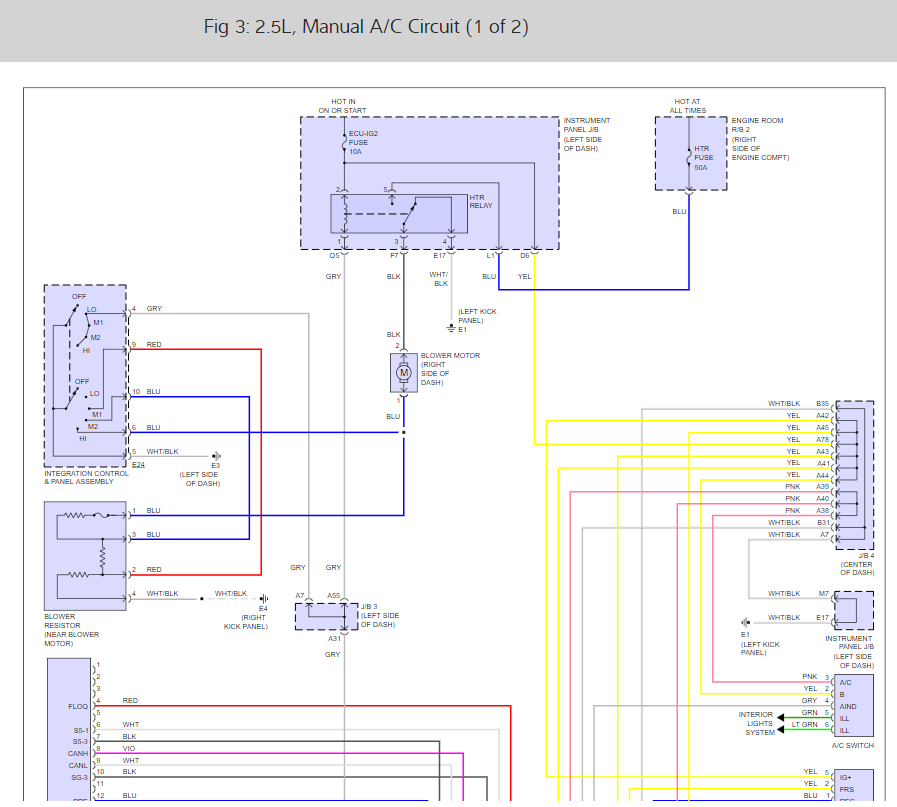
Do you have the same diagram for a 2010 RAV4?
Was this
answer
helpful?
Yes
No
+1
Tuesday, April 13th, 2021 AT 10:23 AM
Tiny
KEN L
  • MASTER CERTIFIED MECHANIC
  • 55,322 POSTS
Yes, here you go! Let me know, Ken
Was this
answer
helpful?
Yes
No
+3
Tuesday, April 13th, 2021 AT 10:23 AM
Tiny
REX W. SANDIFER
  • MEMBER
  • 9 POSTS
Cool! And is that for manual?
Was this
answer
helpful?
Yes
No
Tuesday, April 13th, 2021 AT 10:23 AM
Tiny
KEN L
  • MASTER CERTIFIED MECHANIC
  • 55,322 POSTS
Yes right here, have a good weekend! Let me know.
Was this
answer
helpful?
Yes
No
+1
Tuesday, April 13th, 2021 AT 10:23 AM
Tiny
REX W. SANDIFER
  • MEMBER
  • 9 POSTS
That is a good diagram! Very detailed! Will do! Thank you Ken! Rex
Was this
answer
helpful?
Yes
No
Tuesday, April 13th, 2021 AT 10:23 AM
Tiny
REX W. SANDIFER
  • MEMBER
  • 9 POSTS
Okay, AC amplifier ground wire (white with black strip) has no ohm reading like the rest of the other grounds. Going to jump a wire from the AC amplifier ground wire to the left side ground under left kick panel. If it runs then I will try to find the break in ground around the junction box in center of dash.
Was this
answer
helpful?
Yes
No
Tuesday, April 13th, 2021 AT 10:23 AM
Tiny
REX W. SANDIFER
  • MEMBER
  • 9 POSTS
No luck on cold air by bypassing. Going to see what other wires run through that junction box.
Was this
answer
helpful?
Yes
No
Tuesday, April 13th, 2021 AT 10:23 AM
Tiny
KEN L
  • MASTER CERTIFIED MECHANIC
  • 55,322 POSTS
Is the AC amplifier sending a signal out to the compressor? Try it unplugged from the compressor you might have a shorted clutch coil.
Was this
answer
helpful?
Yes
No
-1
Tuesday, April 13th, 2021 AT 10:23 AM
Tiny
REX W. SANDIFER
  • MEMBER
  • 9 POSTS
Going to run some more tests on the compressor and clutch wiring today.
Was this
answer
helpful?
Yes
No
Tuesday, April 13th, 2021 AT 10:23 AM
Tiny
KEN L
  • MASTER CERTIFIED MECHANIC
  • 55,322 POSTS
Let me know Rex.
Was this
answer
helpful?
Yes
No
Tuesday, April 13th, 2021 AT 10:23 AM

Please login or register to post a reply.