Turn signals, hazard lights and brake lights not working

Tiny
REYE
  • MEMBER
  • 2003 FORD MUSTANG
  • 3.8L
  • AUTOMATIC
  • 175,000 MILES
However, all lights work. Replaced turn single, fuses 12-18, flasher unit. What else do I need to replace for the lights to work?
Thank you,
Rey
Tuesday, May 10th, 2022 AT 10:39 PM

3 Replies

Tiny
STEVE W.
  • MECHANIC
  • 15,679 POSTS
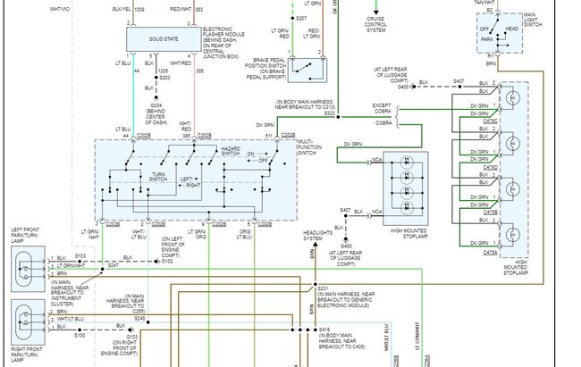
Does the high mounted brake light work? If it still works when you step on the brake pedal the next thing to check would be the multifunction switch. It is what connects the lights together depending on the switch positions, With none of the functions on (no turn or hazards on) the switch position connects the lights up so that the brake lights will work (except the CHMSL, it is fed directly from the switch) When you select say left turn, it disconnects the left lights from the brake circuit and connects them to the flasher power and starts it cycling to flash the lights. Remove the shrouds from the steering column and you can see the screws. This is also where you can test the circuits to see if it's the switch or the wiring, although if it's all those lights it's likely the switch. You say the other lights work? Would that mean all the markers and headlights work? If yes that points even more to the switch.
To test you will want to get to the odd shaped connector on the switch. Now take a simple fused jumper wire connected to battery positive. Use it to gently probe pins 2, 3, 5 and 9 and watch those lights to be sure they work. If they do then take a test light connected to ground and touch it to terminal 511 and touch the brake pedal, if it lights up then power is getting there from the brake switch. If the lights are still out, then the switch has failed internally. Replacement is by removing the screws and removing the switch, reverse the process to install the new one.
Was this
answer
helpful?
Yes
No
+1
Tuesday, May 10th, 2022 AT 11:16 PM
Tiny
REYE
  • MEMBER
  • 1 POST
I have another question.
Was this
answer
helpful?
Yes
No
Wednesday, May 11th, 2022 AT 11:10 AM
Tiny
KEN L
  • MASTER CERTIFIED MECHANIC
  • 55,302 POSTS
Please post your new question here, you must be logged in:

https://www.2carpros.com/questions/new

Cheers, Ken
Was this
answer
helpful?
Yes
No
+1
Wednesday, May 11th, 2022 AT 11:46 AM

Please login or register to post a reply.