Sunday, October 9th, 2011 AT 3:52 AM
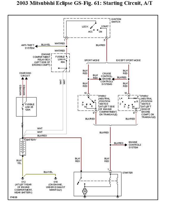
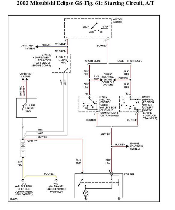
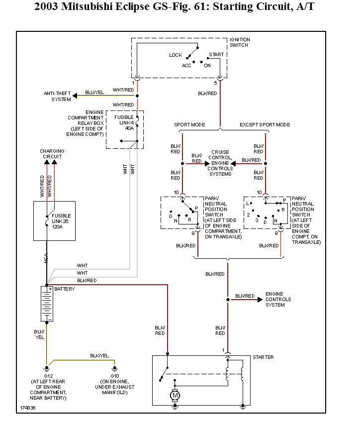
I have a 2003 Mitsubishi Eclipse with an automatic transmission V6 GT. I am trying to find a circuit that only has voltage when the key is in the crank or start position. I intend to tie into this circuit to send this voltage to a voltage comparator. The voltage comparator has a large input impedance so there will be nearly zero current consumption. So basically I am searching for an easy to find, easy access circuit that has about 12 volts only when the key is in the start or crank position. Thanks in advance!


