HVAC Blower problems

Tiny
CHMIELEWSKI
  • MEMBER
  • 2003 JEEP WRANGLER
  • 97,700 MILES
My HVAC blower will not blow. I checked the fuse and it's good. It could be a relay, but I have no idea where to find that. What do you reccomend?
Monday, November 14th, 2011 AT 10:05 PM

2 Replies

Tiny
RASMATAZ
  • MECHANIC
  • 75,992 POSTS
Start by applying power to the blower motor direct from the battery and see if it turns on-
Was this
answer
helpful?
Yes
No
Monday, November 14th, 2011 AT 10:17 PM
Tiny
CJ MEDEVAC
  • MECHANIC
  • 11,005 POSTS
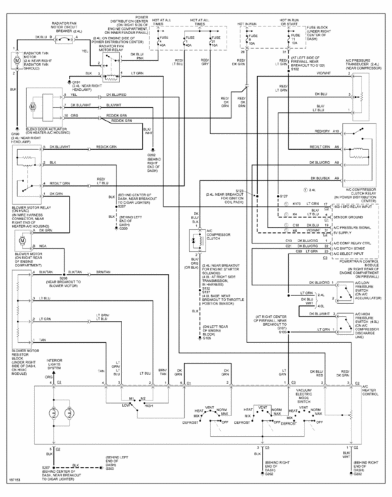
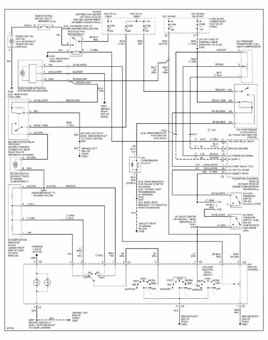
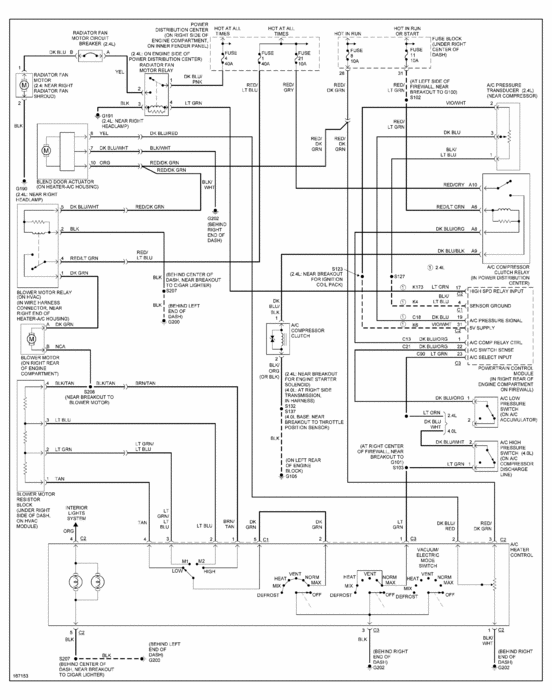
I LOOKED UP THE DIAGRAMS---THERE ARE 5 MODELS FOR A WRANGLER IN '93

I USED "SE" FOR LACK OF CORRECT INFO

THERE WERE 2 DIAGRAMS, ONE WAS HVAC, THE OTHER WAS HEATER CIRCUIT

BOTH SEEM TO HAVE THE SAME RELAY INFO (LOCATION)

THIS IS EXACTLY WHAT IT SAYS (LEFT SIDE OF DIAGRAM, 1/3 WAY DOWN):

BLOWER MOTOR RELAY (ON HVAC) (IN WIRE HARNESS CONNECTOR, NEAR RIGHT END OF HEATER-A/C HOUSING)

KEEP US INFORMED ON PROGRESS

THE MEDIC

THIS IS THE "HVAC DIAGRAM" FOR A "WRANGLER SE"---THE ONE I DID NOT GET WAS "HEATER CIRCUIT"
Was this
answer
helpful?
Yes
No
Monday, November 14th, 2011 AT 11:31 PM

Please login or register to post a reply.