I have a gounding problem in the heater blower.

Tiny
ANONYMOUS
  • MEMBER
  • 1999 JEEP WRANGLER
  • 76,000 MILES
I have a gounding problem in the heater blower control circuit. How do I find it
Tuesday, December 18th, 2012 AT 8:40 PM

1 Reply

Tiny
CJ MEDEVAC
  • MECHANIC
  • 11,005 POSTS
SORTA LIKE. WHAT'S IT DOING OR NOT DOING?

ARE THE HEATER HOSES HOT?

DOES THE FAN RUN AT ALL, OR JUST ONE SPEED?

AIR JUST NOT COME OUT? DOOR ACTUATOR?

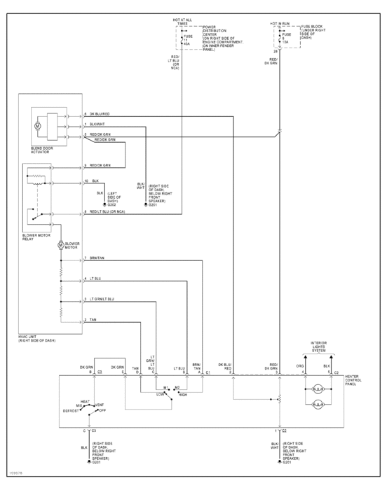
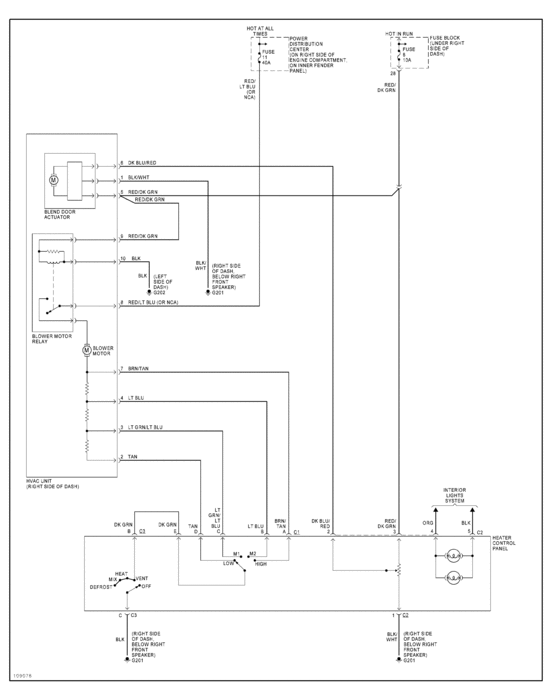
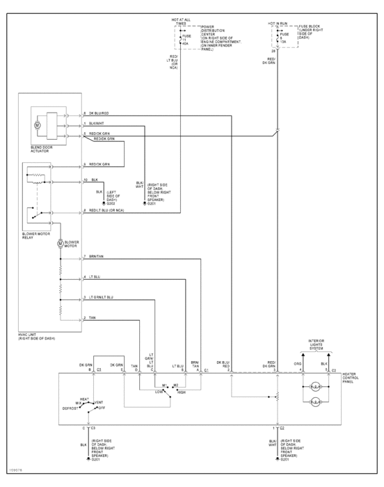
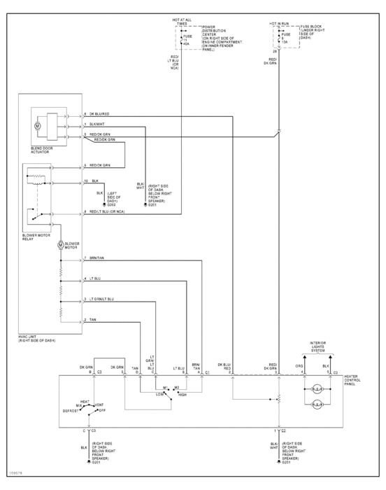
GOTCHA 2 DIAGRAMS

1st) VACUUM CONTROLS

2nd) HEATER WIRING

IF ANY OTHER DIAGRAMS ARE NEEDED, LET ME KNOW THE SYSTEM OR EVEN THE LOCATION OF THE ITEM----THE DIAGRAMS USUALLY ARE GOOD TO LABEL LOCATIONS OF THE DEVICES

I THINK THERE'S A RESISTOR IN THERE FOR THE SPEEDS

'FORE YOU BUY ANYTHING---LEMME KNOW WHAT YOU NEED, I KNOW A FEW TRICKS TO "FIND" THE LEAST EXPENSIVE---AND SOMETIMES SAVE. SO FAR, UP TO $40 ON A PART COSTING $100 OR SO. LEMME KNOW IF I CAN TRY TO AID YOU IN THAT DEPARTMENT!

THE MEDIC
Was this
answer
helpful?
Yes
No
Wednesday, December 19th, 2012 AT 12:57 AM

Please login or register to post a reply.