Headlights not working properly

Tiny
PG1211
  • MEMBER
  • 2003 CHEVROLET IMPALA
  • 3.4L
  • V6
  • 2WD
  • AUTOMATIC
  • 220,000 MILES
I have the car listed above it is a civilian model. The connector that goes to the passenger headlight assembly had a damaged plug and wire so it needed replaced. I got two replacements. I tried wiring everything back and it has been more than twelve hours of a puzzle with no success.

The parking light works. The turn signal works. The high beam works. The low beam does not.

After trying every combination possible with the remaining wires I thought I had an answer. The low beam worked. However, it would remain even when I turned off the lights.

I currently am stuck with no progress. Currently I have two dark blue and two orange wires left and I have no idea how to fix this issue. I have tried matching colors, mixing colors and everything possible. I tried to bounce power from the driver side (which turns on and off as it should) but with no luck. All fuses are good. All wires are good and with solid connections.
Saturday, May 5th, 2018 AT 10:14 PM

11 Replies

Tiny
STEVE W.
  • MECHANIC
  • 15,686 POSTS
How about some duct tape and a flashlight! No you want the real fix huh.

Okay at the plug for the light you should have the two orange wires, these are battery power feeds through the ext lamps 10A fuse to both high and low beam.
Those go to pins F and H, both are the same so does not matter which goes to which.

The dark blue wires are a pain as you need to test them to find out which one of them is the low beam ground and the other will be battery voltage to the turn signal. The easy way to do that is with a test light. Connect one side to ground, turn on the right turn signal with the headlights off. Touch the two wires one at a time, the one that makes the light flash connects to pin D and the other dark blue connects to pin J.
If you do not own a test light, you have one right on the car. Just be sure that the ground (pin A) is connected, it grounds both the turn signal and the marker light. Now just touch the blue wires one at a time to the wire on pin D just like you would use the test light. The one that blinks the light is the turn. The one that does nothing goes to pin J.

Then there will be a pink wire connected to pin G. That is the high beam switched ground, but it is switched through the DRL relay. When the DRL's are on, both high beams are grounded in series which halves their light output. When the DRL relay is turned on it switches the grounds to both lamps on independently and you get regular high beams.

Oh and if you look at pin E it says that is power from the dash. That is the marker/parking lamp feed. It pulls power from the dash lights so that if you are driving along and the dash suddenly goes out, you know you also lost the park/tail/marker lights.

Hope this provides a lighted pathway.
Was this
answer
helpful?
Yes
No
Sunday, May 6th, 2018 AT 11:05 AM
Tiny
PG1211
  • MEMBER
  • 6 POSTS
I did what you said and am still unable to get them to work properly. Same exact thing as my original post. No different results.
Was this
answer
helpful?
Yes
No
Thursday, May 31st, 2018 AT 7:20 PM
Tiny
STEVE W.
  • MECHANIC
  • 15,686 POSTS
Either the wiring out to the plug is damaged or there is a blown fuse in the system. How did the connector get damaged? Accident or? If it was pinched between something it is possible that it is damaged in more than one spot.
Was this
answer
helpful?
Yes
No
Thursday, May 31st, 2018 AT 7:41 PM
Tiny
PG1211
  • MEMBER
  • 6 POSTS
The old connector had a tear and eventually gave in. All wires look just fine with no visible damage, tears or anything. The most success I have had is getting the low beams to work but then they will not go out or I will have one work and go out when it should but not if both work.
Was this
answer
helpful?
Yes
No
Thursday, May 31st, 2018 AT 8:11 PM
Tiny
STEVE W.
  • MECHANIC
  • 15,686 POSTS
The low beams are powered through the orange wires. The switch grounds them using the dark blue wires to turn them on. If each one has power on the orange wire. Then grounding the dark blue that comes off the other terminal should turn them on. That wire should also show a ground with the low beams on.

It is possible to get things mixed up because they also used dark blue for the DRL feed to the high beams on one side and a signal on the other.
Was this
answer
helpful?
Yes
No
Friday, June 1st, 2018 AT 11:02 PM
Tiny
PG1211
  • MEMBER
  • 6 POSTS
Thanks, I will try that when I have access to the car again and will see. I do recall the one blue wire would have to be attached to turn on one low beam and an orange wire I believe had to be connected to turn on the left side low beam.
Was this
answer
helpful?
Yes
No
Friday, June 1st, 2018 AT 11:08 PM
Tiny
STEVE W.
  • MECHANIC
  • 15,686 POSTS
The orange wires are power feeds. On the right hand (passenger) side there should be two orange. One feeds high beam, the other low beam. Then a pink which is the high beam ground, and the dark blue that is the low beam ground. The dark blue is connected across the car to the low beam on the drivers side. If you need to figure out which is which you could pull the other headlight out and look for continuity between the lights.
Was this
answer
helpful?
Yes
No
Friday, June 1st, 2018 AT 11:24 PM
Tiny
PG1211
  • MEMBER
  • 6 POSTS
High beams work just fine as they should. Orange to orange. Yellow to yellow. Pink to pink. Blue is taped up because I know it is the turn signal. The low beam is not getting power now. This makes no sense. I have tried multiple bulbs. The driver side works just fine as long as the one blue wire is connected but it will not turn off and the passenger headlight is not getting power now.
Was this
answer
helpful?
Yes
No
Monday, June 11th, 2018 AT 10:42 AM
Tiny
STEVE W.
  • MECHANIC
  • 15,686 POSTS
The orange wires are power feeds one for high one for low. If the low is not getting power check that those are connected and that the fuse (DRL/EXT lamps 10A) is still good. It powers the passengers side and DRL system.
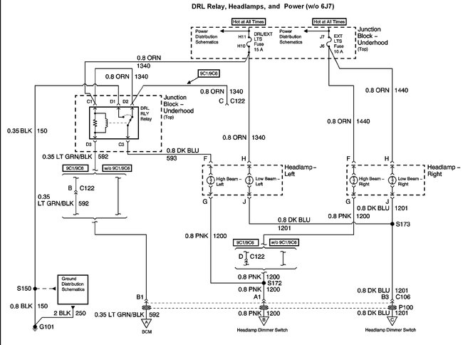
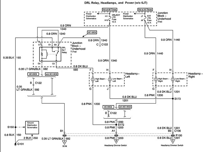
It sounds like you just need to sort out the blue wires. These diagrams with the colors on it and showing the entire system might help. The first is the headlights only and the second shows the turn.

You say the high beams both work. So the headlight relay is working as it is what sends the ground point to the dimmer switch.
Then it comes out of the dimmer on the brown lead which connects under the dash to the harness with the dark blue wire and that goes out to the headlights. It provides a ground only with the dimmer switch on low beam. It shows that the two blue wires are spliced together in the harness near the external temperature sensor (which is on the rad. Core support).
The easiest way to find it would be to use a test light connected to battery positive. Now for a different test method to keep the power/ground issue apart. Remove the headlight relay. Use the test light to find the contact that has power. That will be BC on the diagram. Then the one diagonal to that is the other side of the coil (AA on the diagram). The other two pins are BA which will be direct to ground and pin AC which is the ground to the dimmer switch. Insert a jumper wire across those two pins. Now put the dimmer switch on low beam, Leave the key "off" and the headlight switch "off". Now if you use the test light connected to battery Positive there will be one blue wire that is grounded. Unplug or remove the low beam bulbs. Take the test light and you should find a ground connection on the dark blue wire on the drivers side. Then find the dark blue ground on the passengers side.
Now for the other part of the test. Because the wire should only ground through that relay and the jumper you installed. Remove the jumper, now connect the test light to battery positive. Then touch it to the same two terminal you just removed the jumper from. It should light up on one (BA) and not on the other. If it lights up on both you have a short in the blue wire. That would explain why the one side stays on and the other side does not work, if the wire is broken and grounded in the wrong spot.
Was this
answer
helpful?
Yes
No
Monday, June 11th, 2018 AT 6:58 PM
Tiny
PG1211
  • MEMBER
  • 6 POSTS
I have got the driver side bulb to turn on and off as it should now. The passenger high beam works and all wires are connected. However, the passenger low beam is not turning on. I have tried several working bulbs. Any suggestions or is there a way to run from the passenger low beam from the driver side? It seems it is not getting power for some reason.
Was this
answer
helpful?
Yes
No
Monday, June 25th, 2018 AT 1:38 PM
Tiny
STEVE W.
  • MECHANIC
  • 15,686 POSTS
They are normally tied together so you could simply run a new wire across to make it work.
Was this
answer
helpful?
Yes
No
Monday, June 25th, 2018 AT 7:58 PM

Please login or register to post a reply.