Engine will not crank over?

Tiny
PDENNIS
  • MEMBER
  • 2003 HUMMER H2
  • 6.0L
  • V8
  • 4WD
  • AUTOMATIC
  • 149,000 MILES
I put a new starter in it and a new ignition switch in it and nothing. I even check the relays under the hood.
Monday, August 28th, 2023 AT 5:03 PM

5 Replies

Tiny
KEN L
  • MASTER CERTIFIED MECHANIC
  • 55,076 POSTS
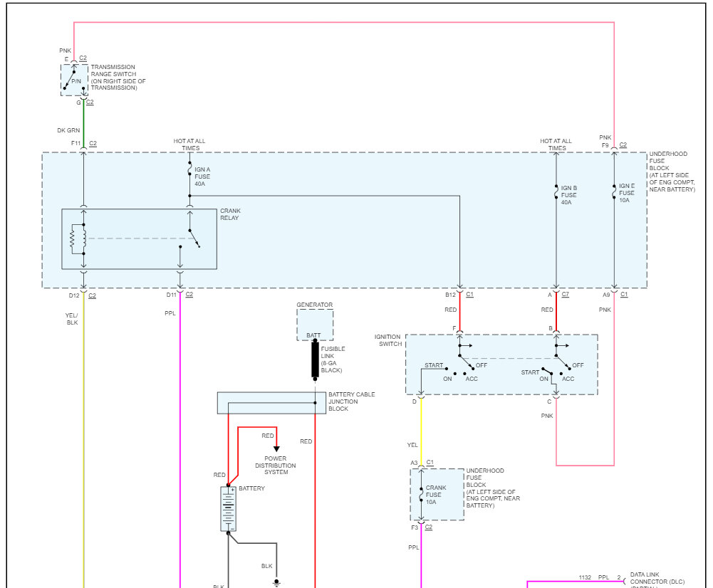
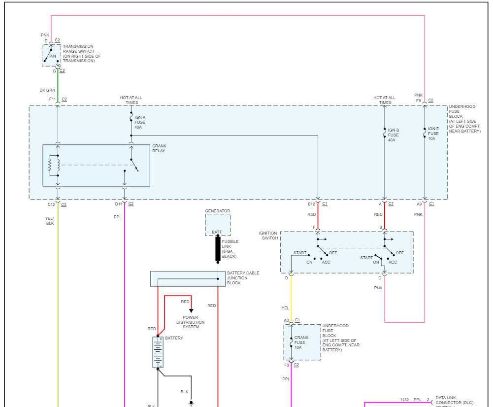
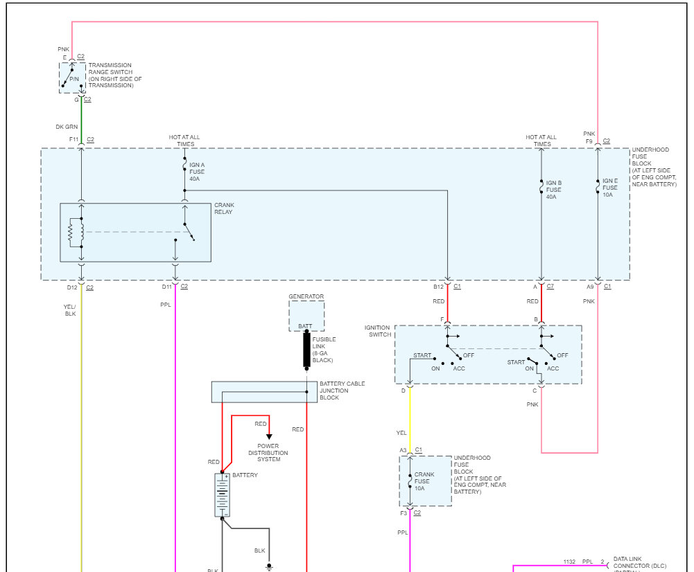
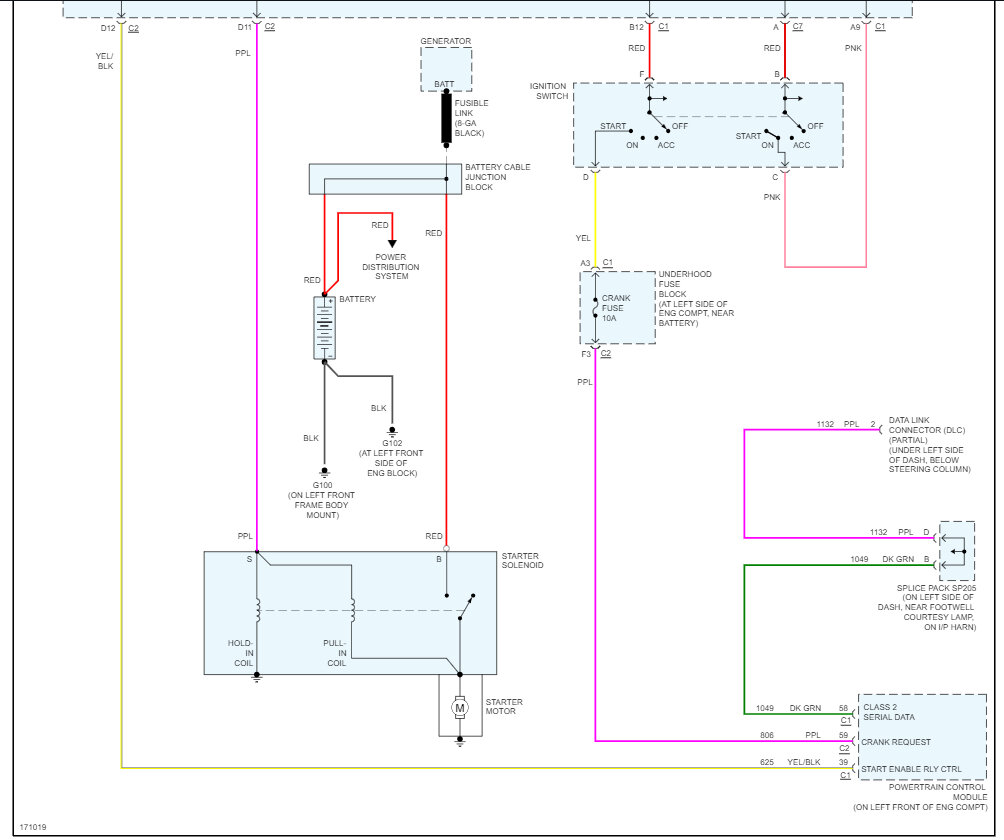
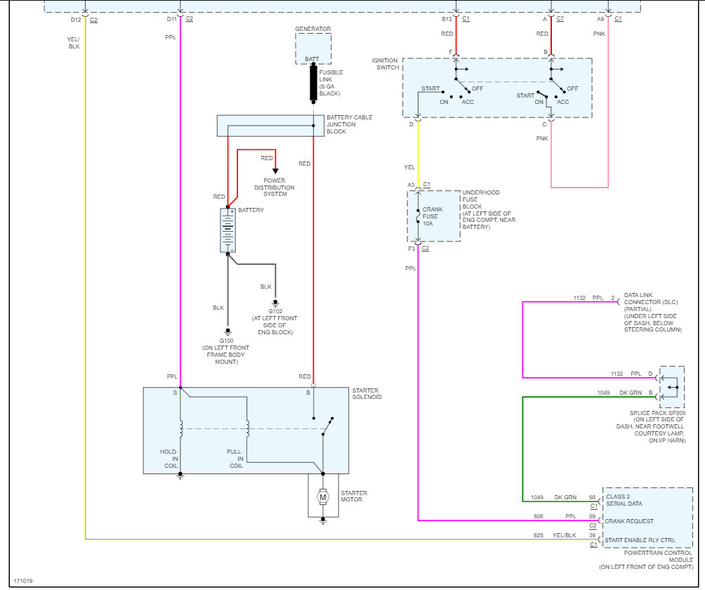
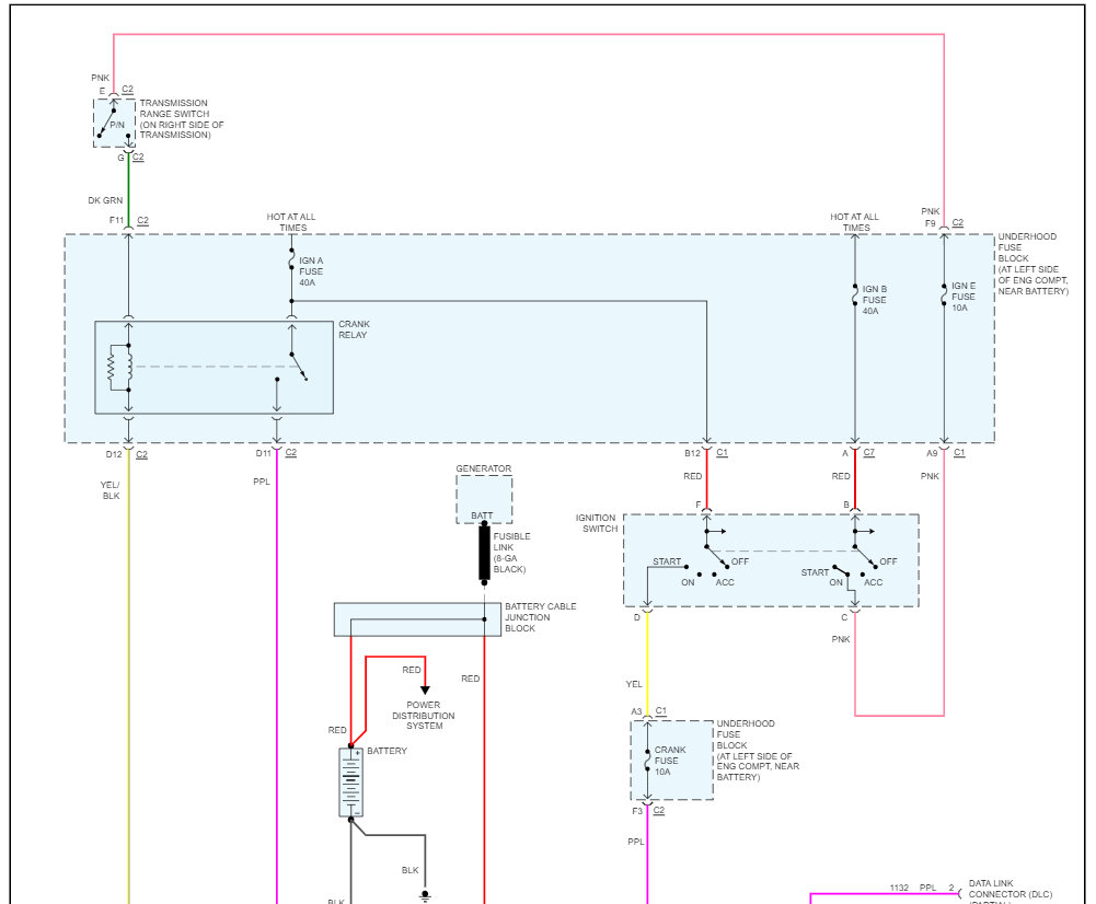
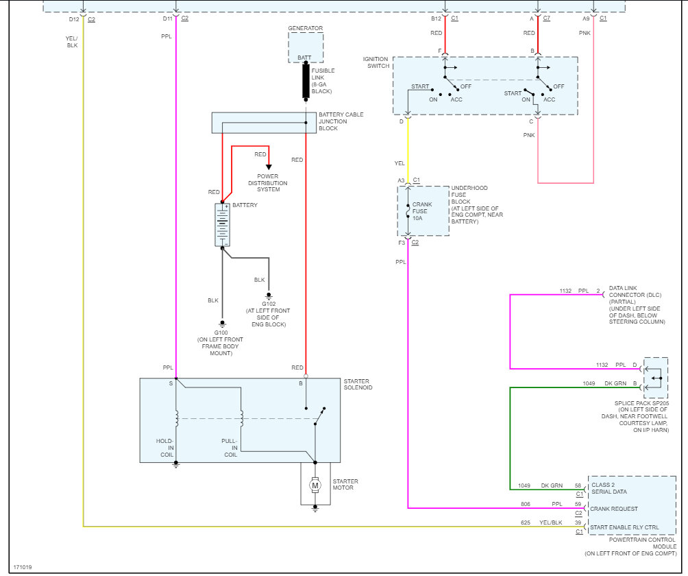
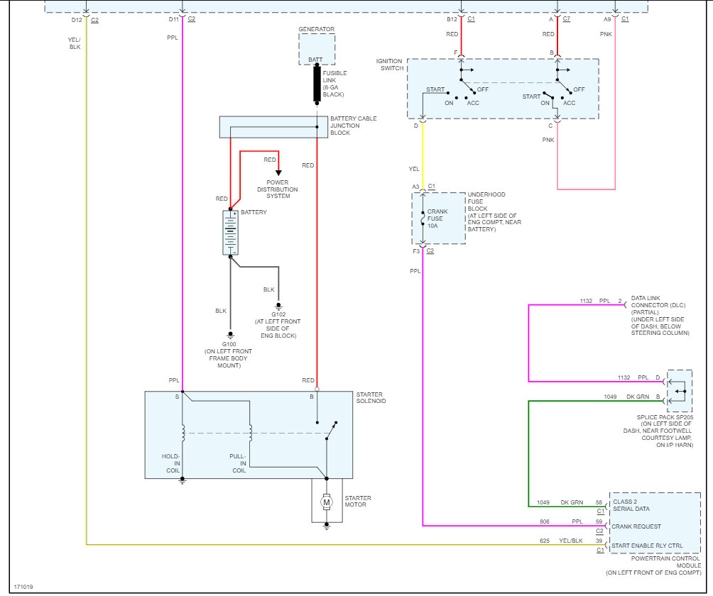
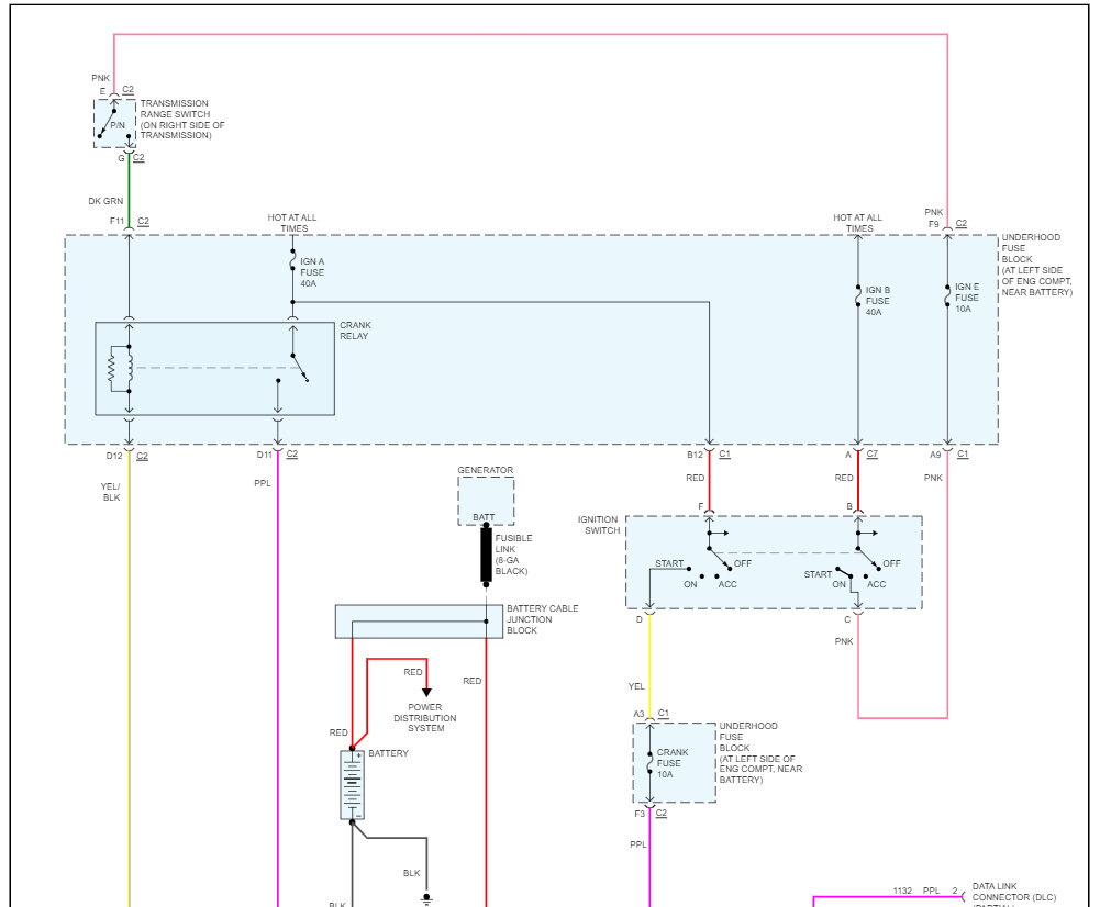
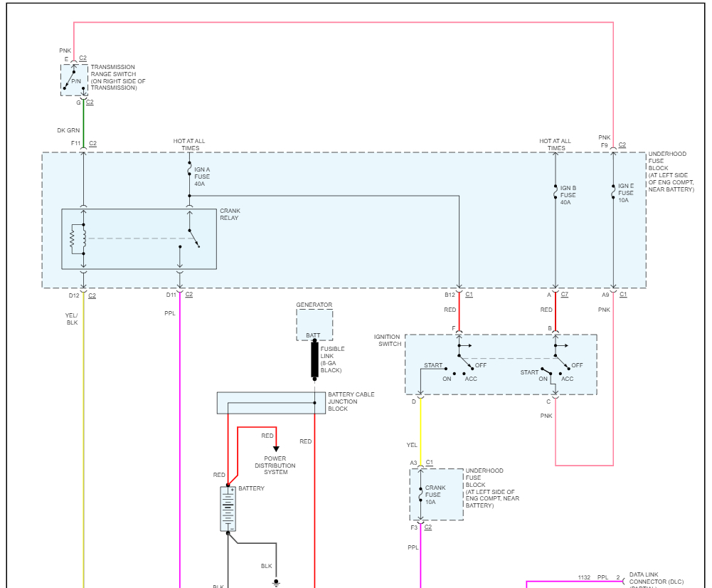
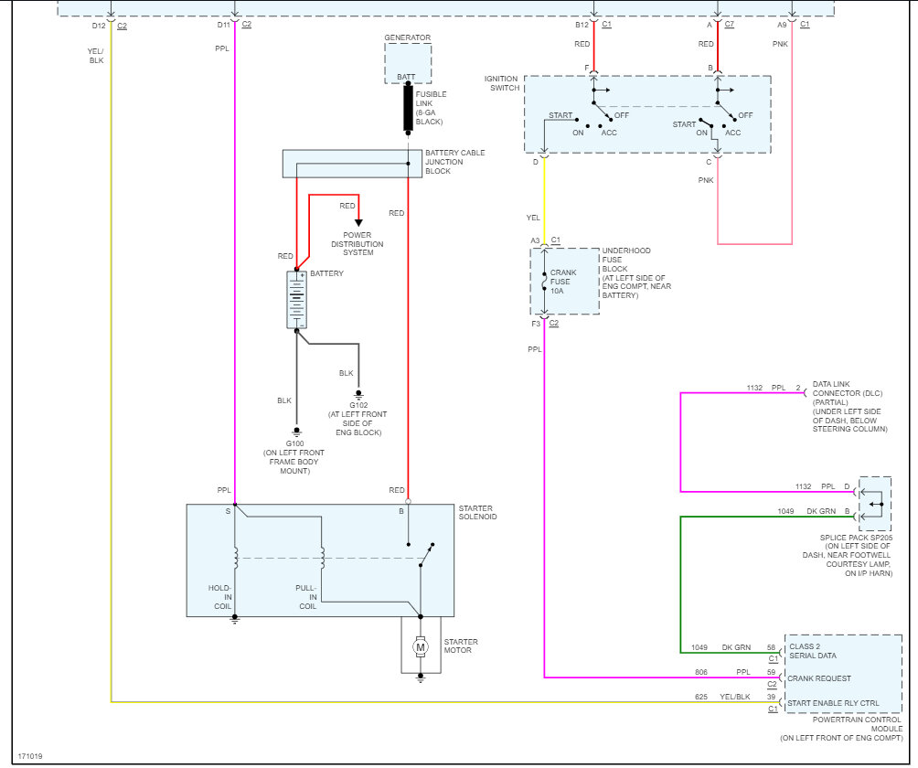
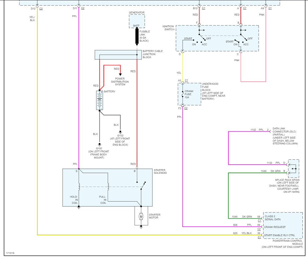
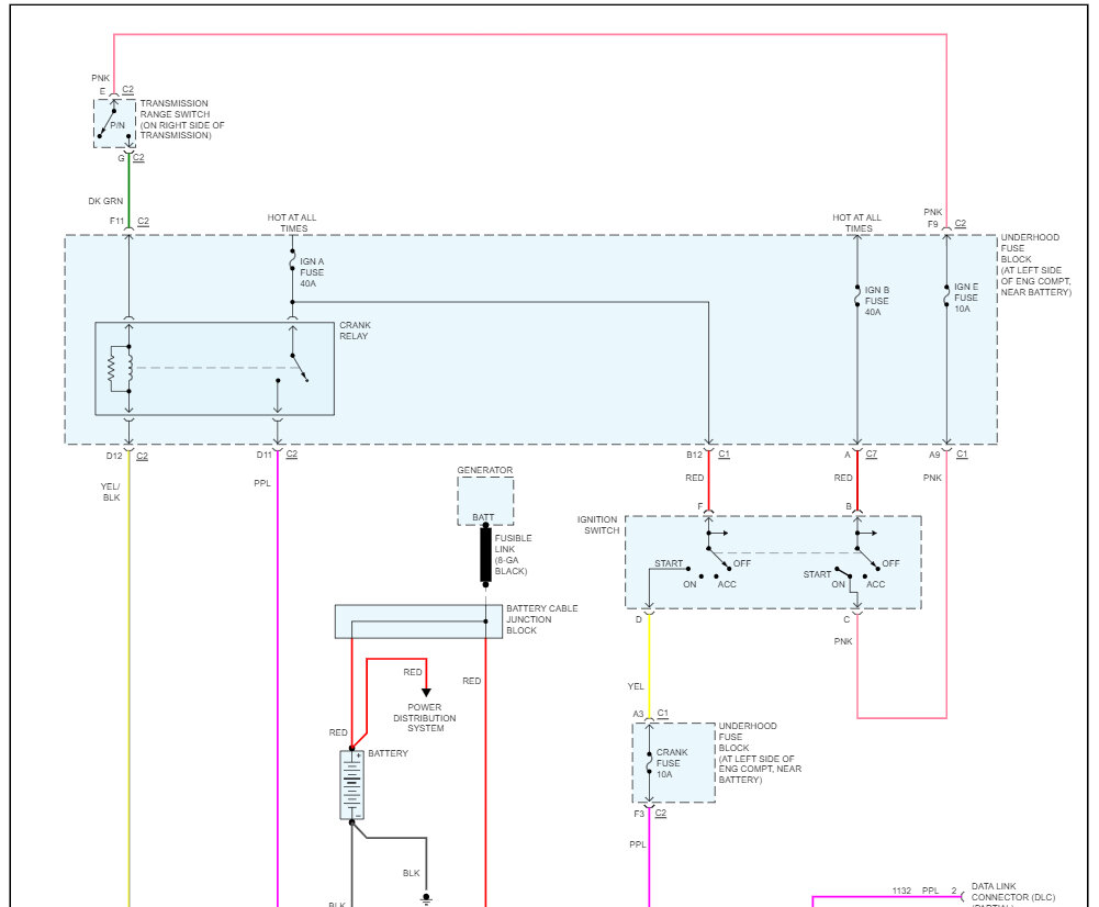
I would try to put the vehicle in neutral and try to crank it over, if it cranks over the gear range sensor is bad. Here is a guide that can help us, and I have included the starter wiring diagrams to help us see how the system works.

https://www.2carpros.com/articles/starter-not-working-repair

There is a crank fuse and a crank relay I would check or swap out, here are guides that can help and I also have included the fuse and relay locations.

https://www.2carpros.com/articles/how-to-check-a-car-fuse

and

https://www.2carpros.com/articles/how-to-check-an-electrical-relay-and-wiring-control-circuit

Check out the images (below). Let us know what happens and please upload pictures or videos of the problem so we can see what's going on.
Was this
answer
helpful?
Yes
No
+1
Tuesday, August 29th, 2023 AT 10:40 AM
Tiny
PDENNIS
  • MEMBER
  • 3 POSTS
I tested the crank fuse and relay they are both good, I put the Hummer in Neutral and still no good. Had the Battery check and it is good still don't know what to do.
Was this
answer
helpful?
Yes
No
Tuesday, August 29th, 2023 AT 12:24 PM
Tiny
KEN L
  • MASTER CERTIFIED MECHANIC
  • 55,076 POSTS
Does it make any noise at all when trying to crank over? Please upload videos of the problem so we can see what's going on. You may have a locked-up engine. Also did you check for power at the trigger wire when trying to crank the engine over?
Was this
answer
helpful?
Yes
No
Wednesday, August 30th, 2023 AT 9:28 AM
Tiny
PDENNIS
  • MEMBER
  • 3 POSTS
I checked all the fuses under the hood, and it was the PCM B 20-amp fuse. The truck fired right up thanks for your time.
Was this
answer
helpful?
Yes
No
Wednesday, August 30th, 2023 AT 12:23 PM
Tiny
KEN L
  • MASTER CERTIFIED MECHANIC
  • 55,076 POSTS
Thanks for letting us know, we are here to help, please use 2CarPros anytime.
Was this
answer
helpful?
Yes
No
Thursday, August 31st, 2023 AT 10:27 AM

Please login or register to post a reply.