Saturday, June 2nd, 2012 AT 1:46 PM
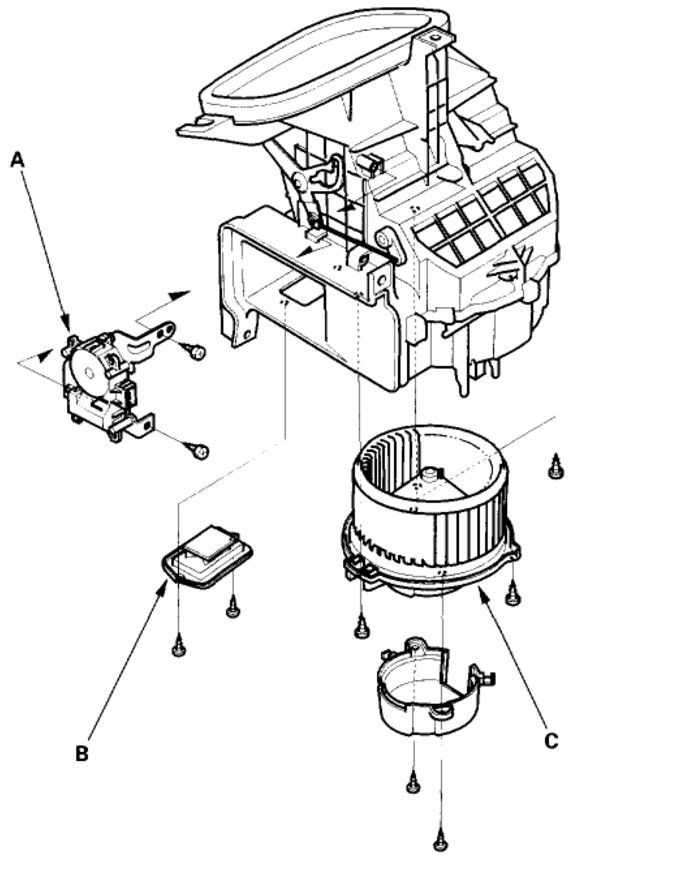
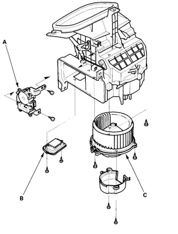
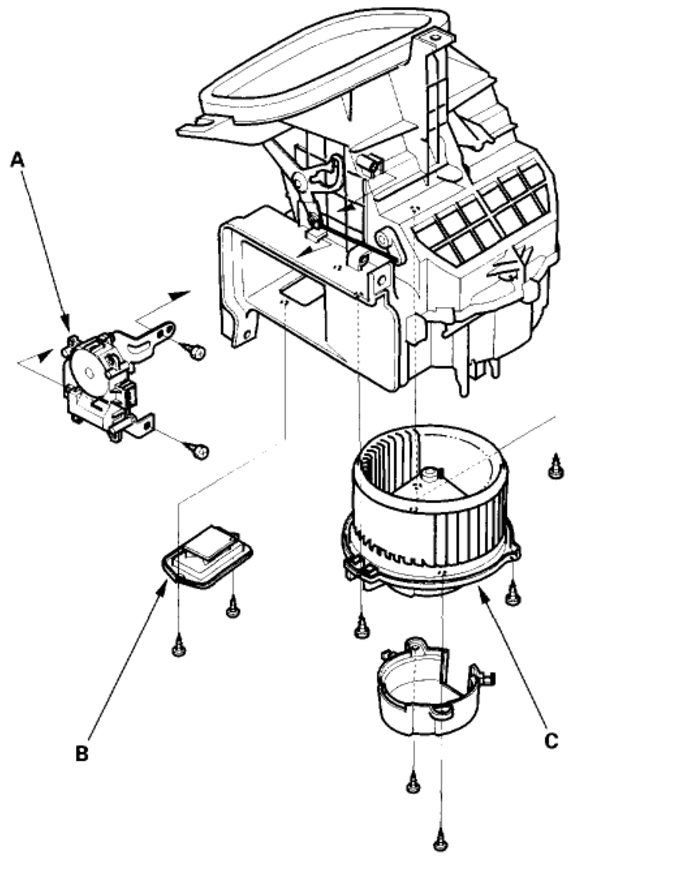
I have a 2003 Honda Odyssey and the A/C stopped working yesterday. I trouble shot it but have hit a wall. When the AC is initially turned on, the compressor clutch engages momintairily (1-2 sec) and then disengages. Also the front fan only works on high and does not work in Auto or any lower setting. The AC pressure switch checks good for continuity and when the Compressor clutch is jumpered to the battery, it engages, runs full time and blows out nice cold air. All Relays also check for continuity and are clicking just fine with power applied. All fuses have been checked as well. With that information I think the system itself is in good shape and I must have a cabin temp sensor issue or some other electric control issue. Is there anything I'm missing? What would be the next step. From the wiring diagram it could be just about anything. Climate Control Unit, Front Mode Control Motor, In Car Temp Sensor, or PCM. Any ideas on troubleshooting those items? Or something that usually goes wrong? Any help is appreciated.









