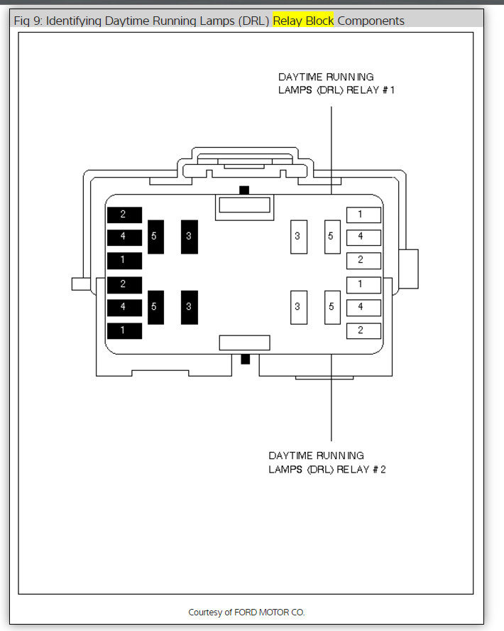
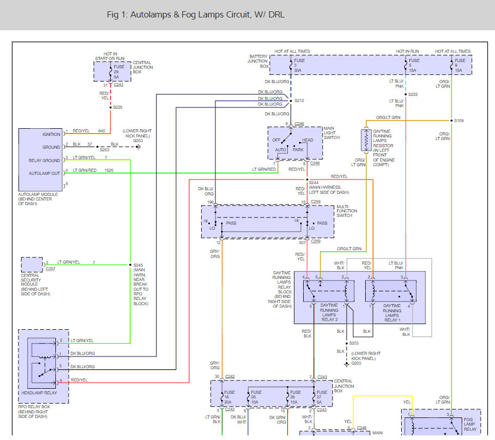
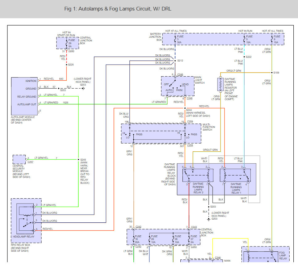
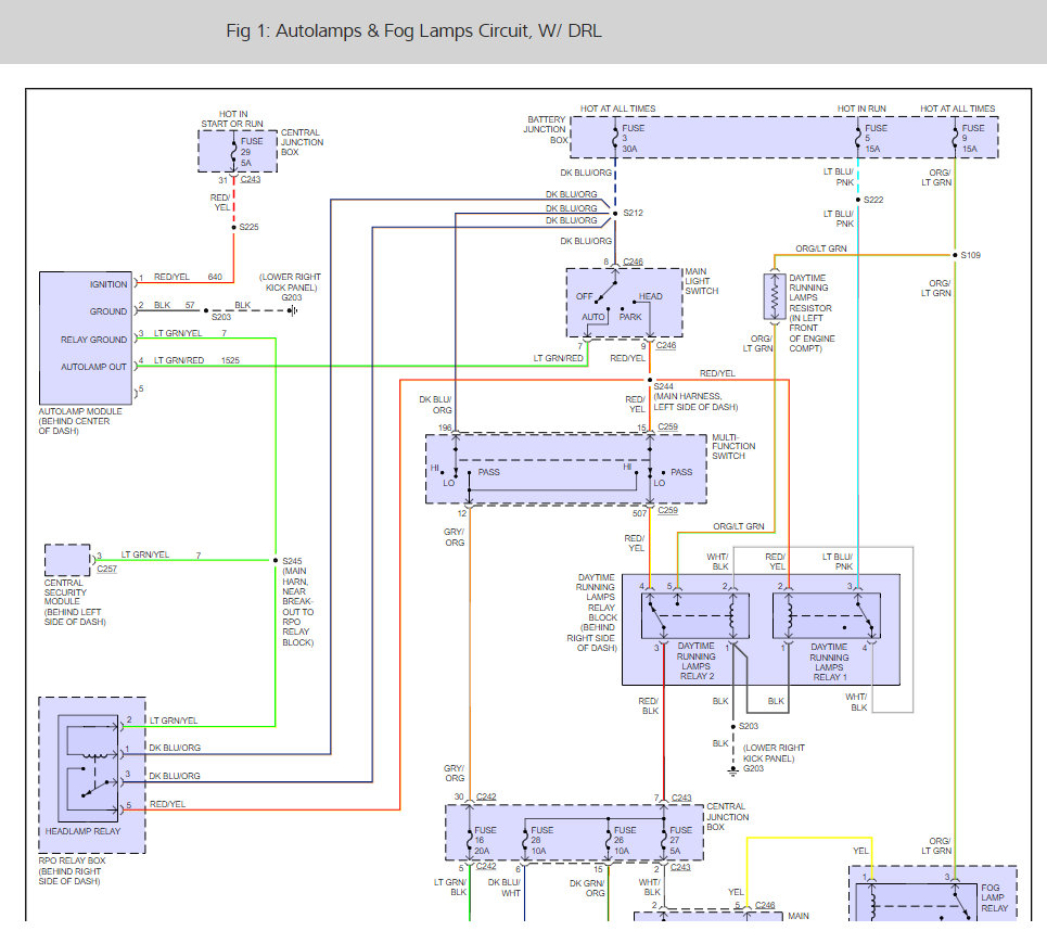
Saturday, July 11th, 2015 AT 10:03 AM
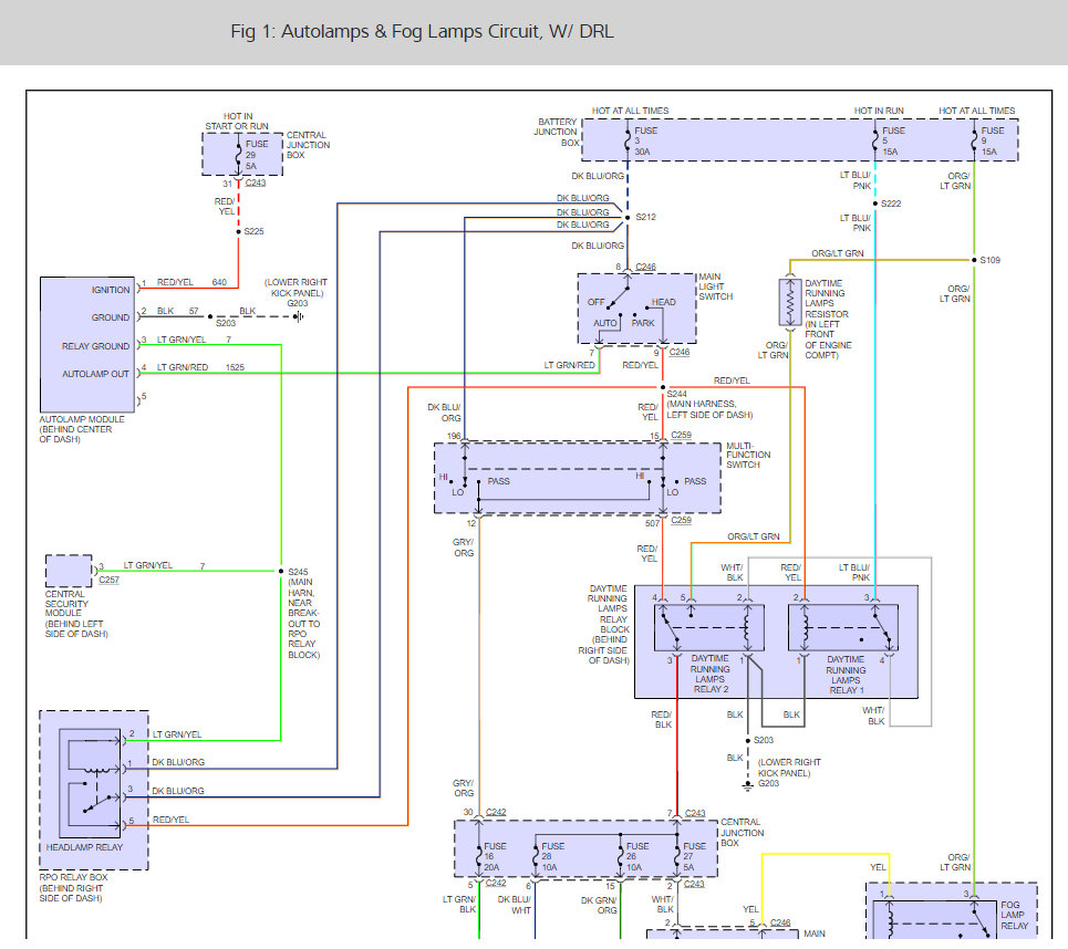
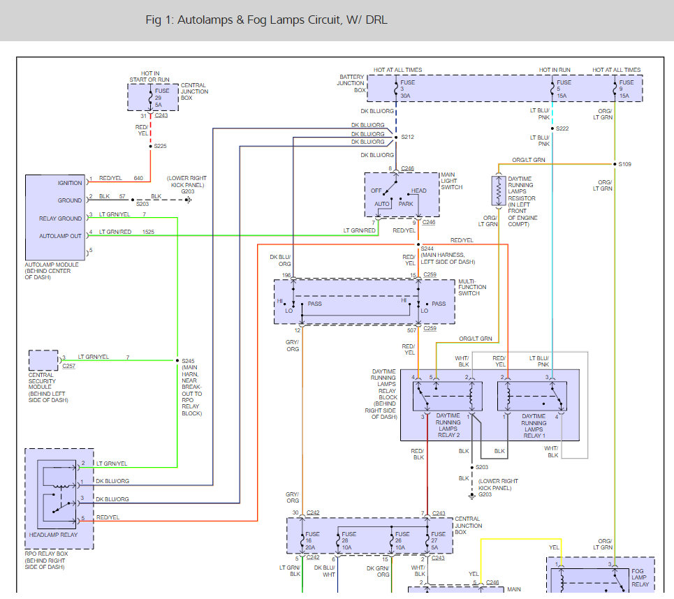
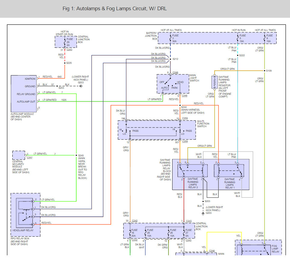
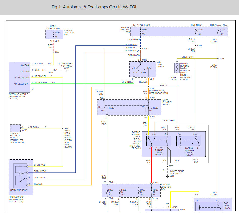
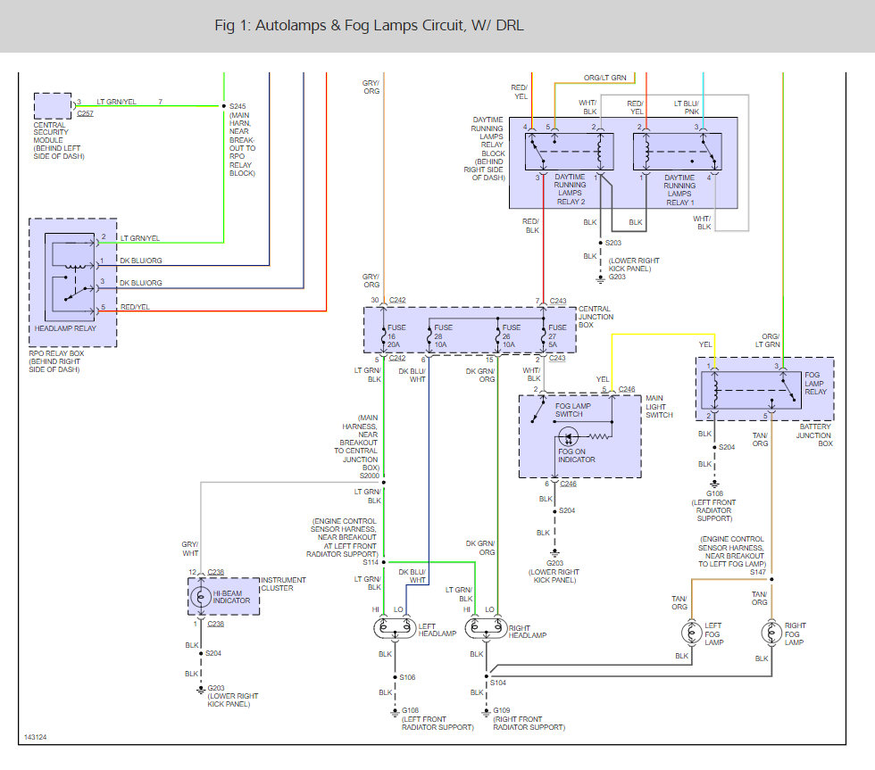
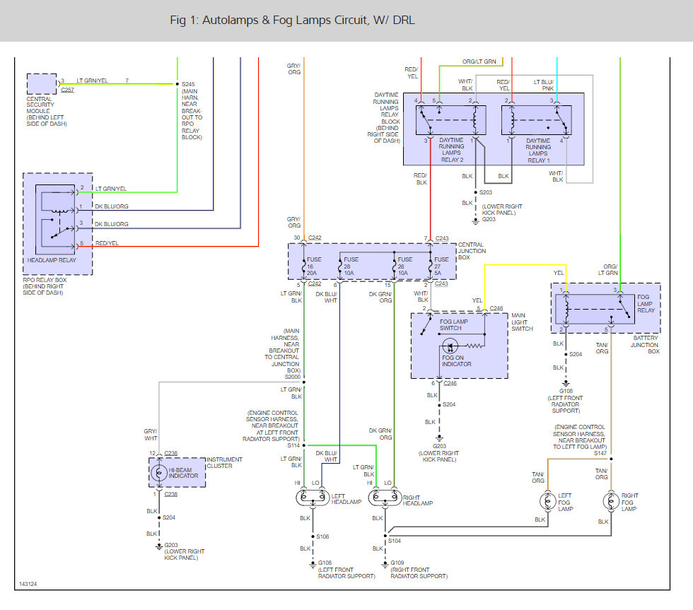
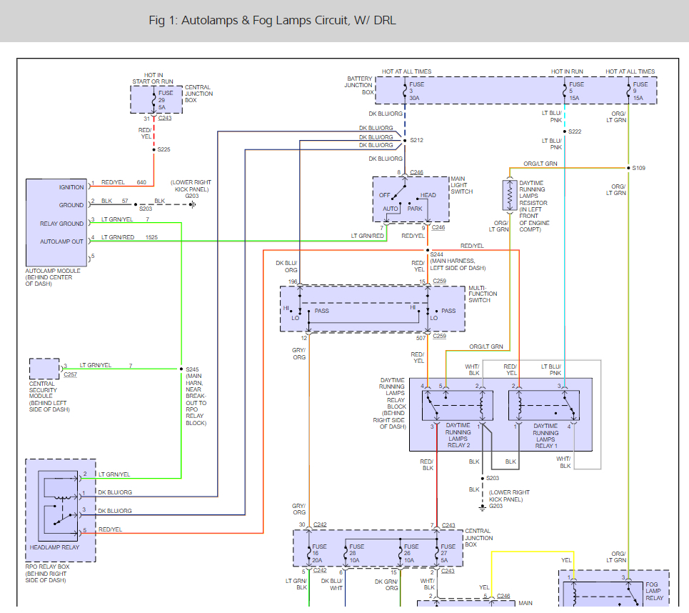
Automatic lights stopped working, heated/air cool seats stopped working, interior lights stopped working when you unlock or open the doors, the buzzer for key in ignition stopped working, the radio stays on even when you open doors with the vehicle off. Started a few weeks ago, then battery seemed to be low, like a dead cell, but they would work some after it charged up. Replaced the battery and now they are worse.












