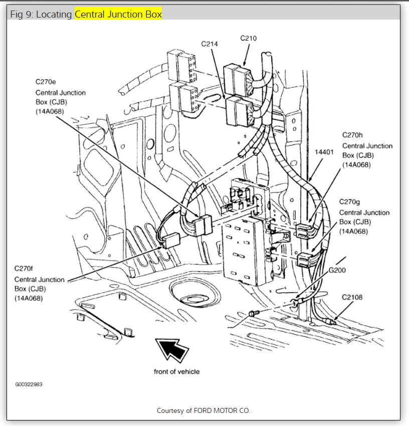
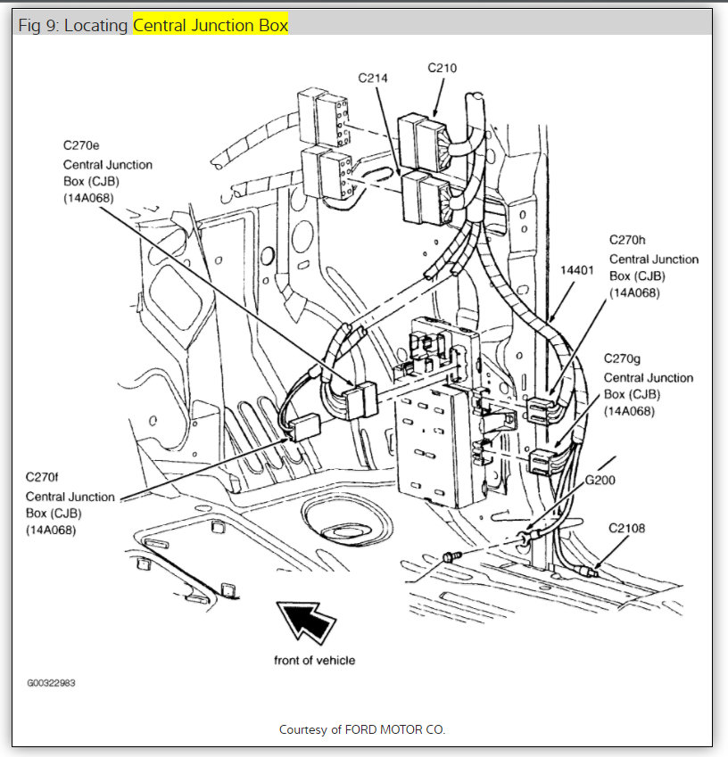
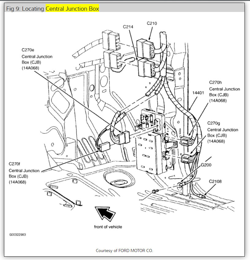
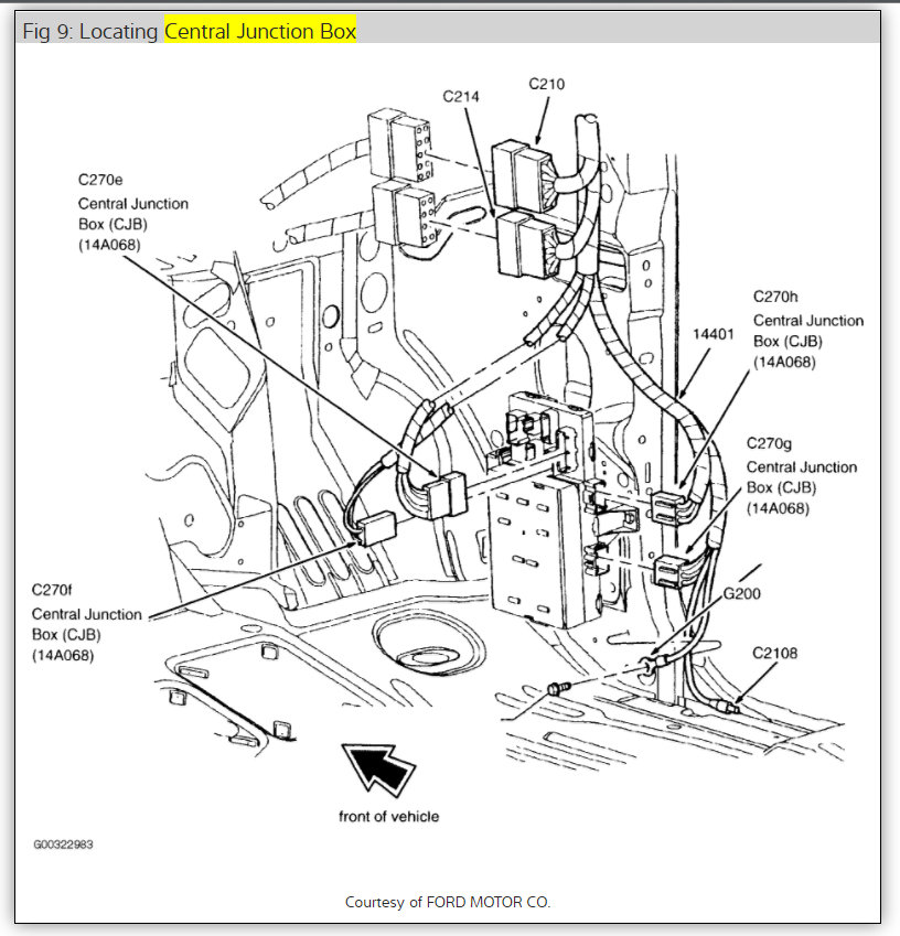
Saturday, December 3rd, 2011 AT 7:01 PM
The headlights on my ford expedition won't turn off. I have to disconnrct the battery in order to turn off. I tried changing the switch on the dashboard but that's not the problem. Someone told me it may be the daylight saving lamps and that the sensor is in the front grill. What should I do?











