Will not turn over. I can hear the fuel pump for a few seconds engaging.

Tiny
SUE72
  • MEMBER
  • 2003 FORD F-150
  • V8
  • 4WD
  • AUTOMATIC
  • 244,000 MILES
Came to a four way stop and my truck shut off. Will not turn over. I can hear the fuel pump for a few seconds engaging.
Monday, July 31st, 2017 AT 2:03 PM

1 Reply

Tiny
STEVE W.
  • MECHANIC
  • 15,698 POSTS
So you turn the key and hear the pump and that is it? No reaction from the starter at all? If you turn on the lights, do they dim when you turn the key?
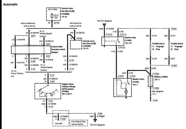
This is the wiring diagram.
I would start by checking that it still will not start if you move the lever to neutral.
Then check the cables from the battery to the starter motor and verify that the starter solenoid is working. To test the starter you can use a jumper cable set, just use the positive side attached to the battery and touch it to the positive terminal on the starter where the relay connects. If the engine turns over the starter is okay.
Was this
answer
helpful?
Yes
No
Monday, April 26th, 2021 AT 1:00 PM

Please login or register to post a reply.