It is unclear which Metra wiring pigtail to use (CH6001 or 70-6502, I believe it's the 70-6502) and it doesn't come with a wire color code.
The Pioneer installation manual is screwy but understandable as far as as the wire harness goes.
Since the stock radio only fades front to back, I assume the dashboard & front speakers are paralleled (left/right sides) and the rear speakers are separate.
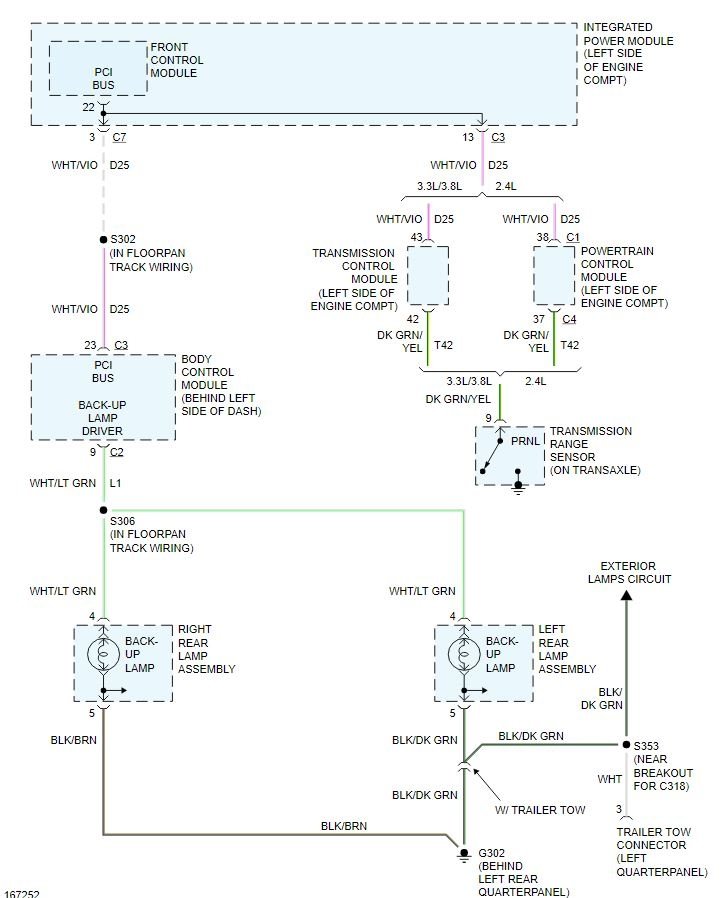
Is there a wiring diagram for this configuration? Is there a color code table for the Metra wiring pigtails, and which Metra wire pigtail do I use?
Sunday, November 29th, 2020 AT 9:39 AM





