Monday, August 14th, 2023 AT 2:45 AM
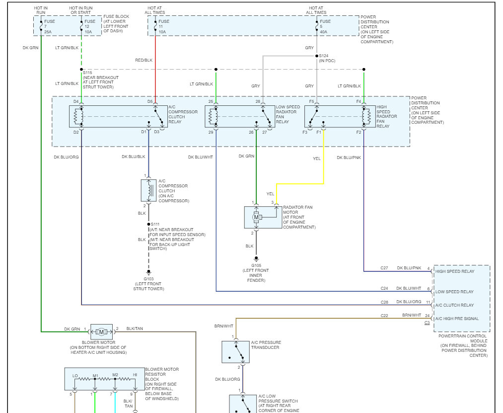
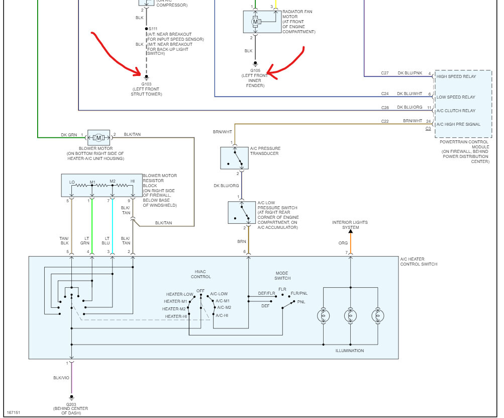
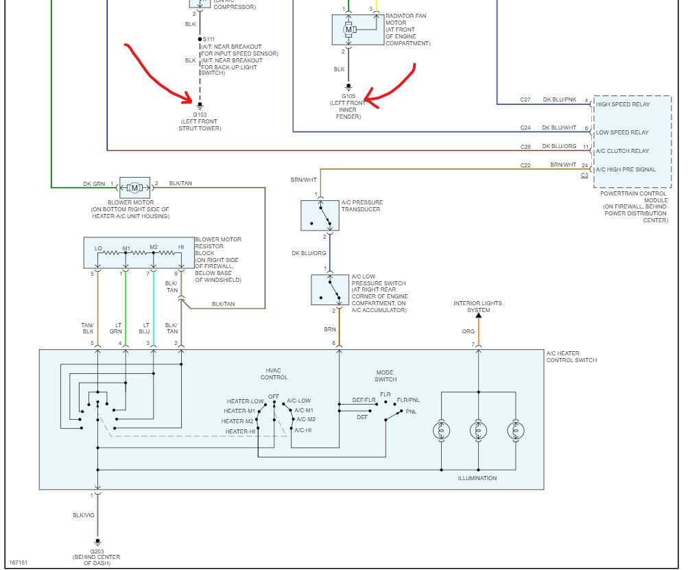
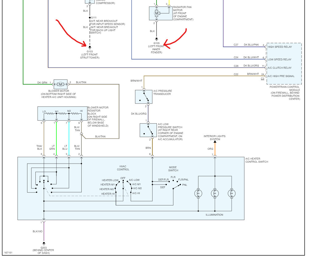
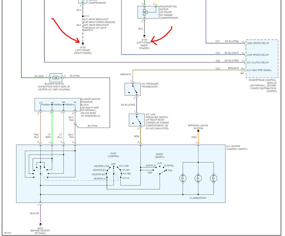
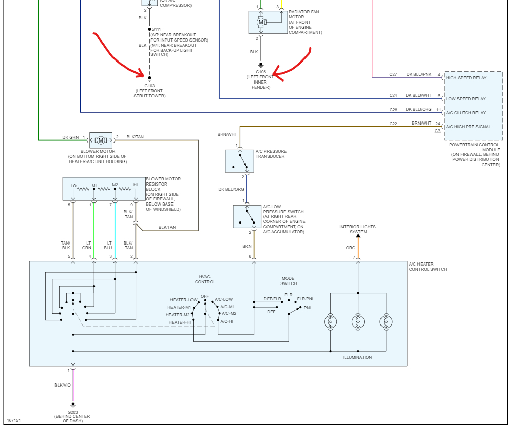
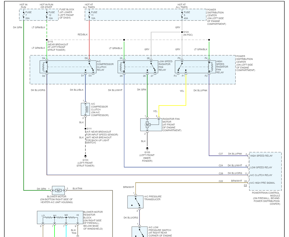
My car listed above started overheating, and I replaced the radiator cooling fan. After replacing the cooling fan, my Air Conditioner stopped cooling but worked perfectly before the cooling fan replacement. Also, the car is constantly losing power and causing me to have it boosted even if the car door is opened for 2 minutes the battery is brand new but I can't seem to figure out how to fix these issues. Please help!



