My car stalls when heater is turned on

Tiny
TACODAVE
  • MEMBER
  • 2003 CHEVROLET TRAILBLAZER
  • 96,000 MILES
Lights do not dim. Radio works
Saturday, February 18th, 2012 AT 1:12 AM

4 Replies

Tiny
RASMATAZ
  • MECHANIC
  • 75,992 POSTS
Sounds like the blower motor is overloading, also have the alternator tested
Was this
answer
helpful?
Yes
No
Saturday, February 18th, 2012 AT 1:24 AM
Tiny
DRCRANKNWRENCH
  • MECHANIC
  • 3,380 POSTS
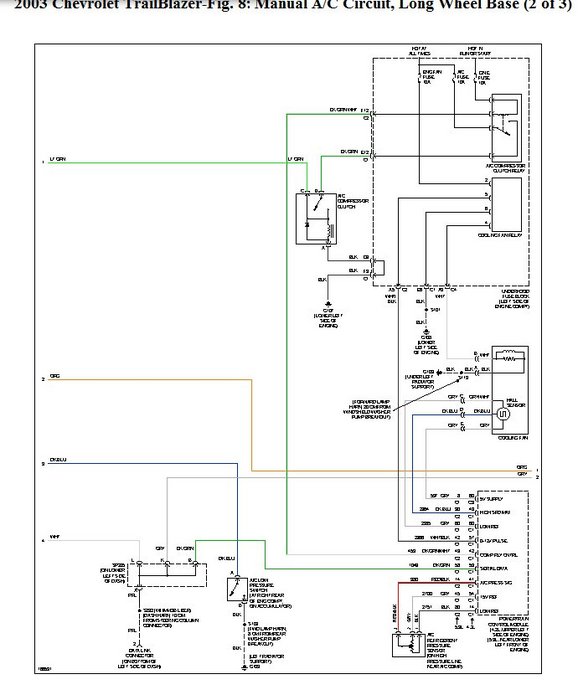
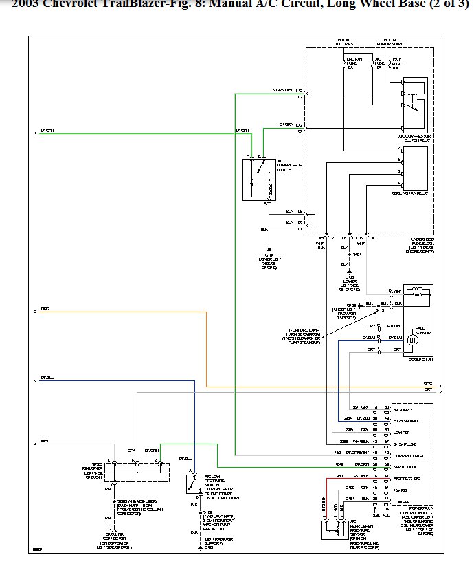
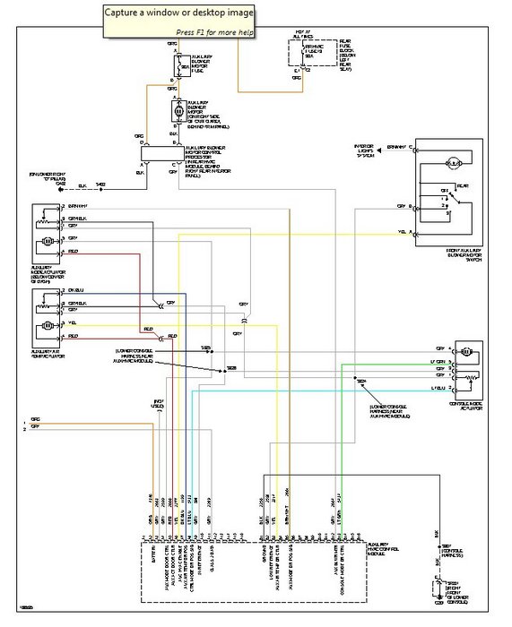
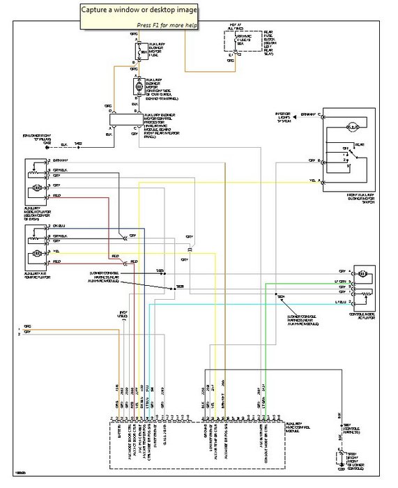
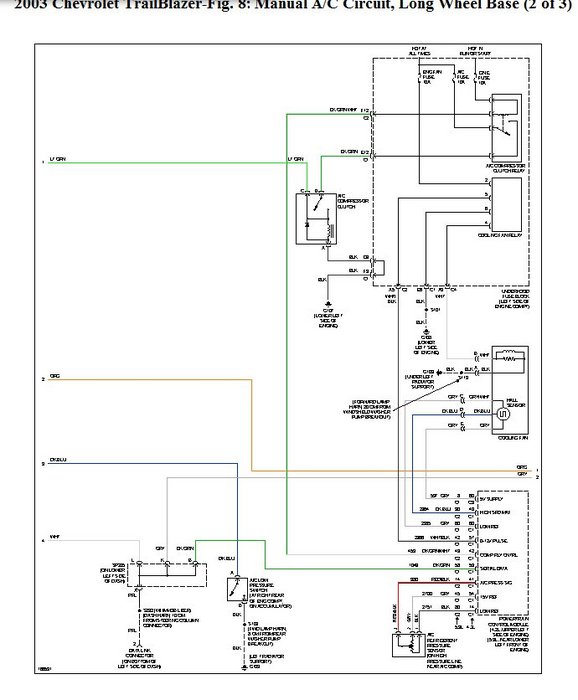
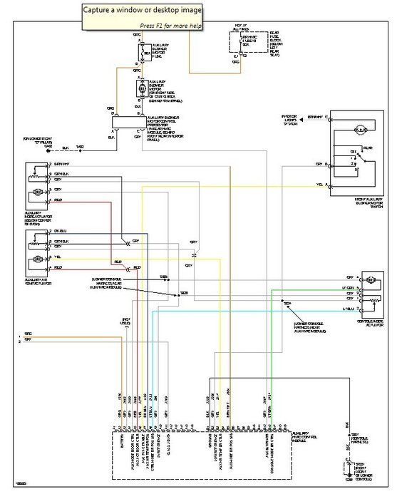
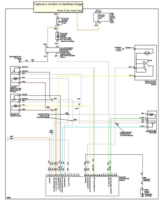
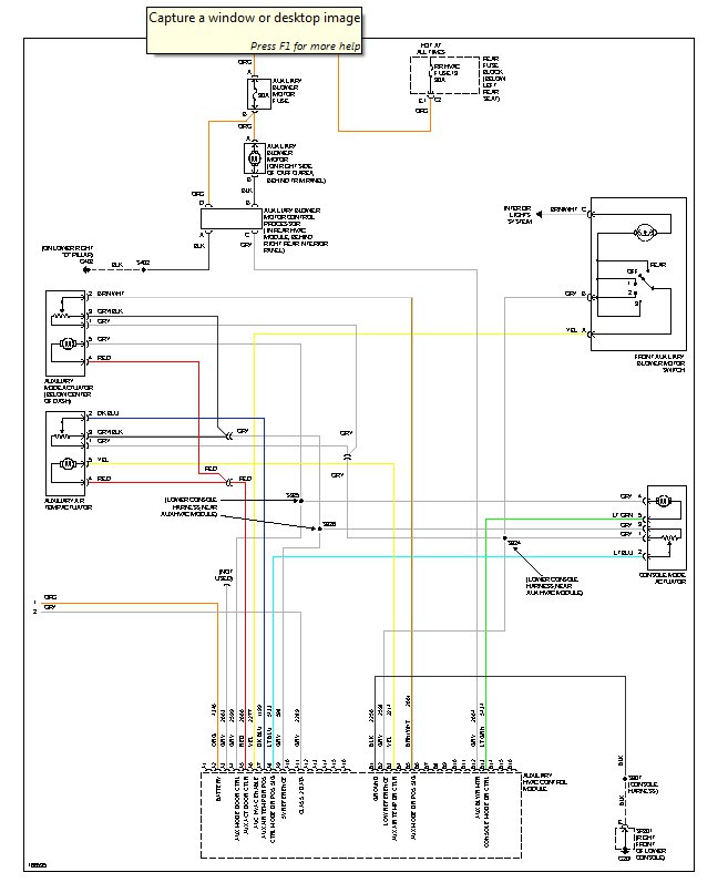
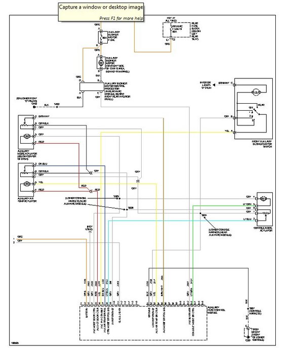
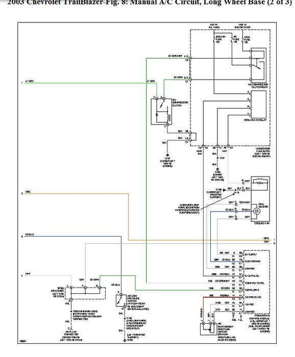
You must have some sort of a short or a grounding issue. I am attaching 3 wiring diagrams for the A/C and Heater circuits. Depending on your transmission and if it is a 2 or 4 door model, there may be some differences. The bottom line is to check main power lines associated with the heater, I am guessing it is the blower motor that you are turning on that stalls the truck, fllow wires that carry power and make sure that they are not exposed, brittle or have a loose connection.
Also, check all grounds from diagrams for a tight metal to metal corrosion free fit.
The diagrams are labeled 1of3, etc. And can be laid out left to right starting with 1of3 to make a complete diagram.
Was this
answer
helpful?
Yes
No
+2
Saturday, February 18th, 2012 AT 1:27 AM
Tiny
RASMATAZ
  • MECHANIC
  • 75,992 POSTS
Nice to see you again, Doc
Was this
answer
helpful?
Yes
No
Saturday, February 18th, 2012 AT 1:48 AM
Tiny
CHEVYFORLIFE
  • MECHANIC
  • 33 POSTS
Your trailblazer has a ecm reflash to correct the idle stalling problem. You could go do your local gm dealer and ask them the check if there is a reflash available for your trailblazer. Also clean the carbon out of the throttle body.
Was this
answer
helpful?
Yes
No
+1
Saturday, February 18th, 2012 AT 10:35 PM

Please login or register to post a reply.