How to replace ignition lock tumbler?

Tiny
GEEBEE
  • MEMBER
  • 2003 CHEVROLET SILVERADO
  • 4.8L
  • 6 CYL
  • 2WD
  • AUTOMATIC
  • 226,000 MILES
I need to remove & replace the ignition cylinder housing but to get to the screws I must first remove the turn signal canceling CAM which is being held in place with either a pressure locking ring or a pressed on ring of some type. Which one it i? I don't know. Which is the problem, HELP Please
Tuesday, May 20th, 2014 AT 3:43 PM

42 Replies

Tiny
HMAC300
  • MECHANIC
  • 48,601 POSTS
Here is how you replace the ignition tumbler

Disable the SIR system. Refer to ZONE 3.
Remove the upper and lower trim covers. Refer to Steering Column Trim Covers Replacement.
IMPORTANT: The abrasion sleeve located on the steering column wire harness assembly must be reinstalled. Make note of what connector is coming out of the abrasion sleeve for installation purposes.

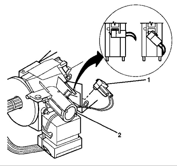
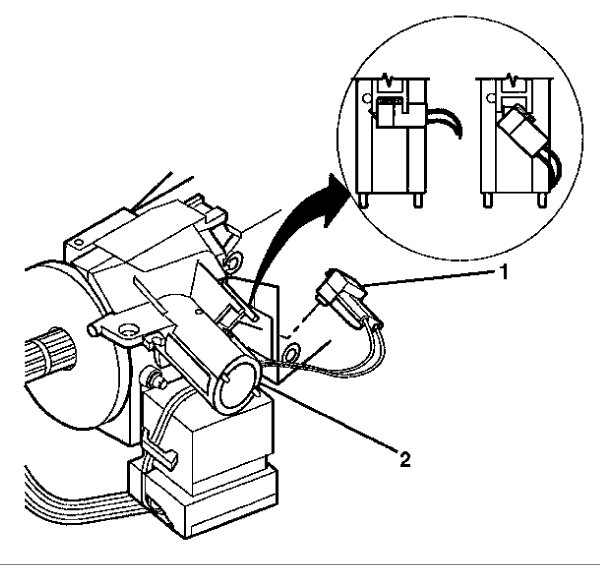
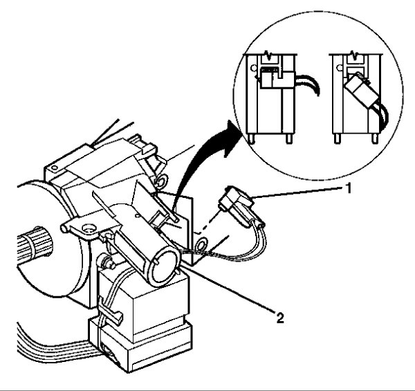
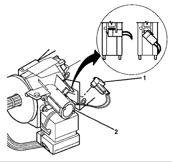
Remove the wire harness strap (2) from the steering column and the wire harness assembly (1).
Fig. 36: Remove Wire Harness Strap & Wire Harness Assembly
Courtesy of GENERAL MOTORS CORP.
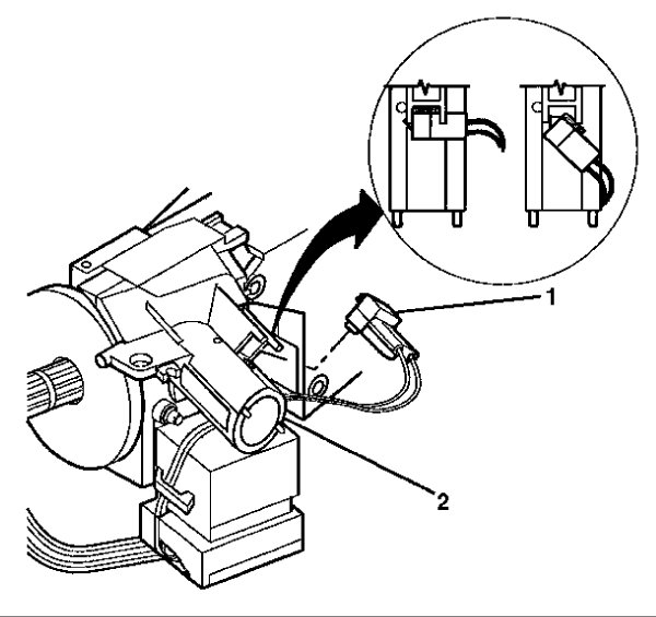
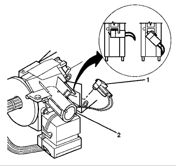
Slide the 2 connectors (2) of the turn signal and multifunction switch assembly out of the bulkhead connector (1).
Fig. 37: Slide 2 Connectors Out Of Bulkhead Connector
Courtesy of GENERAL MOTORS CORP.
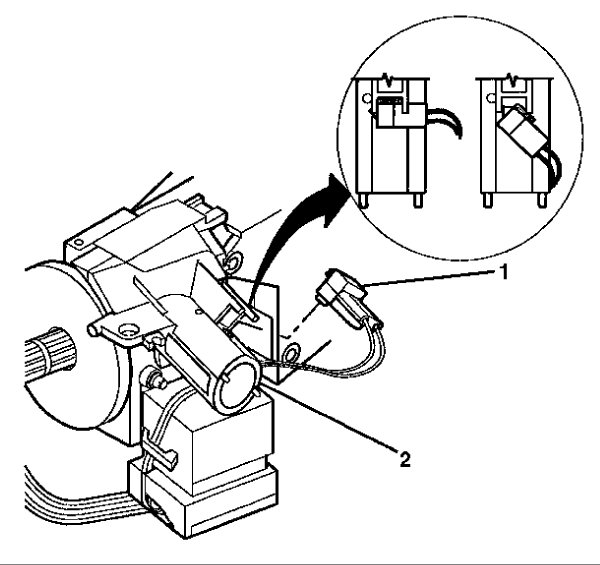
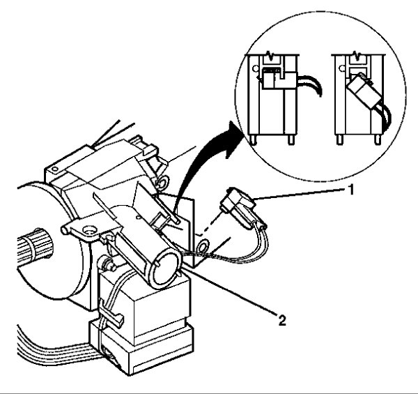
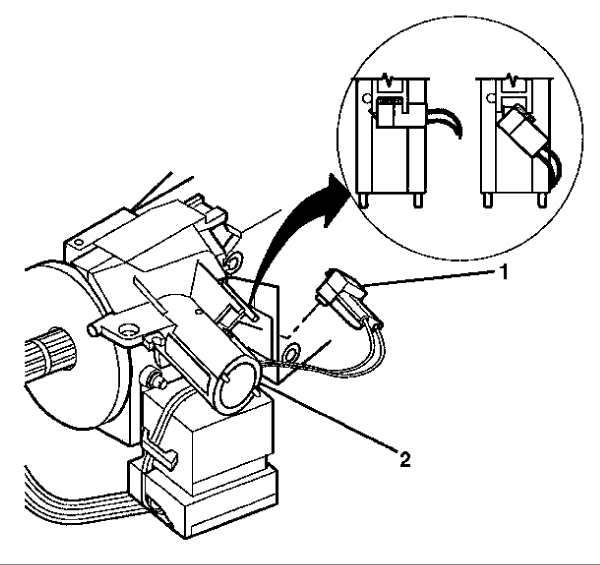
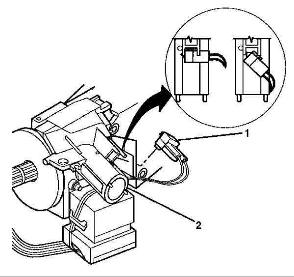
Rotate the key alarm connector (1) 90 degrees.
Pull the key alarm connector (1) out of the ignition lock cylinder case (2).
Remove the passkey connector from the ignition lock cylinder case (2).
Fig. 38: Key Alarm Connector & Ignition Lock Cylinder Case
Courtesy of GENERAL MOTORS CORP.
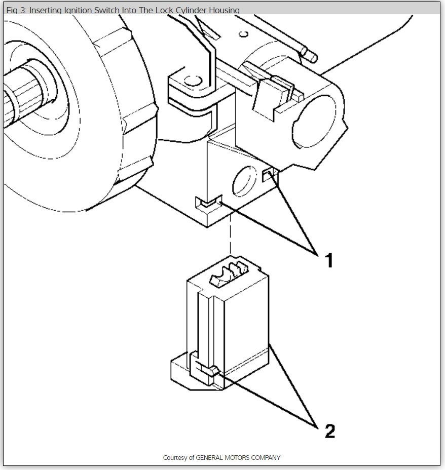
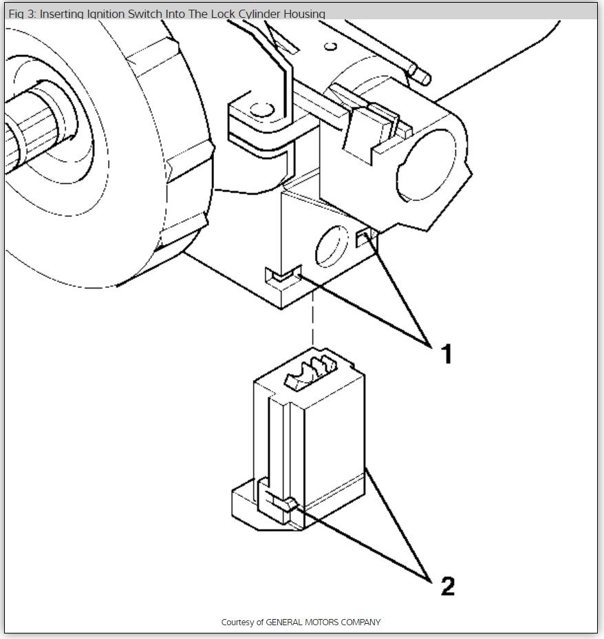
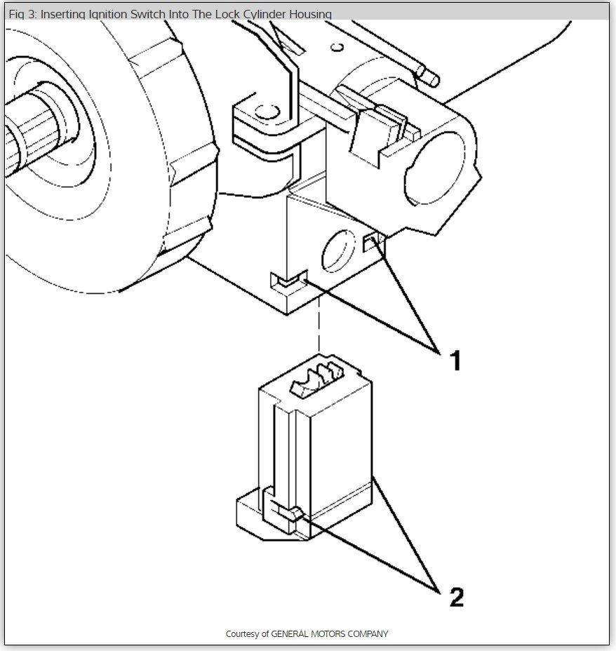
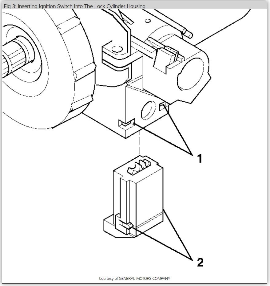
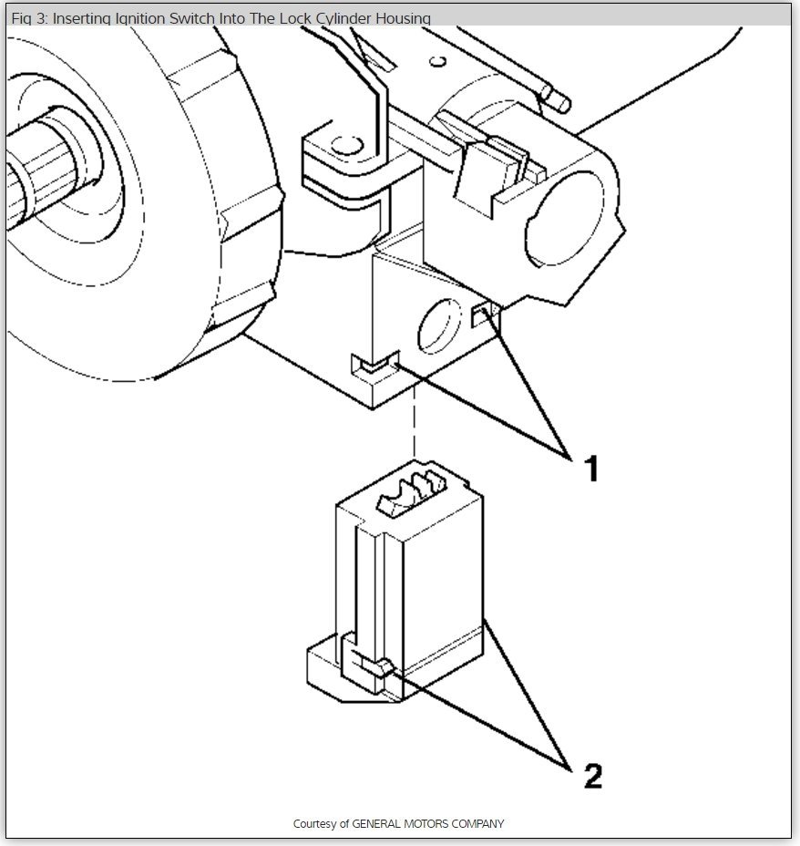
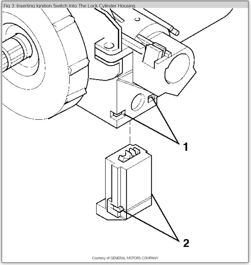
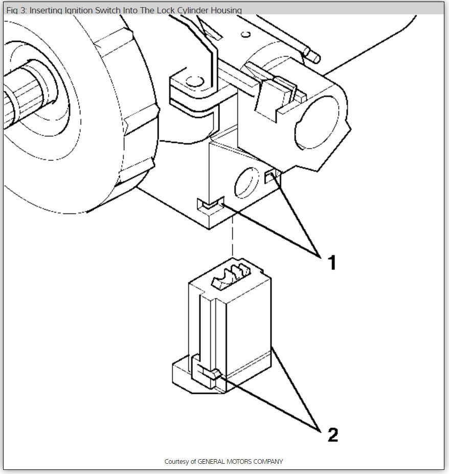
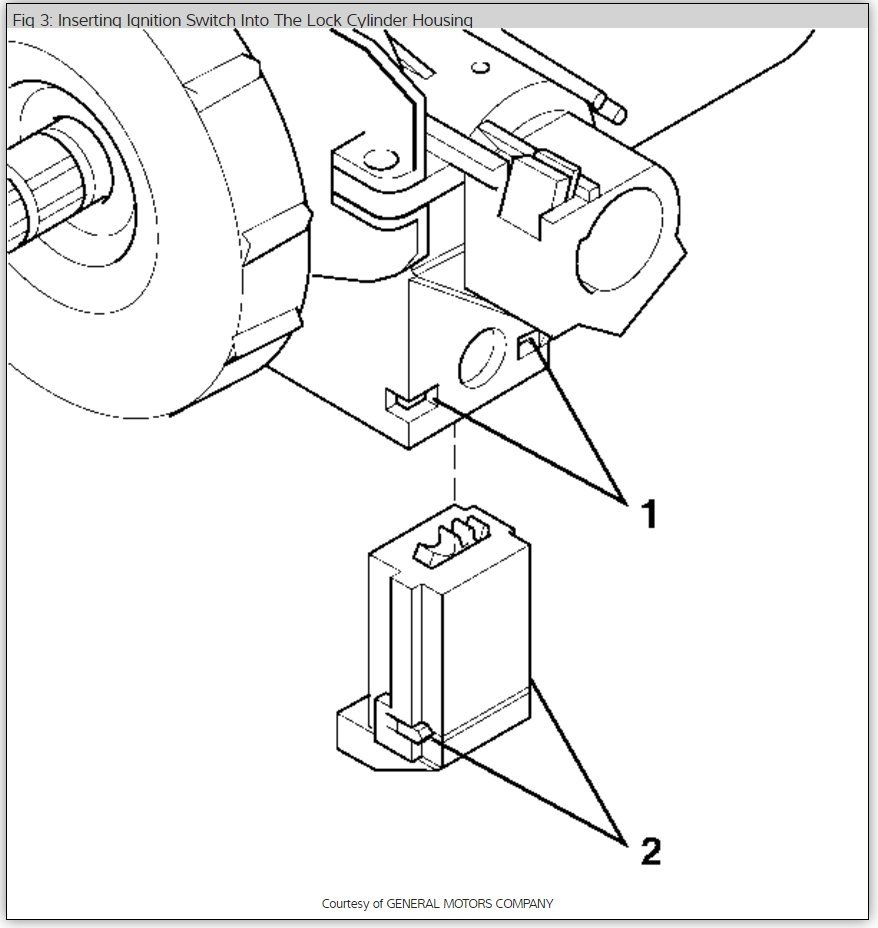
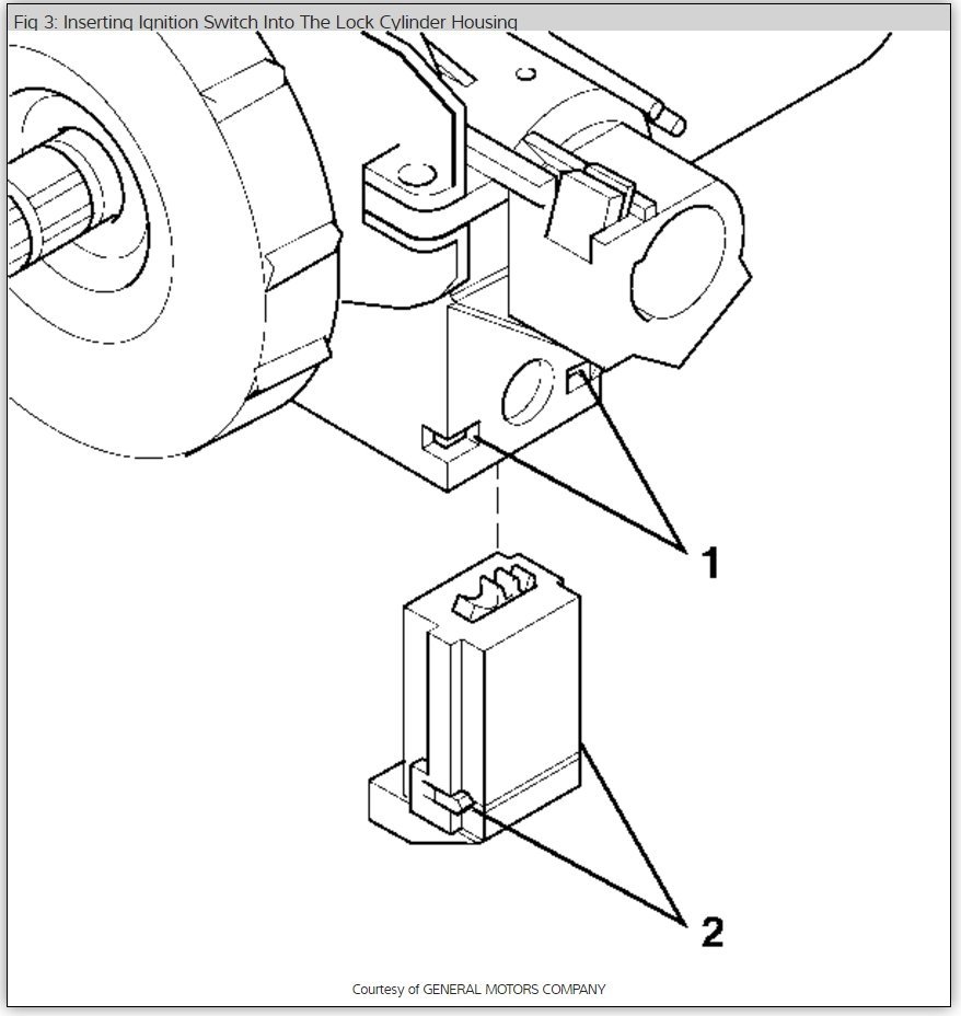
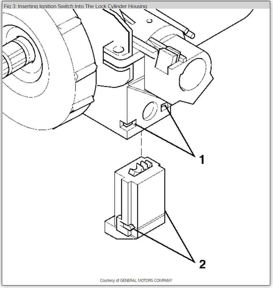
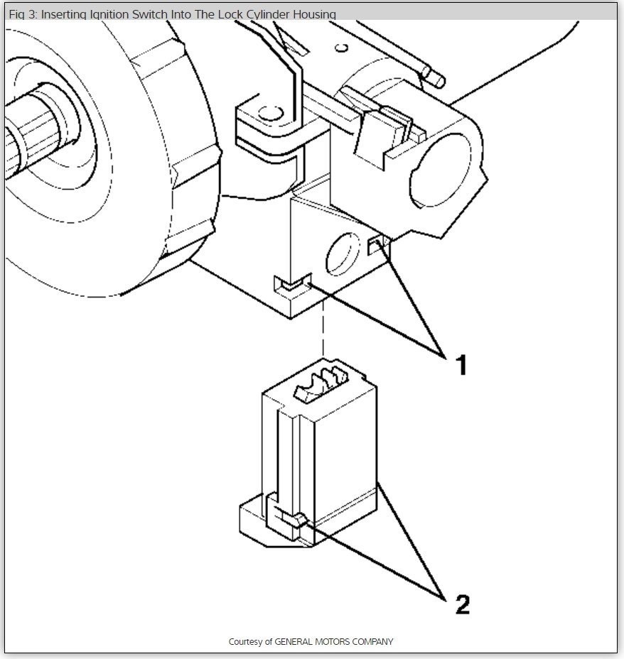
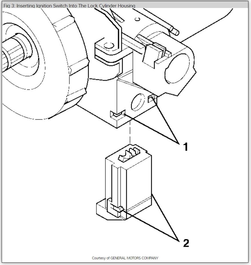
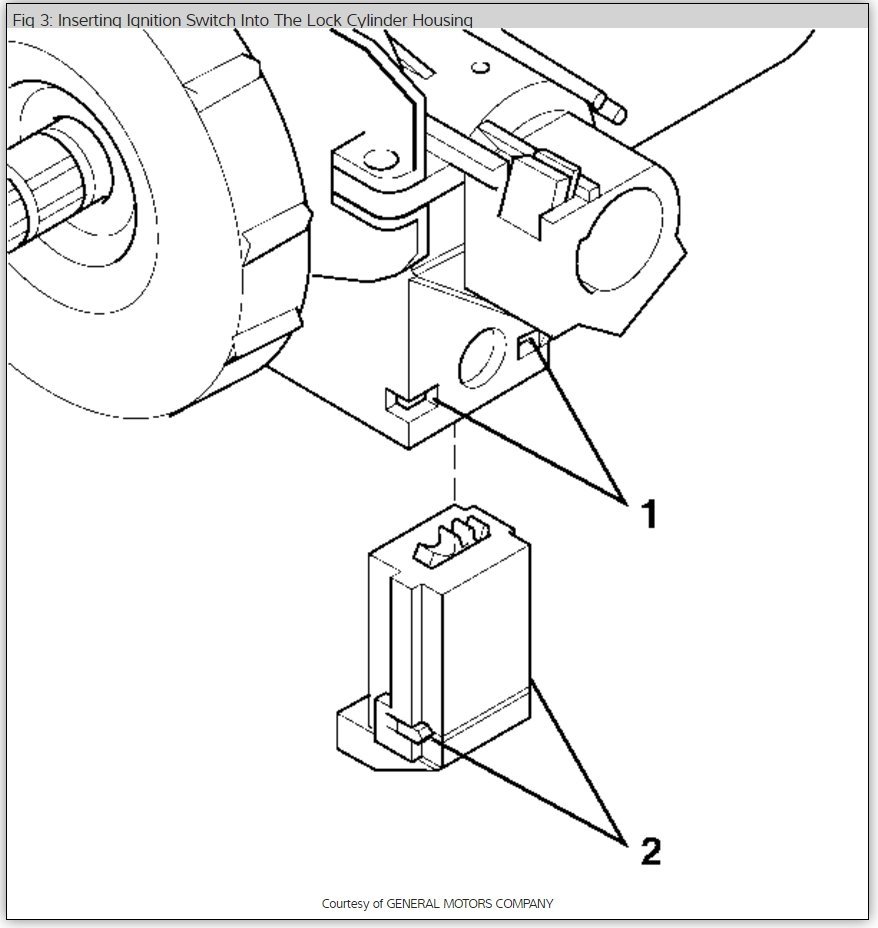
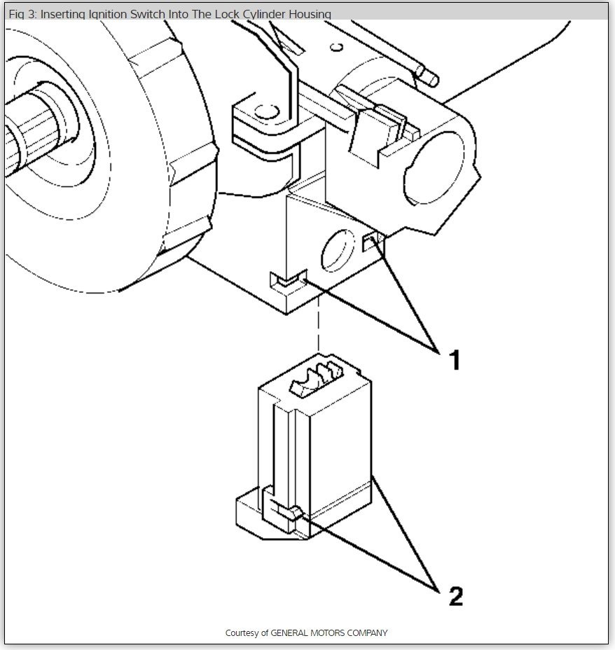
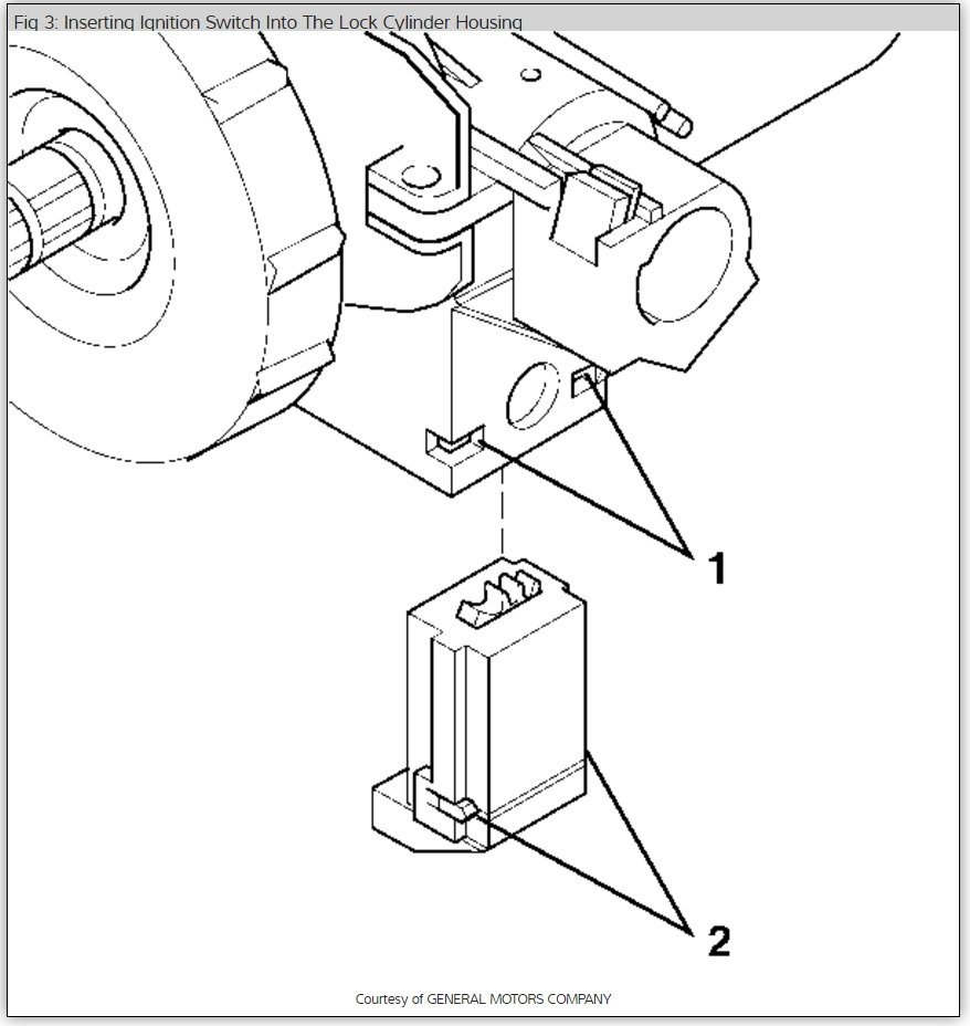
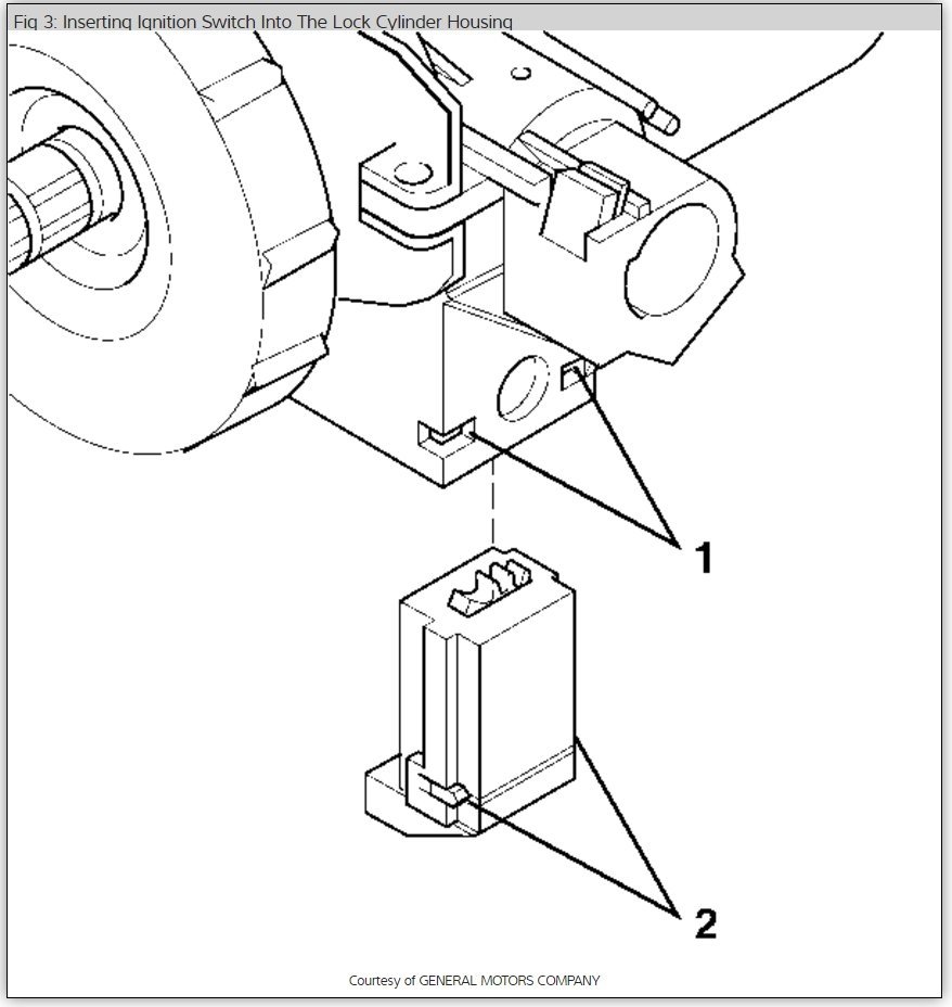
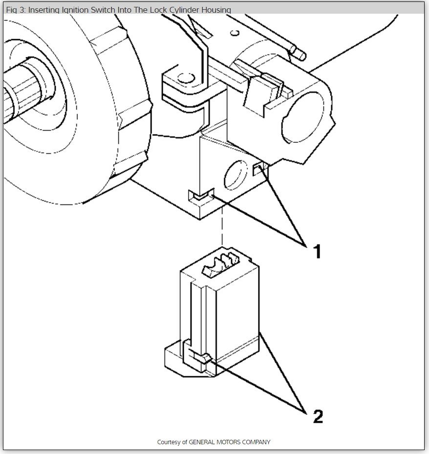
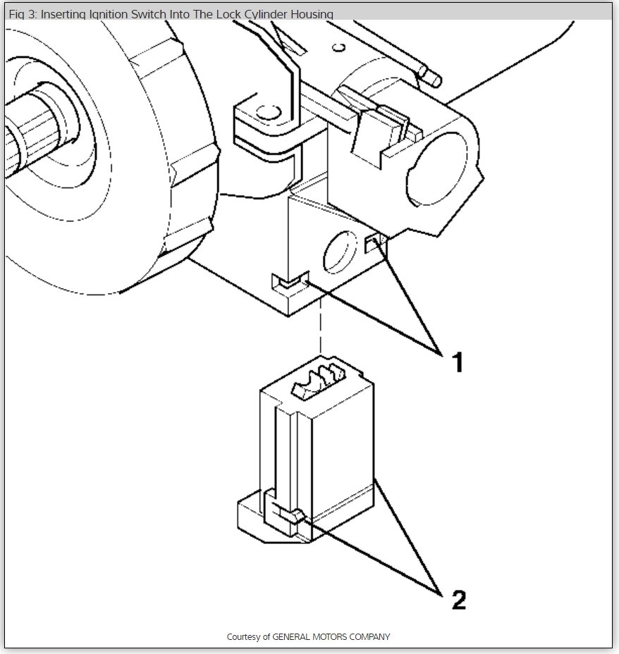
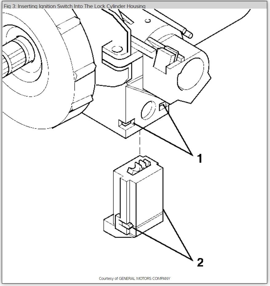
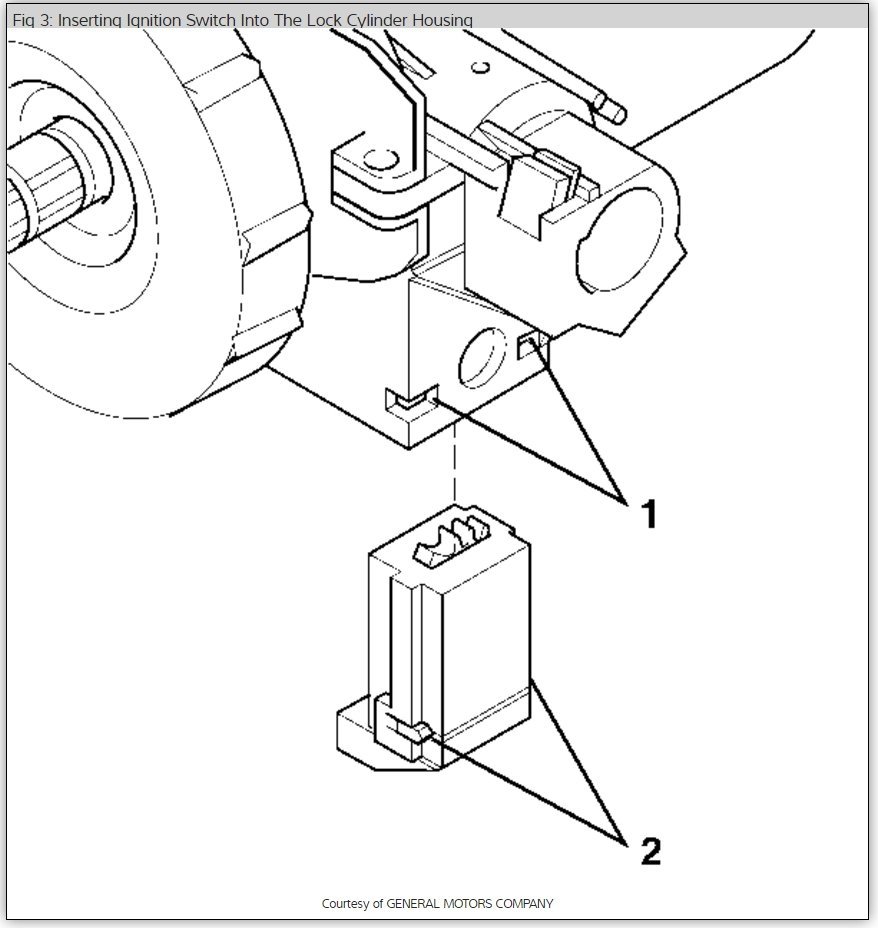
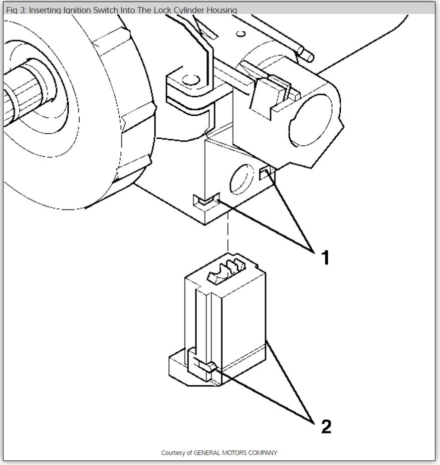
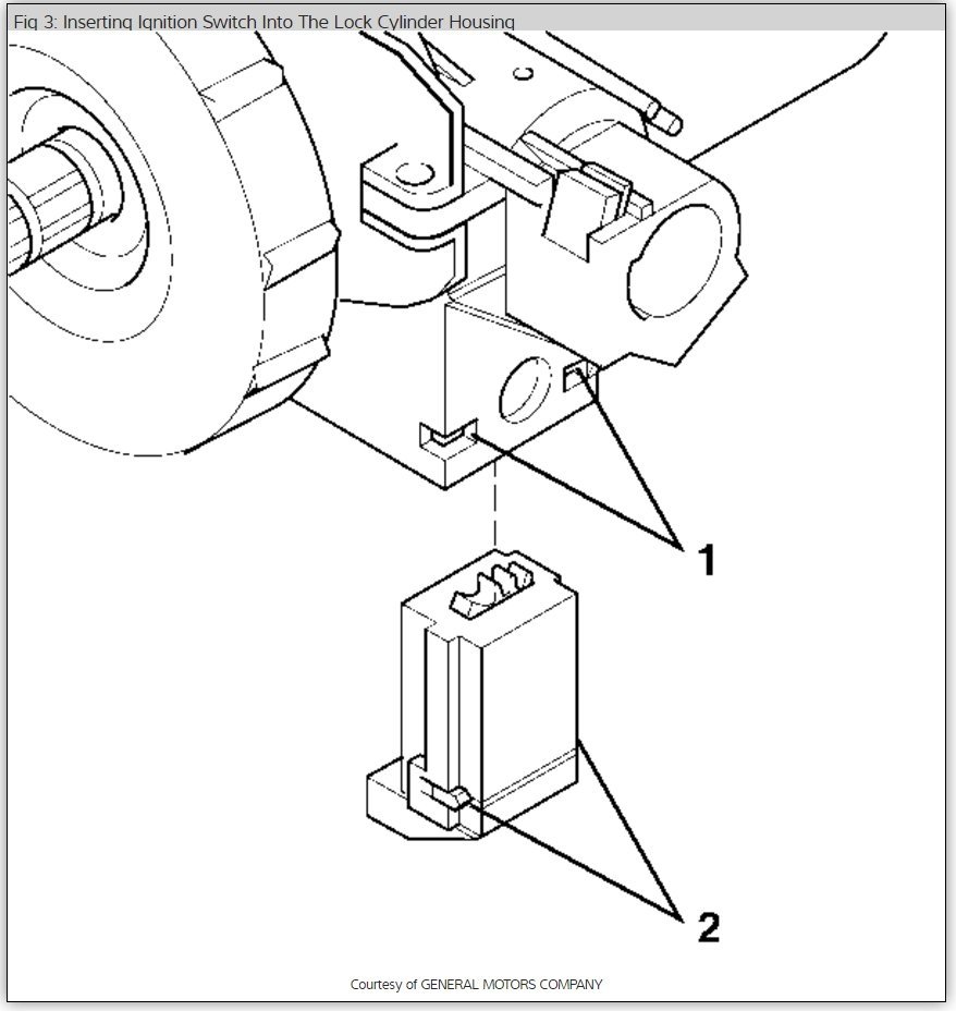
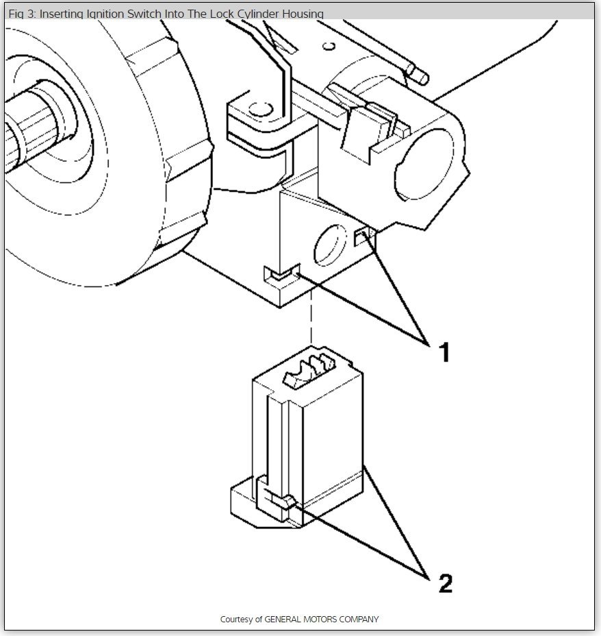
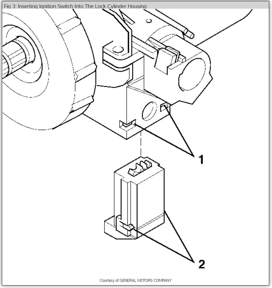
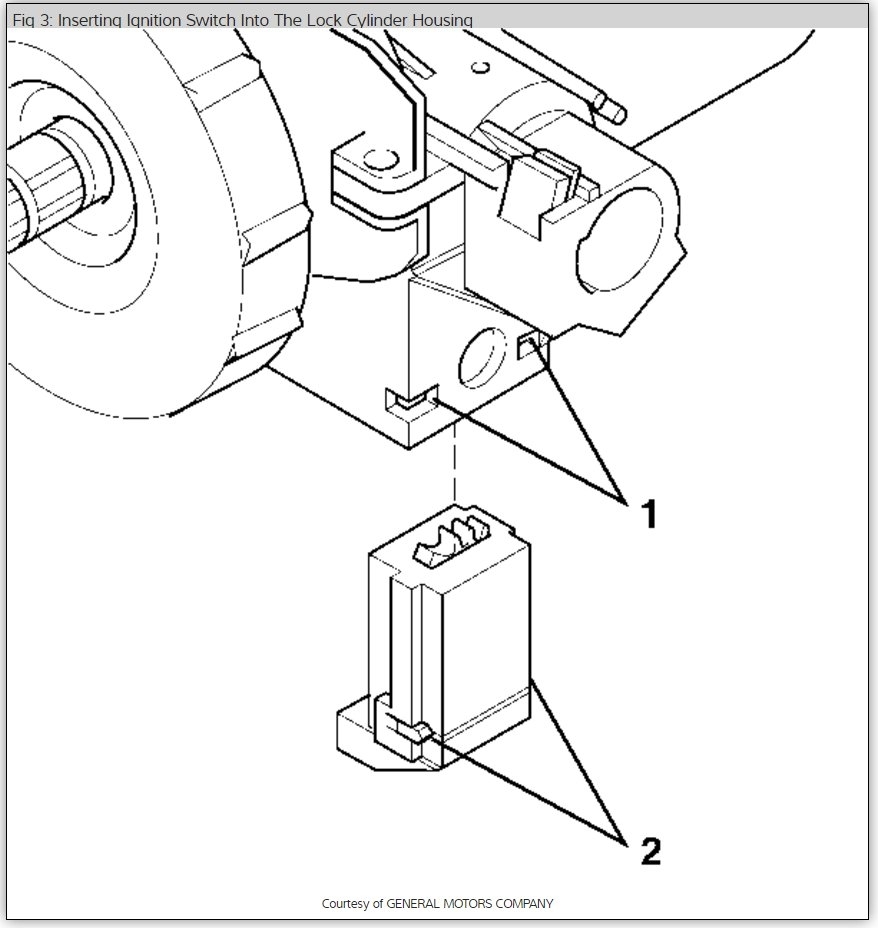
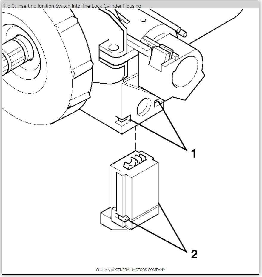
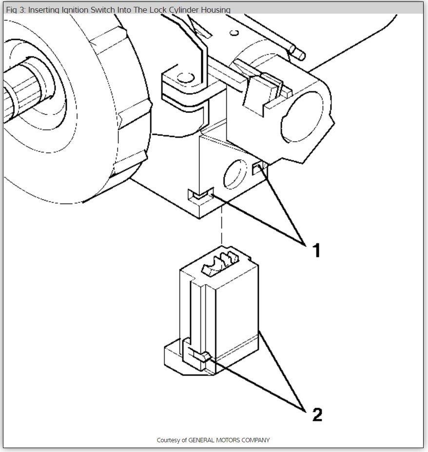
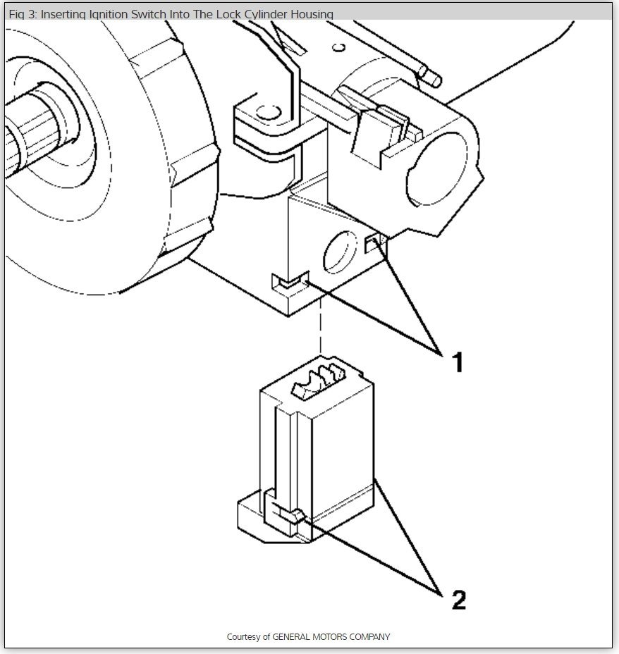
Insert J 42759 into the ignition lock cylinder case (1) and slide the ignition switch (2) out

Check out the diagrams (Below). Please let us know if you need anything else to get the problem fixed.
Was this
answer
helpful?
Yes
No
+5
Tuesday, May 20th, 2014 AT 4:29 PM
Tiny
VTURA
  • MEMBER
  • 1 POST
  • 2003 CHEVROLET SILVERADO
  • 6 CYL
  • 2WD
  • AUTOMATIC
  • 105,000 MILES
The ignition switch will not turn w/o pulling the shifter upward and it takes a few tries. What needs fixed the ignition switch or shifter cable needs adjusted?
Was this
answer
helpful?
Yes
No
+1
Thursday, May 13th, 2021 AT 7:14 PM (Merged)
Tiny
JACOBANDNICKOLAS
  • MECHANIC
  • 110,194 POSTS
I would start by trying to adjust the linkage. It sounds like it isn't allowing the shifter to return to the park position. If not you need to replace the tumbler here is how. Check out the diagrams (Below). Please let us know if you need anything else to get the problem fixed.
Was this
answer
helpful?
Yes
No
-1
Thursday, May 13th, 2021 AT 7:14 PM (Merged)
Tiny
FREEHAUFCHEVY
  • MEMBER
  • 1 POST
  • 2002 CHEVROLET SILVERADO
  • V8
  • 4WD
  • AUTOMATIC
  • 164,000 MILES
How do I replace ignition lock cylinder, the cylinder is completely locked up the key WONT turn to the run position.
Was this
answer
helpful?
Yes
No
Thursday, May 13th, 2021 AT 7:14 PM (Merged)
Tiny
BLUELIGHTNIN6
  • MECHANIC
  • 16,542 POSTS
Check out our tips on this common problem to see if you can fix it without replacing lock cylinder.

https://www.2carpros.com/first_things/why_wont_my_ignition_switch_turn.htm

Here is how to change the ignition lock out. Check out the diagrams (Below). Please let us know what happens.
Was this
answer
helpful?
Yes
No
Thursday, May 13th, 2021 AT 7:14 PM (Merged)
Tiny
DDLY88
  • MEMBER
  • 4 POSTS
  • 2002 CHEVROLET SILVERADO
  • 5.3L
  • V8
  • 4WD
  • AUTOMATIC
  • 240,000 MILES
So I found someone online that has has the parts I need for my truck that were damaged such as:

Ignition/ Lock cylinder
Ignition housing

And because my truck has the pass lock sensor on the ignition (chip with 3 wires red/white, yellow, black/orange).
I can't afford to buy all brand new so I did manage to find a guy parting out his truck same year make and model as mine so I got the ignition housing as well as the ignition lock and key for my truck but now I'm just wondering if I got the BCM and PCM out of his truck too that if I took all that and put it in my truck would it work or would I still have to program the key get it flashed etc? I just want to make sure I have everything before I go putting the parts in my truck, but if I had the computer and all that out of his truck with his ignition and key etc, and swapped it out with the broken parts in my truck I shouldn't have any issue should I other than a hard reset on my truck. Maybe I'm not knowing because technically the parts out of his truck is programed to his key, so if I have all his original parts into mine isn't that kind of tricking my truck or whichever the computer would be programed to his key etc. So would I have any issues or what would you suggest?
Was this
answer
helpful?
Yes
No
Thursday, May 13th, 2021 AT 7:14 PM (Merged)
Tiny
KASEKENNY
  • MECHANIC
  • 18,907 POSTS
I am attaching the processes for each one of these components however, you should be able to just replace the damaged parts and then do the key programming feature that is included as well and the vehicle will be fine. The cylinder/housing just contain the ring to pick up the key.

Review the material and let us know if you have other questions.
Was this
answer
helpful?
Yes
No
-1
Thursday, May 13th, 2021 AT 7:14 PM (Merged)
Tiny
DODIE BAKER ZEDEK
  • MEMBER
  • 1 POST
  • 2002 CHEVROLET SILVERADO
  • 8.0L
  • 100,000 MILES
Need pictures and or explanation of how to do details on how to remove and reinstall the key tumbler.
Was this
answer
helpful?
Yes
No
-1
Thursday, May 13th, 2021 AT 7:14 PM (Merged)
Tiny
STEVE W.
  • MECHANIC
  • 15,697 POSTS
Do you have a scan tool that can reset the security system to the new ignition cylinder? If not you can change it out, but the truck will not start until it is coded correctly.
Also if the current cylinder does not operate it gets much more difficult.

Removal is simple.
Disconnect the battery negative cable.
Remove the lower trim panel below the dash.
Remove the top and bottom covers from the steering column.
You must check for two pan head tapping screws in the lower trim before removal.
You must check for one TORX (R) head screw in the upper trim cover before removal.
(These may or may not be there, it depends on build date and if someone else worked on the truck and broke the tabs that normally lock the covers in place

Remove the steering wheel
If you have tilt wheel you may be able to skip removing the lower trim panel or the wheel, I have had a 50/50 mix on that, you can move the wheel up/down to get room to remove the covers.

Now insert a small allen wrench into the hole above the cylinder.
Insert the key and turn the cylinder to the "run" position.
Push down on the release pin and pull the cylinder straight out.

Reverse the process to install the new one.
If anything moved the ignition switch in between replacement, use a screwdriver to reach into the switch, turn it to start and let it return to the run position.

Then program the security system so it recognizes the new cylinder and key.

What is the issue with the current cylinder? Lost key? Key does not work?
Was this
answer
helpful?
Yes
No
-2
Thursday, May 13th, 2021 AT 7:14 PM (Merged)
Tiny
RANDYVAN03
  • MEMBER
  • 1 POST
  • 2001 CHEVROLET SILVERADO
  • 5.3L
  • V8
  • 2WD
  • 250,000 MILES
Someone tried to steal my truck and broke the ignition. It will not turn over with the key. Is there a way to get it started so I can take it and have it repaired. I cannot get the key to turn so I cannot remove the lock cylinder.
Was this
answer
helpful?
Yes
No
-1
Thursday, May 13th, 2021 AT 7:14 PM (Merged)
Tiny
KASEKENNY
  • MECHANIC
  • 18,907 POSTS
If the key does not turn then unfortunately you will not be able to remove it without drilling it out. So you are going to have to run a drill into it so that you hollow out the tumblers and then the key will turn. Clearly it will not start the vehicle this way but you will be able to remove it and replace it at that point.

Here is a guide that talks about this:

https://www.2carpros.com/articles/ignition-switch-wont-turn-stuck

I attached the instructions below on how to change it out.

Let us know if you have questions. Thanks
Was this
answer
helpful?
Yes
No
-1
Thursday, May 13th, 2021 AT 7:14 PM (Merged)
Tiny
BIANCO1971
  • MEMBER
  • 2 POSTS
  • 2001 CHEVROLET SILVERADO
  • 5.3L
  • V8
  • 4WD
  • AUTOMATIC
  • 200,000 MILES
I am trying to replace the ignition lock cylinder in my truck. I had removed the ignition switch and inadvertently my buddy messed with it and changed the position of the gear. Now I have no idea what position it should be in to get it aligned right with the lock cylinder. Can you help me please?
Was this
answer
helpful?
Yes
No
-1
Thursday, May 13th, 2021 AT 7:14 PM (Merged)
Tiny
SCGRANTURISMO
  • MECHANIC
  • 4,897 POSTS
Hello,

I have included the information that you requested in the diagrams down below. Please go through it and get back to us and let us know how it turns out. If you have any other vehicle related questions, please, don't hesitate to ask. That is what we are here for.

Thanks,
Alex
2CarPros
Was this
answer
helpful?
Yes
No
-1
Thursday, May 13th, 2021 AT 7:14 PM (Merged)
Tiny
BIANCO1971
  • MEMBER
  • 2 POSTS
My question was actually in regards to the position of the ignition switch gear in relation to the lock cylinder. After replacing the ignition lock cylinder and reinstalling the ignition switch I put a new battery in it. I have door buzzer sounds and a flashing security light with a no crank, no start. It doesnt feel like the key is springing back from the start position. I have to manually turn it back.
Was this
answer
helpful?
Yes
No
-1
Thursday, May 13th, 2021 AT 7:14 PM (Merged)
Tiny
SCGRANTURISMO
  • MECHANIC
  • 4,897 POSTS
Hello,

This sounds like you might need to do a relearn procedure. I have included a description of the anti theft system, how it works, and the factory relearn procedure in the diagrams down below. Please go through the information and the guide and get back to us with what you able to find out, please.

Thanks,
Alex
2CarPros
Was this
answer
helpful?
Yes
No
+1
Thursday, May 13th, 2021 AT 7:14 PM (Merged)
Tiny
NICHOLASCHENOWETH
  • MEMBER
  • 1 POST
  • 2000 CHEVROLET SILVERADO
  • 5.3L
  • V8
  • 4WD
  • AUTOMATIC
  • 234,000 MILES
I went to replace my ignition lock cylinder. It came out pretty easy but when I went to go put the new one in it would not fit. Well, I thought it might have been the ignition lock housing so I ordered the piece. It turned out it was not the right piece because at the end of the ignition lock housing there is another piece that hooks onto that. The ignition lock cylinder at the very end of the little square piece is suppose to slide right into the rectangle piece. I tried to manually start the truck but it is waiting to manually start if I use a screw driver. It will just do a complete 160. So I have no idea what the part is called and it is kind of confusing me. After I took out the ignition lock cylinder all my lights came on and would not go off so I unhooked battery.
Was this
answer
helpful?
Yes
No
Thursday, May 13th, 2021 AT 7:14 PM (Merged)
Tiny
JACOBANDNICKOLAS
  • MECHANIC
  • 110,194 POSTS
Hi and thanks for using 2CarPros. Com. I have attached the procedure for replacing the ignition switch. Check to make sure you did not miss anything. Additionally, there are several pictures which related to these directions.

SERVICE AND REPAIR
IGNITION SWITCH REPLACEMENT-ON VEHICLE

Removal Procedure

Disable SIR system, refer to See: Body and FrameAir Bag(s) Arming and Disarming
Remove the trim covers from the column, refer to Steering Column Trim Covers-Replacement. See: Steering and SuspensionSteeringSteering ColumnService and Repair- With Tilt Column
Disconnect the steering column electrical connectors.
Remove the wire harness assembly (1) from the wire harness strap (2).
Remove and dispose of the small wire harness straps from the wire harness assembly (1).
Slide the two connectors (2) of the turn signal and multi-function switch assembly out of the bulkhead connector (1).
Remove the key alarm connector (1) from the lock module assembly (2).
7.1. Rotate the key alarm connector (1) 90 degrees.
7.2 Pull the key alarm connector (1) out of the lock module assembly (2).
Remove the two tapping screws (2) from the ignition and key alarm switch assembly (1).
Installation Procedure
Install the ignition and key alarm switch assembly (1) onto the lock module assembly.
Notice : Use the correct fastener in the correct location. Replacement fasteners must be the correct part number for that application. Fasteners requiring replacement or fasteners requiring the use of thread locking compound or sealant are identified in the service procedure. Do not use paints, lubricants, or corrosion inhibitors on fasteners or fastener joint surfaces unless specified. These coatings affect fastener torque and joint clamping force and may damage the fastener. Use the correct tightening sequence and specifications when installing fasteners in order to avoid damage to parts and systems.
Screw the two tapping screws (2) into the ignition and key alarm switch assembly (1).
Tighten the two tapping screws to 1.5 Nm (13 lb. In).
Install the key alarm connector (1) into the lock module assembly (2).
4.1. Push the key alarm connector (1) into the lock module assembly (2).
4.2. Rotate the key alarm connector (1) 90 degrees so that the key alarm connector (1) locks into place.
Slide the two connectors (2) of the turn signal and multi-function switch assembly into the bulkhead connector (1).
Connect the steering column electrical connectors.
Attach new wire harness straps to the wire harness assembly (1).
Install the wire harness assembly (1) to the wire harness strap (2).
Install the trim covers to the column, refer to Steering Column Trim Covers-Replacement. See: Steering and SuspensionSteeringSteering ColumnService and Repair- With Tilt Column
Enable the SIR system, refer to See: Body and FrameAir Bag(s) Arming and Disarming

________________________________________________________

Review the directions and pictures and let me know if you do not find what you need or have other questions.

Take care,
Joe
Was this
answer
helpful?
Yes
No
Thursday, May 13th, 2021 AT 7:15 PM (Merged)
Tiny
SEAN HORNSTRA
  • MEMBER
  • 1 POST
  • 1999 CHEVROLET SILVERADO
  • 5.3L
  • V8
  • 4WD
  • AUTOMATIC
  • 140,000 MILES
My key-switch is stuck in the accessories position and will not turn any. You can move the gear shifter in and out but cannot pull the key out of the ignition and it will not budge any. It has never acted up or anything before.
Was this
answer
helpful?
Yes
No
Thursday, May 13th, 2021 AT 7:15 PM (Merged)
Tiny
KEN L
  • MASTER CERTIFIED MECHANIC
  • 55,488 POSTS
Hello,

Yep it sounds like the key tumbler had fallen apart and needs replacement. Here is some guides (below) that will show you how to get the job done.

Please let us know what happens.

Cheers, Ken
Was this
answer
helpful?
Yes
No
Thursday, May 13th, 2021 AT 7:15 PM (Merged)
Tiny
RHOLDER
  • MEMBER
  • 1 POST
  • 1998 CHEVROLET SILVERADO
  • V8
  • 4WD
  • AUTOMATIC
  • 200,000 MILES
What are the first steps in replacement? Should I be concerned about the airbag.
Was this
answer
helpful?
Yes
No
Thursday, May 13th, 2021 AT 7:15 PM (Merged)

Please login or register to post a reply.