My both turn signals flash fast at the same time

Tiny
ANONYMOUS
  • MEMBER
  • 2003 CHEVROLET MONTE CARLO
  • 99,000 MILES
My both turn signals flash fast at the same time
Tuesday, January 1st, 2013 AT 12:14 AM

12 Replies

Tiny
KEN L
  • MASTER CERTIFIED MECHANIC
  • 55,488 POSTS
Hello,

It sounds like you have a turn signal switch that is shorted or hazard flasher which is the turn signal flasher that is out. They had big problems with the unit in these cars.

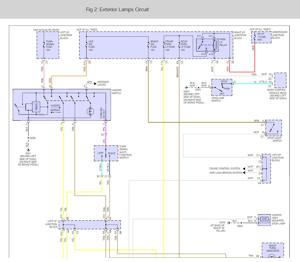
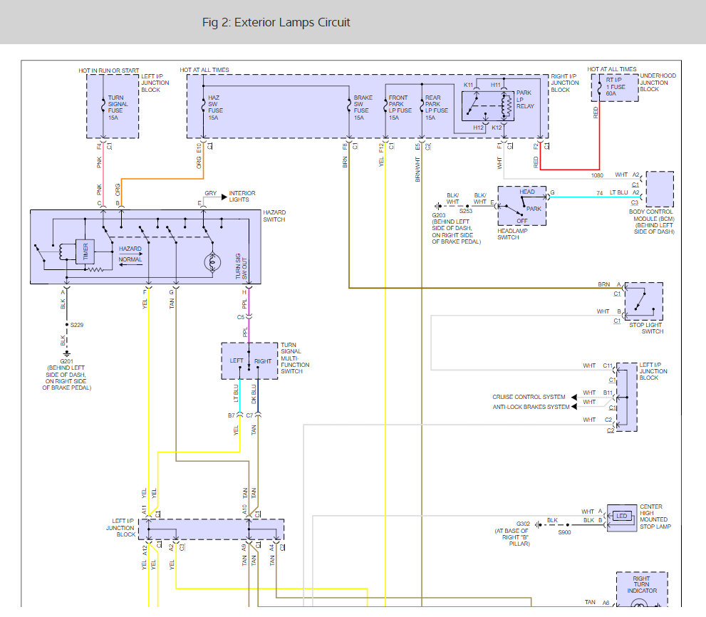
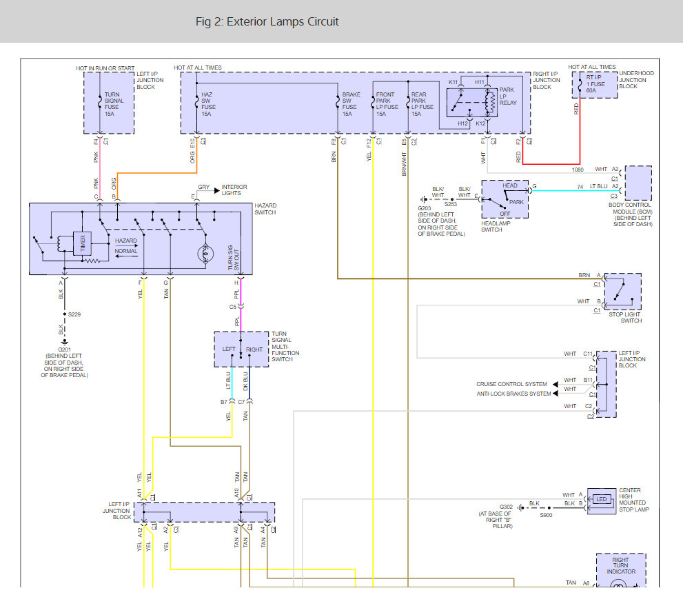
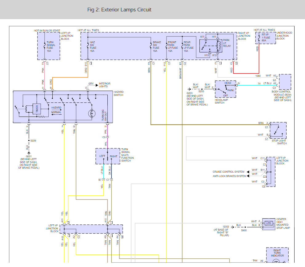
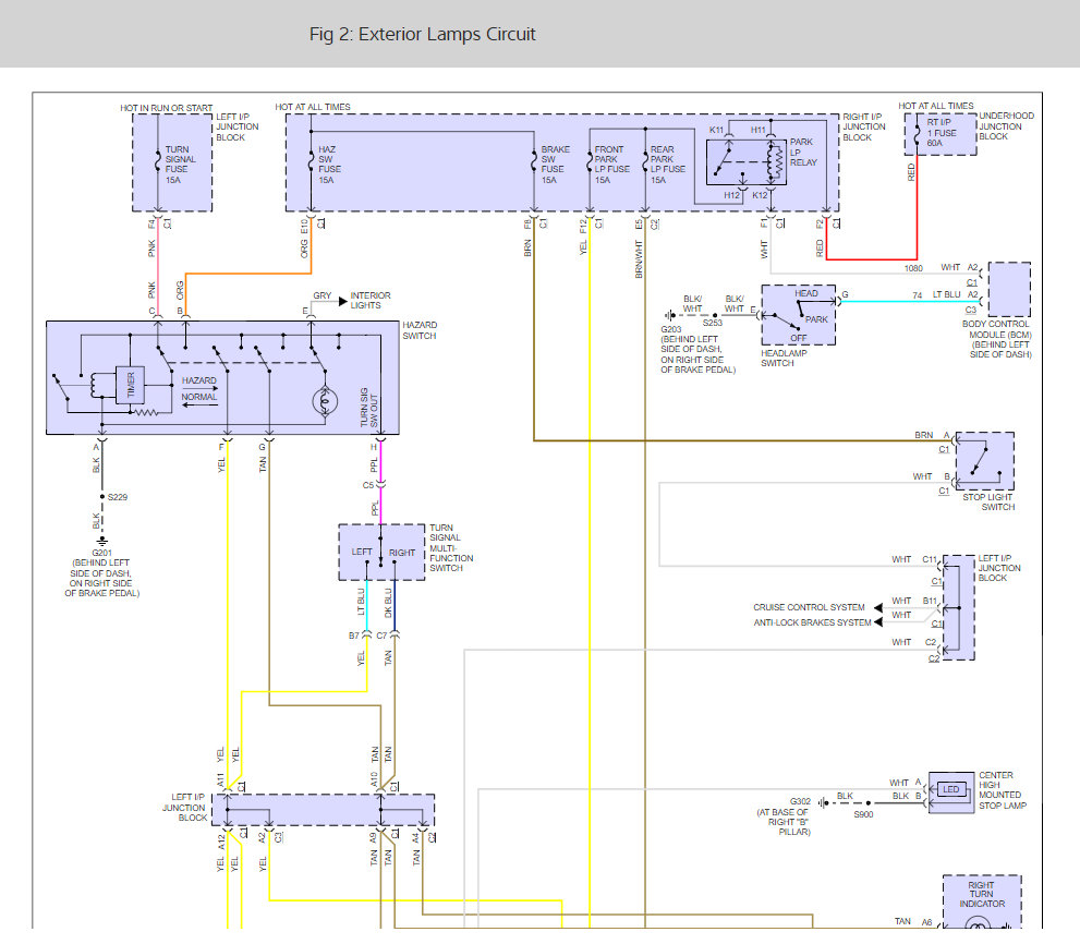
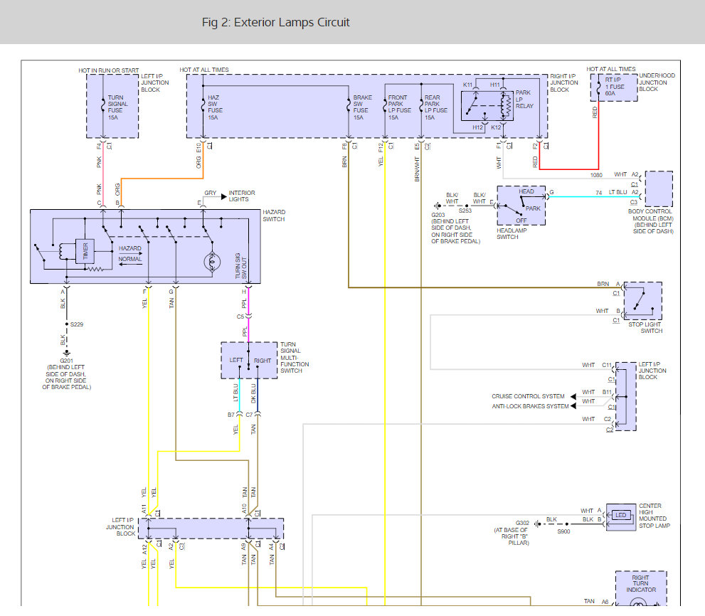
Here are some guides so you can confirm the issue test through the switch using the wiring diagrams below.

https://www.2carpros.com/articles/how-to-use-a-test-light-circuit-tester

Diagrams (below)

Please let us know what happens.

Cheers, Ken
Was this
answer
helpful?
Yes
No
Monday, October 23rd, 2017 AT 4:18 PM
Tiny
EDDIE310
  • MEMBER
  • 1 POST
  • 2003 CHEVROLET MONTE CARLO
  • 130,000 MILES
I have a 2003 monte carlo. Ive notice as I was driving I wanted to turn on a on a street. So I put on turn signal and then after 5 secs the the blinker on my dash went away. So I pulled over and did a test and again after 5 secs it went away again. What can this be. Its killing me. Please help mr 1 a auto. Thankz. Your
fan Eddie.
Was this
answer
helpful?
Yes
No
Monday, October 23rd, 2017 AT 4:19 PM (Merged)
Tiny
HMAC300
  • MECHANIC
  • 48,601 POSTS
Check your bulbs first then it may be the flasher which is an integral part of hazard switch near center of dash
Was this
answer
helpful?
Yes
No
Monday, October 23rd, 2017 AT 4:19 PM (Merged)
Tiny
FWILDER7
  • MEMBER
  • 1 POST
  • 2004 CHEVROLET MONTE CARLO
Electrical problem
2004 Chevy Monte Carlo 6 cyl Front Wheel Drive Automatic

my turn signals work off and on meaning sometimes they blink sometimes they won't. What can I do to fix this problem?
Was this
answer
helpful?
Yes
No
+2
Monday, October 23rd, 2017 AT 4:19 PM (Merged)
Tiny
INTERNETMECHANIC
  • MECHANIC
  • 700 POSTS
I have seen this problem before it is the turn signal switch.
Was this
answer
helpful?
Yes
No
Monday, October 23rd, 2017 AT 4:19 PM (Merged)
Tiny
RENAUDTN
  • MECHANIC
  • 636 POSTS
Hello there,

You're probably dealing with a bad flasher unit (hazard switch). It's a common occurence on Impala/MonteCarlo. A new unit runs around $35-40 if I remember correctly.
Was this
answer
helpful?
Yes
No
+3
Monday, October 23rd, 2017 AT 4:19 PM (Merged)
Tiny
RCOOK006
  • MEMBER
  • 1 POST
  • 2004 CHEVROLET MONTE CARLO
Electrical problem
2004 Chevy Monte Carlo 6 cyl Front Wheel Drive Automatic

The turn signal light up but will not blink. The hazard will not flash also. This is a 2004 chevy monte carlo.
Was this
answer
helpful?
Yes
No
Monday, October 23rd, 2017 AT 4:19 PM (Merged)
Tiny
KEN L
  • MASTER CERTIFIED MECHANIC
  • 55,488 POSTS
Replace the binker unit, in that car I beleive it is the hazard switch. Please let me know
Was this
answer
helpful?
Yes
No
Monday, October 23rd, 2017 AT 4:19 PM (Merged)
Tiny
MK1
  • MEMBER
  • 2 POSTS
  • 2000 CHEVROLET MONTE CARLO
Electrical problem
2000 Chevy Monte Carlo 6 cyl Front Wheel Drive Automatic
turn signals
sometimes it works sometimes it dosent please tell me the problem
Was this
answer
helpful?
Yes
No
-1
Monday, October 23rd, 2017 AT 4:19 PM (Merged)
Tiny
BLUELIGHTNIN6
  • MECHANIC
  • 16,542 POSTS
Intermittent issues are hard to diagnose, could be failing turn signal switch or sticking flasher signal relay most likely culprits.
Was this
answer
helpful?
Yes
No
Monday, October 23rd, 2017 AT 4:19 PM (Merged)
Tiny
2CP-ARCHIVES
  • MEMBER
  • 4,540 POSTS
  • 2000 CHEVROLET MONTE CARLO
Blinkers work part of the time, changed switch in colum still same thing, no one can figure it out
Was this
answer
helpful?
Yes
No
Monday, October 23rd, 2017 AT 4:19 PM (Merged)
Tiny
ASEMASTER6371
  • MECHANIC
  • 52,796 POSTS
The flasher is the 4 way switch on dash. Have it checked.

Roy
Was this
answer
helpful?
Yes
No
Monday, October 23rd, 2017 AT 4:20 PM (Merged)

Please login or register to post a reply.