No sound coming from the radio, is it a failing amp issue

Tiny
JESSICUHHXSCANZ
  • MEMBER
  • 2003 CHEVROLET IMPALA
  • 100,000 MILES
Hi, my car radio on my car listed above works fine, but no sound comes out. I don't know how to explain it. I just checked my fuses, its not that. I just got my license, so I know nothing about cars. I was hoping this is something I could have a family member fix. Help!
Monday, December 26th, 2011 AT 5:20 PM

33 Replies

Tiny
SATURNTECH9
  • MECHANIC
  • 30,869 POSTS
Have you tried pulling the radio fuses for ten mins and put them back in to see if that resets the radio?Sometimes the radios and other electronics get logic locked.
Was this
answer
helpful?
Yes
No
-3
Monday, December 26th, 2011 AT 5:30 PM
Tiny
JESSICUHHXSCANZ
  • MEMBER
  • 5 POSTS
I think it has to do with the speakers themselves, not so much the radio. The readio itself works fine, its the sound.
Was this
answer
helpful?
Yes
No
-1
Monday, December 26th, 2011 AT 6:27 PM
Tiny
JESSICUHHXSCANZ
  • MEMBER
  • 5 POSTS
I think it has to do with the speakers themselves, not so much the radio. The radio itself works fine, its the sound. Plus, im not sure which one is the radio fuse. I just assumed the one that said "cig/aux" on it was the radio one. Nothing on the panel says radio.
Was this
answer
helpful?
Yes
No
-2
Monday, December 26th, 2011 AT 6:28 PM
Tiny
SATURNTECH9
  • MECHANIC
  • 30,869 POSTS
Your not understanding logic lock its like when your smart phone locks up or doesnt do certain functions and you have to turn it off to reset it. Do have a factory radio or aftermarket?Also if its factory does it have a amplifier?
Was this
answer
helpful?
Yes
No
+4
Monday, December 26th, 2011 AT 8:25 PM
Tiny
JESSICUHHXSCANZ
  • MEMBER
  • 5 POSTS
If by factory, you mean it came with the car, then yes.
Was this
answer
helpful?
Yes
No
+1
Tuesday, December 27th, 2011 AT 2:23 AM
Tiny
SATURNTECH9
  • MECHANIC
  • 30,869 POSTS
Alright is it the radio with the factory amp or the one without?Let me know so I can help you out.
Was this
answer
helpful?
Yes
No
+5
Tuesday, December 27th, 2011 AT 2:34 AM
Tiny
JESSICUHHXSCANZ
  • MEMBER
  • 5 POSTS
Uhm; I know nothing about cars. Haha. Whats a factory amp?
Was this
answer
helpful?
Yes
No
Tuesday, December 27th, 2011 AT 1:55 PM
Tiny
SATURNTECH9
  • MECHANIC
  • 30,869 POSTS
A facory amp would mean you would have a seperate amp that is factory. It would be in the luggage compartment beneath the center of rear package shelf.
Was this
answer
helpful?
Yes
No
Wednesday, December 28th, 2011 AT 1:03 AM
Tiny
ELIZABETH ELLEDGE
  • MEMBER
  • 1 POST
  • 2001 CHEVROLET IMPALA
  • 175,000 MILES
Cannot get the radio to come on. When I use my headlights and the dash glows the radio does too but there is still no sound. All my fuses are fine and the battery is new. Not sure what is going on.
Was this
answer
helpful?
Yes
No
+3
Monday, September 23rd, 2019 AT 12:06 PM (Merged)
Tiny
KEN L
  • MASTER CERTIFIED MECHANIC
  • 55,335 POSTS
Hello,

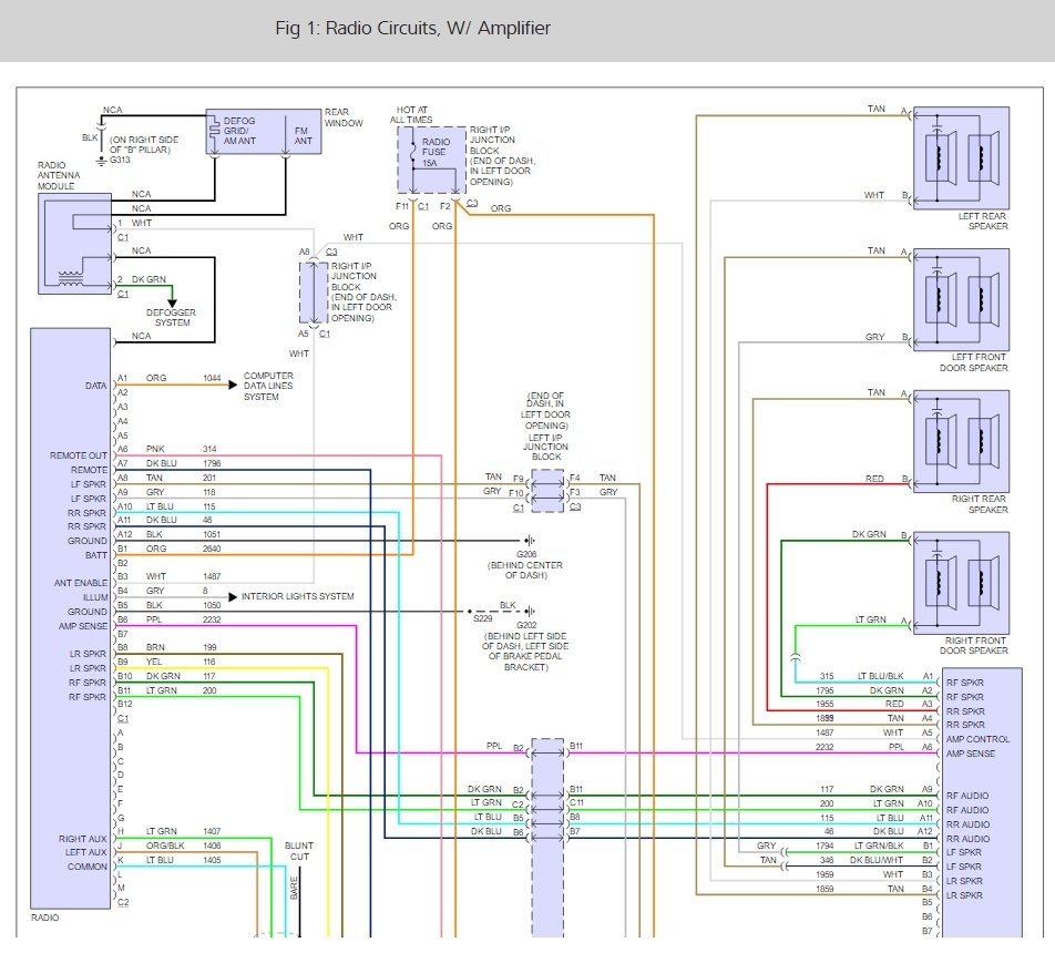
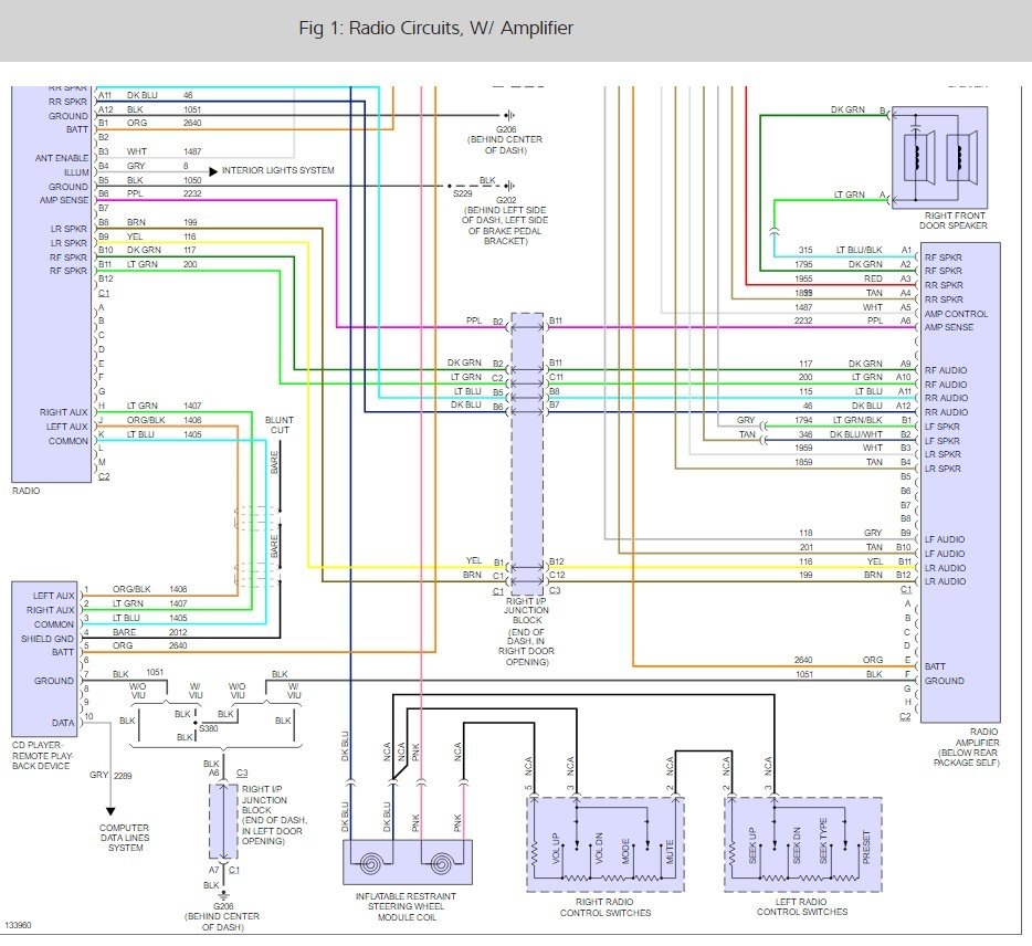
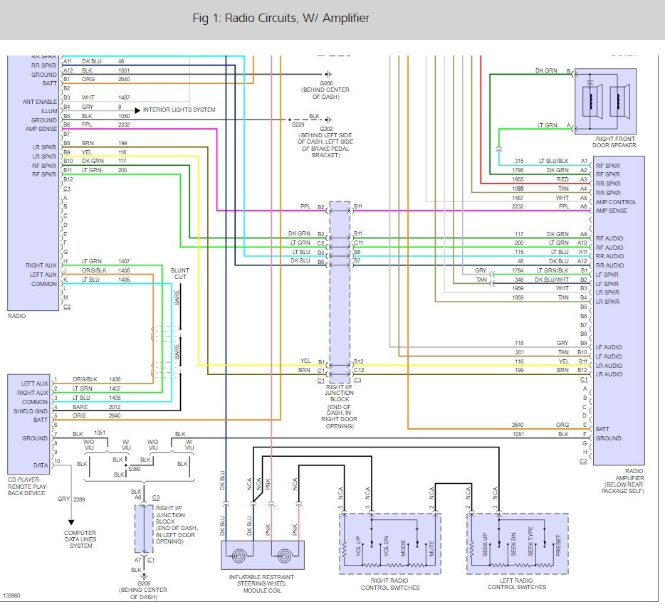
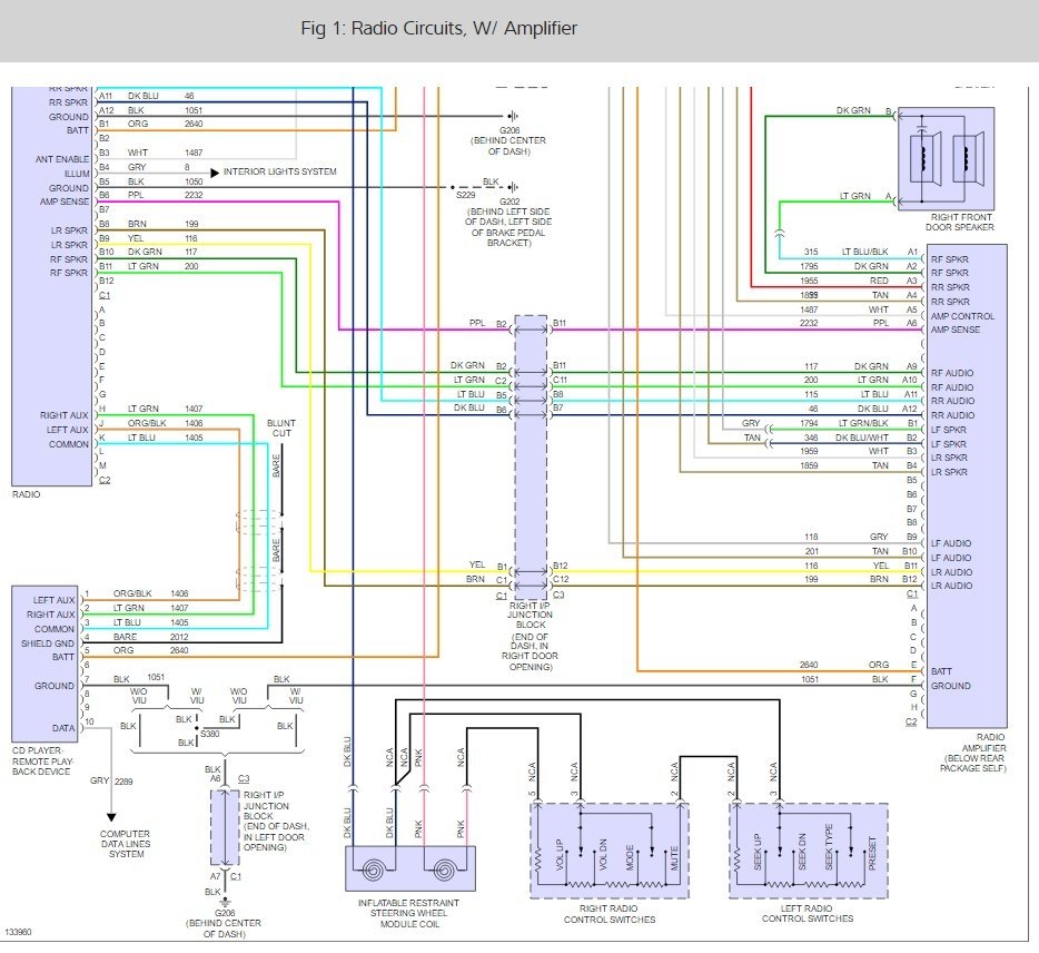
This can be one of two problems, either the radio is not working becasue of a issue inside the unit or the ground or power circuit needs to be checked and fixed.

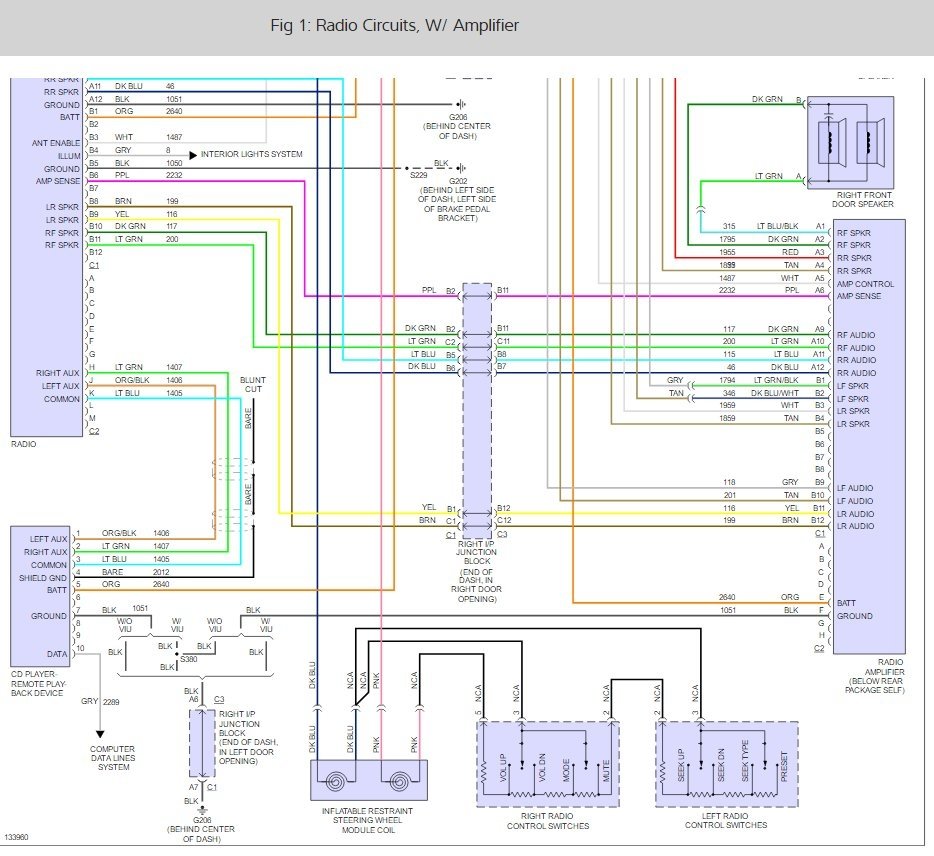
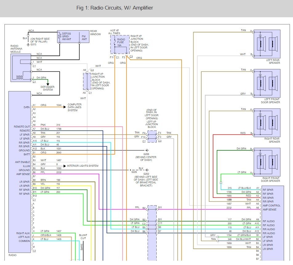
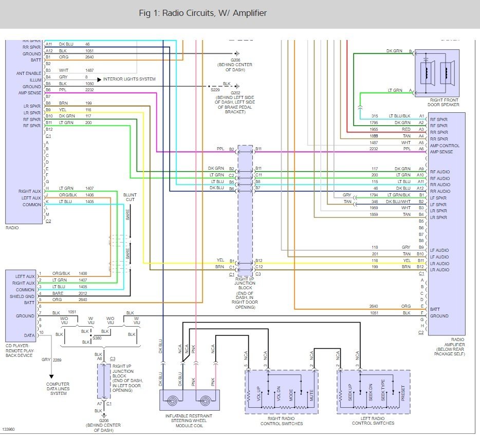
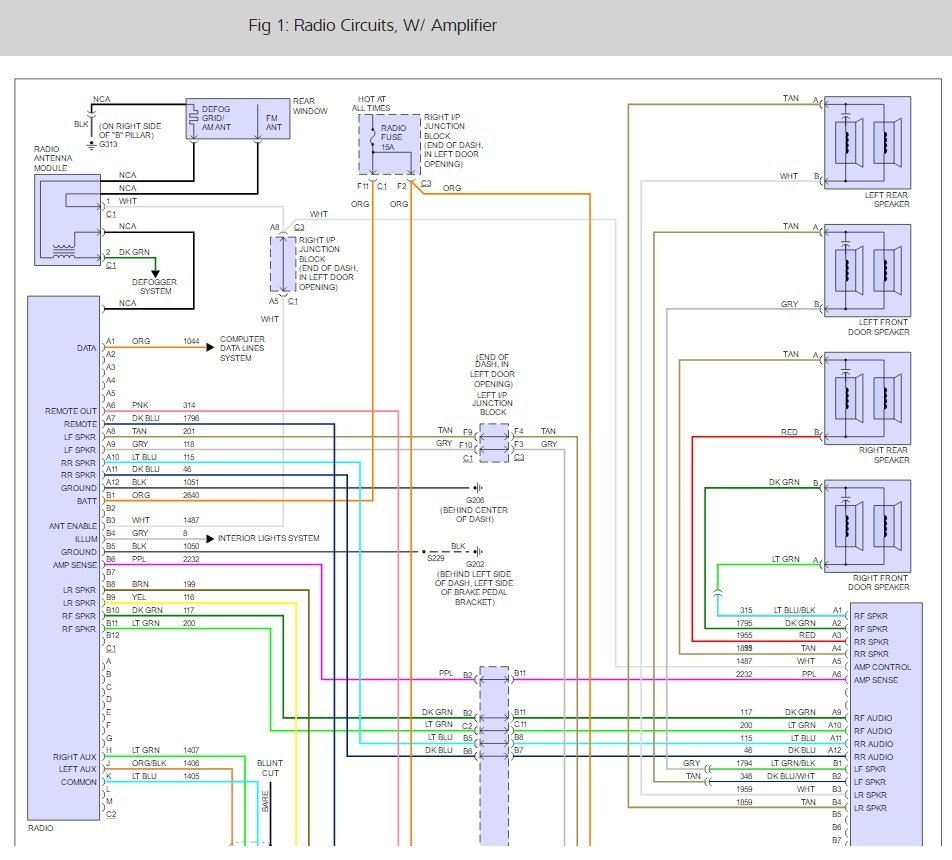
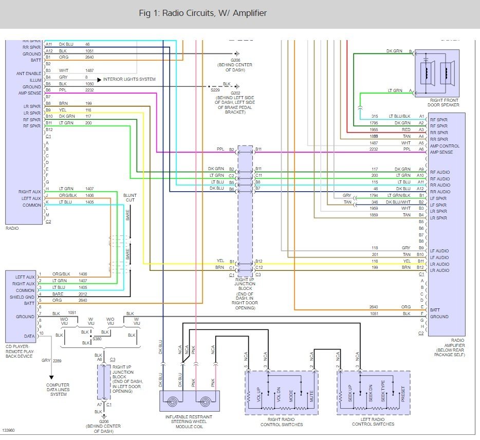
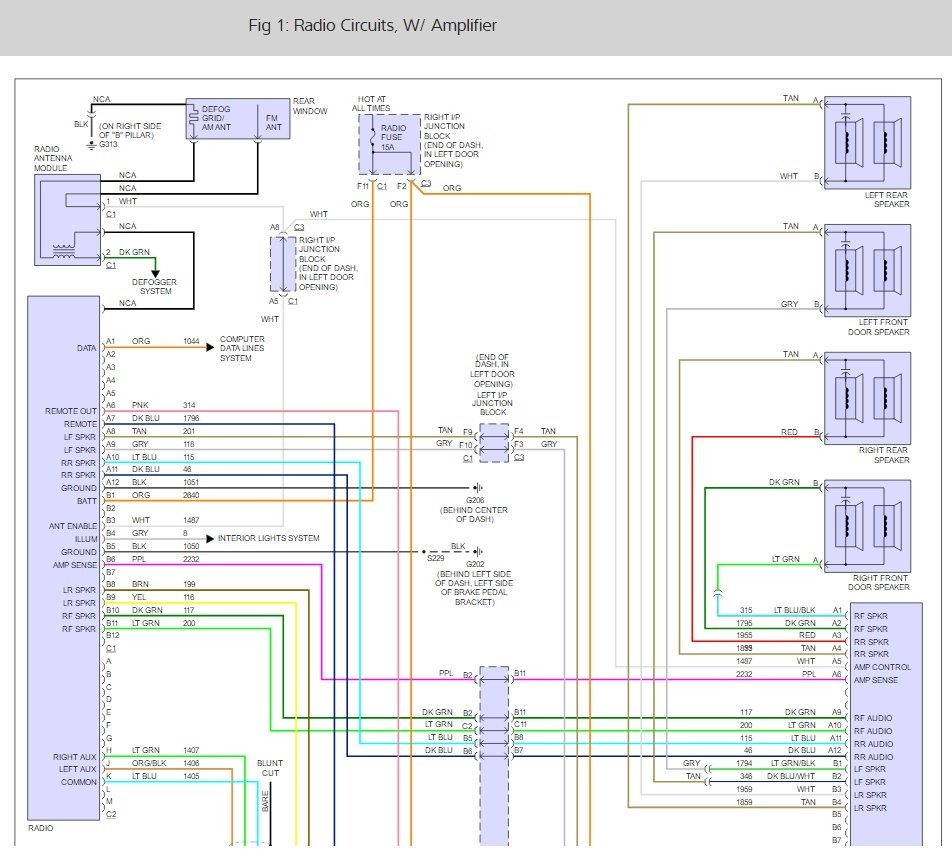
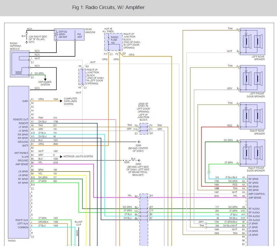
Here is a wiring diagram and a guide so you can do some testing to be sure on whats the problem.

https://www.2carpros.com/articles/how-to-use-a-test-light-circuit-tester

and

https://www.2carpros.com/articles/how-to-check-wiring

Please let us know what you find ;)

Cheers, Ken

Was this
answer
helpful?
Yes
No
+2
Monday, September 23rd, 2019 AT 12:06 PM (Merged)
Tiny
STEVE W.
  • MECHANIC
  • 15,686 POSTS
Is this the factory radio? Do you see it turn on, change channels or CD/Tape functions all work, just no sound? If so the amp in the rear has probably failed or the ground or power to it is bad. Easy way to test those is to look at the wiring diagram and locate the Orange wire (battery positive) and the Black wire (ground) You can bare a spot on the black wire and run a short section of similar wire to a good ground in the back or take it to the battery negative post. Do you now have sound? If so the ground wire has broken. If nothing yet, bare a spot on the orange wire and run a wire from it to the positive battery post. Do you have sound now?

If neither of those get the sound back it is either the amp on output in the head unit OR the amp is bad.
Was this
answer
helpful?
Yes
No
+1
Monday, September 23rd, 2019 AT 12:06 PM (Merged)
Tiny
TAMPABLACK
  • MEMBER
  • 1 POST
  • 2001 CHEVROLET IMPALA
  • 6 CYL
  • 2WD
  • AUTOMATIC
  • 60,007 MILES
My radio was working fine, then one day the sound was fading on & off.(Like on 15 sec then off 10sec) then it just quit & no more sound. The radio lights are on & everything seems to work fine, just no sound is coming out. I didn't spill anything on anything & checked the speaker wires all seemed to be fine. I saw a stock amp in the trunk between the 2 back speakers. Could it need a new amp or is there an amp built into the stock radio which might have blown. Basic question is what do I need to do? Buy a new radio or amp or both or could it be something else?
Tyvm for help, pls help
Was this
answer
helpful?
Yes
No
Monday, September 23rd, 2019 AT 12:06 PM (Merged)
Tiny
NASUTE
  • MEMBER
  • 11 POSTS
I think the radio is going out because it is was the amp you would still have front speakers here is a guide so you can check the power and ground at the radio.

https://www.2carpros.com/articles/how-to-use-a-test-light-circuit-tester

Check out the diagrams (Below). Please run this test and get back to us.

Cheers
Was this
answer
helpful?
Yes
No
Monday, September 23rd, 2019 AT 12:06 PM (Merged)
Tiny
TOMMY63
  • MEMBER
  • 1 POST
The amp between the rear speakers is powered up by the two orange wires in the blue plug. Check for voltage there first. Common problem is that the factory splice gets corroded and loses connection. The connection is by the right rear door sill under the carpet at the pillar. See the photo of my vehicle.


https://www.2carpros.com/forum/automotive_pictures/354493_DSC02101_1.jpg



https://www.2carpros.com/forum/automotive_pictures/354493_DSC02102_1.jpg

Was this
answer
helpful?
Yes
No
+9
Monday, September 23rd, 2019 AT 12:06 PM (Merged)
Tiny
NASUTE
  • MEMBER
  • 11 POSTS
I had a problem water leaking into my passenger side floors. When I pulled up the carpet there was a lot of water retained under there. Could the water be the cause of the wires not properly working? And can drying it out eventually lead to working wires or?
Was this
answer
helpful?
Yes
No
Monday, September 23rd, 2019 AT 12:06 PM (Merged)
Tiny
KEN L
  • MASTER CERTIFIED MECHANIC
  • 55,335 POSTS
Hey Nasute,

The water should not cause a problem, it is more likely the radio itself has gone out. If you hear no sound and the fuse is okay the unit is bad because the front speakers do not use the amplifier.

Please let us know happens so it will help others.

Best, Ken
Was this
answer
helpful?
Yes
No
+2
Monday, September 23rd, 2019 AT 12:06 PM (Merged)
Tiny
CHEWOLFE9798
  • MEMBER
  • 1 POST
  • 2001 CHEVROLET IMPALA
Noises problem
2001 Chevy Impala 6 cyl Automatic 55000 miles

My radio has been going on and off sporatically. Now I have no sound from radio, no sound when door open with keys in ignition, and no sound when low fuel light comes on. Any suggestions?
Was this
answer
helpful?
Yes
No
Monday, September 23rd, 2019 AT 12:06 PM (Merged)
Tiny
RHALL77
  • MECHANIC
  • 3,361 POSTS
Have the BCM scanned. You may need a new body control module. Let me know the codes and Ill see what I can do to help
Was this
answer
helpful?
Yes
No
+1
Monday, September 23rd, 2019 AT 12:06 PM (Merged)
Tiny
WOTG
  • MEMBER
  • 0 POST
I had this problem as well and I had to replace the radio, used an aftermarket one for $180.00 works great.
Was this
answer
helpful?
Yes
No
Monday, September 23rd, 2019 AT 12:06 PM (Merged)
Tiny
KEN L
  • MASTER CERTIFIED MECHANIC
  • 55,335 POSTS
Excellent addition to this thread!
Was this
answer
helpful?
Yes
No
Monday, September 23rd, 2019 AT 12:06 PM (Merged)

Please login or register to post a reply.