Headlights not working

Tiny
LILSHEP2010
  • MEMBER
  • 6 POSTS
There is no voltage going to the orange wire. The ground seems to be fine.
Was this
answer
helpful?
Yes
No
-1
Thursday, August 2nd, 2018 AT 2:09 PM (Merged)
Tiny
TSF_92
  • MEMBER
  • 5 POSTS
  • 2003 CHEVROLET IMPALA
  • 6 CYL
  • FWD
  • AUTOMATIC
  • 113,000 MILES
On my car my brake lights stop working but when I put on the brakes they light up. The dash lights stopped working the same time the tail lights stopped. Then a little bit after this my head lights stop working, but they work when I hold on the high beams with the blinker switch. Please help!
Was this
answer
helpful?
Yes
No
-1
Thursday, August 2nd, 2018 AT 2:09 PM (Merged)
Tiny
RHALL77
  • MECHANIC
  • 3,361 POSTS
You either have a problem in the head light switch or the BCM. You need to have it scanned for trouble codes. But it could be as simple as the switch.
Was this
answer
helpful?
Yes
No
Thursday, August 2nd, 2018 AT 2:09 PM (Merged)
Tiny
JDL
  • MECHANIC
  • 16,098 POSTS
I thought you said you had voltage on the voltage wire, what color wire did you check? Note the diagram below. If you had a fuse problem, none of the lights would work. You can check applicable fuse for voltage.
Was this
answer
helpful?
Yes
No
+1
Thursday, August 2nd, 2018 AT 2:09 PM (Merged)
Tiny
SPADES2106
  • MEMBER
  • 1 POST
  • 2003 CHEVROLET IMPALA
  • 6 CYL
  • 2WD
  • AUTOMATIC
  • 186,745 MILES
My wife got the in a divorce settlement, when I met her there was nothing wrong with the car. No problems. The car got reposed because her ex did not make the car note. Now we got it back and the dashboard lights work some times the whole dash. I also noticed that the high beams do not work and when you try to turn them on all the lights go out the dash and the radio light, but the radio still works. Speedometer still works just the lights. Some one also took out the heater blower motor it has a bad connection, but works now. I wanted to know before I went under the dash to look at the ground wires if you think this might be the problem. Thank you for your time.
Was this
answer
helpful?
Yes
No
Thursday, August 2nd, 2018 AT 2:09 PM (Merged)
Tiny
RHALL77
  • MECHANIC
  • 3,361 POSTS
I have found that the dimmer switch can cause a lot of these problems. Also a body control module can cause this also. Turn the dimmer switch back and forth (bright and dim) and see if you can get all the lights to come back on. If not you may have to take it to have a scan tool check it. I do not think it was anything some one did.
Was this
answer
helpful?
Yes
No
Thursday, August 2nd, 2018 AT 2:09 PM (Merged)
Tiny
JESSIE KISSINGER
  • MEMBER
  • 1 POST
  • 2002 CHEVROLET IMPALA
  • AUTOMATIC
  • 266,000 MILES
My headlights are not working and there are a lot of wires not connected when I was looking at it. I do not know which colors go to which.
Was this
answer
helpful?
Yes
No
Thursday, August 2nd, 2018 AT 2:09 PM (Merged)
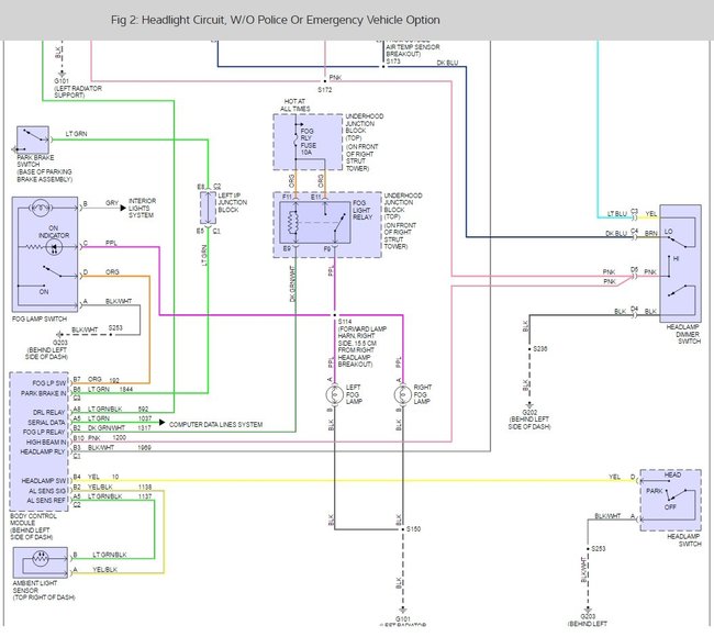
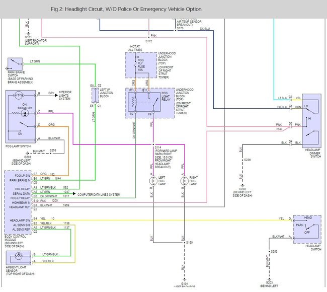
Tiny
KEN L
  • MASTER CERTIFIED MECHANIC
  • 55,335 POSTS
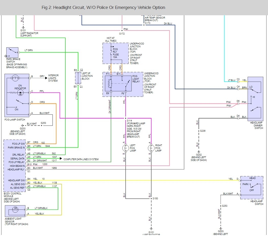
Hi JESSIE,

Yes, it does look like there is some wiring issues going on. Here is a wiring diagram to help you fix the problem and a guide to show you how to test the system.

It looks like there are some fuses you should check too as well as the headlight bulbs themselves.

Please run some test and let me know how it goes.

Best, Ken
Was this
answer
helpful?
Yes
No
Thursday, August 2nd, 2018 AT 2:09 PM (Merged)
Tiny
SURATO
  • MEMBER
  • 1 POST
  • 2001 CHEVROLET IMPALA
  • 6 CYL
  • 2WD
  • AUTOMATIC
  • 142,000 MILES
Hi. The driver's side low beam went out. Replaced bulb (it was burnt out). It will not work now.
Was this
answer
helpful?
Yes
No
Thursday, August 2nd, 2018 AT 2:09 PM (Merged)
Tiny
JDL
  • MECHANIC
  • 16,098 POSTS
Hello, did you check for voltage to the low beam? Left side low beam assembly, voltage wire is orange, hot all the time. The circuit is controlled on the ground side, dark blue wire. Even if there is voltage to the lamp, no ground and the light will not work.
Was this
answer
helpful?
Yes
No
+1
Thursday, August 2nd, 2018 AT 2:09 PM (Merged)
Tiny
BPW24
  • MEMBER
  • 2 POSTS
  • 2000 CHEVROLET IMPALA
Electrical problem
2000 Chevy Impala 6 cyl Front Wheel Drive Automatic 120k miles

Hi and thanks for taking time to read this. Now, down to business.

My father in law has a 2000 Impala (former police car) that has a few issues. First things first, the cruise control does not work at all. I have checked the fuses and all fit tight and are in good working order. Everything under the hood related to the Cruise Control are all plugged in and intact and appear to visually be ok. Secondly, the headlights stay on at all times. The only way to turn them off is to take out the fuse. They will not turn off with the switch itself. So I believe the fuses for them are out, due to I don't see him driving at night and headlights are off. Thirdly, the car some times shuts off while driving, even under an acceleration load. It doesn't seem to have any sort of pattern of when it does it.

I feel all these problems are electrical, due to this being some sort of law enforcement car with wiring and all. It has two big spotlights on it, neither of which are actively connected. I have read several forums and can't quite nail down the answer. I believe the problem is either a bad ground or some sort of issue with the ignition switch. Any help on getting me in the right direction is appreciated. Thanks
Was this
answer
helpful?
Yes
No
Friday, June 26th, 2020 AT 12:15 PM (Merged)
Tiny
LOUT5369
  • MECHANIC
  • 217 POSTS
Are the headlamps on only with the car running or are they on constant, draining the battery?If only when running these are Daytime running lights and they are supposed to be on, Otherwise I would pull the relay that says "DRL" the relay may be stuck, as far as the cruise is concerned check the bulb in the High stop lite, a Blown 3rd brake lite bulb will stop the cruise from working. Let me know how you make out. Lou
Was this
answer
helpful?
Yes
No
Friday, June 26th, 2020 AT 12:15 PM (Merged)
Tiny
BPW24
  • MEMBER
  • 2 POSTS
Thanks for the reply. No, the lights stay on at all times, with the switch off and keys out. I know the DRL's stay on while driving, but that is not the case here. I also wanted to mention the fact that the airbag light stays on as well. I had no idea that a brake light being out like that would stop the cruise from working. That is weird. I will go check the bulb and reply back, albeit it may be a few days or through the weekend. Thanks again.
Was this
answer
helpful?
Yes
No
Friday, June 26th, 2020 AT 12:15 PM (Merged)
Tiny
LOUT5369
  • MECHANIC
  • 217 POSTS
That has to be a bad relay, for them to stay on constant, try puling out the DRL relay, if the lights go out try the headlamp switch, see if the lights work normally, As far as the cruise is concerned, yea you're right that is weird, if I hadn't experienced it myself, I wouldn't believe it. But it happened to many times to be only a one time thing.
Was this
answer
helpful?
Yes
No
Friday, June 26th, 2020 AT 12:15 PM (Merged)
Tiny
TAKECHARGESARGE
  • MECHANIC
  • 92 POSTS
Hi bpw24,
I had a similar stalling problem about three years ago.
My engine would stall and the only indication, other than the loss of power, was the battery in the message center. It was like somebody had turned the Ignition switch to OFF then turned it ON again.
The engine died and it usually took 5 to 15 minutes and I could start up and drive again.

If it's stalling without even a trouble code, it is most likely the Crankshaft Position Sensor. It is located below the Ignition Module. If it malfunctions, it will shut off power at the Ignition Module.

Anyway, after my Crankshaft Position Sensor was replaced, The problem went away.

TakeChargeSarge
Was this
answer
helpful?
Yes
No
+1
Friday, June 26th, 2020 AT 12:15 PM (Merged)
Tiny
MRBREEZEET1
  • MEMBER
  • 6 POSTS
Have found that the dimmer switch can cause a lot of these problems. Also, a body control module can cause this also. Turn the dimmer switch back and forth (bright and dim) and see if you can get all the lights to come back on. If not, you may have to take it to have a scan tool check it. I do not think it was anything someone did.

The question is that dimmer switch a momentary contact switch which triggers a relay and then is out of the picture or does the dimmer switch supply a constant voltage in either direction?
Like a latched type switch.
Was this
answer
helpful?
Yes
No
Tuesday, May 24th, 2022 AT 7:05 PM
Tiny
MRBREEZEET1
  • MEMBER
  • 6 POSTS
A few of you spoke about checking for codes when there is a headlight issue.
Would I use the same scanner I used to read engine control codes?
I have the torque pro app and others.
Or would these need to be read with a tech ll or similar?
Was this
answer
helpful?
Yes
No
Tuesday, May 24th, 2022 AT 8:11 PM
Tiny
KEN L
  • MASTER CERTIFIED MECHANIC
  • 55,335 POSTS
I am not sure a tech2 can do a CAN scan which can see if the BCM is bad, but this scanner will. please watch this video and do the scan to confirm the issue.

https://youtu.be/InIlnsjOVFA

Please run down this guide and report back.
Was this
answer
helpful?
Yes
No
+1
Friday, May 27th, 2022 AT 5:13 PM
Tiny
MRBREEZEET1
  • MEMBER
  • 6 POSTS
Okay, thank you. I watched the video I'm not having a problem with my car but I'm just trying to sort of understand these a little better.
Do you know if the dimmer switch is a momentary contact switch that triggers a relay and then it's out of the picture or is it continuous voltage through the switch like a latched switch?
I am guessing from the field it's momentary contact and just triggers a relay, but I could be wrong.
Was this
answer
helpful?
Yes
No
Saturday, May 28th, 2022 AT 8:25 AM
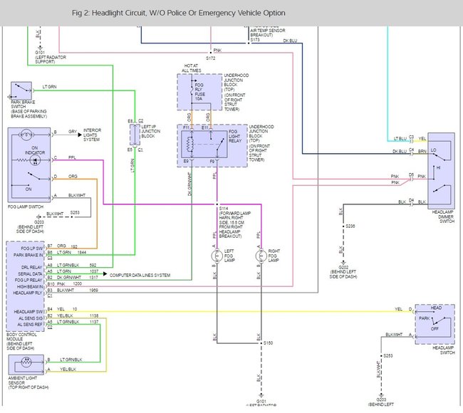
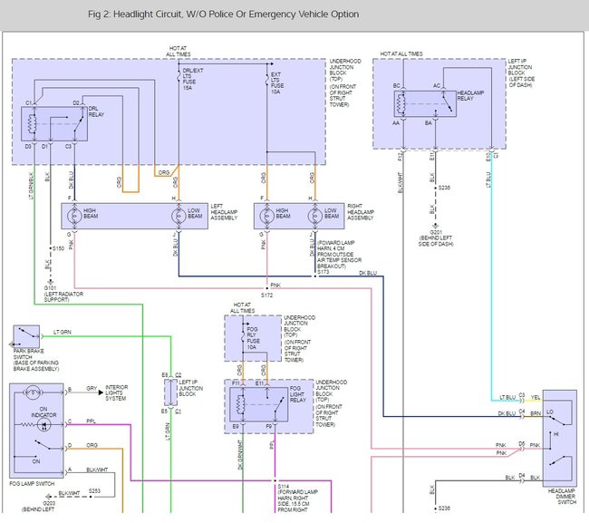
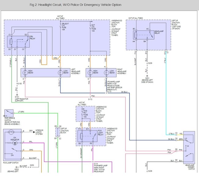
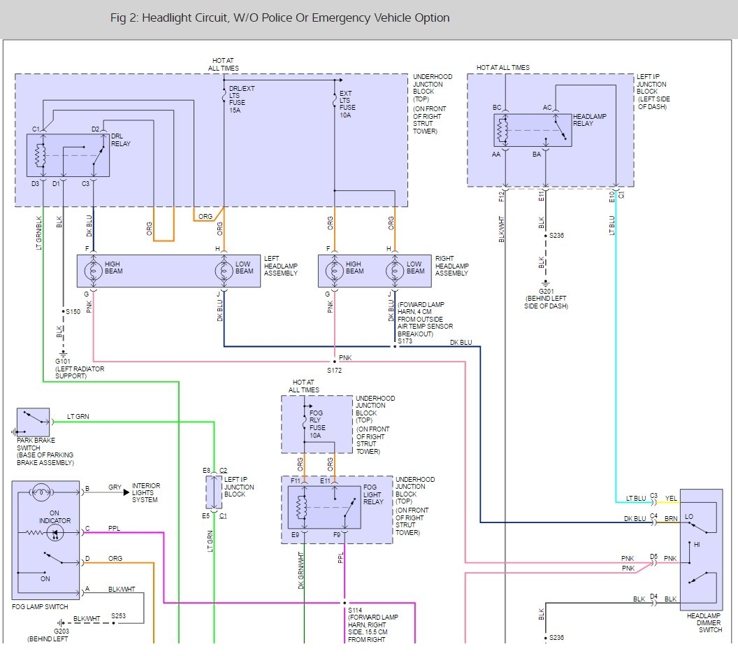
Tiny
KEN L
  • MASTER CERTIFIED MECHANIC
  • 55,335 POSTS
It is a latch switch that triggers a relay, here is the headlight wiring diagrams so you can see how the system works. Check out the diagrams (below). Please let us know what happens.
Was this
answer
helpful?
Yes
No
Saturday, May 28th, 2022 AT 9:58 AM

Please login or register to post a reply.