Monday, January 24th, 2011 AT 12:56 AM
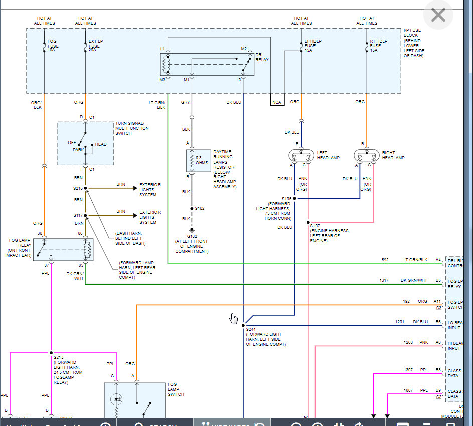
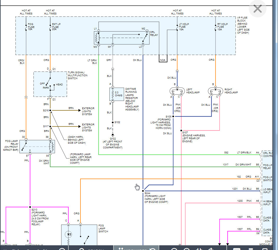
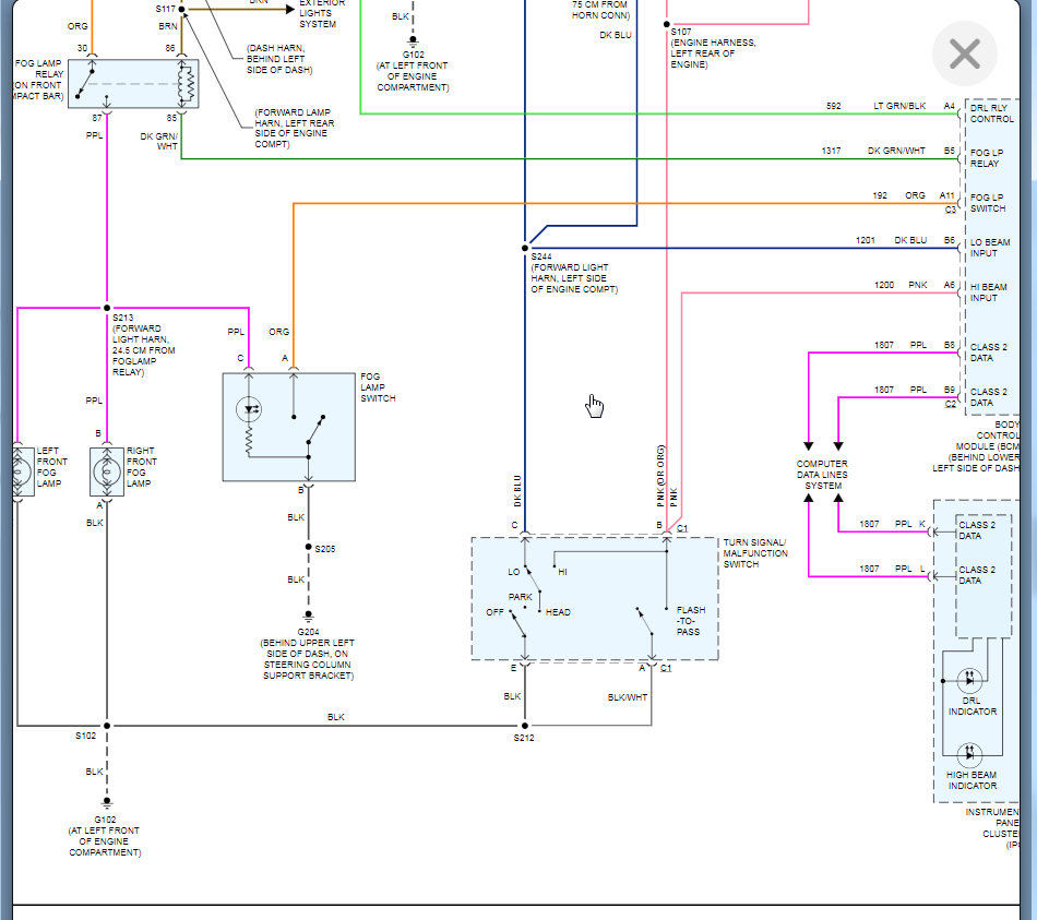
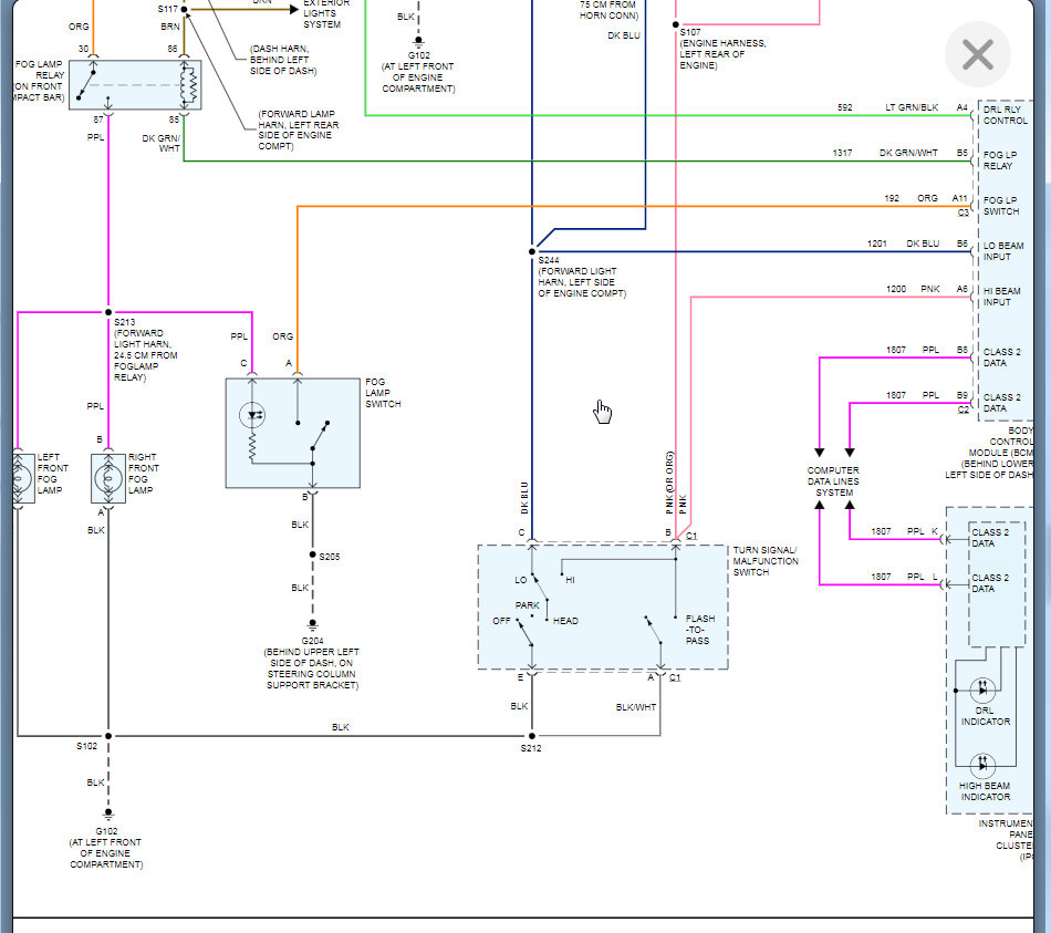
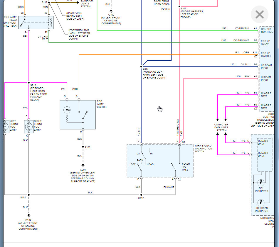
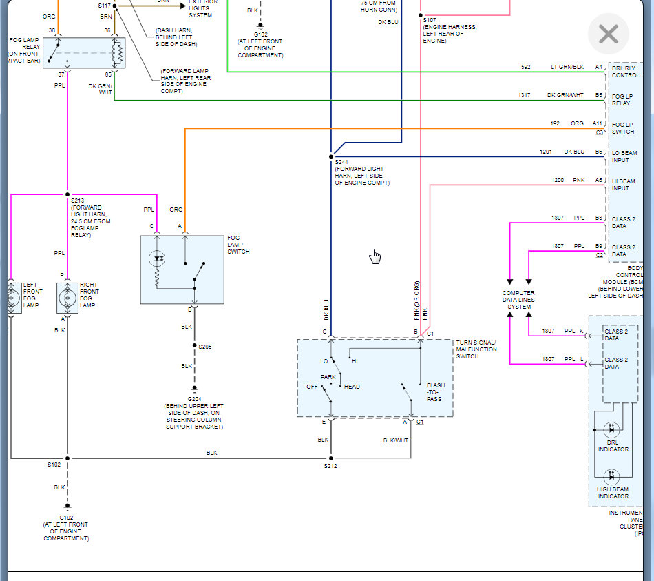
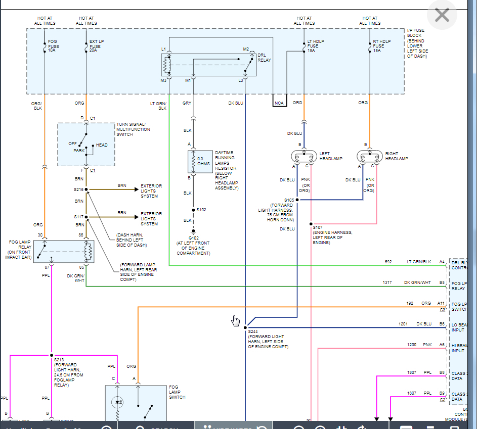
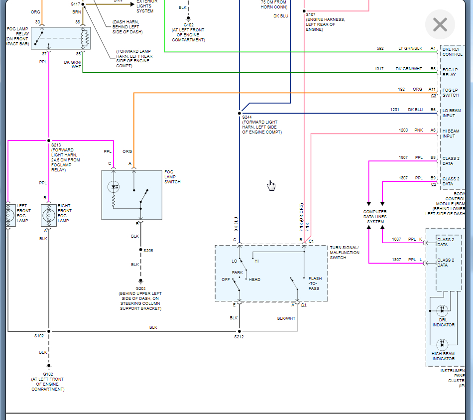
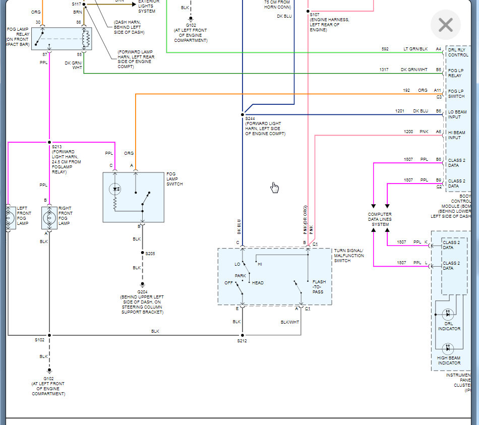
The headlights are not very bright, have tried replacing them with another factory used pair but not any better. Also, tried buying replacement bulbs at WalMart but didn't help either. Is this a known problem with this model of car?

