I need to know what colour and where the wire is that powers the blower fan.

Tiny
MICHAEL76
  • MEMBER
  • 2002 KIA RIO
Installing a remote starter and this is the last thing I need to connect to complete the install. It starts by remote and all the other wiring is done. Just need the fan to come on when started remotely.

Thanks Mike
Tuesday, November 29th, 2011 AT 4:53 AM

3 Replies

Tiny
RASMATAZ
  • MECHANIC
  • 75,992 POSTS
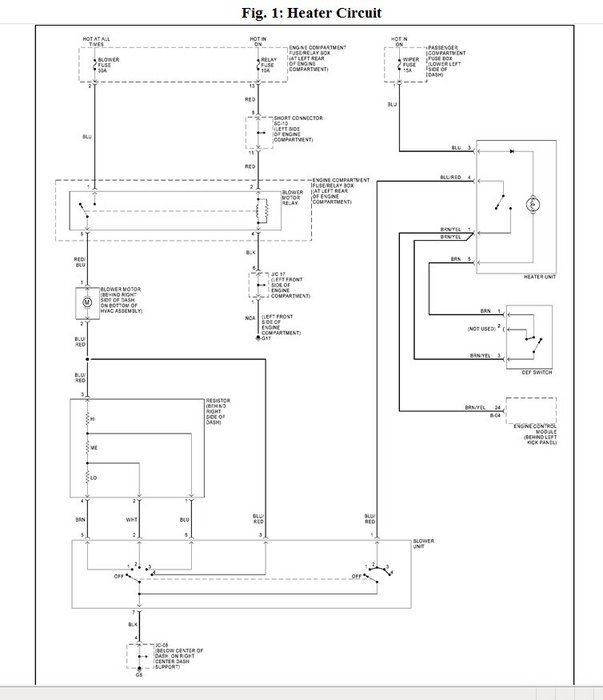
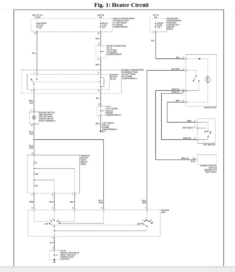
Red and blue is your power side and blue and red is your ground side at the blower motor connector on bottom of HVAC assy
Was this
answer
helpful?
Yes
No
Tuesday, November 29th, 2011 AT 5:06 AM
Tiny
DRCRANKNWRENCH
  • MECHANIC
  • 3,380 POSTS
I am giving you the wiring diagram with blower motor, see left side middle, and the wire is red/blue.
Was this
answer
helpful?
Yes
No
Tuesday, November 29th, 2011 AT 5:08 AM
Tiny
RASMATAZ
  • MECHANIC
  • 75,992 POSTS
Hey-Doc Happy belated TG -what? Are you following me or whatever-lol-we've been bouncing heads -You take care and Happy Holidays my friend-Bye
Was this
answer
helpful?
Yes
No
Tuesday, November 29th, 2011 AT 5:15 AM

Please login or register to post a reply.