Tuesday, August 22nd, 2017 AT 8:24 AM
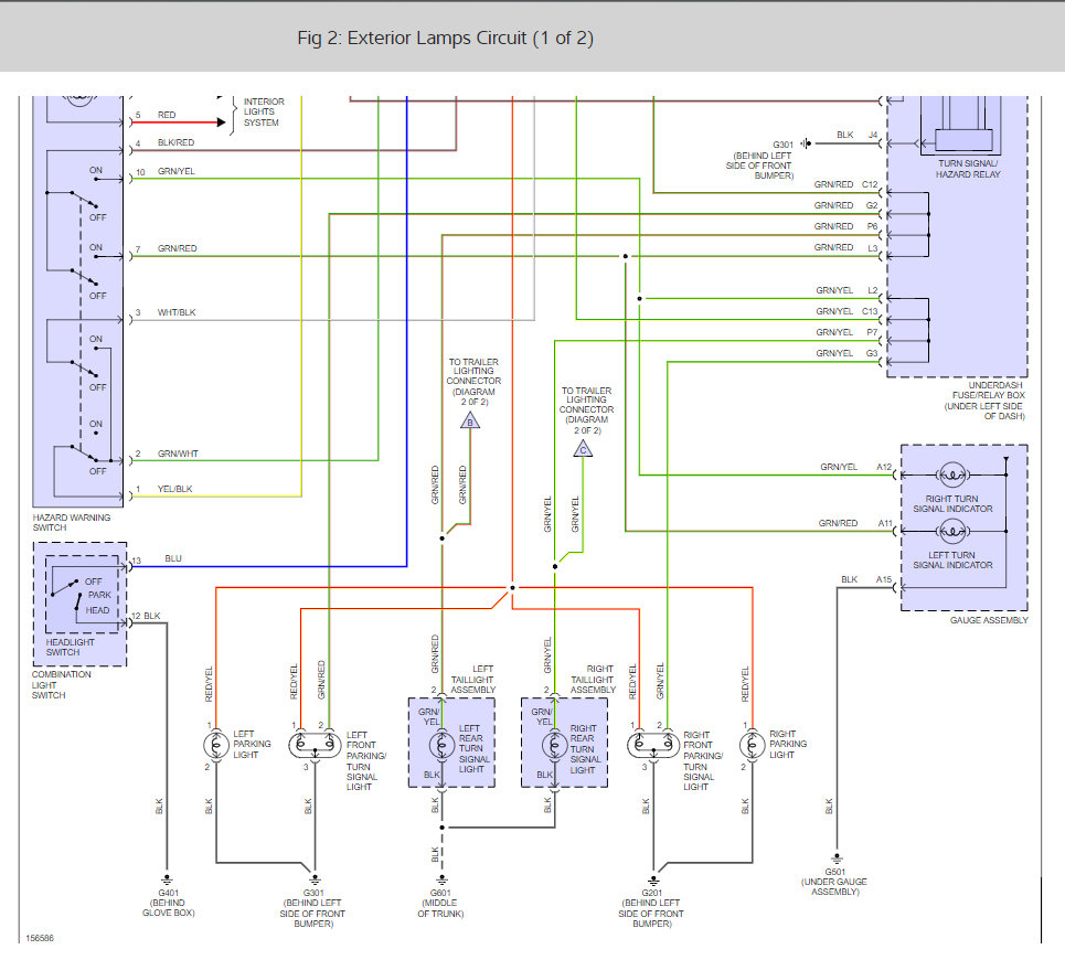
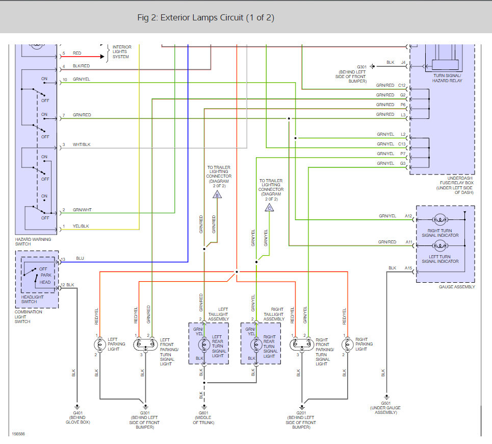
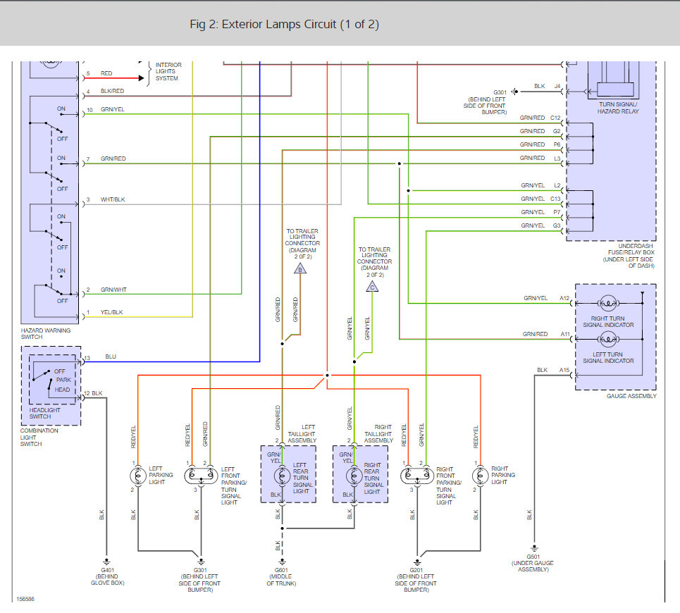
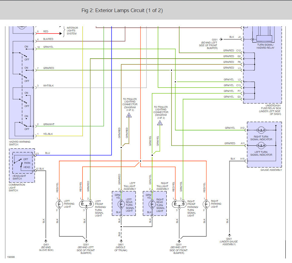
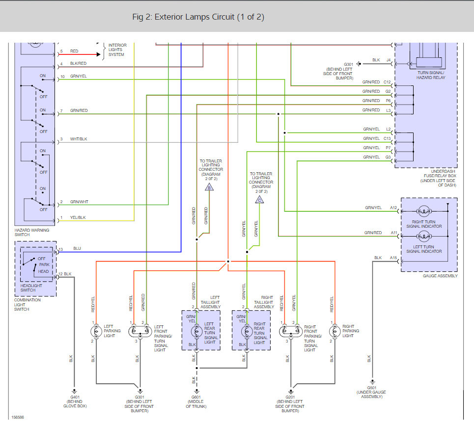
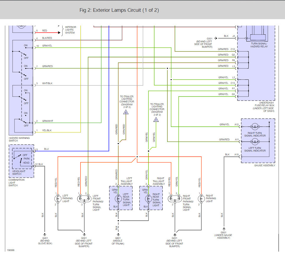
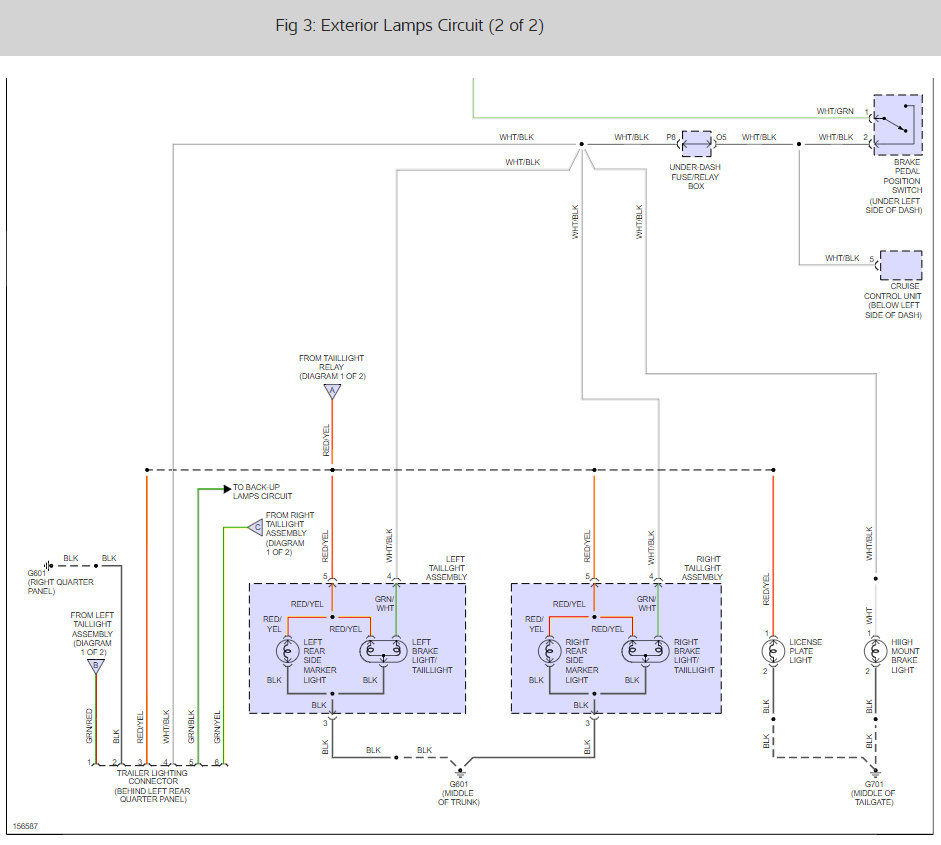
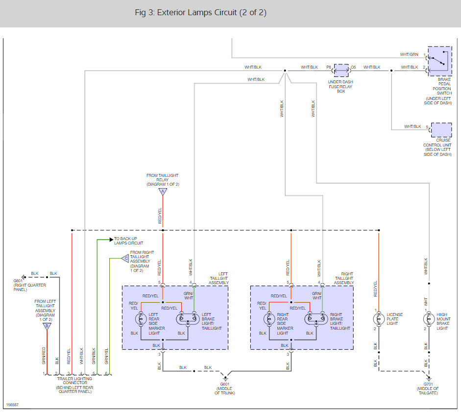
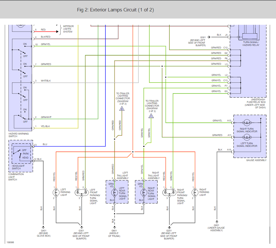
Turn signal and warning lights are not working. Will not even do a flash indicator on the dashboard. Have tried to replace turn signal switch on steering column, flasher relay switch, and have checked the fuses. Nothing seems to be working and would really like to know what we can do to get these working again.











