Overheating

Tiny
ASEMASTER6371
  • MECHANIC
  • 52,796 POSTS
Yes, you have a blown head gasket. Have a leak down test done to confirm.

Roy
Was this
answer
helpful?
Yes
No
+1
Sunday, January 22nd, 2017 AT 10:16 AM (Merged)
Tiny
CARADIODOC
  • MECHANIC
  • 34,490 POSTS
Leaking cylinder head gaskets often does not show up with a pressure test, especially after the engine has cooled down. The best way to identify them is with a "sniffer" test. That involves drawing air from the radiator through a glass cylinder with two chambers partially-filled with a special dark blue liquid. If combustion gases are present that liquid will turn bright yellow.

When combustion gases leak into the cooling system fast enough they can pool under the thermostat and prevent it from opening. Thermostats open in response to hot liquid, not hot air. That is likely what started all the trouble. Your radiator fan may indeed have been bad but it is not needed at highway speed. A fan that does not run will not cause overheating at higher speeds when you have natural air flow through the radiator. A leaking head gasket can cause overheating at any speed if the thermostat closes and blocks coolant flow to the radiator.

The two additional clues to a leaking head gasket are the temperature gauge going up and down as the thermostat repeatedly opens and closes as the air pools under it and it gets hit with hot coolant sloshing around, and the reduced circulation brings less hot coolant into the heater core in the dash so the air will not be very hot.
Was this
answer
helpful?
Yes
No
Sunday, January 22nd, 2017 AT 10:16 AM (Merged)
Tiny
ZIMMER7
  • MEMBER
  • 6 POSTS
That is not what I was hoping to hear. I am calling the shop I go to in the morning. Any idea how much it would cost to repair? Is it even worth repairing?
Was this
answer
helpful?
Yes
No
Sunday, January 22nd, 2017 AT 10:16 AM (Merged)
Tiny
CARADIODOC
  • MECHANIC
  • 34,490 POSTS
Leaking head gaskets are common on many car brands and it can happen on much newer ones. There are a lot of variables in the cost of repair but a guess would be between $500.00 and $1,000.00 which is a lot less than a few months worth of new-car payments. Your mechanic will likely also want to replace the timing belt. It will be off already, and if it breaks the cylinder head will have to come off again to replace bent valves. Honda used to recommend the belt be replaced every 75,000 miles, and they typically broke at 65,000 miles leading to a lot of expensive repair bills.

I personally would rather stick money into a 2002 model anything than buy any newer car. Some of the new technology is nice but a lot of it is inappropriate for cars. That is why I refuse to give up my 1988 Grand Caravan. I have three newer vehicles but I do not trust them as much to get me back home. Look at how much trouble we have with home computers. Cars may not let you sitting on the side of the road as often as they used to, but look at the expense people go through when a computer failure causes things like no power windows or lock, or the heater system does not work right.
Was this
answer
helpful?
Yes
No
Sunday, January 22nd, 2017 AT 10:16 AM (Merged)
Tiny
ZIMMER7
  • MEMBER
  • 6 POSTS
Thanks for the help. I will give you an update when I find more out tomorrow.
Was this
answer
helpful?
Yes
No
Sunday, January 22nd, 2017 AT 10:16 AM (Merged)
Tiny
ZIMMER7
  • MEMBER
  • 6 POSTS
So I finally got my car back today, and they say my PVC valve was causing all the problems I was having. Car seems to be running fine now. Could this have been the cause of all my earlier troubles?
Was this
answer
helpful?
Yes
No
Sunday, January 22nd, 2017 AT 10:16 AM (Merged)
Tiny
ASEMASTER6371
  • MECHANIC
  • 52,796 POSTS
PCV does not effect overheating or cooling fans.

Roy
Was this
answer
helpful?
Yes
No
Sunday, January 22nd, 2017 AT 10:16 AM (Merged)
Tiny
MICKELLE85
  • MEMBER
  • 3 POSTS
  • 2002 HONDA CIVIC
  • 4 CYL
  • 2WD
  • MANUAL
  • 150,000 MILES
My car keeps overheating. A diagnostic has been ran, car still has very good compression. I have changed the radiator cap, thermostat and the gasket for the thermostat housing. Fans kick on and water pump is not leaking. At a loss. Please help!
Was this
answer
helpful?
Yes
No
Sunday, January 22nd, 2017 AT 10:16 AM (Merged)
Tiny
ZIMMER7
  • MEMBER
  • 6 POSTS
If I do have a blown head gasket, would my car be running fine or running at all? Heater/AC work and temperature gauge is steady.
Was this
answer
helpful?
Yes
No
Sunday, January 22nd, 2017 AT 10:16 AM (Merged)
Tiny
WRENCHTECH
  • MECHANIC
  • 20,761 POSTS
What happens after the fan kicks on? Does the temperature continue to rise and the fan keep running or does the temperature come down and the fan shut off?
Was this
answer
helpful?
Yes
No
Sunday, January 22nd, 2017 AT 10:16 AM (Merged)
Tiny
ASEMASTER6371
  • MECHANIC
  • 52,796 POSTS
As I suggested early on, have a leak down test done to verify. Do not use the shop that told you a PCV valve.

Roy
Was this
answer
helpful?
Yes
No
Sunday, January 22nd, 2017 AT 10:16 AM (Merged)
Tiny
MICKELLE85
  • MEMBER
  • 3 POSTS
Temperature continues to rise while fan keeps running.
Was this
answer
helpful?
Yes
No
Sunday, January 22nd, 2017 AT 10:16 AM (Merged)
Tiny
ZIMMER7
  • MEMBER
  • 6 POSTS
I did have a head gasket out. Got everything fixed for a reasonable amount. Will never go back to the original shop I took it to. Thanks for your help. One more question though, maybe I never noticed this before, but when I am idling I have a little shake. Nothing too major, just enough to notice. Any ideas?
Was this
answer
helpful?
Yes
No
Sunday, January 22nd, 2017 AT 10:16 AM (Merged)
Tiny
WRENCHTECH
  • MECHANIC
  • 20,761 POSTS
If you are sure you got the coolant full and all the air out then you likely have a blown head gasket from the previous overheat.
Was this
answer
helpful?
Yes
No
Sunday, January 22nd, 2017 AT 10:16 AM (Merged)
Tiny
MICKELLE85
  • MEMBER
  • 3 POSTS
Is it possible to have a blown gasket even if all diagnostics came back good?
Was this
answer
helpful?
Yes
No
-1
Sunday, January 22nd, 2017 AT 10:16 AM (Merged)
Tiny
WRENCHTECH
  • MECHANIC
  • 20,761 POSTS
Most definitely. Head gaskets can be hard to verify sometimes. They can blow in may different way. If you have a small break between the cylinder and a coolant port it will push hot exhaust gases into the cooling system. The best way to find it is using an exhaust analyzer and looking for hydrocarbons at the radiator cap with the engine running.
Was this
answer
helpful?
Yes
No
Sunday, January 22nd, 2017 AT 10:16 AM (Merged)
Tiny
ADEACH711
  • MEMBER
  • 1 POST
  • 2002 HONDA CIVIC
  • 2.0L
  • 4 CYL
  • 2WD
  • AUTOMATIC
  • 203,000 MILES
My car is overheating while at a stop. My fan is not coming on. However, when I turned on the AC the fan came on. What is up with that?
Was this
answer
helpful?
Yes
No
Sunday, January 22nd, 2017 AT 10:16 AM (Merged)
Tiny
HMAC300
  • MECHANIC
  • 48,601 POSTS
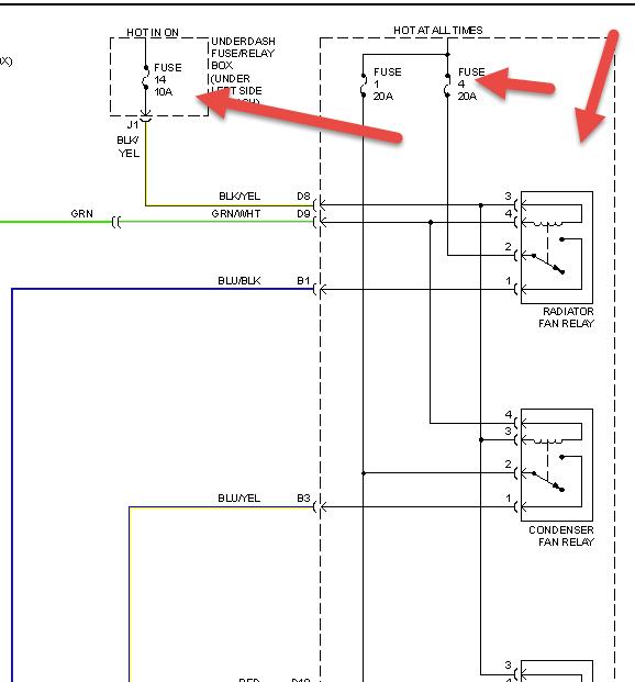
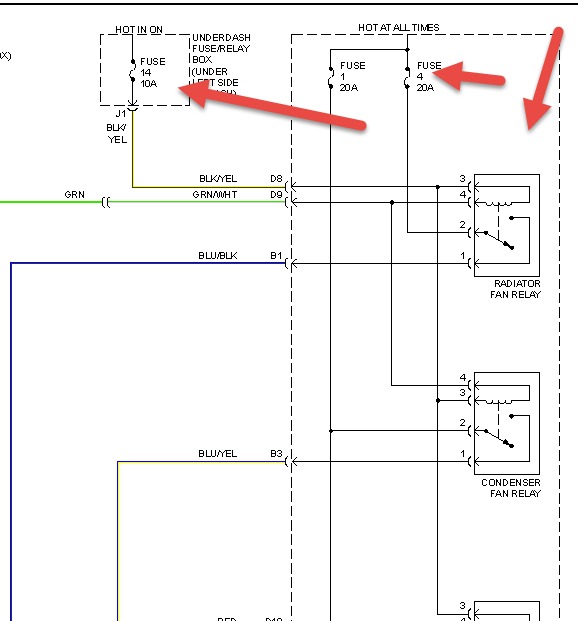
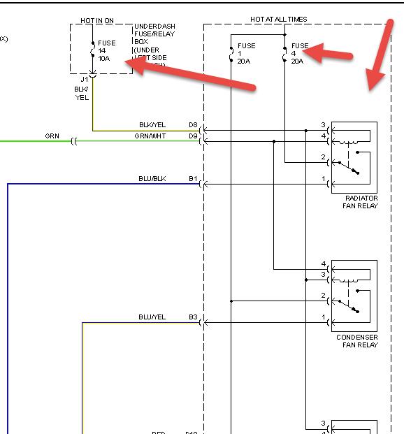
Check items in picture the condenser fan is coming on when A/C is on.
Was this
answer
helpful?
Yes
No
Sunday, January 22nd, 2017 AT 10:16 AM (Merged)
Tiny
ACASAS
  • MEMBER
  • 3 POSTS
  • 2002 HONDA CIVIC
Four cylinder 179,000 miles.

My car has been overheating and we got the thermostat replaced and it worked for a few days. Afterwards we replaced the radiator. The car was working fine for about two weeks and then it started to overheat again. I turned off the car since I was not sure what else to do when it started to overheat. I gave it a few minutes and the car hesitated to turn on, like as if it shook inside the hood or something. We took it back to the mechanic who replaced the radiator but could not find out what was wrong with the car. My husband says there is a leak because it needed coolant again after they topped it off when they replaced the radiator. What could it be?
Was this
answer
helpful?
Yes
No
Sunday, January 22nd, 2017 AT 10:16 AM (Merged)
Tiny
HONDA TECH 1818
  • MECHANIC
  • 536 POSTS
The head gasket is bad. The exhaust side of the head gasket is leaking.
Was this
answer
helpful?
Yes
No
Sunday, January 22nd, 2017 AT 10:16 AM (Merged)

Please login or register to post a reply.