Friday, May 20th, 2011 AT 9:53 PM
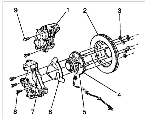
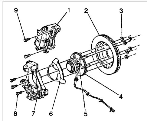
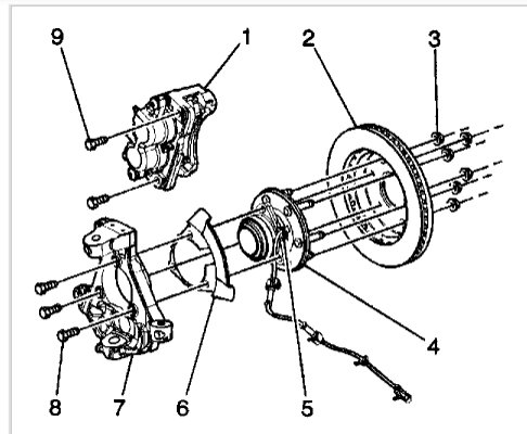
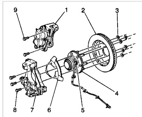
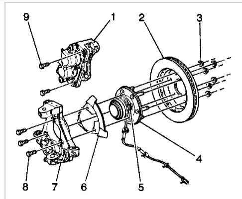
When I turn the steering wheel to park in a space or back into a space the ABS light comes on saying I need a front wheel speed sensor.






