ABS module control

Tiny
SAGA481
  • MEMBER
  • 2003 GMC YUKON
  • 5.3L
  • V8
  • AUTOMATIC
  • 180,000 MILES
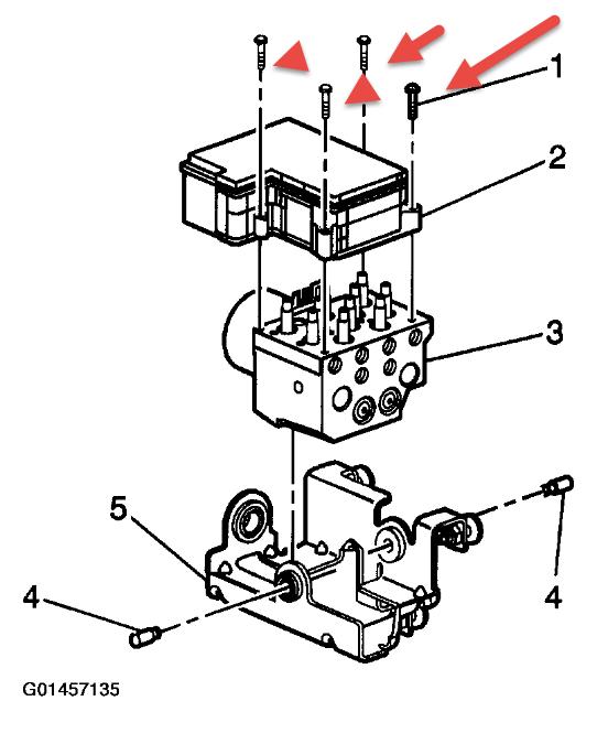
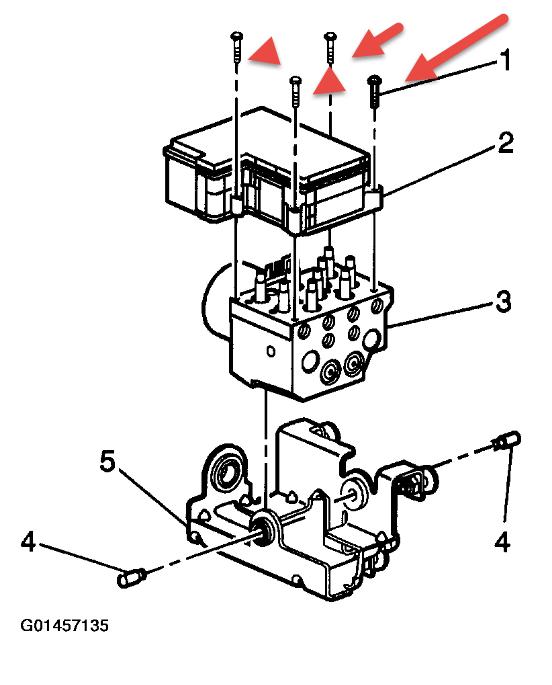
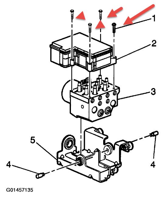
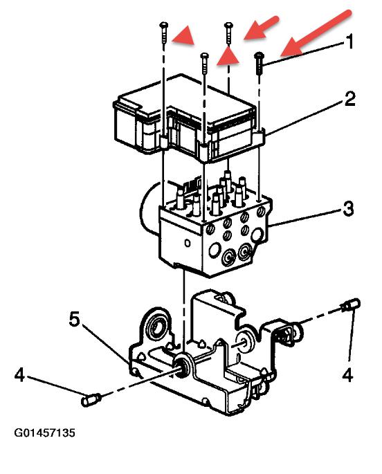
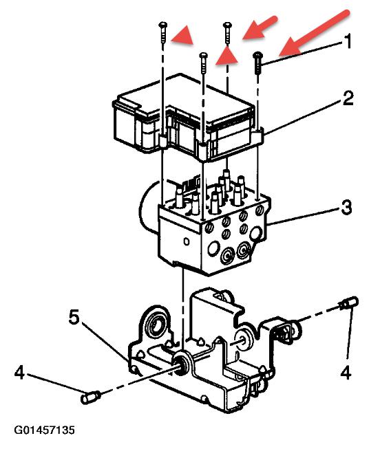
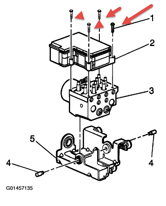
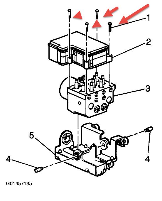
One of the screw strip I been trying but don't come out what can I do?
Tuesday, April 22nd, 2014 AT 11:39 AM

1 Reply

Tiny
HMAC300
  • MECHANIC
  • 48,601 POSTS
One of the screws that hold it to the frame? Or if ones in picture try prying up with a screwdriver and unscrewing at the same time. Lot of times they come out with that. Check out the diagrams (Below). Please let us know if you need anything else to get the problem fixed.
Was this
answer
helpful?
Yes
No
Thursday, March 11th, 2021 AT 1:25 PM

Please login or register to post a reply.