Heat doesnt work - nothing seems to help!

Tiny
NUTTYCHEWZ
  • MEMBER
  • 2002 FORD WINDSTAR
  • 117,000 MILES
Hi, I have 2002 Ford Windstar. A while back the heat stopped working (both front and rear). I would get some heat when I gun the engine in the front but not the rear. So far I have replaced the front heater core, thermostat, intake gasket (had a leak), flushed/back flushed system with a cleaner and confirmed that the blowers work fine. When I switch heater temp it seems to switch fine between hot and cold. Maybe the blender door is stuck somewhat in the middle (doesnt seem that way) Water Pump seems fine too. I checked the inlet hose and it was hot but the outlet hose (by firewall) was cold. Strange no, being that its not the core as its new and not clogged. Any ideas?
Thank you.
Monday, November 14th, 2011 AT 2:56 PM

6 Replies

Tiny
HMAC300
  • MECHANIC
  • 48,601 POSTS
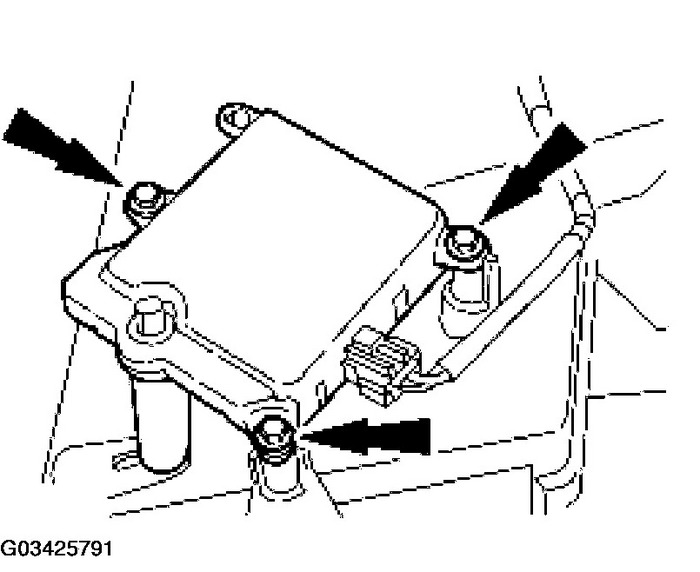
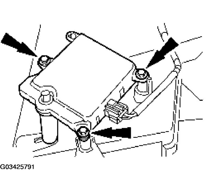
On both the front and rear heat your blend door may not be opening causing this problem of no heat. However both of your hoses should be about the same temp in and out make sure teh vehicle is fully warmed up. I've enclosed a pic of the actuator on the front and it will look the same on back.
Was this
answer
helpful?
Yes
No
Tuesday, December 20th, 2016 AT 6:08 PM
Tiny
NUTTYCHEWZ
  • MEMBER
  • 3 POSTS
Thanks for the response hmac3000. 2 things - only the inlet hose was hot but not the outlet and when I was replacing the front heater core I saw the actuator/door motor and saw the gears (couldnt see the door) moving as I switched hot to cold and vice versa. It seemed to move freely back and forth.
Was this
answer
helpful?
Yes
No
Tuesday, December 20th, 2016 AT 6:08 PM
Tiny
HMAC300
  • MECHANIC
  • 48,601 POSTS
Ok then there h as to be a water valve somplace thta allows the water to go through teh heater. Just follow the lines and it may be vacuum operated and not getting vacuum or the valve is bad. Our manual doesn't show that particular thing. I'd have to do more research to find it. Both hoses hsould be hot or close to temp on each of them.
Was this
answer
helpful?
Yes
No
Tuesday, December 20th, 2016 AT 6:08 PM
Tiny
HMAC300
  • MECHANIC
  • 48,601 POSTS
A cople other things you might try is to back flush the heater core with hoses removed, and make sure you odn't have an airlock as well as the thermostate may not be operating correctly. There is a flow restirctor on the inlet hose and tahat may be damaged as well causing the problem.
Was this
answer
helpful?
Yes
No
Tuesday, December 20th, 2016 AT 6:08 PM
Tiny
NUTTYCHEWZ
  • MEMBER
  • 3 POSTS
Thanks i'll try your suggestions. One more thing the only time I got the heat to work pretty well in the front and even feel something in the rear heat was after I cleaned the system with a super cleaner for a few days. It only lasted a week or so but maybe that helps determine what could be the problem.
Was this
answer
helpful?
Yes
No
Tuesday, December 20th, 2016 AT 6:08 PM
Tiny
HMAC300
  • MECHANIC
  • 48,601 POSTS
It may be clogged then the backflush should help
Was this
answer
helpful?
Yes
No
Tuesday, December 20th, 2016 AT 6:08 PM

Please login or register to post a reply.