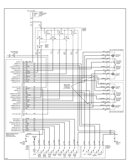
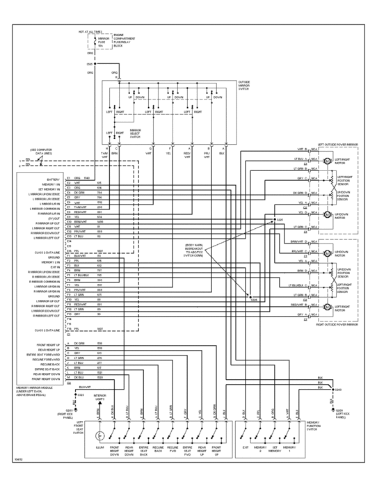
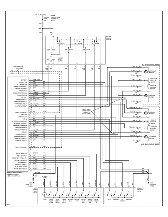
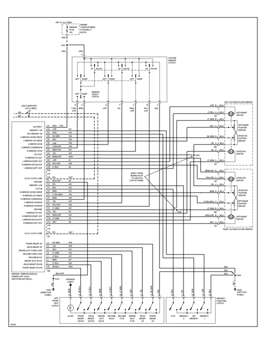
Tuesday, February 9th, 2016 AT 1:11 PM
My heat doesn't work I changed blend door actuator and flushed out heater core. Van runs at normal temperature and radiator hoses get hot so I don't think its thermostat. I manually moved blend door and no heat still came out. My coolant is rusty looking could that have something to do with it. Air blows cold in back also.




