HOME
ASK A QUESTION
REPAIR GUIDES
BECOME A MEMBER
LOG IN
Login with Facebook
OR
Remember me
NOT A MEMBER?
FORGOT PASSWORD?
CONTACT US
PRIVACY POLICY
TERMS AND CONDITIONS
☰
Home
Ford
Taurus
Engine
Oil
Low Pressure
Low pressure AC port?
JAMIEHANKINS
MEMBER
2002 FORD TAURUS
6 CYL
FWD
AUTOMATIC
150,000 MILES
Where do you add refrigerant?
Monday, April 18th, 2011 AT 10:38 PM
8 Replies
RASMATAZ
MECHANIC
75,992 POSTS
On the low side port here is a guide and a video to show you how
https://youtu.be/uZrQCGwXfek
and
https://www.2carpros.com/articles/air-conditioner-how-to-add-freon
Please let us know if you need anything else to get the problem fixed.
Was this
answer
helpful?
Yes
No
-2
Monday, April 18th, 2011 AT 10:49 PM
JAMIEHANKINS
MEMBER
4 POSTS
I was unable to locate the low side that was my problem
Was this
answer
helpful?
Yes
No
+1
Monday, April 18th, 2011 AT 10:53 PM
WRENCHTECH
MECHANIC
20,761 POSTS
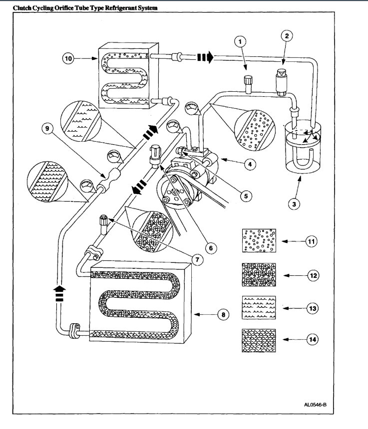
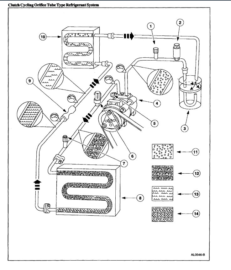
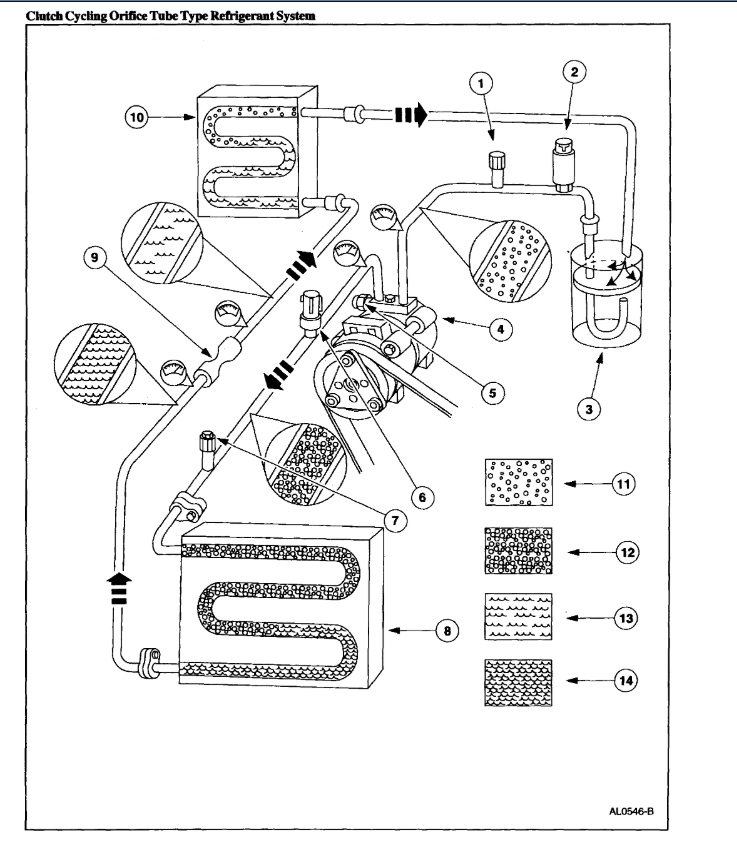
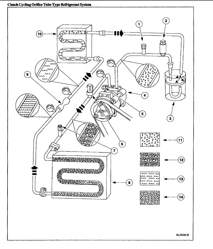
Here is a video to help you see how to find it with diagrams below
https://youtu.be/ON2dYcmXIAw
Check out the diagrams (Below). Please let us know if you need anything else to get the problem fixed.
Images (Click to make bigger)
Was this
answer
helpful?
Yes
No
Monday, April 18th, 2011 AT 11:10 PM
JAMIEHANKINS
MEMBER
4 POSTS
Ive done it quite a few times I just didnt know where the port was. Thank you.
Was this
answer
helpful?
Yes
No
Monday, April 18th, 2011 AT 11:15 PM
WRENCHTECH
MECHANIC
20,761 POSTS
Way in the back on the accumulator.
Was this
answer
helpful?
Yes
No
Monday, April 18th, 2011 AT 11:19 PM
JAMIEHANKINS
MEMBER
4 POSTS
Thanks
Was this
answer
helpful?
Yes
No
Monday, April 18th, 2011 AT 11:30 PM
STACY TRAEGER
MEMBER
1 POST
2001 FORD TAURUS
Air Conditioning problem
2001 Ford Taurus 6 cyl Two Wheel Drive Automatic
i need to find the low side port for my ac
Was this
answer
helpful?
Yes
No
Tuesday, June 11th, 2019 AT 10:18 AM (Merged)
RASMATAZ
MECHANIC
75,992 POSTS
https://www.2carpros.com/kpages/auto_repair_manuals_alldata.htm
Was this
answer
helpful?
Yes
No
Tuesday, June 11th, 2019 AT 10:18 AM (Merged)
Please
login
or
register
to post a reply.
Related Oil Low Pressure Content
Low Pressure On The Driver Side Nozzle
I Just Replaced The Washer Fluid Hoses On My Taurus. Now I Have Very Low Pressure On The Driver Side Nozzle. Can't Find Any Leaks, But It...
Asked by
mom359
·
4 ANSWERS
2002
FORD TAURUS
GUIDE
Oil Pressure Low
Engine oil is used to cool and lubricate bearing and machined surfaces. Without oil pressure an engine will experience extreme internal engine damage due to heat caused by...
2002 Ford Taurus Location Of Low Pressure Port
Where Is The Low Pressure Ac Port
Asked by
jgranda
·
1 ANSWER
2002
FORD TAURUS
2002 Ford Taurus
Air Conditioning Problem 2002 Ford Taurus 6 Cyl Front Wheel Drive How Can You Test To Be Sure The High Pressure Or Low Pressure...
Asked by
Chris Sheffner
·
3 ANSWERS
2002
FORD TAURUS
Engine Just Died With No Oil Pressure
I Have No Oil Pressure On My 97 Ford Taurus Changed The Oil Pump, Oil Filter, Oil And Gasket Not Leaking Engine Starts But Is Loud With No...
Asked by
Andersonjoshua27
·
3 ANSWERS
1997
FORD TAURUS
Stalling Followed By "low Oil Pressure", Oil Light And...
Yesterday, I Was Stopped At A Stop Light And The Car Died On Me. I Was Driving The Car For About 15 Minutes Before I Came To This Light....
Asked by
Jdaniellemcg
·
1 ANSWER
1 IMAGE
2004
FORD TAURUS
VIEW MORE
Ask a Car Question. It's Free!