Stalls while I am driving it?

Tiny
DHDB
  • MEMBER
  • 2002 DODGE RAM
  • V8
  • FWD
  • AUTOMATIC
  • 94,000 MILES
My 2002 dodge ram stalls while I am driving it.
Tuesday, December 21st, 2010 AT 8:01 PM

1 Reply

Tiny
KEN L
  • MASTER CERTIFIED MECHANIC
  • 55,488 POSTS
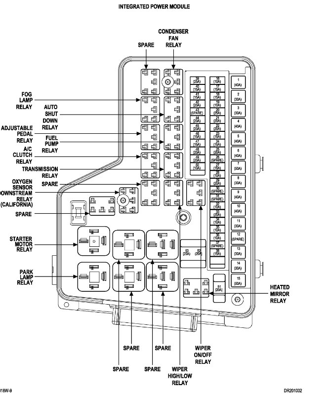
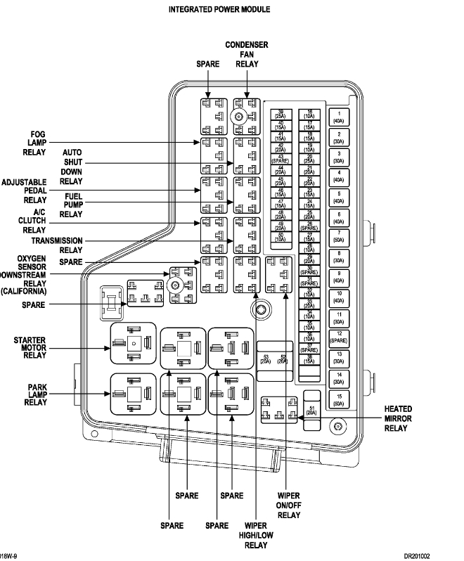
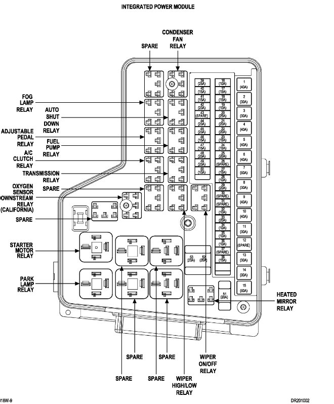
It could be many things that can cause this issue, fuel pump, ASD relay etc. I have had a lot of ASD relays go bad lately maybe this is your problem but as should runt he codes first and I have left the ASD relay location in the diagrams below so you can change it out just in case.

https://www.2carpros.com/articles/checking-a-service-engine-soon-or-check-engine-light-on-or-flashing

Check out the diagrams (Below). Please let us know what happens.
Was this
answer
helpful?
Yes
No
Saturday, July 23rd, 2022 AT 11:50 AM

Please login or register to post a reply.