Fuel pressure regulator replacement instructions please?

Tiny
JOEDONLOONEY
  • MEMBER
  • 2002 CHEVROLET TAHOE
  • 158,000 MILES
Short version, but I will try to describe as much as possible: The only appreciable work I've had done on my Tahoe is replacement of the fuel pump by the dealership approx. 50,000 miles ago when it failed. Several months ago I began experiencing rough idling and difficulty starting. Eventually, my SES light illuminated and I pulled P0300 and P0175 from a code reader. I went through replacing the parts in the chain of potential problems that I felt competent in replacing the fuel pressure regulator.
Regards,
Alex
Friday, October 26th, 2012 AT 7:30 PM

15 Replies

Tiny
KASEKENNY
  • MECHANIC
  • 18,907 POSTS
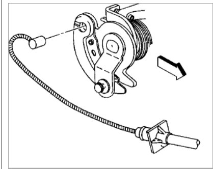
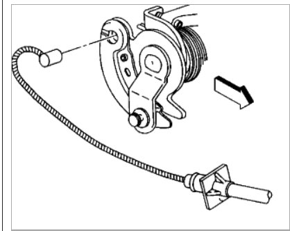
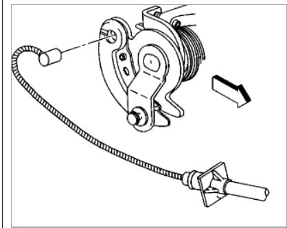
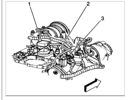
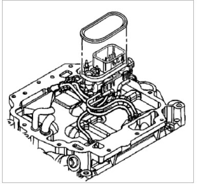
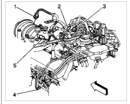
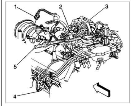
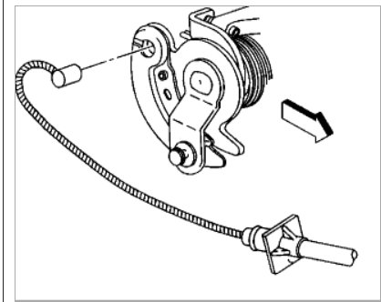
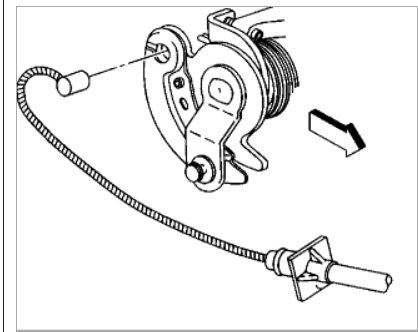
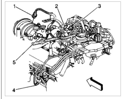
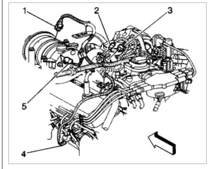
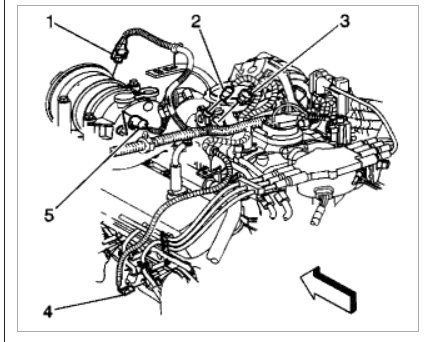
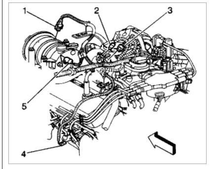
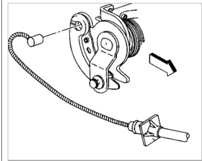
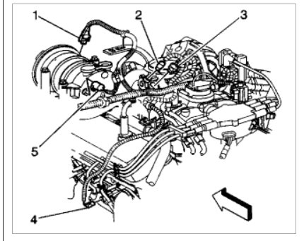
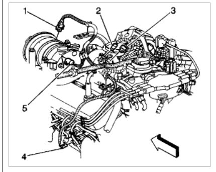
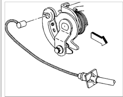
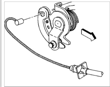
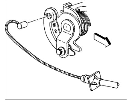
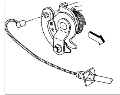
Here are the instructions from the manual on how to replace the regulator including the location view.

Also, here is a guide if you want to test the pressure as well:

https://www.2carpros.com/articles/how-to-check-fuel-system-pressure-and-regulator

Please run through this material and let us know if you have other questions on how to do this. Thanks
Was this
answer
helpful?
Yes
No
-1
Sunday, May 2nd, 2021 AT 8:27 AM
Tiny
TAPIA1996
  • MEMBER
  • 1 POST
  • 1999 CHEVROLET TAHOE
  • V8
  • 4WD
  • AUTOMATIC
  • 150,000 MILES
Service Engine Soon indicator keeps flashing on my dashboard, took vehicle to have diagnostic testing and was told engine was misfiring, something wrong with spark plugs or wire set, changed but problem still exists. A friend recommends to change Fuel Pressure Regulator because spark plugs seem to be burned and this could be caused by air/fuel pressure not correct. Want to change this part but don't know location in order to replace. Please advise, thank you
Was this
answer
helpful?
Yes
No
Wednesday, June 2nd, 2021 AT 2:48 PM (Merged)
Tiny
2CARPRO JACK
  • MECHANIC
  • 11,533 POSTS
Depend on which engine. 5.7 L it is under the upper intake plenum (black plastic cover). If you remove it, you will see the"spider" injector, the regulator is mounted on the side of the injector. If it is a 5.3L the reg is on the fuel rail on the drivers side. Check for fuel in the vacuum line to the intake manifold
Was this
answer
helpful?
Yes
No
-2
Wednesday, June 2nd, 2021 AT 2:48 PM (Merged)
Tiny
DLESSARD7
  • MEMBER
  • 1 POST
  • 1998 CHEVROLET TAHOE
Where is the fuel pressure regulator on a 1998 chevy tahoe 5.7liter
Was this
answer
helpful?
Yes
No
+1
Wednesday, June 2nd, 2021 AT 2:48 PM (Merged)
Tiny
RASMATAZ
  • MECHANIC
  • 75,992 POSTS
Fuel Pressure Regulator Assembly, Located In Fuel Meter Assy Inside Intake Manifold


https://www.2carpros.com/forum/automotive_pictures/12900_pr_1.gif



https://www.2carpros.com/kpages/auto_repair_manuals_alldata.htm
Was this
answer
helpful?
Yes
No
Wednesday, June 2nd, 2021 AT 2:48 PM (Merged)
Tiny
BRAD BEAGLEY
  • MEMBER
  • 1 POST
  • 1998 CHEVROLET TAHOE
Where can I find the fuel pressure regulator on my tahoe
Was this
answer
helpful?
Yes
No
Wednesday, June 2nd, 2021 AT 2:48 PM (Merged)
Tiny
BLUELIGHTNIN6
  • MECHANIC
  • 16,542 POSTS
Fuel pressure regulator is located under upper intake manifold assembly.

REMOVAL:
Relieve fuel system pressure. Disconnect negative battery cable. Remove upper intake manifold assembly. Remove regulator.

INSTALLATION:
Reverse removal procedure for installation. Assemble regulator with vacuum tube pointing down into the snap ring retainer.

Thanks for using 2CarPros. Com!
Was this
answer
helpful?
Yes
No
+1
Wednesday, June 2nd, 2021 AT 2:48 PM (Merged)
Tiny
MRTCLEM
  • MEMBER
  • 1 POST
  • 1998 CHEVROLET TAHOE
  • V8
  • 4WD
  • AUTOMATIC
  • 125,532 MILES
Hello My name buddy and I need some advise from you Im trying to replace fuel pressure regulater and I have a small problem I have a 5.7 motor and I have all of the scews out of top upper plastic intake but there a middle peace with wires connected and thats stopping the upper plastic intake from comming off also I disconnected the two fuel lines already can please tell me how do that upper plastic intake comes off thank you very much buddy
Was this
answer
helpful?
Yes
No
Wednesday, June 2nd, 2021 AT 2:48 PM (Merged)
Tiny
PEAR69
  • MECHANIC
  • 1,482 POSTS
I am assuming that you have disconnected the injector wiring harness that plugs into that middle piece. That middle piece is part of the "spider injector" system. It does not come off with the upper plastic intake cover, but there is a rubber gasket that seals there. Try squirting a little wd 40 around this seal. Also, the gasket that seals the upper cover to the lower intake is rubber. It may be "sealed real good", so be patient and pry carefully. Make sure that all of the bolt/studs are removed and the fuel lines are out of the way. Remove number 1 spark plug wire from the distributer. Very carefully pry the plastic cover off, and be sure to retain the middle piece as you pry off. The fuel pressure regulator is attatched to the spider assembly. Be sure to replace the gasket that seals the upper manifold cover with a new one -- and do not use any sealant on this rubber gasket.
Was this
answer
helpful?
Yes
No
Wednesday, June 2nd, 2021 AT 2:48 PM (Merged)
Tiny
MRDOG1967
  • MEMBER
  • 2 POSTS
  • 1997 CHEVROLET TAHOE
Where is the fuel pressure regulator located on a 97 chevy tahoe?
Was this
answer
helpful?
Yes
No
Wednesday, June 2nd, 2021 AT 2:48 PM (Merged)
Tiny
DOCFIXIT
  • MECHANIC
  • 18,828 POSTS
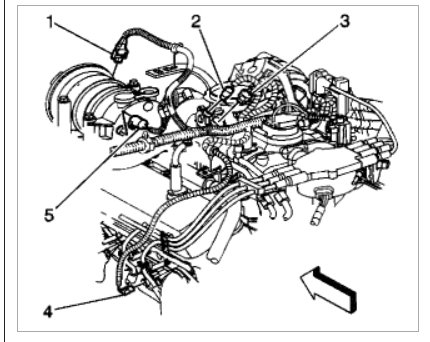
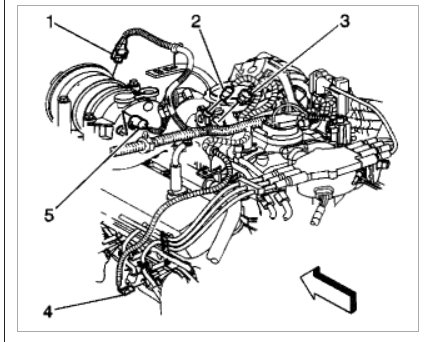
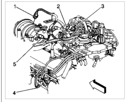
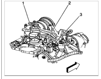
Here is a guide that shows the location and how to test it but its located under the upper intake manifold.

https://www.2carpros.com/articles/how-to-check-fuel-system-pressure-and-regulator

Check out the diagrams (Below). Please let us know if you need anything else to get the problem fixed.

Cheers
Was this
answer
helpful?
Yes
No
Wednesday, June 2nd, 2021 AT 2:48 PM (Merged)
Tiny
DEENELI
  • MEMBER
  • 6 POSTS
  • 1996 CHEVROLET TAHOE
Would a fuel pressure regulator cause the engine to shake if it gets to much fuel? All so have you know if its going out or bad?
Was this
answer
helpful?
Yes
No
Wednesday, June 2nd, 2021 AT 2:48 PM (Merged)
Tiny
OBXAUTOMEDIC
  • MECHANIC
  • 3,711 POSTS
Hello,

If an engine is getting to much fuel it will usually stall out right after starting or won't start at all and have a Strong Odor of Gas.

Is your engine light on? If so have codes pulled write them down and post here in forum.

The engine shake can be cause by missfiring, Vacuum Leaks, Bad Engine Mounts.

Usually with a Bad or Failing Fuel Pressure Regulator the engine will take longer to start. Ex: the vehicle starts right up = good pressure regulator. Engine turns over for 10 - 15 seconds before starts = Bad or Failing pressure regulator.

Watch the video at link below for test with test equipment....

https://www.2carpros.com/car_repair_video/test_fuel_injection_pressure.htm

.
Was this
answer
helpful?
Yes
No
Wednesday, June 2nd, 2021 AT 2:48 PM (Merged)
Tiny
COREY H JENKINS
  • MEMBER
  • 80 POSTS
  • 1996 CHEVROLET TAHOE
  • 5.7L
  • V8
  • 4WD
  • AUTOMATIC
  • 253,000 MILES
Changing my fuel pressure regulator. Picked up part and went home to do the deed. When I got down to it, the new one is not the same as the old one. New one has a nipple for a hose to hook-up to and the old one does not. Called parts store and they said I had the correct one according to their computer. The Chilton book I have is for a 1999 and it shows pictures and talks of one with a nipple and unhooking the tube.
What my question is can I use this regulator with nipple or not? Maybe put a piece of hose on it with a screw in it to block airflow in or discharge?
Thank you. You guys are always helpful. I love this site since I found it.
Was this
answer
helpful?
Yes
No
Wednesday, June 2nd, 2021 AT 2:48 PM (Merged)
Tiny
CARADIODOC
  • MECHANIC
  • 34,375 POSTS
Plugging the port is not going to do anything. That is where a vacuum hose must be connected. GM has had a lot of trouble with their fuel pressure regulators leaking out of that port. Other than that, regulators cause very little trouble.

To verify you have the right regulator, look at the vacuum hose routing diagram on the emissions sticker under the hood. Do not use a service manual that is three years different than your truck. Major changes take place every year, especially with GM products.

There are two forces acting on a molecule of gas when it leaves the injector. Intake manifold vacuum is pulling on it, and fuel pressure is pushing on it. During coasting, vacuum goes way up. That increased force would pull in too much fuel resulting in an excessively-rich coast-down condition. To prevent that, vacuum is applied to the regulator to modify its spring pressure on the internal diaphragm. That lowers the pressure it keeps the fuel at, thereby keeping the same overall force pulling on the fuel. Higher vacuum during coasting and lower pressure.

The opposite occurs during acceleration or when lugging uphill. Vacuum goes way down, so pressure goes way up. The net difference between the two forces remains constant. They have gone away from the fuel pressure regulator on the fuel rail on many newer vehicles. The regulator is inside the gas tank and does not have a vacuum hose hooked to it. Instead, fuel pressure remains steady under all driving conditions, and the engine computer is programmed to shorten the injector pulses when vacuum is high. During coasting, fuel gets pulled in faster, but for a shorter period of time, so the rich coast-down condition is prevented.

Those two fuel delivery systems are very different, and you need the regulator designed to do what the system needs. In your case that is a regulator with a vacuum hose attached. It sounds like you're removing the wrong one for your engine.
Was this
answer
helpful?
Yes
No
+1
Wednesday, June 2nd, 2021 AT 2:48 PM (Merged)

Please login or register to post a reply.