Where is my heater control valve located?

2002 CHEVROLET S-10
6 CYL • 4WD • AUTOMATIC
Avatar
STEVENDARR
  • MEMBER
  • 1 POST
Where can I find the heater control valve in a 2002 Chevy S10. Help me please.
Dec 8, 2010 at 1:04 AM
Repair Safety Notice: This information is for general instructional purposes only. Vehicle repair can be dangerous. Verify all information, follow manufacturer service procedures, use proper tools and safety equipment, and consult a qualified repair shop when needed.
Advertisement
Avatar
BLUELIGHTNIN6
  • CAR REPAIR CONTRIBUTOR
  • 16,542 POSTS
There is not heater hose control valve but there is a control valve for the HVAC vacuum system. Here is the problem? This guide can help

https://www.2carpros.com/articles/car-heater-not-working

Please let us know what you find.

Cheers
Dec 8, 2010 at 1:06 AM
Advertisement
Avatar
WRENCHTECH
  • CAR REPAIR CONTRIBUTOR
  • 20,761 POSTS
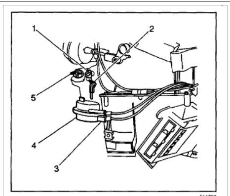
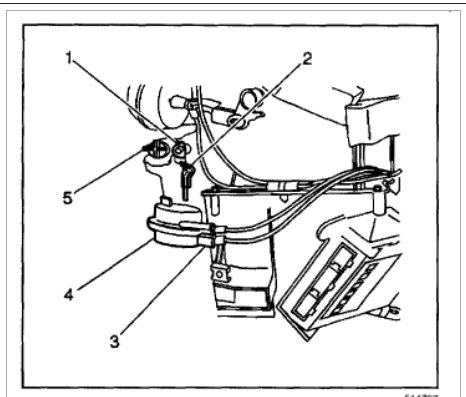
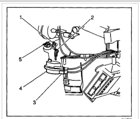
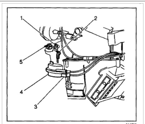
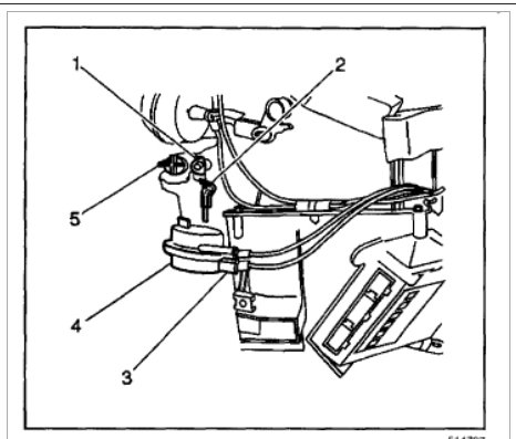
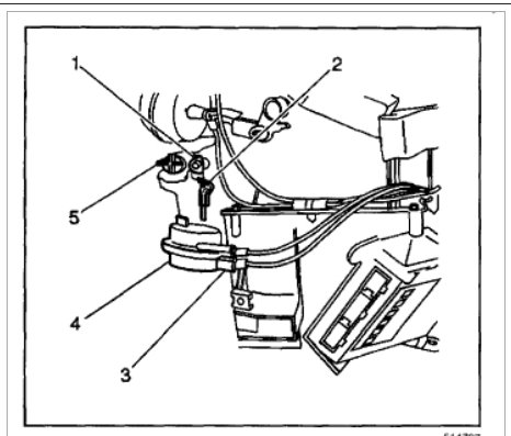
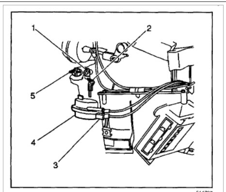
That would be air that it is blending. There are no water controls. It's #1 in the picture https://www.2carpros.com/images/external/97424597.gif
Dec 8, 2010 at 1:17 AM
Avatar
STRAILER
  • CAR REPAIR CONTRIBUTOR
  • 54,189 POSTS
Hello,

Here is a guide that will give you an idea on how to change the blend door actuators.

https://www.2carpros.com/articles/replace-blend-door-motor

Here is what it will be like for your car I have included all actuators so others can see where all the locations are.

Check out the diagrams (Below)

Please let us know what you find. We are interested to see what it is.

Cheers, Ken
Jan 4, 2018 at 5:58 PM
Avatar
ARMANDO8
  • MEMBER
  • 1 POST
Heater problem
1999 Chevy S-10 6 cyl Two Wheel Drive Automatic

Where is the heater valve located?
Feb 15, 2019 at 6:19 PM (Merged)
Avatar
BLUELIGHTNIN6
  • CAR REPAIR CONTRIBUTOR
  • 16,542 POSTS
It will be in line with the heater hoses near the firewall on passengers side.
Feb 15, 2019 at 6:19 PM (Merged)
Avatar
BIRDMAN1984
  • MEMBER
  • 1 POST
want to now why i get luke warm heat to cold in the mournings. I was told if i dont smell antifreeze from airducts then its not the heater core. Is that true. can i just flush the heater core out.is that difficult?
Feb 15, 2019 at 6:19 PM (Merged)
Avatar
KEVIN12881
  • MEMBER
  • 336 POSTS
you can try flushing. ive never done it, but there are numerous instuctions in posts of heater cores. check your fluid level and thermo. does it get hot (the air) after long time driving? is the air hot at normal operating engine temp? fill coolant first, then look into flushing.
Feb 15, 2019 at 6:19 PM (Merged)
Avatar
RHALL77
  • CAR REPAIR CONTRIBUTOR
  • 3,361 POSTS
back flush the heater core and purchase prestone super flush and follow the instructions carefully. this should take care of your concern
Feb 15, 2019 at 6:19 PM (Merged)
Avatar
HERB III
  • MEMBER
  • 1 POST
Went to work yesterday and the heater worked fine no noise left work the heater did not come on were do I start to look
Feb 15, 2019 at 6:19 PM (Merged)
Avatar
JACOBANDNICKOLAS
  • CAR REPAIR CONTRIBUTOR
  • 110,190 POSTS
The place I would start is by checking the fuse. If it's good, move to the motor and check for power. If there is power, make sure the motor has a good ground and if it still doesn't work, replace the motor. If no power, move to the blower motor resister.

Let me know what you find.
Joe
Feb 15, 2019 at 6:19 PM (Merged)
Avatar
STIEB325
  • MEMBER
  • 1 POST
I have a 2002 chevy s-10 4x4 . I have a problem with my heater. When i drive for a while the heater heats up for a while but when i sit somewhere with the engine running it turns cold. Every now and then my temp guage slowly creeps up to hot but when i turn the heat on full blast it goes back to normal. I have no heat unless it is ideling past 2 rpms . I think it may be heater core but how much does it cost to have someone repair it?
Feb 15, 2019 at 6:20 PM (Merged)
Avatar
FEESH13937
  • MEMBER
  • 12 POSTS
sounds like it could be the thermostat. easy fix. you can pick one up for about 2 or 3 bucks. try that first, if that does not fix the problem then e-mail for some more info. feesh13937@yahoo.com
title the e-mail 2002 s10 heating proplem. so i dont throw it to the spam mail. good luck
Feb 15, 2019 at 6:20 PM (Merged)
Avatar
MATT2002
  • MEMBER
  • 1 POST
I have a 2002 s10, 4.3 engine. The heater wont turn on, the switch doesnt work, all I get is hot air from the defroster, what is the problem?
Feb 15, 2019 at 6:20 PM (Merged)
Avatar
ERNEST CLARK
  • CAR REPAIR CONTRIBUTOR
  • 1,730 POSTS
It's either in the control unit, the blend door inside the HVAC unit is stuck or a vacuum line/solenoid is faulty or leaking.

First make sure the vacuum line entering the HVAC unit is not broken/leaking. Then you'll have to test he control unit (check fuses first) because it's easier to check than the HVAC unit. If that checks out ok, remove the HVAC unit and check all vacuum lines, wires and connectors. Then you'll have to check the solenoid pack (need a vacuum gauge) to see if they hold vacuum and actuate the different blend/diverter doors as you apply vacuum to solenoids.
Feb 15, 2019 at 6:20 PM (Merged)
Avatar
BLACKOP555
  • CAR REPAIR CONTRIBUTOR
  • 10,386 POSTS
pop the hood, warm the vehicle up then go under the hood and locate the heater core hoses.

feel them with your hand right at the firewall. is one of them hot and one cold? both hot? both cold?

both just warm?

let me know what you find.
Feb 15, 2019 at 6:20 PM (Merged)
Avatar
NORAD22
  • MEMBER
  • 3 POSTS
My 99 S-10 stopped producing hot air from any of the vents when heat control knob is selected to full heat. So I put it on defrost and have selector knobe on cold. I hear the A/C come on and it blowes cold air, then I move selector knobe to full hot and hear a change in air flow to the windshield but no hot air. Disasibled the front part of the dash and looked at the back side of the air selector switches and all of a sudden hot air. This only worked for a few days, right back to cold air. I also noticed a few more days later that the coolent tempreature was lower than normal. So did a complete flush and cleaning of the system with the defrons on and full heat. Also replaced the thermastat as well. Still no heat so again I took the front part of the dash apart and looked at the slector switches and also disconnected the plug to the heat control knobe to see if there were any kind of discolorations. No discolorations, reconnected every thing and my heat is working again. Now three days after I did that I have no heat again. I have also checked both the return line and inlite line to the heater core and both of them are very hot. After I perforned the flush my tempreature gage is still reading low so I am thinking that the tempreature sending sensor is bad. How ever I need to know why I get no heat from any of the vents when I select heat. All the vent doors behind the dash close and open like they are suppost to how ever I have not check the door for the air to flow over the hearter core. Dont know where that is at behind the dash. Please help me, kind of hard to drive when the windshiled will not defrost.
Feb 15, 2019 at 6:20 PM (Merged)
Avatar
DENNYP
  • CAR REPAIR CONTRIBUTOR
  • 1,824 POSTS
Here is a diagnostic chart for you to try.(the hyperlinks won't work)


Temperature Control Inoperative
Step
Action
Value(s)
Yes
No

1
Was the HVAC Blower Controls System Check performed?
--
Go to Step 2
Go to HVAC Blower Controls System Check

2
Inspect the HVAC I fuse 21.

Is the fuse open?
--
Go to Step 20
Go to Step 3

3
Disconnect the air temperature valve sensor.
Turn the ignition switch to the RUN position.
Move the headlamp switch to the PARK position.
Using the J 35616-A , connect a J 39200 Digital Multimeter (DMM) between cavity 8 (CKT 733) of the air temperature valve motor connector and ground.
Move the temperature control knob from the HOT position to the COLD position.
Does the voltage vary smoothly and continuously within the specified range?
0-12 V
Go to Step 4
Go to Step 9

4
Using the J 35616-A , connect a J 39200 DMM between cavity 10 (CKT 341) of the air temperature valve motor connector and ground.

Does the voltage equal the specified value?
B+
Go to Step 5
Go to Step 7

5
Using the J 35616-A , connect a J 39200 DMM between cavity 10 (CKT 341) and cavity 7 (CKT 1850) of the air temperature valve motor connector.

Does the voltage equal the specified value?
B+
Go to Step 6
Go to Step 8

6
Replace the air temperature valve motor. Refer to Temperature Actuator Replacement .

Is the repair complete?
--
Go to HVAC Blower Controls System Check
--

7
Locate and repair the open or high resistance in CKT 341 between the IP fuse block HVAC I fuse 21 and air temperature valve motor.

Is the repair complete?
--
Go to HVAC Blower Controls System Check
--

8
Locate and repair the open or high resistance in CKT 1850 between the air temperature valve motor and G200.

Is the repair complete?
--
Go to HVAC Blower Controls System Check
--

9
Did the voltage remain at or near the specified value regardless of the temperature control knob position?
B+
Go to Step 10
Go to Step 15

10
Disconnect the heater controller/heater and A/C controller connector C3.
Using the J 39200 DMM, backprobe the jumpers at C3 terminal A (CKT 341) to terminal C (CKT 1050).
Turn the ignition switch to the RUN position.
Move the headlamp switch to the PARK position.
Measure the voltage drop.
Does the voltage equal the specified value?
B+
Go to Step 11
Go to Step 12

11
Replace the heater controller/heater and A/C controller. Refer to Control Assembly Replacement .

Is the repair complete?
--
Go to HVAC Blower Controls System Check
--

12
Move the headlamp switch to the OFF position.

Does the voltage equal the specified value?
B+
Go to Step 13
Go to Step 14

13
Locate and repair the high resistance in CKT 1050 between splice pack SP203 and G203.

Is the repair complete?
--
Go to HVAC Blower Controls System Check
--

14
Locate and repair the open or high resistance in CKT 1050 between the heater controller/heater and A/C controller connector C3 terminal C and splice pack SP203.

Is the repair complete?
--
Go to HVAC Blower Controls System Check
--

15
Did the voltage remain at or near the specified value regardless of the temperature control knob position?
0 V
Go to Step 16
Go to Step 10

16
Disconnect the heater controller/heater and A/C controller connector C3.
Using the J 35616-A , construct jumper leads in order to connect all of the connector C3 cavities to the appropriate terminals at the controller.
Using the J 39200 DMM, backprobe the jumper at C3 terminal B (CKT 733) to ground.
Turn the ignition switch to the RUN position.
Move the headlamp switch to the PARK position.
Move the temperature control knob from the HOT position to the COLD position.
Does the voltage vary smoothly and continuously within the specified range?
0-12 V
Go to Step 17
Go to Step 18

17
Repair the open or high resistance in CKT 733 between the heater controller/heater and A/C controller and the air temperature valve sensor.

Is the repair complete?
--
Go to HVAC Blower Controls System Check
--

18
Using the J 39200 , backprobe at the heater controller/heater and A/C controller connector C3 terminal A and terminal C in order to measure the voltage drop.

Does the voltage equal the specified value?
B+
Go to Step 23
Go to Step 19

19
Using the J 39200 , backprobe at the heater controller/heater and A/C controller connector C3 terminal A and ground in order to measure the voltage drop.

Does the voltage equal the specified value?
B+
Go to Step 11
Go to Step 7

20
Using the J 39200 DMM, probe the HVAC I fuse 21 test points.

Does the J 39200 DMM display the specified value at both test points?
B+
Go to Step 21
Go to Step 22

21
Locate and repair the short to ground in CKT 341 between the IP fuse block and the heater controller/heater and A/C controller connector C3 terminal A.

Is the repair complete?
--
Go to HVAC Blower Controls System Check
--

22
Locate and repair the open in CKT 300 between the IP fuse block and the ignition switch. Refer to Power Distribution Schematics in Wiring Systems.

Is the repair complete?
--
Go to HVAC Blower Controls System Check
--

23
Disconnect the jumper at the heater controller/heater and A/C controller connector C3 terminal B. Do not disconnect the jumper from the controller.
Measure the voltage at terminal B of the controller at the disconnected end of the jumper.
Disconnect the air temperature valve sensor.
Move the temperature control from the HOT position to the COLD position.
Does the voltage vary smoothly and continuously within the specified range?
0-12 V
Go to Step 24
Go to Step 11

24
Repair the short to ground in CKT 733 between the heater controller/heater and A/C controller connector C3 terminal B and the air temperature valve sensor.

Is the repair complete?
--
Go to HVAC Blower Controls System Check
Feb 15, 2019 at 6:20 PM (Merged)
Avatar
NORAD22
  • MEMBER
  • 3 POSTS
At step three you lost me completely. I havent a clue on what you are talking about and where any of these parts are located at. All I know is that the blower does work A/C works greate. The will work after I have removed the front part of the dash but a couple of days later it stops.
Feb 15, 2019 at 6:20 PM (Merged)
Avatar
DENNYP
  • CAR REPAIR CONTRIBUTOR
  • 1,824 POSTS
Do you have a DVOM? (digital volt ohm meter)
Do you know how to measure for voltage and resistance?
(I need to get an idea of what level electrical knowledge you are at. This helps me to determine how in depth to get on the instructions)
Let me know which components you need help locating.
Feb 15, 2019 at 6:20 PM (Merged)
Avatar
NORAD22
  • MEMBER
  • 3 POSTS
Yes I do have one and yes I know how to use it. I did check the resistor for the heat/cold selector knob and that seems to work. I get a veriance of .5v to 3V it fluxuates some but there is a noticeble change when the knob is moved. I also took off the supply and return lines off of the heater core and hooked up 10psi air to it to flush it out to see if by any chance there was something in there. I did not see any thing come out other than clean fluid. Good this is I can not see any build up of any kind on the hoses or on the heater core.
Feb 15, 2019 at 6:20 PM (Merged)
Avatar
CHEVYCHRIS28
  • MEMBER
  • 1 POST
NO HEAT
Feb 15, 2019 at 6:20 PM (Merged)
Avatar
2CARPRO JACK
  • CAR REPAIR CONTRIBUTOR
  • 11,533 POSTS
Check the heater hoses to see if they are getting hot.Those S-trucks used Dexcool which tended to plug up the heater cores. If hoses are not hot, then haev the heater core backflushed to clear it out.If hot, then you probably havea blend door actuator problem or a bad control head
Feb 15, 2019 at 6:20 PM (Merged)
Avatar
DENNYP
  • CAR REPAIR CONTRIBUTOR
  • 1,824 POSTS
First, check to see if the temp door actuator moves when you turn the temp control knob. You should be able to see the motor shaft turn. It is located behind the glovebox, on top of the HVAC box. It is number 1 in the pic.


https://images.2carpros.com/forum/automotive_pictures/102900_393159_1.jpg

Feb 15, 2019 at 6:20 PM (Merged)
Avatar
FLITEMEDIC
  • MEMBER
  • 3 POSTS
[quote:159eece569="2CarPro Jack"]Check the heater hoses to see if they are getting hot.Those S-trucks used Dexcool which tended to plug up the heater cores. If hoses are not hot, then haev the heater core backflushed to clear it out.If hot, then you probably havea blend door actuator problem or a bad control head[/quote:159eece569] I know all that stuff...But where is the control head "they say is in behind the radio"
Feb 15, 2019 at 6:20 PM (Merged)
Avatar
2CARPRO JACK
  • CAR REPAIR CONTRIBUTOR
  • 11,533 POSTS
The control head is the panel with the vent/heater/ a/c controls
Feb 15, 2019 at 6:20 PM (Merged)