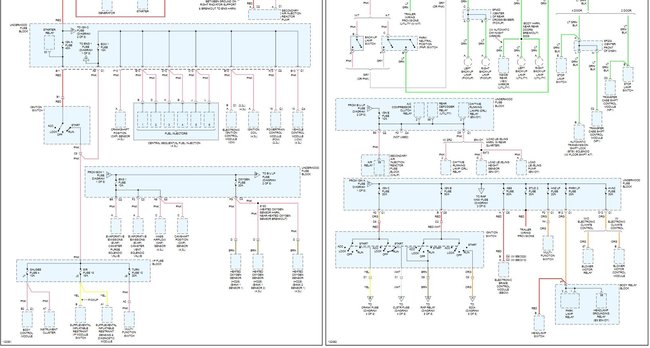
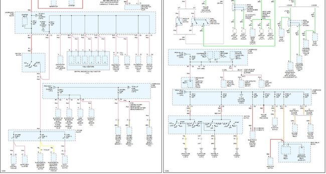
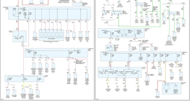
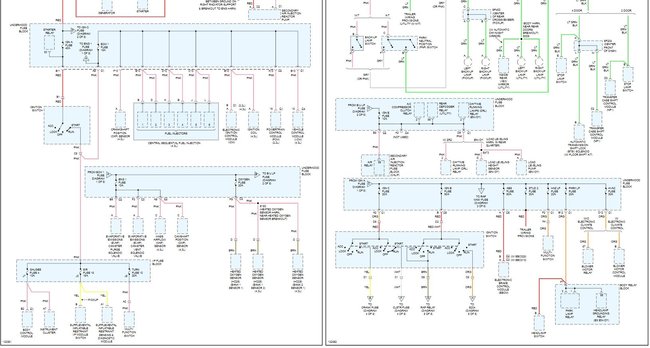
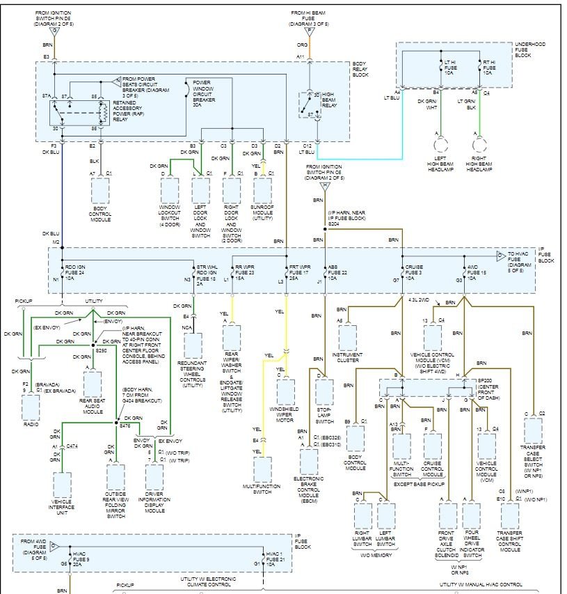
Tuesday, April 8th, 2014 AT 6:55 AM
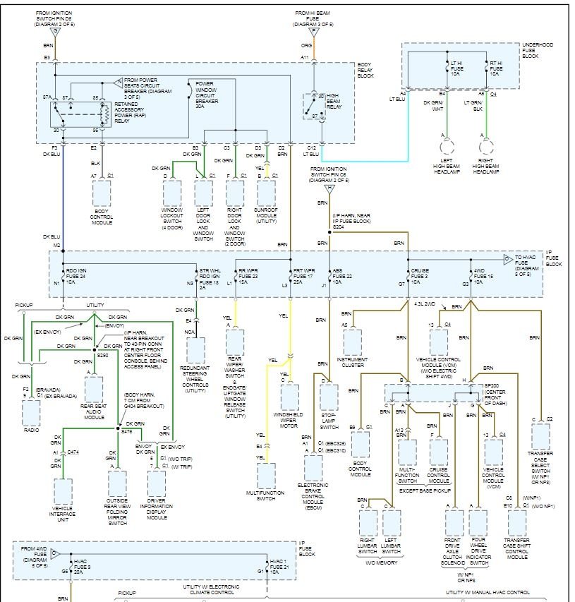
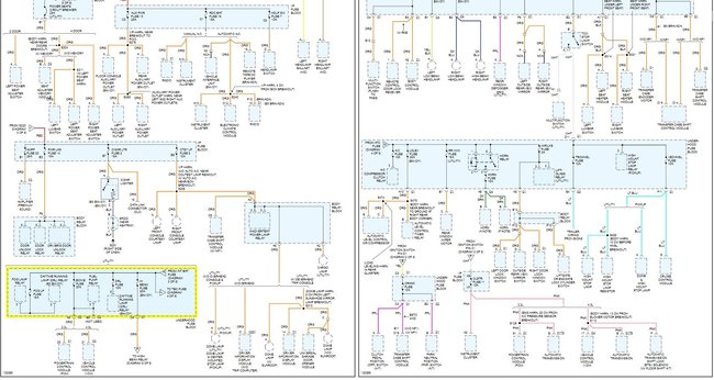
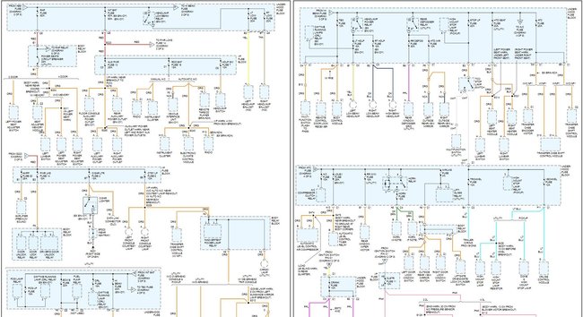
I tried to do some welding without disconnecting the neg. Cable. This apparently fried the starter relay inside the fuse box because it got to a point where it wouldn't stars without a light charge. Replaced the relay & things were going fine but this week when I don't use the truck every day the battery drains down to the point that a light charge ( maybe 2 mins) is needed & then I can go all day. Charging system, battery, starter all check out in good to excellent condition according to O'Reillys tester. We have an abnormal amount of pot-holes here & I'm wondering if something got shaken slightly loose or do I need to check the fuse box can I get diagrams please?


































