Dash lights and interior light do not work?

Tiny
MEC350
  • MEMBER
  • 2002 CADILLAC SLS
  • V8
  • FWD
  • AUTOMATIC
  • 120 MILES
Dash lights and interior light do not work tried changing different modules no help checked fuses relay checked grounds for shorts put on a new module for lights which cost about 500.00 lights went on 1 st try but went off 2nd try.
Thursday, December 12th, 2013 AT 2:09 PM

1 Reply

Tiny
KASEKENNY
  • MECHANIC
  • 18,907 POSTS
There are a number of things that can cause this, but we need to start with going to a bulb and check for power at the bulb. Assuming we do not have it, we need to go back through the system and find where we do have power.

However, if there is power at the bulb then we have a common ground issue.

https://www.2carpros.com/articles/how-to-check-wiring

https://www.2carpros.com/articles/how-to-use-a-voltmeter

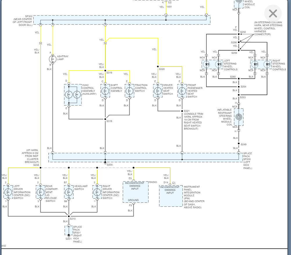
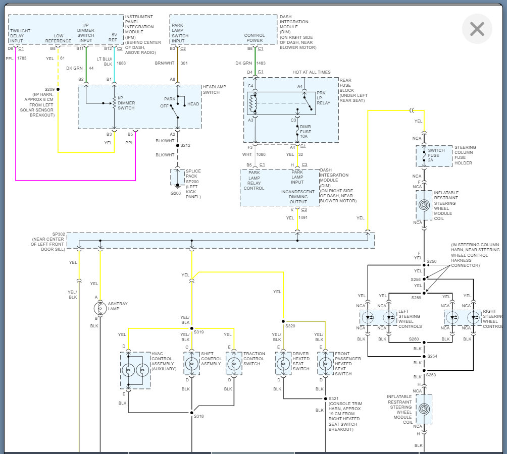
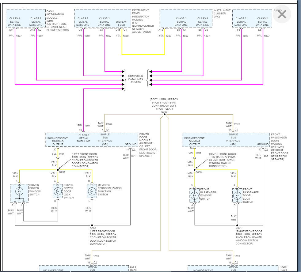
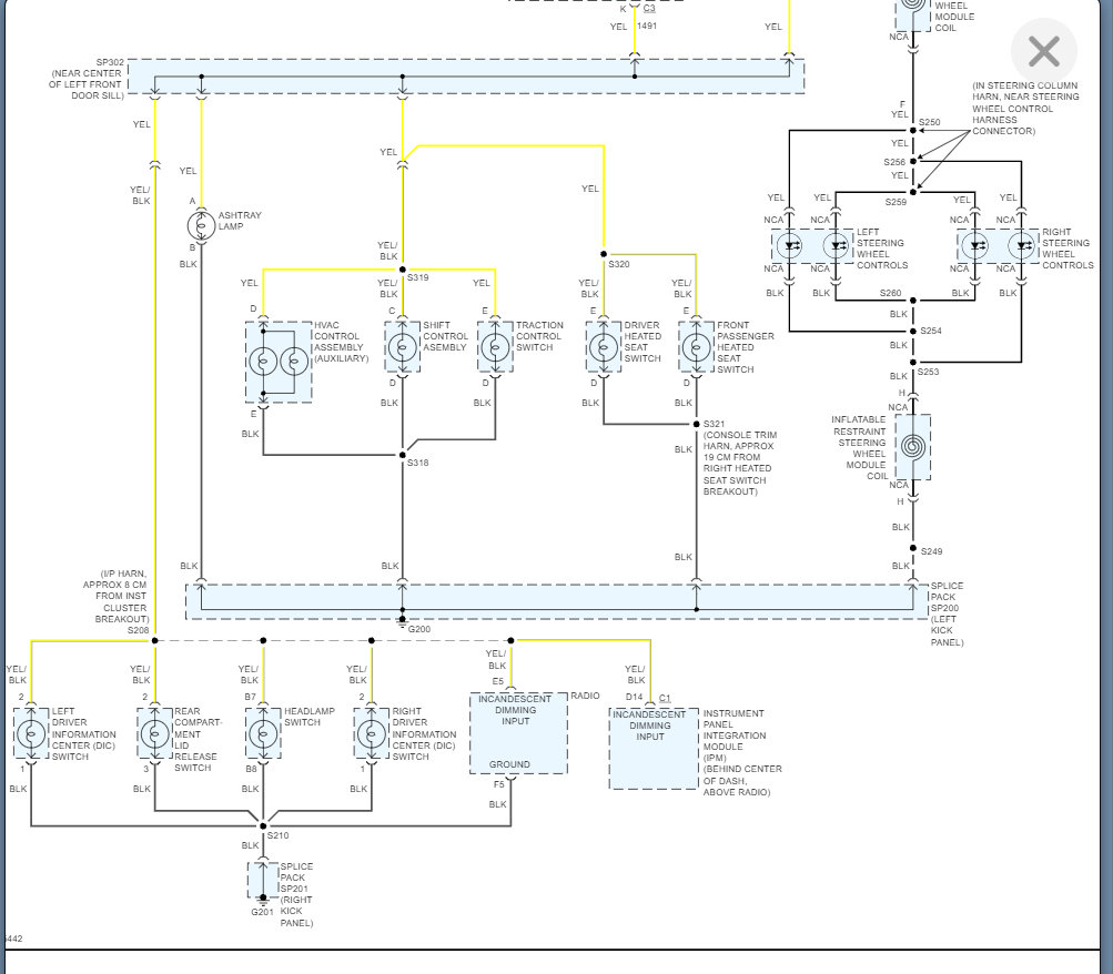
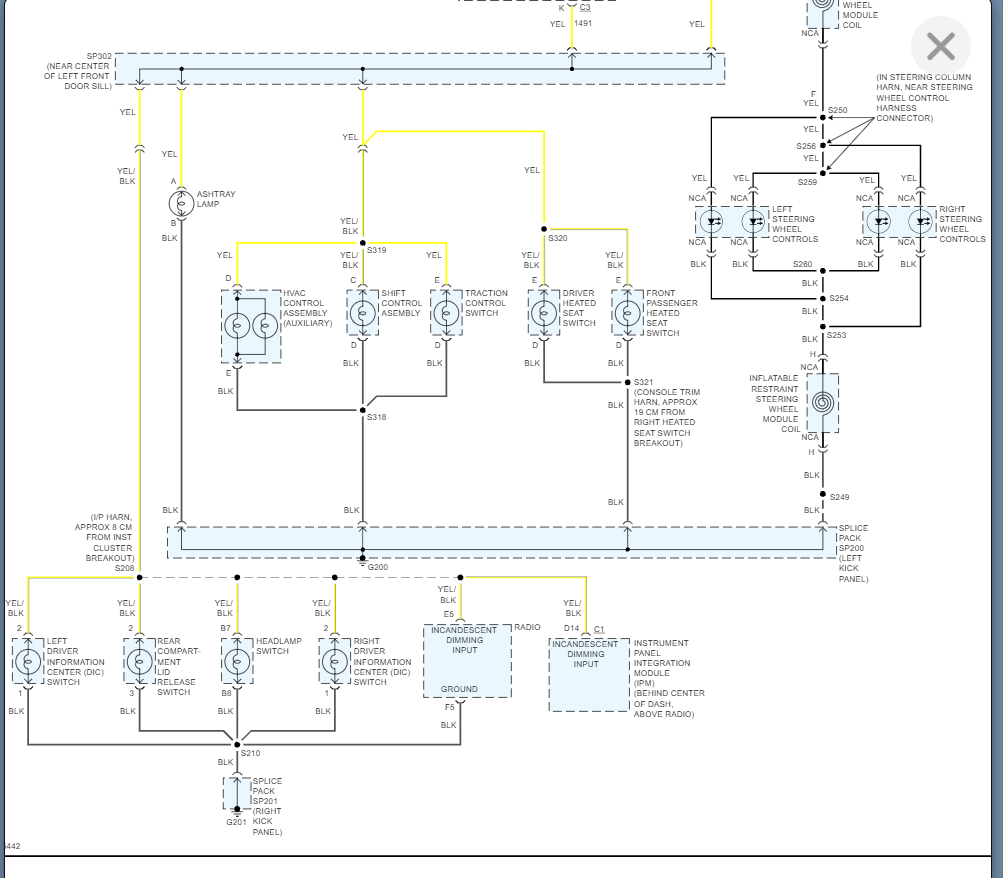
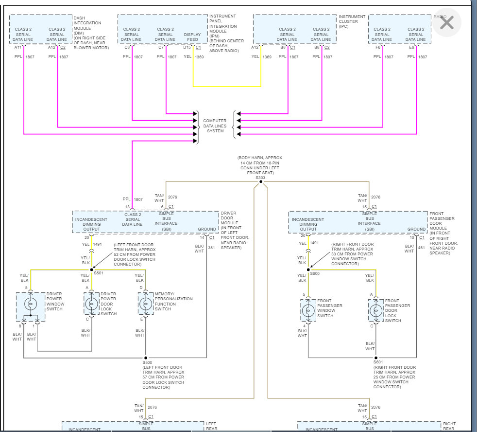
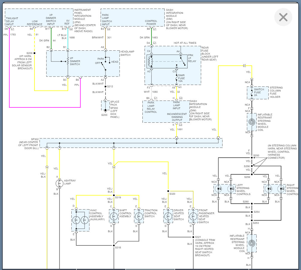
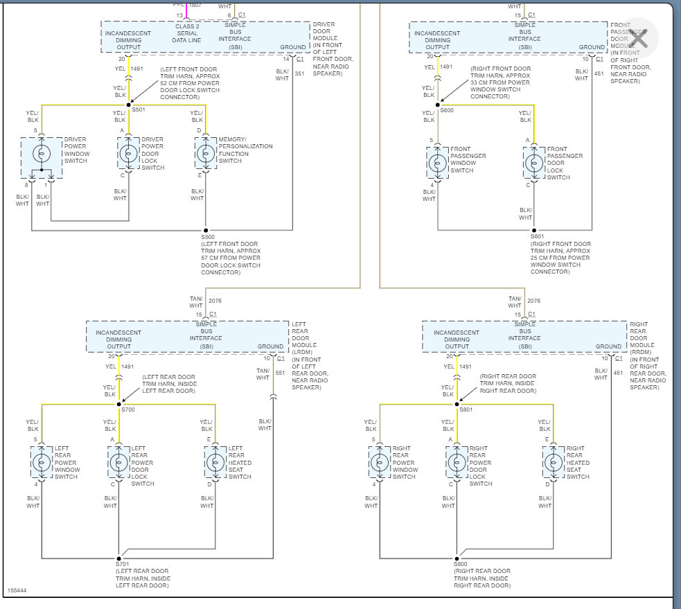
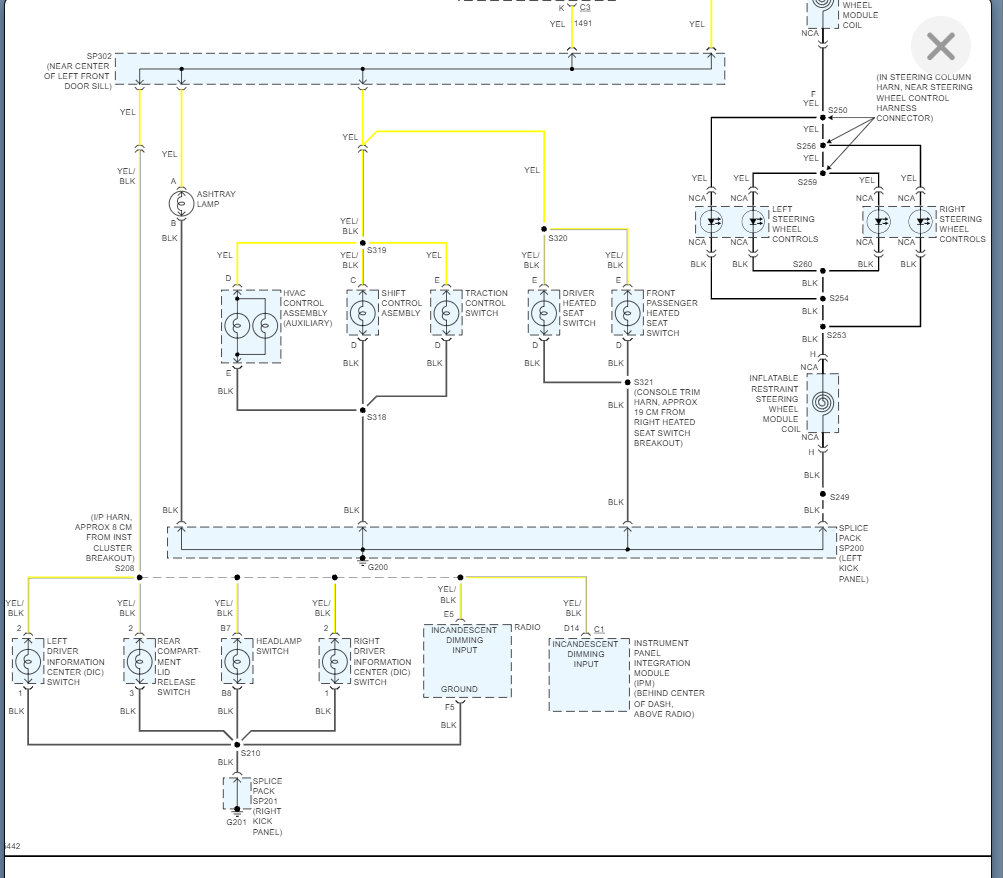
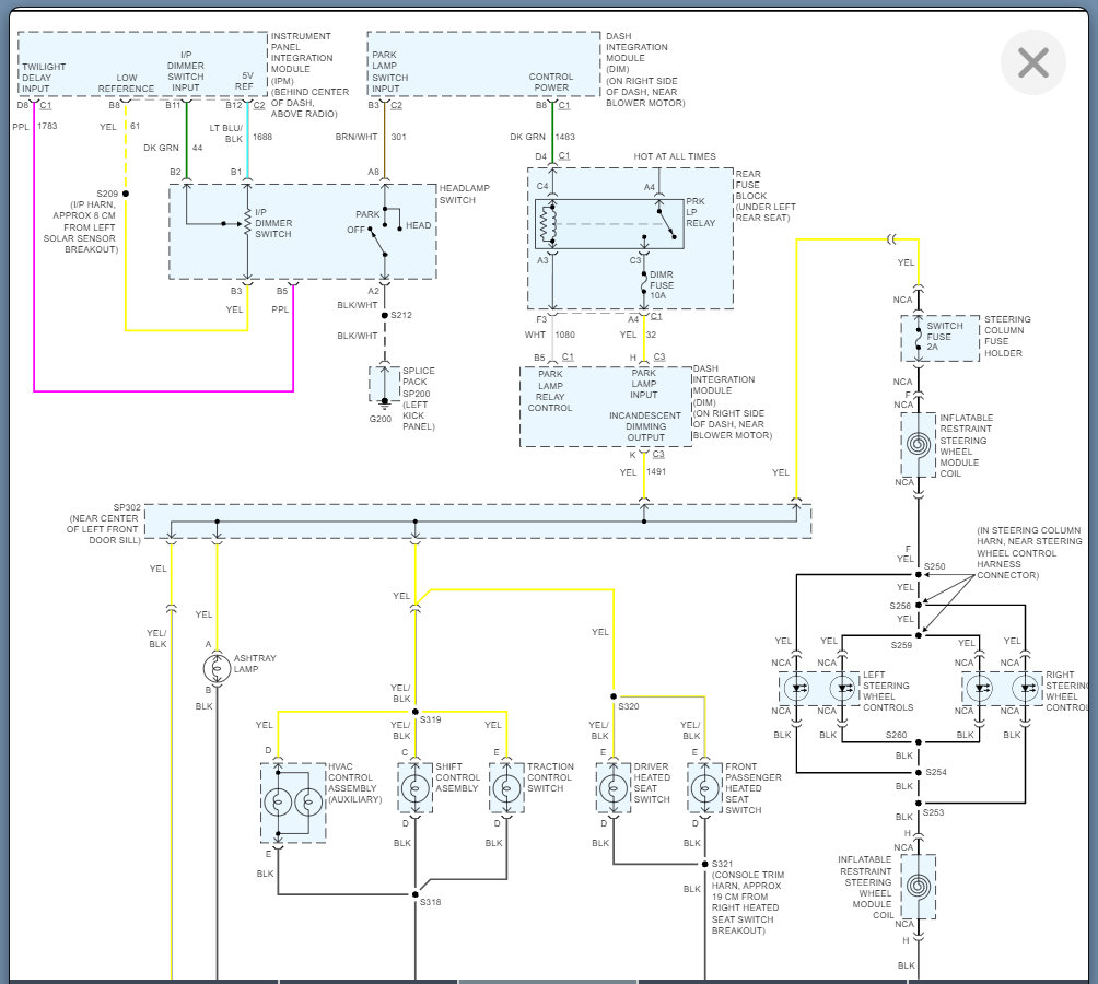
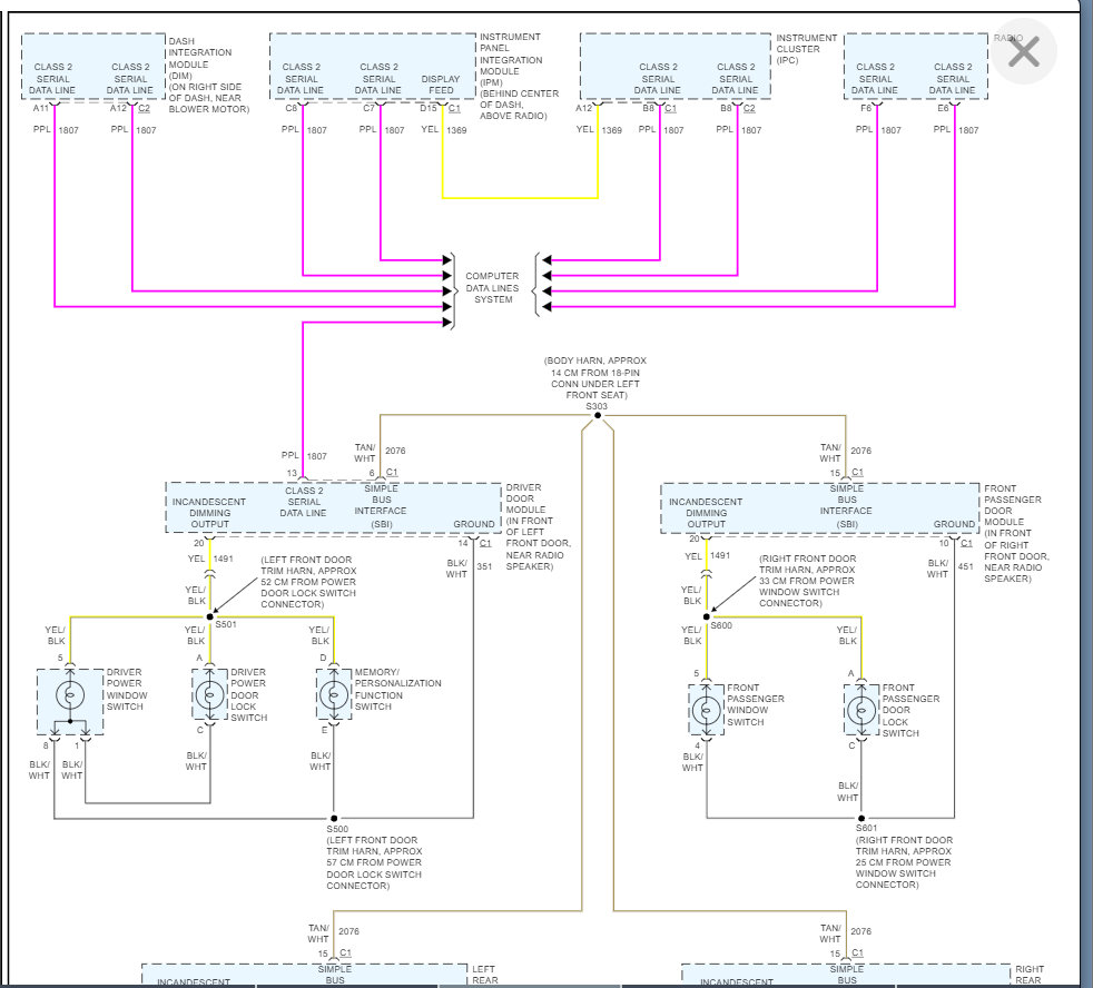
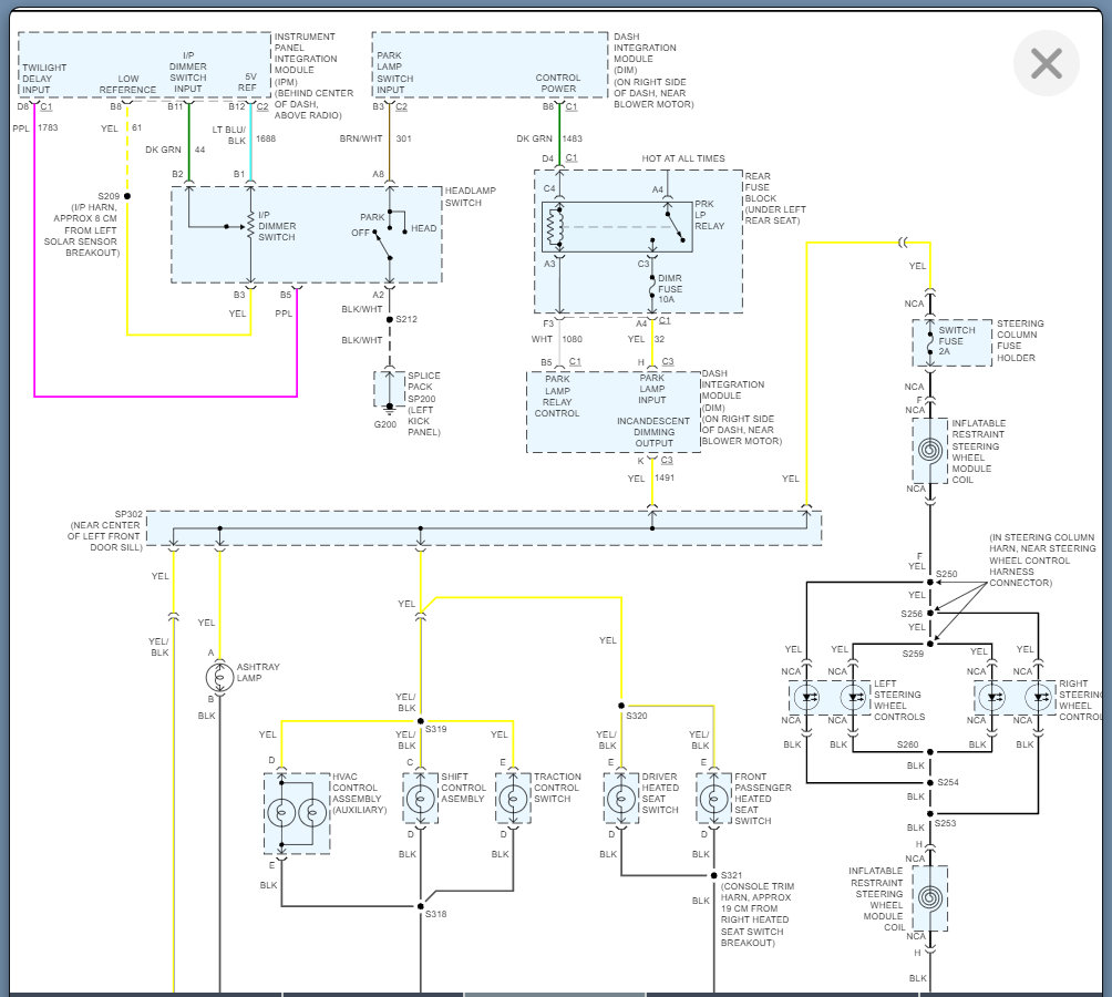
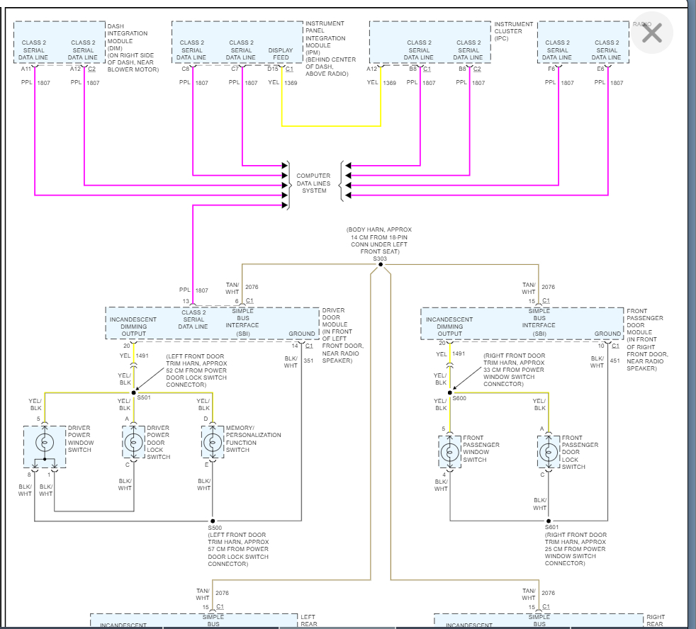
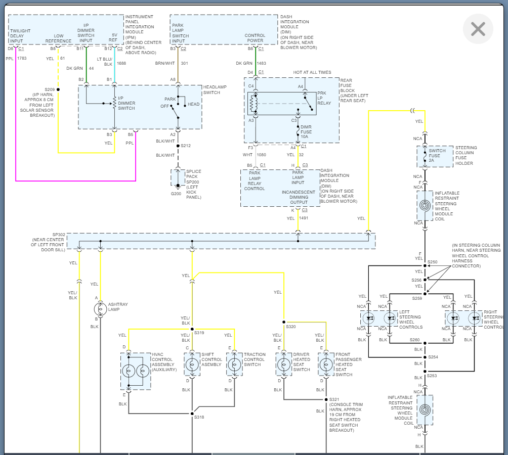
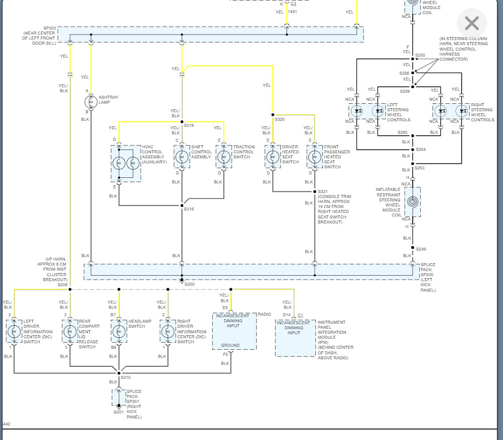
I am including the wiring diagrams below that will help with tracing these circuits. Clearly you do not need to expose the wiring but go to specific points in the circuit to check for power.

Clearly this is not much info to go on yet but the common thing that would make sense is the headlamp switch.

So, let's check the voltage going in and out of the switch when the lights are to be on and that will tell us if the switch is failed. I assume one of the modules you replaced was the IPM, so we need to make sure the switch is giving the correct voltage to the IPM.

Please run through this info and let us know what questions you have. Thanks
Was this
answer
helpful?
Yes
No
Friday, October 15th, 2021 AT 7:16 AM

Please login or register to post a reply.