Drivers side power windows not working

Tiny
MIKE RICHEY
  • MEMBER
  • 2001 CHEVROLET TAHOE
  • 5.3L
  • V8
  • 4WD
  • AUTOMATIC
  • 220,000 MILES
SUV listed above is the LT model. I cannot roll down my driver side window or Left rear passenger window. I can roll down right passenger and right rear windows fine.
When sitting in left rear you push the button to roll it down nothing happens.
Tested left front window motor with 12 V battery and it works goes up and down.
Replaced driver window switch module with new one same thing happens.

Need some help on testing the wiring harness.
I pulled door panel off to access harness. Motor has 2 connectors, brown and blue, I need to know how to test for power.
I know orange is12V DC.
Need help with where to test for this. Fuse box? Switch?
Tuesday, December 8th, 2020 AT 4:48 PM

18 Replies

Tiny
MIKE RICHEY
  • MEMBER
  • 13 POSTS
I know there is power getting to the switch somehow because the right front and right rear switches work on the driver module just not the left front and left rear not.

Use to work intermittently when door was slammed shut it would work for a few seconds then nothing.
I looked in between the door and frame took off the rubber boot and saw a bunch of wires can't see any break, but need to test with a meter or test light. Need exact instructions on to do that. Like; test orange wire from switch to ground should read? Stuff like that.
Thanks in advance.
Was this
answer
helpful?
Yes
No
Tuesday, December 8th, 2020 AT 5:02 PM
Tiny
JACOBANDNICKOLAS
  • MECHANIC
  • 110,192 POSTS
Hi,

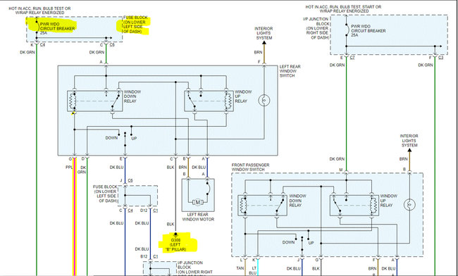
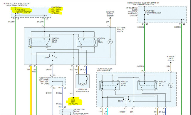
Do the left windows go up or down? In other words, do they work at all? If both are not working, I suspect one of two things. There is a chance that the 25 amp circuit breaker is bad or you lost ground.

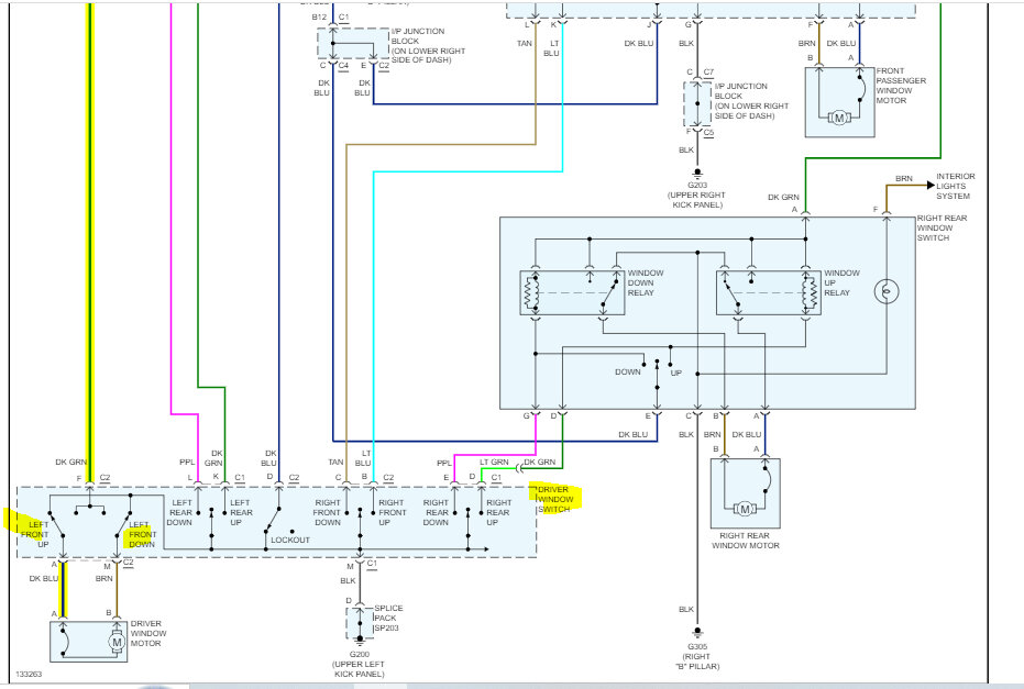
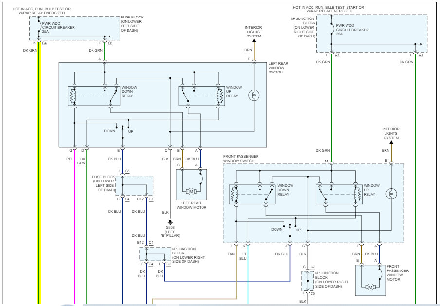
1. confirm there is constant power to the dark green wire at the main switch on the driver's side. If there is, move to number 2.

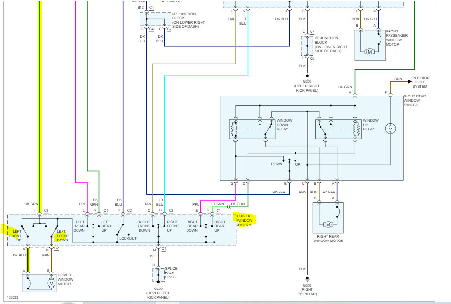
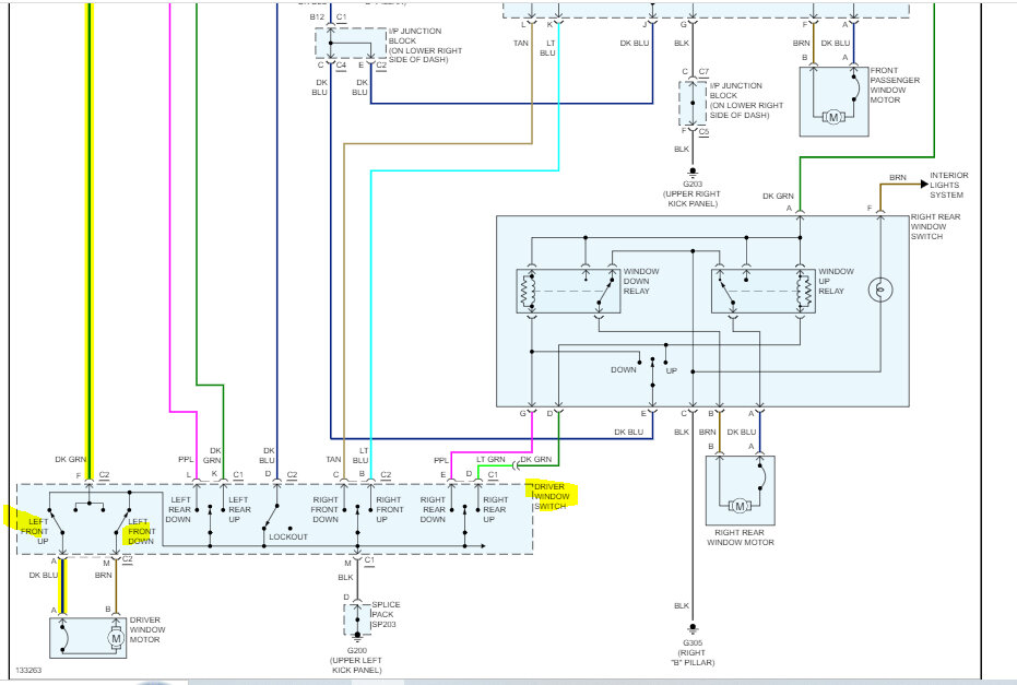
2. The rear window/driver's door switch... Check to see if there is power out from purple wire with the switch in the down position. Also, check for power out from the same switch in the dark green wire with the switch in the up position.

3. If there is, move to the rear door window motor. Check the same color wires for power to them at that point.

Let me know what you find at that point.

___________________

The driver's side window receives power direct from the power supply (dark green we checked in the first step).

1. At the motor, check the dark blue wire for power with the switch in the up position.

2. At the motor, check the brown wire for power with the switch in the down position.

Let me know what you find.

_______________________

Since both left windows are not working, I suspect the first step, where I said check for power from the circuit breaker, is going to indicate there is no power.

Regardless, let me know what you find.

Here is a link you may find helpful:

https://www.2carpros.com/articles/how-to-check-wiring

Let me know what you find.

Joe
Was this
answer
helpful?
Yes
No
+1
Tuesday, December 8th, 2020 AT 5:39 PM
Tiny
MIKE RICHEY
  • MEMBER
  • 13 POSTS
Thank you, I will take some readings tomorrow.
That 25 Amp CB gets very very very hot. I bought a new one for and it also heats up. Just wanted to add that. My lights on my dash flicker a small bit and voltage on battery needle jumps a little but stays around 14.
Thanks again.
Was this
answer
helpful?
Yes
No
Tuesday, December 8th, 2020 AT 8:38 PM
Tiny
MIKE RICHEY
  • MEMBER
  • 13 POSTS
Okay, so I found the green power wire going into the switch. Now how do I test for power. Here is a pic of the plug. I imagine I put the positive lead of my meter on the green wire and the black lead of my meter goes where?
Was this
answer
helpful?
Yes
No
Wednesday, December 9th, 2020 AT 3:46 PM
Tiny
MIKE RICHEY
  • MEMBER
  • 13 POSTS
I checked continuity dark green power wire from driver door switch to Fuse box good continuity.
Now how to check for power on this wire?
Put meter on power wire and any ground or a specific ground. Can I just put my negative lead on say a bolt or frame something like that?
Was this
answer
helpful?
Yes
No
Wednesday, December 9th, 2020 AT 5:46 PM
Tiny
JACOBANDNICKOLAS
  • MECHANIC
  • 110,192 POSTS
Hi,

Yes, you can use any known good ground. As far as the CB, it shouldn't be getting hot. That is indicating something is drawing a lot of power. As long as it isn't kicking off and it is the correct amperage, you should be okay.

Let me know if there is power at the switch.

Take care,
Joe
Was this
answer
helpful?
Yes
No
-1
Wednesday, December 9th, 2020 AT 8:33 PM
Tiny
MIKE RICHEY
  • MEMBER
  • 13 POSTS
Thanks Joe. No power at switch. Good continuity from switch to fuse box just no power at switch. I checked for power at the fuse box where the dark green wire comes out of a 12 way and 0.

Good continuity from switch to motor brown and purple from switch to motor.
Was this
answer
helpful?
Yes
No
Wednesday, December 9th, 2020 AT 9:14 PM
Tiny
MIKE RICHEY
  • MEMBER
  • 13 POSTS
I meant brown and dark blue from switch to motor continuity is good.
Was this
answer
helpful?
Yes
No
Wednesday, December 9th, 2020 AT 9:41 PM
Tiny
MIKE RICHEY
  • MEMBER
  • 13 POSTS
No power at C2 Pin F.
Was this
answer
helpful?
Yes
No
Wednesday, December 9th, 2020 AT 10:46 PM
Tiny
MIKE RICHEY
  • MEMBER
  • 13 POSTS
No power C4 Pin K.
However there is good continuity.
Was this
answer
helpful?
Yes
No
Wednesday, December 9th, 2020 AT 10:47 PM
Tiny
MIKE RICHEY
  • MEMBER
  • 13 POSTS
Can I run a new wire from batter to switch? There is already a 12v wire that I was using for roof lights that I no longer have. The wire is capped of under the dash. I checked it to ground has 12V. Just a thought. This truck has some electrical issues other than the windows all on driver side.
Driver side power seat Lumbar control works but not moving it forwards and backwards.
Everything passenger side works fine.
Driver side has issues.
Power windows and power seat, are they related?
Ground wires maybe?
I sure don't want to pay someone to do this. I have a meter and am somewhat mechanically inclined.
I changed the plugs wires fuel filter stuff like that.
Was this
answer
helpful?
Yes
No
Wednesday, December 9th, 2020 AT 11:28 PM
Tiny
JACOBANDNICKOLAS
  • MECHANIC
  • 110,192 POSTS
Hi,

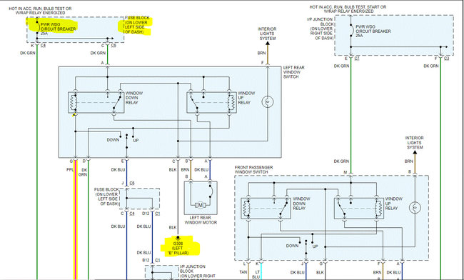
It sounds like the circuit breaker is bad. If you run power direct, there is no protection from overload, which could lead to a fire.

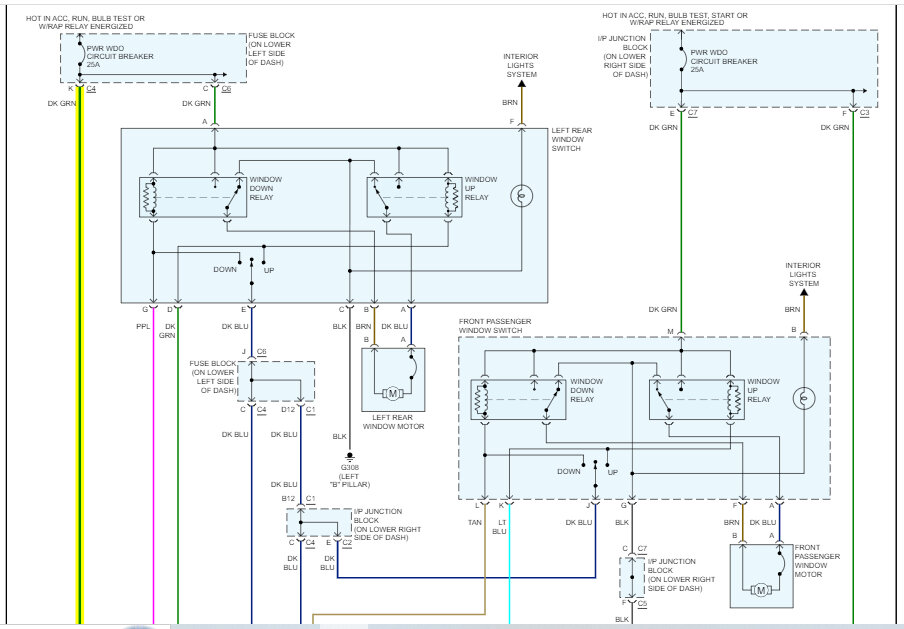
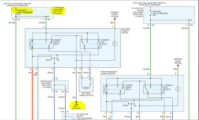
Since there is no power out from the circuit breaker, replace it first. I highlighted the CB in the pic below. It's in the instrument panel fuse/relay box.

Try this and let me know.

Joe
Was this
answer
helpful?
Yes
No
Thursday, December 10th, 2020 AT 8:08 PM
Tiny
MIKE RICHEY
  • MEMBER
  • 13 POSTS
I have replaced it with new one, same thing.
I am going to take reading on rear switch tomorrow.
Also want to find where the grounds are and test: G308 LF Rear switch says its at Left B Pilar. Is that behind the trim by the seat belt? Also G200 upper left kick panel.
Was this
answer
helpful?
Yes
No
Thursday, December 10th, 2020 AT 10:53 PM
Tiny
JACOBANDNICKOLAS
  • MECHANIC
  • 110,192 POSTS
Hi,

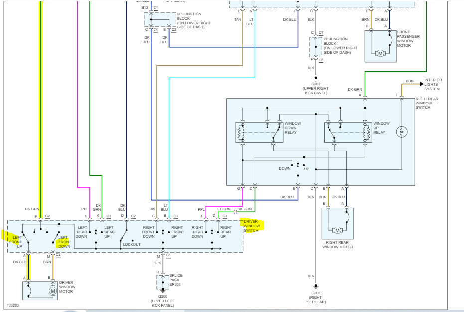
I attached a pic below showing pillar locations. As far as the G308, yes, it will be behind the trim in the pillar. When I get these, I remove the trim from the area identified to locate the exact location.

C200 is behind the upper left kick panel. The kick panel is located where your left foot would lean against if you were in the driver's seat. However, if you look at pic 2, it indicates G200 on the right side. Interesting, the manual contradicts itself.
Was this
answer
helpful?
Yes
No
Friday, December 11th, 2020 AT 9:24 PM
Tiny
MIKE RICHEY
  • MEMBER
  • 13 POSTS
LR window sw. Bad.

Removed SW. LF window now has power and works.
I left the rear sw disconnected I going to take it apart and clean the contacts and reinstall. If that doesnt work what next?
Was this
answer
helpful?
Yes
No
-1
Sunday, December 13th, 2020 AT 4:10 PM
Tiny
JACOBANDNICKOLAS
  • MECHANIC
  • 110,192 POSTS
Hi:
If it has power and doesn't work, it sounds like a motor issue. If there is power to the switch not making it to the motor, it sounds like another switch.

Confirm power to the switch and then to the motor and let me know what you find.

Take care,
Joe
Was this
answer
helpful?
Yes
No
Sunday, December 13th, 2020 AT 10:32 PM
Tiny
TIMWENDLING1994
  • MEMBER
  • 2 POSTS
Okay, guys, having and issues with my 2001 Chevy Tahoe every window works fine except the driver front have checked all power and grounds have no power on the dark blue wire coming out of switch going to window motor.
Was this
answer
helpful?
Yes
No
Friday, September 8th, 2023 AT 8:13 PM
Tiny
JACOBANDNICKOLAS
  • MECHANIC
  • 110,192 POSTS
Hi,

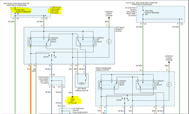
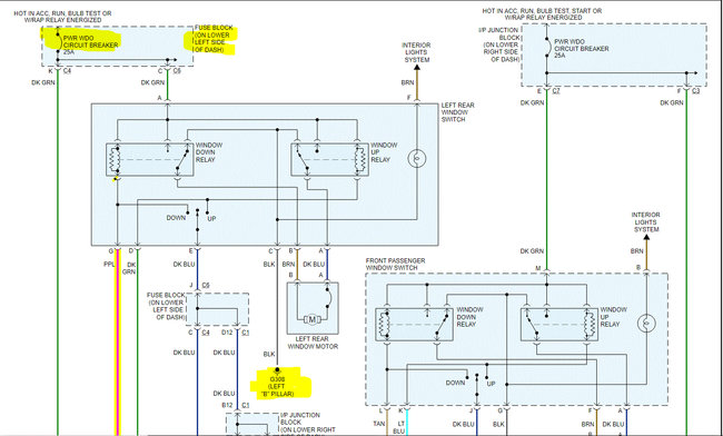
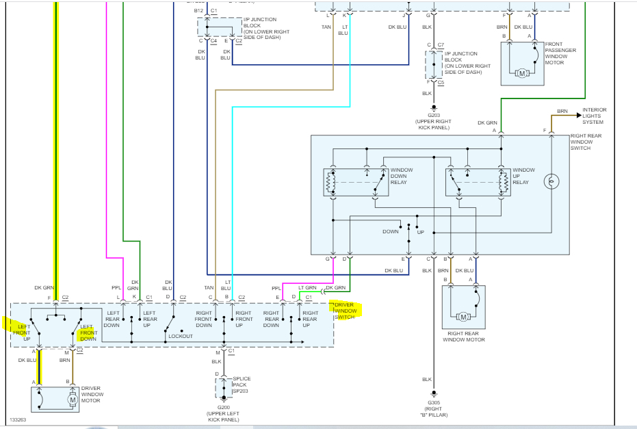
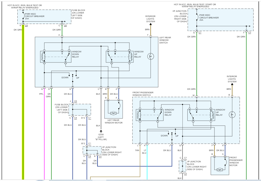
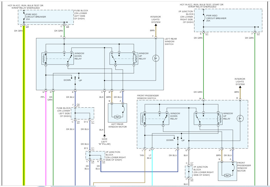
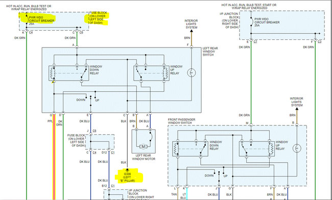
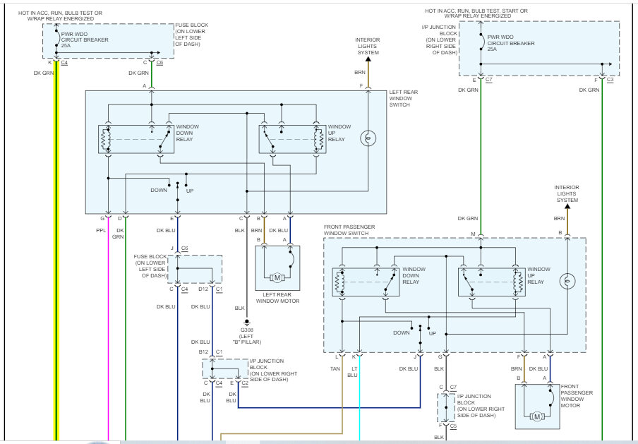
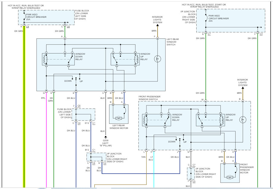
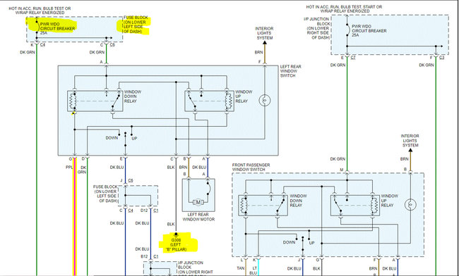
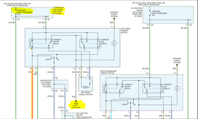
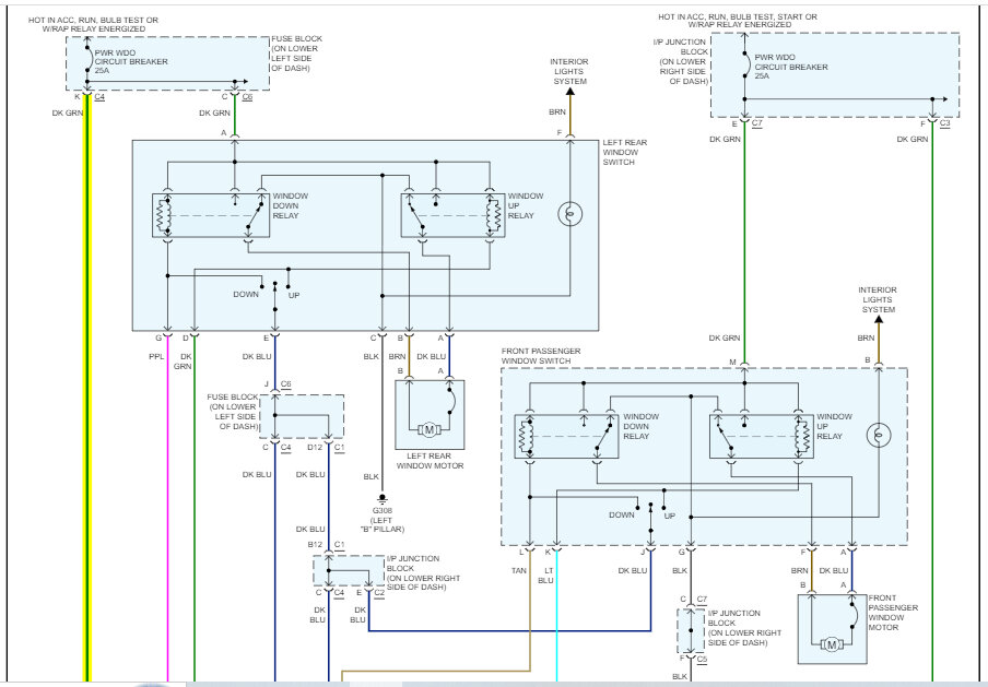
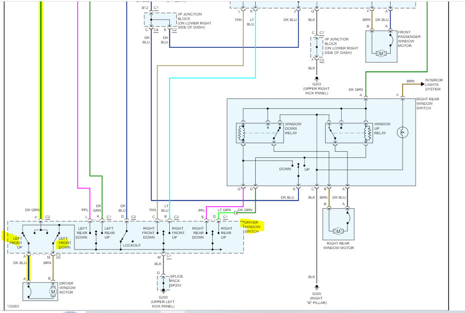
I attached the schematic below for you so that you can reference what I mention.

Do you have power in from the circuit breaker (dark green wire)? If you do, if you try to put the window down, do you have power at the brown wire going to the motor? Note when checking for power, make sure to use a known good ground. Don't depend on the opposite wire at the motor for ground.

Let me know.

Joe

See pics below.
Was this
answer
helpful?
Yes
No
Monday, September 11th, 2023 AT 7:32 PM

Please login or register to post a reply.