HOME
ASK A QUESTION
REPAIR GUIDES
BECOME A MEMBER
LOG IN
Login with Facebook
OR
Remember me
NOT A MEMBER?
FORGOT PASSWORD?
CONTACT US
PRIVACY POLICY
TERMS AND CONDITIONS
☰
Home
Pontiac
Montana
Climate Control
Air Conditioner
Not Working
My heat blows cold unless I have defrost on then it blows warm
JBASEY
MEMBER
2001 PONTIAC MONTANA
150,000 MILES
When I turn on my heat it comes out cold but when I turn on defrost it blows warm
Monday, November 7th, 2011 AT 10:46 PM
4 Replies
RIVERMIKERAT
MECHANIC
6,110 POSTS
Check the vacuum and electrical lines to the air doors. One is most likely loose or missing.
Was this
answer
helpful?
Yes
No
Monday, November 7th, 2011 AT 10:49 PM
JBASEY
MEMBER
5 POSTS
Where are the vacuum air doors
Was this
answer
helpful?
Yes
No
Monday, November 7th, 2011 AT 10:52 PM
JBASEY
MEMBER
5 POSTS
Thankyou for the response where are the electrical lines and vacuum air doors located
Was this
answer
helpful?
Yes
No
Monday, November 7th, 2011 AT 11:16 PM
RIVERMIKERAT
MECHANIC
6,110 POSTS
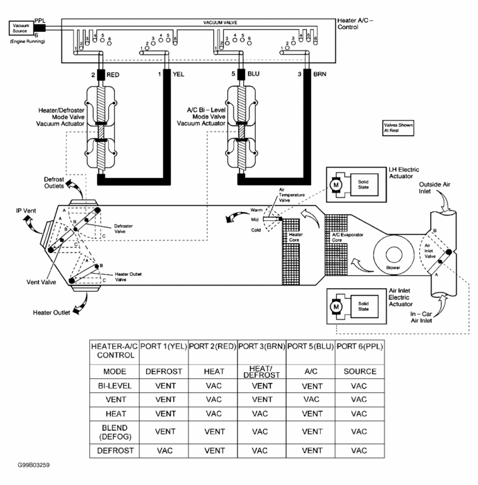
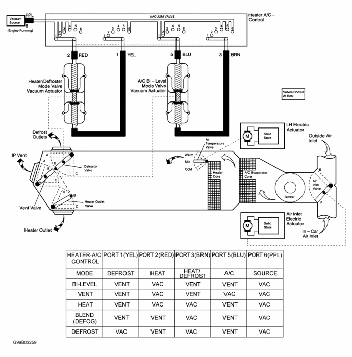
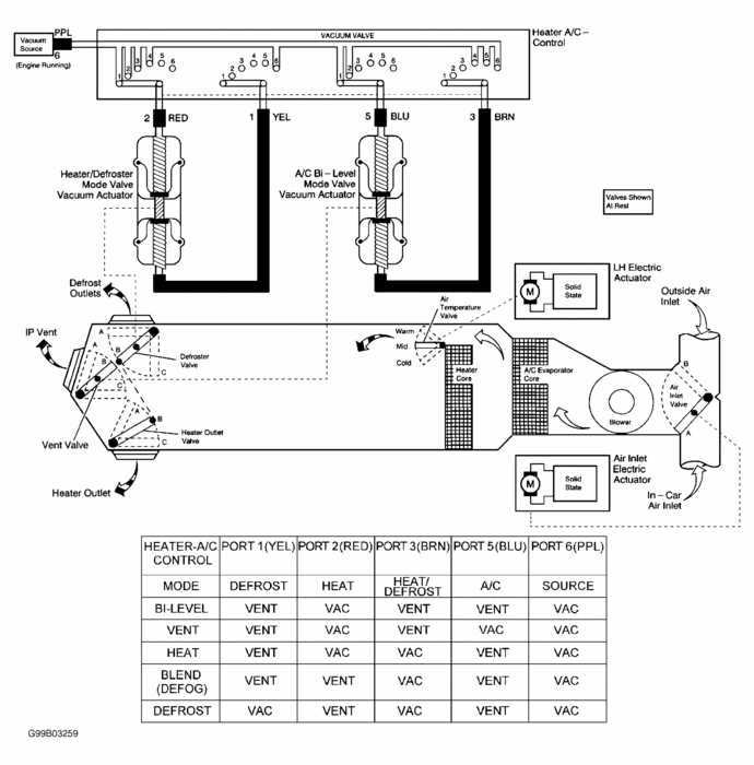
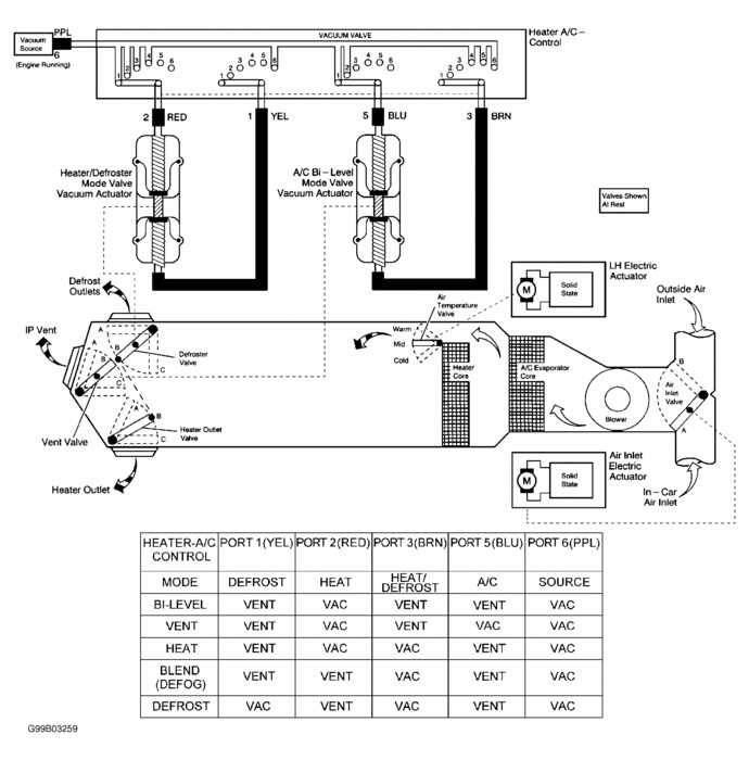
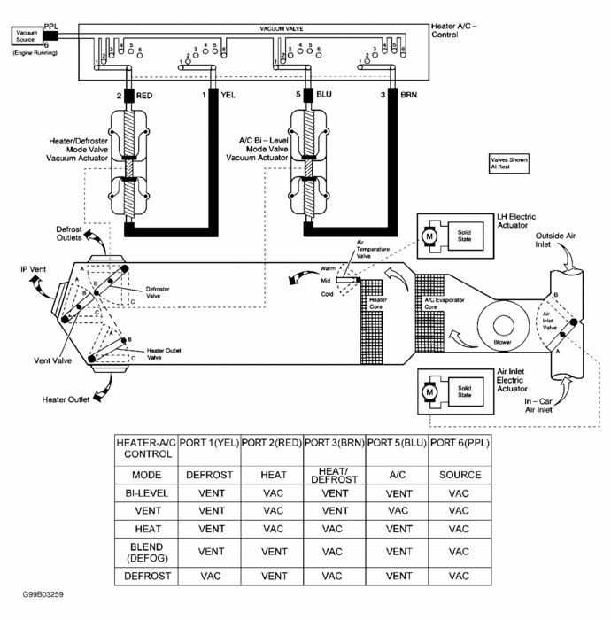
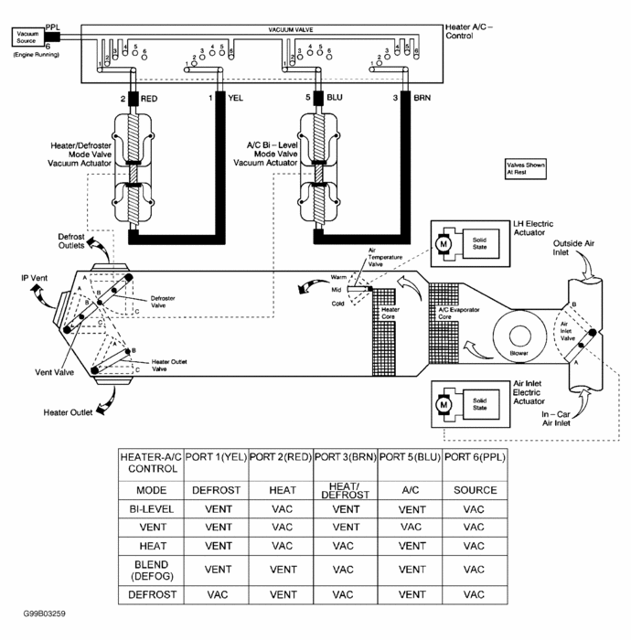
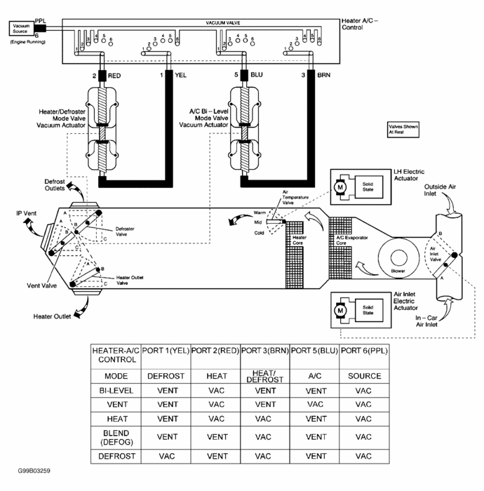
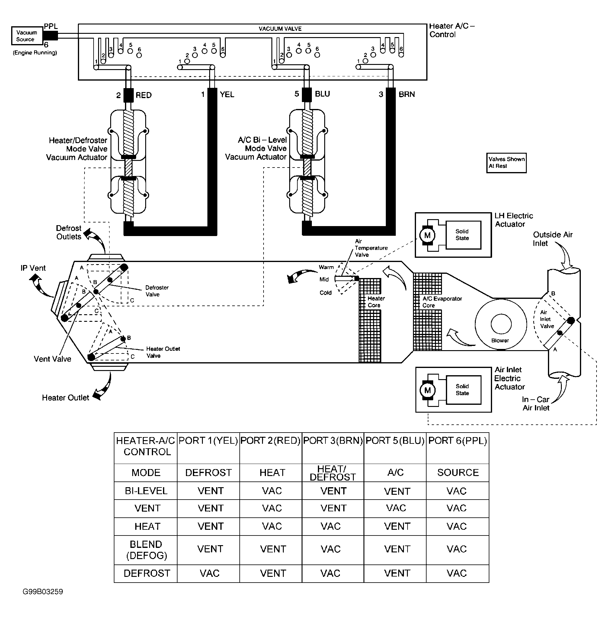
The AC/heater blower assembly is located under the dashboard, and behind the glovebox. Take a look at the pictures.
Images (Click to make bigger)
Was this
answer
helpful?
Yes
No
+1
Monday, November 7th, 2011 AT 11:19 PM
Please
login
or
register
to post a reply.
Related Air Conditioner Not Working Content
2001 Pontiac Montana
The A/c Is Making A Sort Of Hiss From The Center Dash Vent. The Compressor Is Working There Is Freon In The System But It Blows Hot Air...
Asked by
xztqgt1
·
2 ANSWERS
2001
PONTIAC MONTANA
VIDEO
Fix an Air Conditioning Not Working Video
Instructional repair video
GUIDE
Air Conditioner Not Working
Like any sub system in today's car a problem and be minor or a little more involved, this guide will help you find the problem and perform repairs. You can be the judge if...
2001 Pontiac Montana Fans No Coming On
Fuses Seem Ok, How Do I Get The Fans To Run, Engine Is Over Heating How Do I Check Mini Relays What Else Would Stop Fans From...
Asked by
goodmoondancer
·
3 ANSWERS
2001
PONTIAC MONTANA
2000 Pontiac Montana Air Conditioner Will Not Cool
Several Weeks Ago The Ac On My 2000 Pontiac Montanna Started Squilling And I Thought It Was The Belt So I Use A Belt Dressing, However That...
Asked by
cbrmay79
·
1 ANSWER
2000
PONTIAC MONTANA
2002 Pontiac Montana Rear Airconditioning
Vents Always Blow Hot Air.
Asked by
Stephcar2002
·
1 ANSWER
2 IMAGES
2002
PONTIAC MONTANA
A/c Pressure
My Problem Is High Side Pressure Was 70 Psi, And Low Side Pressure Was 100 Psi. When Filled With R134 Refrigerant After Vacuum Removed At...
Asked by
xjshen
·
7 ANSWERS
2003
PONTIAC MONTANA
VIEW MORE
Ask a Car Question. It's Free!
Fix an Air Conditioning Not Working Video
Air Conditioner - Vacuum Down and Recharge
How to Find Low Side A/C Service Port