Starter replacement

Tiny
KEITH_MANNKL
  • MEMBER
  • 2001 OLDSMOBILE INTRIGUE
  • 4 CYL
  • AUTOMATIC
How do I remove a starter from a 2001 oldsmobile intrigue?
Sunday, March 20th, 2011 AT 4:37 AM

3 Replies

Tiny
RASMATAZ
  • MECHANIC
  • 75,992 POSTS
Hello,

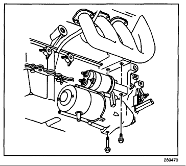
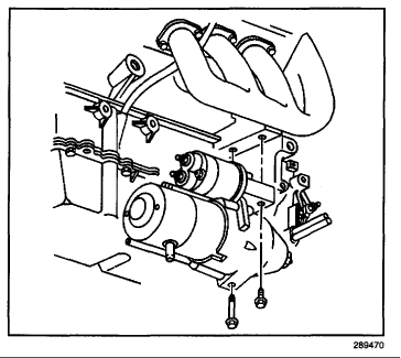
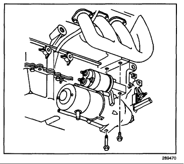
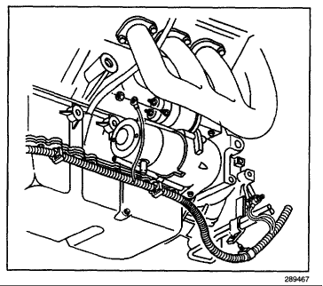
Start by disconnecting the battery and jacking the car up using jack stands. Here are two guides that will walk you through the job and diagrams below to show you on your car.

https://www.2carpros.com/articles/how-to-replace-a-starter-motor

and

https://www.2carpros.com/articles/jack-up-and-lift-your-car-safely

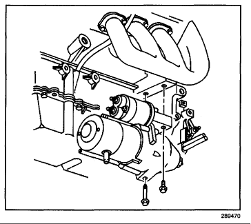
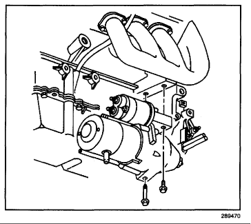
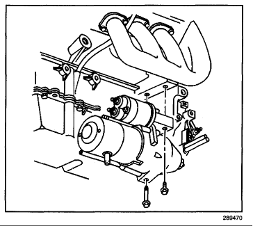
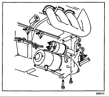
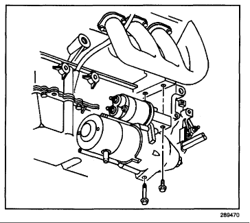
Check out the diagrams (Below). Please let us know if you need anything else to get the problem fixed.
Was this
answer
helpful?
Yes
No
+4
Sunday, March 20th, 2011 AT 10:17 AM
Tiny
DTREWITT
  • MEMBER
  • 1 POST
  • 1998 OLDSMOBILE INTRIGUE
  • 14,500 MILES
I need to know where it is located and the level of difficulty in getting it out. In the Haynes manual I have it says there are shims. Are these easy to see before the starter is removed?
Was this
answer
helpful?
Yes
No
+1
Tuesday, November 6th, 2018 AT 11:58 AM (Merged)
Tiny
JACOBANDNICKOLAS
  • MECHANIC
  • 110,192 POSTS
The shims are between the starter and where it mounts. When you remove the starter, you will see them. Just replace them and it will be fine. Note: Some vehicles may not have the shims, so do not panic if they are not there.
Was this
answer
helpful?
Yes
No
Tuesday, November 6th, 2018 AT 11:58 AM (Merged)

Please login or register to post a reply.