starter replacement

2001 HYUNDAI SANTA FE
6 CYL • FWD • AUTOMATIC
Avatar
HALEY43
  • MEMBER
  • 1 POST
i need to know where the starter is located on my 2001 hyundai santa fe and how to replace it
Jan 28, 2011 at 4:39 AM
Repair Safety Notice: This information is for general instructional purposes only. Vehicle repair can be dangerous. Verify all information, follow manufacturer service procedures, use proper tools and safety equipment, and consult a qualified repair shop when needed.
Advertisement
Avatar
RASMATAZ
  • CAR REPAIR CONTRIBUTOR
  • 75,992 POSTS
Disconnect the battery ground cable.
Remove the speedometer cable and the shift cable.
Disconnect the starter motor connector and terminal.
Remove the starter motor assembly.
Installation is the reverse of removal.

Jan 28, 2011 at 5:16 AM
Advertisement
Avatar
STRAILER
  • CAR REPAIR CONTRIBUTOR
  • 54,189 POSTS
Here is a guide that will give you an idea of what the job with take.

https://www.2carpros.com/articles/how-to-replace-a-starter-motor

You will need to jack the car up safely

https://www.2carpros.com/articles/jack-up-and-lift-your-car-safely

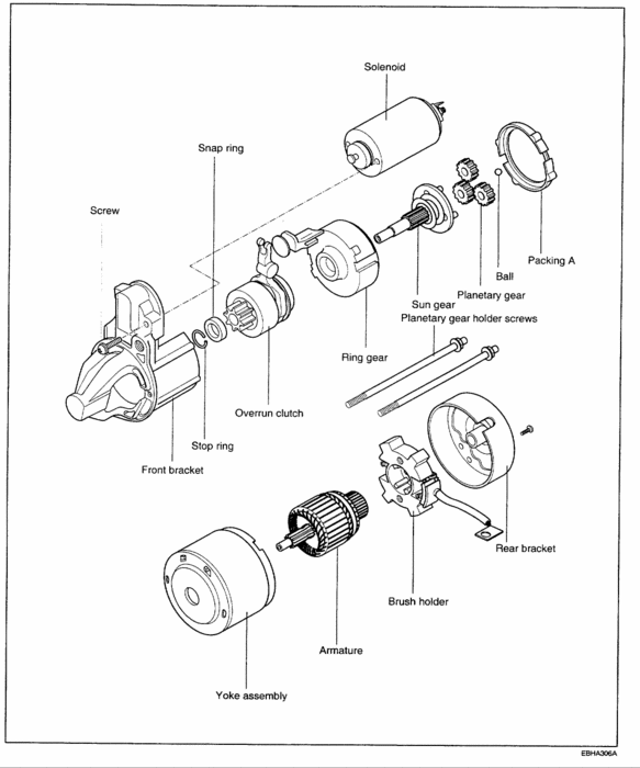
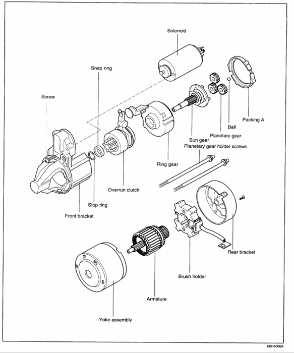
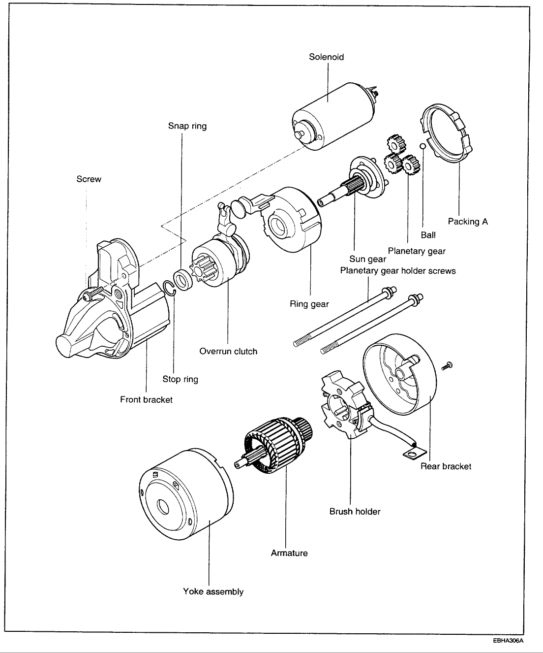
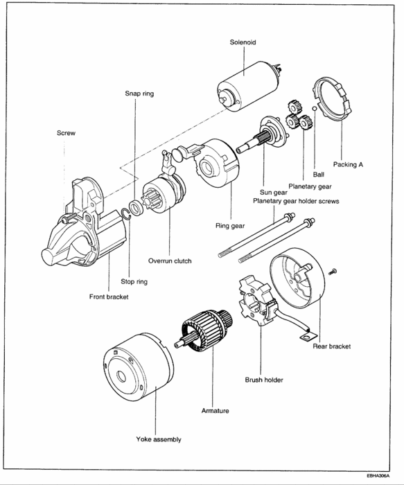
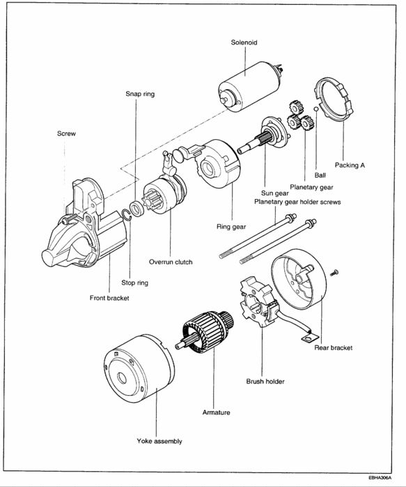
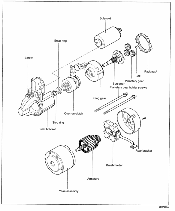
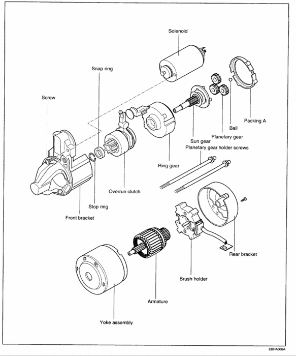
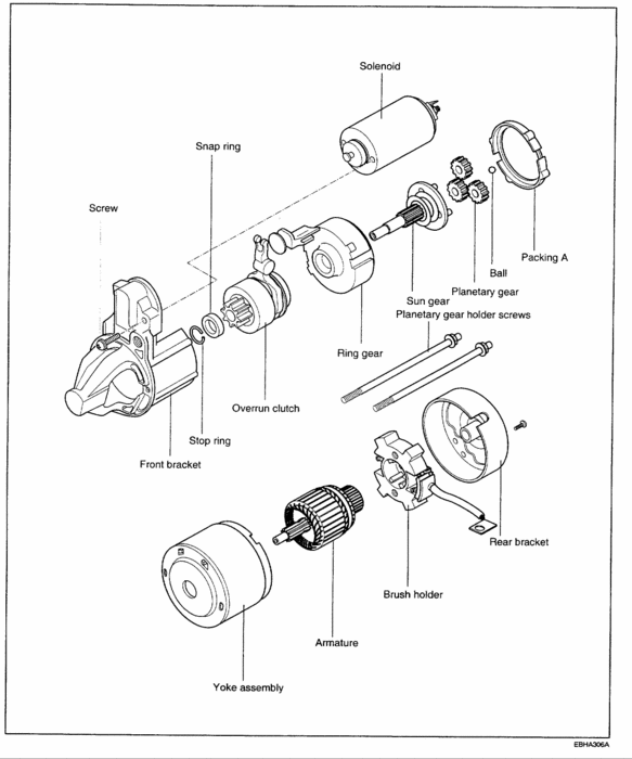
Here is what it will be like on your car (below)

Please let us know if you need anything else to get the problem fixed.

Cheers, Ken
Oct 17, 2017 at 8:02 PM
Avatar
FELIXFINE
  • MEMBER
  • 1 POST
Engine Mechanical problem
2001 Hyundai Santa Fe 6 cyl Front Wheel Drive Automatic 340582 miles
----------------------------------------------------------------
where is the starter located? I can't find it & do not have a repair book to look up the location. Thanks
Oct 18, 2017 at 10:39 AM (Merged)
Avatar
KHLOW2008
  • CAR REPAIR CONTRIBUTOR
  • 41,814 POSTS
Hi felixfine,

Look under the intake manifold at trans mission side.

Simple procedure is to follow the battery positive terminal cable to where it ends.
Oct 18, 2017 at 10:39 AM (Merged)