2001 Dodge Grand Caravan wiring problem

Tiny
LARRYSAMMONS
  • MEMBER
  • 24 POSTS
With key off the ASD has hot on pin 87. On 85 30 and 86 thay have nothing. It is the same with key on. Now the fuel pump with key off you have hot on 87. 85 and 30 you have nothing. On 86 you have a week ground but that is because that pin goes to the fuel pump. With key on you have a hot on 87 and 85. On 30 you have nothing not even for that 1 second when you first turn the key on.85 has that week ground but we no what that is. I have a lot of wire cut under the hood and under dash. Can u please put a copy of the under hood and under dash wiring diagram on this page so I came print them off thank you. Sorry and any wiring diagrams you can send will help
Was this
answer
helpful?
Yes
No
Tuesday, May 10th, 2011 AT 3:17 PM
Tiny
CARADIODOC
  • MECHANIC
  • 34,481 POSTS
My manual shows 87 and 86 tied together so they both should have voltage at the same time. I've heard stories about loose or corroded rivets on the brass strips connecting the terminals under the fuse box but I've never run into that myself.

I'm not sure what you mean by a "weak ground" for the fuel pump relay. 86 doesn't go to the fuel pump. 30 is the relay contact that goes to the pump. That one should read continuity to ground. If you measure it with an ohmmeter, you can expect a reading of about one or two ohms.

I'm working on drawing some diagrams for you. I find it much easier figuring out how a circuit works from looking at them vs. Reading a written description. I'll post it as soon as I have something of value drawn up.
Was this
answer
helpful?
Yes
No
Tuesday, May 10th, 2011 AT 8:59 PM
Tiny
CARADIODOC
  • MECHANIC
  • 34,481 POSTS
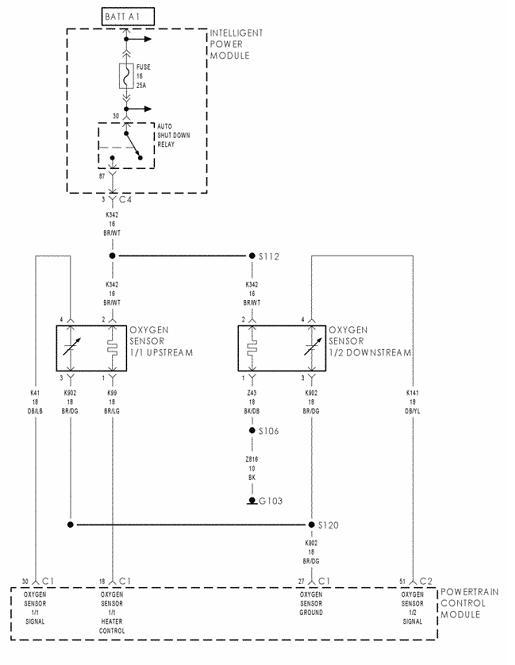
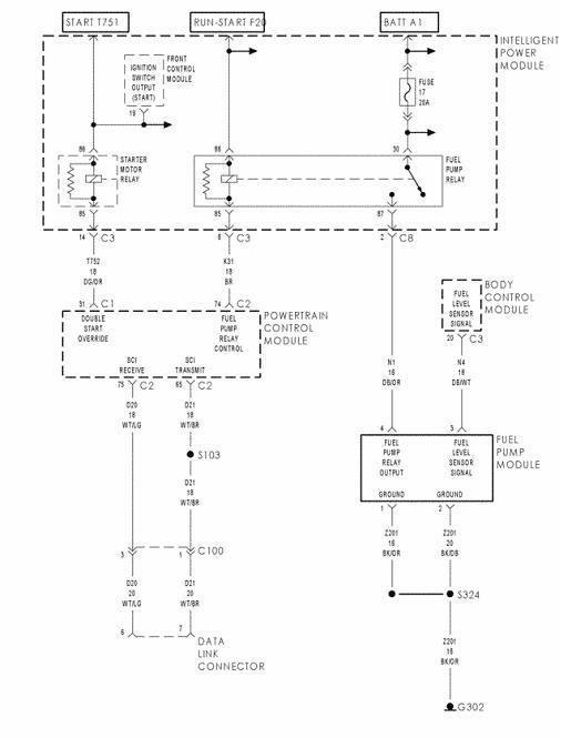
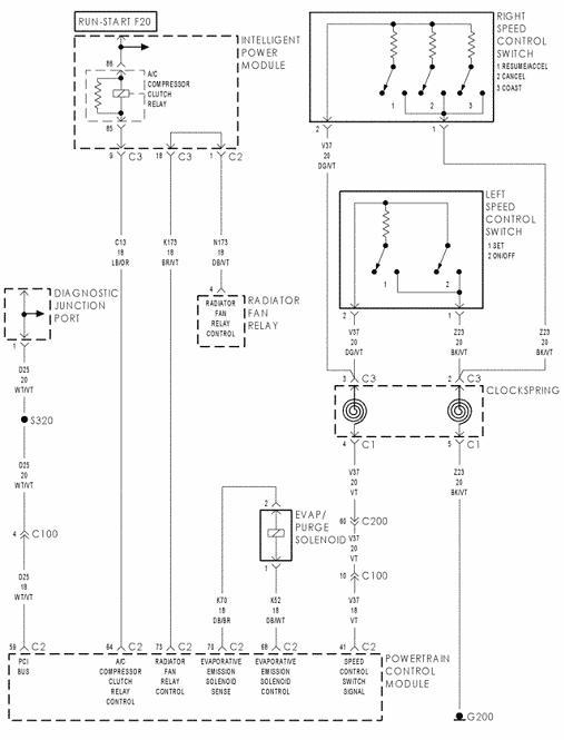
See how far these get you.
Was this
answer
helpful?
Yes
No
Wednesday, May 11th, 2011 AT 12:00 AM
Tiny
LARRYSAMMONS
  • MEMBER
  • 24 POSTS
See what u can do on the diagrams. I can run a hot wire to 85 and the fuel pump comes on. Could these diagrams be rong and 30 and 85 be backwards. See what u can find out. And thank for all your help.
Was this
answer
helpful?
Yes
No
Wednesday, May 11th, 2011 AT 3:10 AM
Tiny
CARADIODOC
  • MECHANIC
  • 34,481 POSTS
If you're running that hot wire to the socket without the relay installed, that has to be terminal 30. It is the lower part of the two terminals that form the letter "T".

To add to the misery, I have an '01 here right now and just went out and checked, and my drawing up higher is wrong again so I'll be changing it for the third time. Terminals 85 and 86 are reversed. Here's the drawing again with the numbers corrected. If you want to double-check, the numbers are molded on the bottom of the relays.

Okay, NOW tell me which one you're applying 12 volts to. 12 volts to terminal 30 should make the pump run without the relay installed. 12 volts to terminal 86 with the relay installed will not activate it only because 85 also has to be grounded for the relay to turn on, and it gets grounded by the circuitry inside the Engine Computer. Now that the drawing is corrected, (sorry), see if 12 volts appears on terminal 86 when the ignition switch is turned on.
Was this
answer
helpful?
Yes
No
-1
Wednesday, May 11th, 2011 AT 5:40 AM
Tiny
LARRYSAMMONS
  • MEMBER
  • 24 POSTS
I will check that. But if u put a picture of a diagram on this page its not on here. If so can u try and put it on here again. Sorry for the trouble. I called the guy that owns the van and the guy that worked on it before me changed the fuse box. Could thay have put the wrong one in it. Or are thay all the same.
Was this
answer
helpful?
Yes
No
Wednesday, May 11th, 2011 AT 9:56 PM
Tiny
CARADIODOC
  • MECHANIC
  • 34,481 POSTS
Some vehicles, (Dakotas, for one), use one fuse box, then they plug in different "joint connectors" to match the engine size and set of optional equipment on the vehicle. I don't see those joint connectors on the van I have here.

I double-checked the relay terminals. This is getting frustrating. Now that I corrected 85 and 86, 30 and 87 are also turned around. My drawings are correct for a 2002 model. I just checked the 2001 van that I have here and the 12 volt feed is terminal 30 for both relays. That means if you remove the pump relay, and jump 12 volts to 87, the pump should run. I was going to post a corrected diagram, ... Again, but I don't have a 2001 service manual so I can't tell if it will have the same wire colors. Instead, in the previous two drawings, switch 30 and 87 for both relays. 30 are the ones connected to the battery / fuse.
Was this
answer
helpful?
Yes
No
Thursday, May 12th, 2011 AT 2:00 AM
Tiny
LARRYSAMMONS
  • MEMBER
  • 24 POSTS
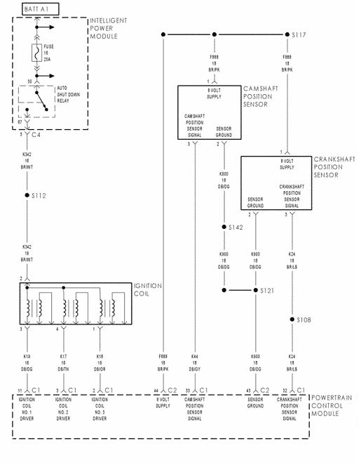
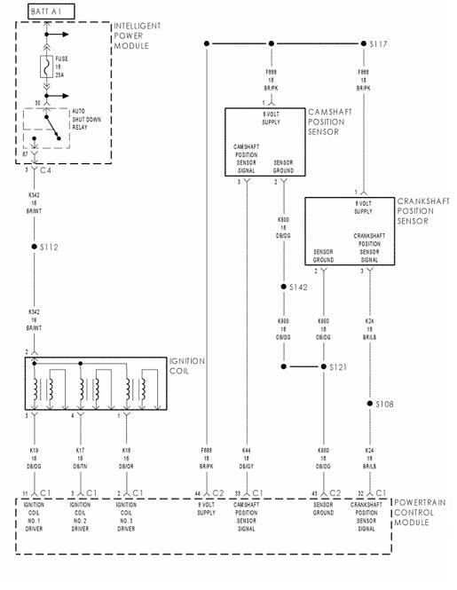
I got the write fuse box. Every thing is ok now but still wont stary no spark to plugs on pulse to fuel injectors non what.I can run o fake ground to fuel pump relay and it comes on. I need a wiring diagram to the computer do u have one? Thanks the cam sensor is working fine. But the crank sensor its like it dont work at all.
Was this
answer
helpful?
Yes
No
Monday, May 23rd, 2011 AT 7:33 PM
Tiny
CARADIODOC
  • MECHANIC
  • 34,481 POSTS
I can't post diagrams and I'm on a backup computer. The site stopped working on my main computer.

If the crankshaft position sensor isn't working, the ASD relay will not be turned on. The Engine Computer must see pulses from the cam and crank sensors before it will turn the ASD relay on, however, if the relay circuit is working, it WILL turn the ASD relay on for one second when you turn the ignition switch on.

I just finished six hours of copying diagrams from the Chrysler web site. Now I have to figure out how to convert them from MS Word files to jpegs that will post here. This was so easy on my main computer but that one uses Mozilla Firefox, and this site stopped working with Firefox last week. As soon as I can figure out how to convert them, I should have some diagrams for you. Yippee! Internet Explorer is so miserable to use after getting used to Firefox.
Was this
answer
helpful?
Yes
No
Tuesday, May 24th, 2011 AT 8:54 AM
Tiny
LARRYSAMMONS
  • MEMBER
  • 24 POSTS
I can wait sorry your computer missed up. But I would reale be thankfull if u can post the computer wiring diagram. I think there is a wire broke going to the crank sensor but I dont no witch wire to check thank u for all your help
Was this
answer
helpful?
Yes
No
Tuesday, May 24th, 2011 AT 2:17 PM
Tiny
CARADIODOC
  • MECHANIC
  • 34,481 POSTS
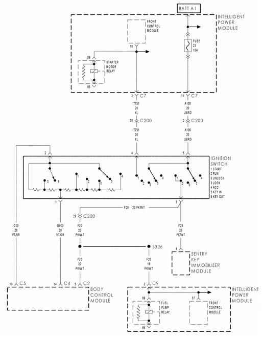
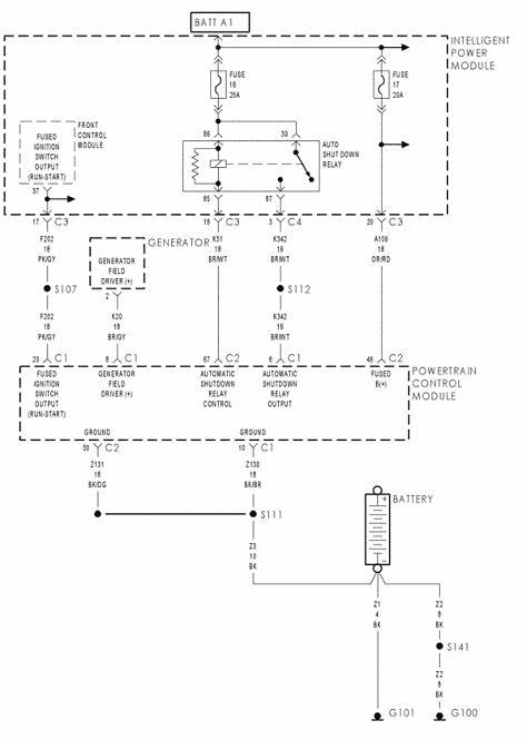
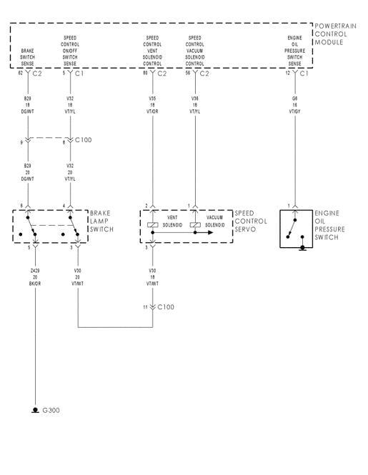
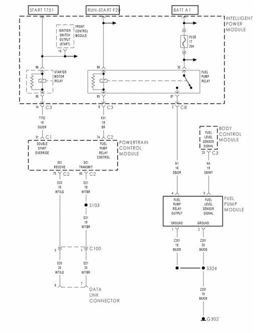
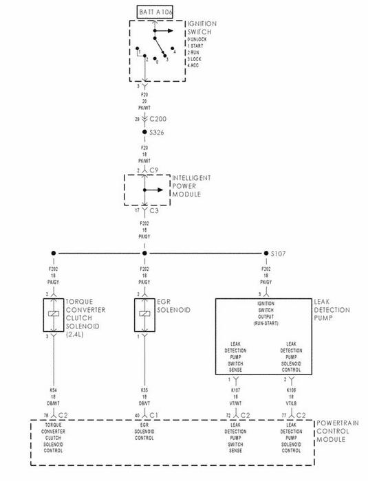
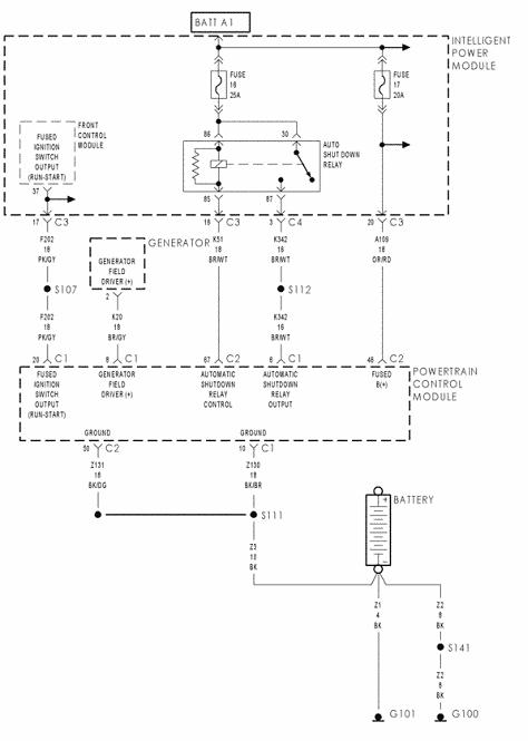
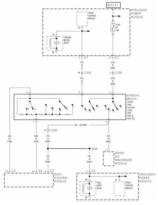
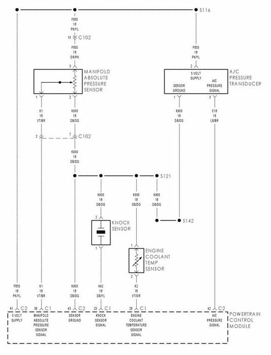
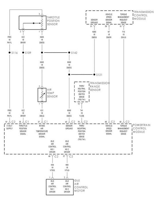
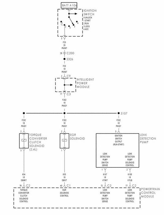
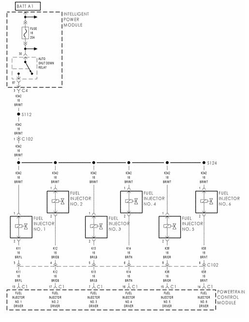
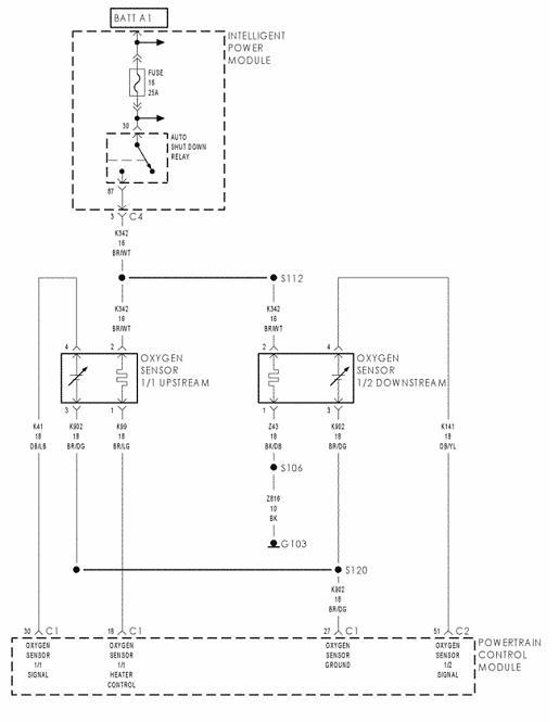
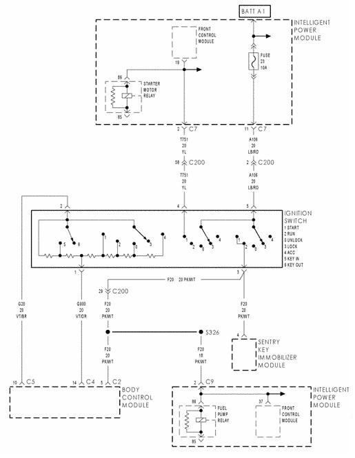
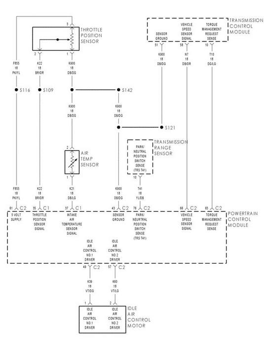
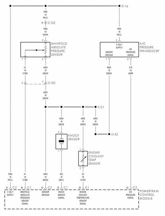
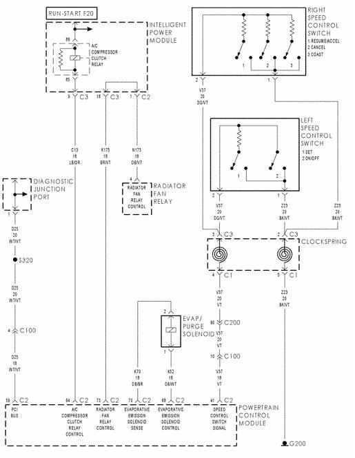
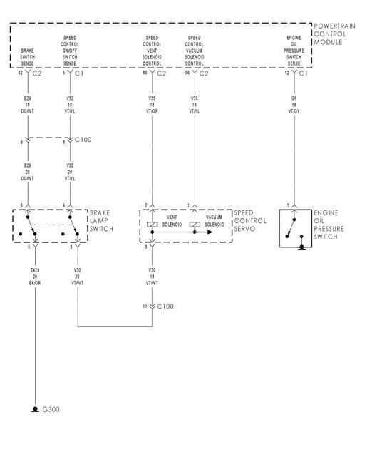
Okay, see how far you get with these. This is every diagram related to "Fuel / Ignition" and one for "Power Distribution".
Was this
answer
helpful?
Yes
No
+1
Wednesday, May 25th, 2011 AT 6:01 AM

Please login or register to post a reply.