Wednesday, March 9th, 2011 AT 3:41 PM
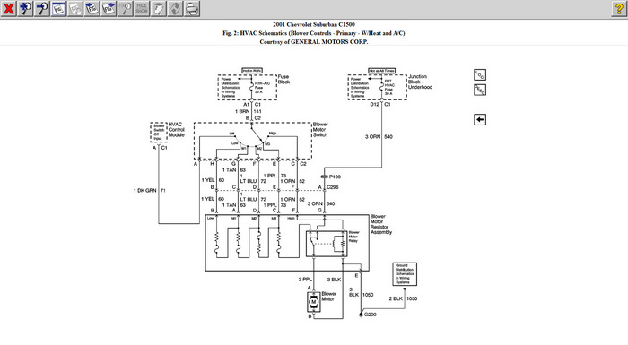
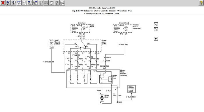
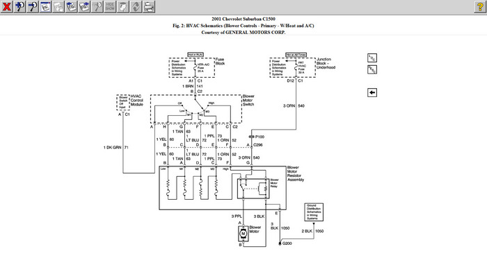
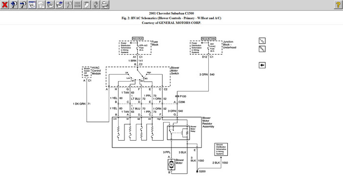
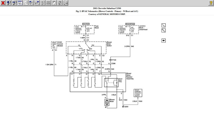
I was going to replace the factory stereo and I accidentally cut the wires going into the hvac control module. There are numerous wires of the same color. How can I go about repairing this? Does it run into another harness or module or will I have to remove the dash and replace the whole interior harness?


