ABS relay and wiring diagrams please?

Tiny
JEFFJ
  • MEMBER
  • 2001 CHEVROLET SILVERADO
  • V8
  • 2WD
  • AUTOMATIC
  • 115,000 MILES
I have a c0265 ABS code. What does this mean and how to I troubleshoot it?
Monday, April 11th, 2011 AT 1:17 PM

14 Replies

Tiny
KHLOW2008
  • MECHANIC
  • 41,814 POSTS
Hello,

This sounds like you have a control relay that is not working or you have a bad connection and the relay. Here is a guide to help you test the relay

https://www.2carpros.com/articles/how-to-check-an-electrical-relay-and-wiring-control-circuit

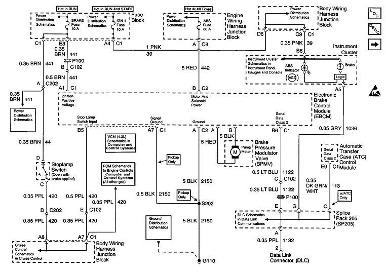
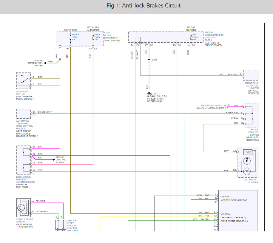
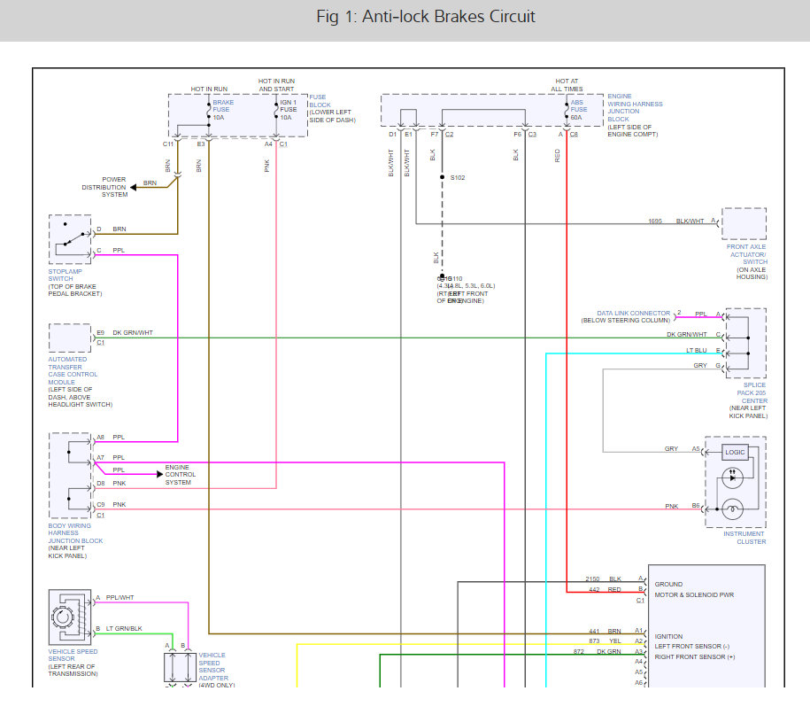
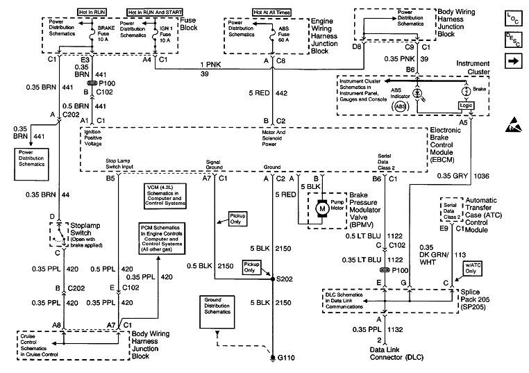
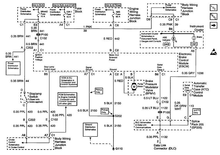
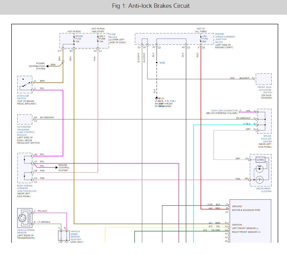
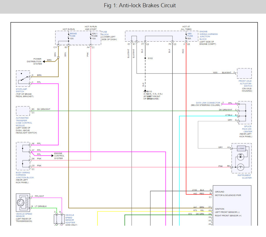
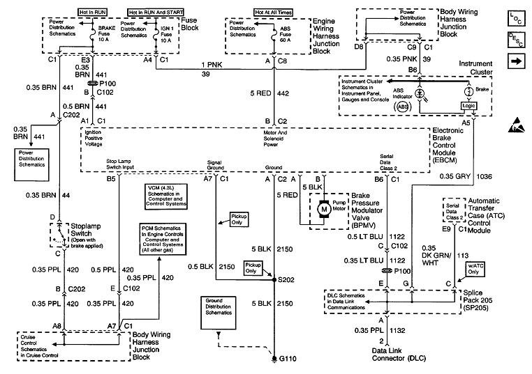
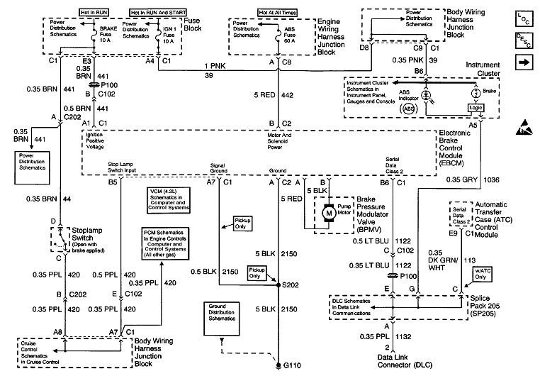
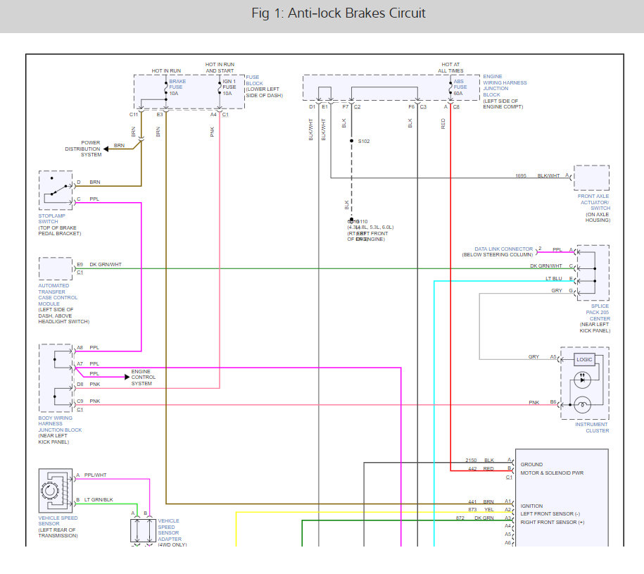
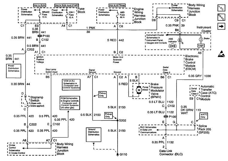
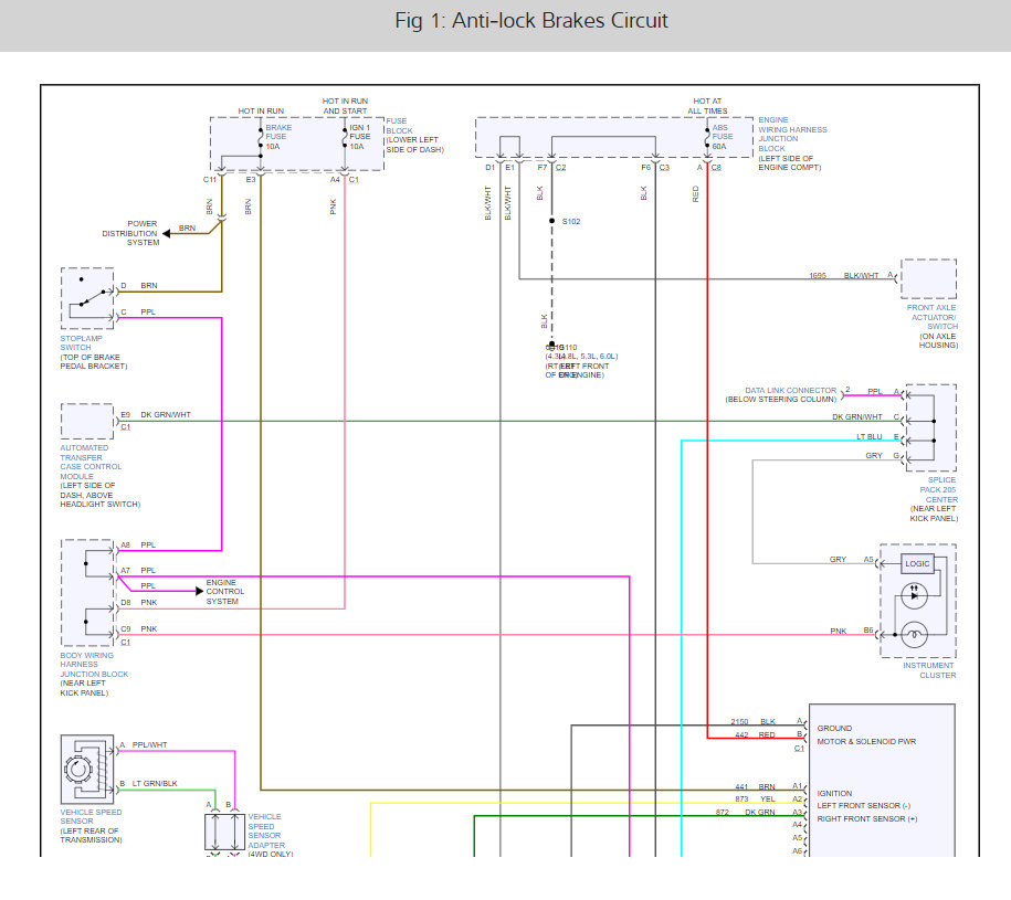
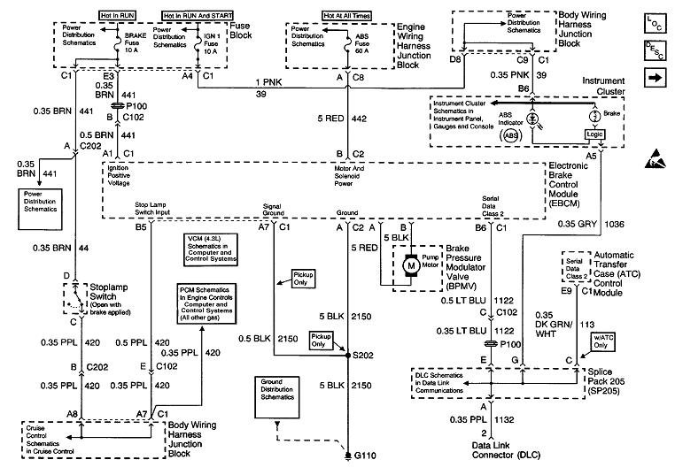
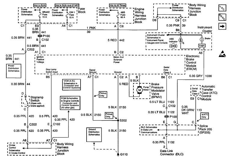
Here is what the book says with the wiring and relay locations.

If the above fails, here are the diagnostics procedures:

DTC C0265 OR DTC C0266: EBCM RELAY CIRCUIT

1. Using scan tool, clear DTCs and perform ABS function test. If DTC C0266 sets, go to step 6. If DTC C0266 does not set, go to next step.

2. If DTC C0265 is also set, go to next step. If DTC C0265 is not set, problem is intermittent.

3. Turn ignition off. Disconnect EBCM harness connector containing the battery positive voltage circuit. Connect a test light between the battery positive voltage circuit and a good ground. If test light illuminates, go to step 5. If test light does not illuminate, go to next step.

4. Repair open in battery positive voltage circuit. After repairs, go to step 10.

5. Check for poor connections at EBCM harness connector. Repair as necessary. After repairs, go to step 10. If connections are okay, go to next step.

6. Separate EBCM from BPMV to gain access to pump motor harness connector. Disconnect ABS pump motor harness connector from EBCM. Using a DVOM, check resistance between ABS pump motor terminals. If resistance is 0.3-1.0 ohms, go to next step. If resistance is not 0.3-
1.0 ohms, go to step 9.

7. Check resistance between the high side of pump motor and a good ground. If resistance reading is infinite, go to step 9. If resistance reading is not infinite, go to next step.

8. Using scan tool, perform tire size calibration procedure and trim level calibration procedure (if applicable). Replace EBCM. After replacing EBCM, go to step 10.

9. Using scan tool, perform tire size calibration procedure and trim level calibration procedure (if applicable). Replace EBCM and BPMV. After replacing EBCM and BPMV, go to next step.

10. Using scan tool, clear DTCs. Operate vehicle at speeds greater than 4 MPH. Recheck DTCs. If DTC resets, go to step 1. If DTC does not reset, system is okay.

Check out the diagrams (Below). Please let us know what you find.

Cheers
Was this
answer
helpful?
Yes
No
+19
Monday, April 11th, 2011 AT 1:37 PM
Tiny
TYPHOONTOM
  • MEMBER
  • 2 POSTS
  • 2000 CHEVROLET SILVERADO
  • 5.3L
  • V8
  • 2WD
  • AUTOMATIC
  • 300,000 MILES
The protective tubing on my ABS module wiring harness degraded. It put strain on the loom. ABS light came on. Two wires visibly broke. I patched them and checked for continuity. Check. The module will still will not communicate with handheld ABS code reader. Suspect more wires strained and broke. Would like to check continuity from ABS mass connector pins back to origin. Looking for pin diagram with wiring color codes so I can check across each wire from the ABS connector back up to where it goes up underneath the under-hood fuse panel/ECM. Can you help?
Was this
answer
helpful?
Yes
No
Tuesday, February 23rd, 2021 AT 9:36 AM (Merged)
Tiny
CARADIODOC
  • MECHANIC
  • 34,491 POSTS
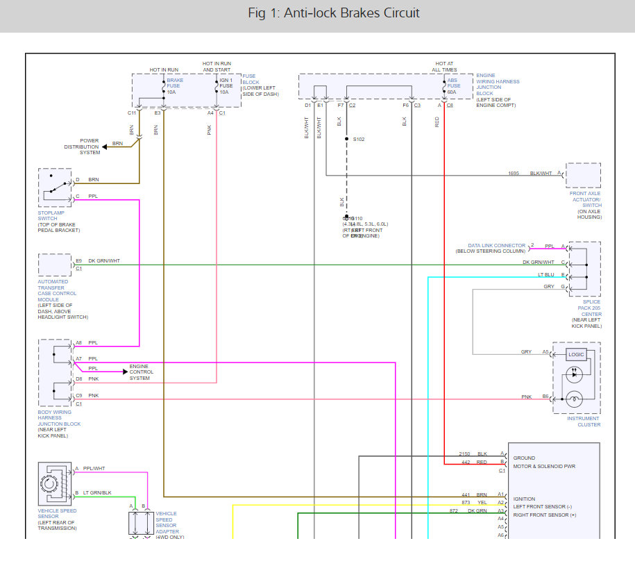
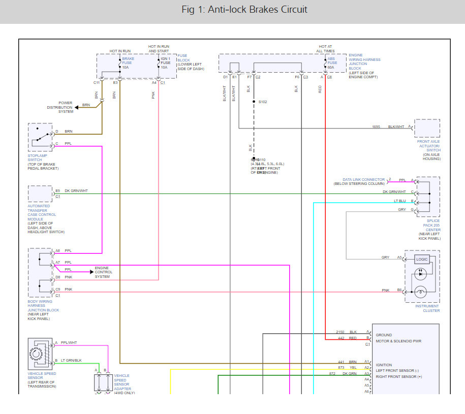
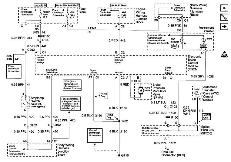
Here's the diagrams I found for your truck. The first two are for anti-lock brakes without traction assist. The third and fourth are with traction assist. This guide can help you test.

https://www.2carpros.com/articles/how-to-check-wiring

Check out the diagrams (Below). Please let us know what you find. We are interested to see what it is.
Was this
answer
helpful?
Yes
No
+4
Tuesday, February 23rd, 2021 AT 9:36 AM (Merged)
Tiny
TYPHOONTOM
  • MEMBER
  • 2 POSTS
Thank you so very much. One more question. I still have the window sticker. I bought this thing new. It says nothing about traction assist. It does say locking differential, but there's no traction button on the dash, like I've seen on some trucks. Would you say it's a safe bet it does not have traction assist?
Was this
answer
helpful?
Yes
No
+2
Tuesday, February 23rd, 2021 AT 9:36 AM (Merged)
Tiny
CARADIODOC
  • MECHANIC
  • 34,491 POSTS
Correct. Traction assist is an add-on option to the ABS system. It operates by activating one brake independently when that wheel is spinning on ice.
Was this
answer
helpful?
Yes
No
+2
Tuesday, February 23rd, 2021 AT 9:36 AM (Merged)
Tiny
SILVER99
  • MEMBER
  • 5 POSTS
  • 1999 CHEVROLET SILVERADO
  • 150,000 MILES
To troubleshoot an intermittent C0265 (Electronic Brake Control Module Motor Relay Circuit $29) that I get with an Actron CP9580.
Was this
answer
helpful?
Yes
No
Tuesday, February 23rd, 2021 AT 9:37 AM (Merged)
Tiny
DOCFIXIT
  • MECHANIC
  • 18,828 POSTS
Check connector at EBCM see if a pin is bent or loose
Was this
answer
helpful?
Yes
No
Tuesday, February 23rd, 2021 AT 9:37 AM (Merged)
Tiny
SILVER99
  • MEMBER
  • 5 POSTS
None loose or bent. Just got back from looking at Mitchells in the library. The standard wiring diagram is neat, but i'm looking for a schematic of the ECBM internals.
Was this
answer
helpful?
Yes
No
+1
Tuesday, February 23rd, 2021 AT 9:37 AM (Merged)
Tiny
SILVER99
  • MEMBER
  • 5 POSTS
A crop:
Was this
answer
helpful?
Yes
No
+1
Tuesday, February 23rd, 2021 AT 9:37 AM (Merged)
Tiny
DOCFIXIT
  • MECHANIC
  • 18,828 POSTS
So where are you with it?
Was this
answer
helpful?
Yes
No
+1
Tuesday, February 23rd, 2021 AT 9:37 AM (Merged)
Tiny
SILVER99
  • MEMBER
  • 5 POSTS
Thanks for asking, everything is still on the truck. Still in need of a Kelsey Hayes 325 schematic.
Was this
answer
helpful?
Yes
No
Tuesday, February 23rd, 2021 AT 9:37 AM (Merged)
Tiny
DOCFIXIT
  • MECHANIC
  • 18,828 POSTS
Can 't get that wiring only what you have system is self diagnostic so need a scanner to acess and diagnosis system. Ie. Not a code reader a diagnostic scan tool
Was this
answer
helpful?
Yes
No
Tuesday, February 23rd, 2021 AT 9:37 AM (Merged)
Tiny
SILVER99
  • MEMBER
  • 5 POSTS
All I have is a new purchased Actron CP9580 for $170 from sears. Com

I could call Actron to find out for sure, but I am pretty sure that the CP9580 features for the ABS system are limited to code reading.
Was this
answer
helpful?
Yes
No
Tuesday, February 23rd, 2021 AT 9:37 AM (Merged)
Tiny
DOCFIXIT
  • MECHANIC
  • 18,828 POSTS
That is correct type scan tool needed costs several thousand $$$
Was this
answer
helpful?
Yes
No
Tuesday, February 23rd, 2021 AT 9:37 AM (Merged)

Please login or register to post a reply.